FENDER TWEED O PRINCETOWN?? [Deciso per 5E3 + mod]
- Kagliostro
- Amministratore

- Messaggi: 9956
- Iscritto il: 03/12/2007, 0:16
- Località: Prov. di Treviso
Re: FENDER TWEED O PRINCETOWN??
Se lo vuoi fare da pedale e da pannello, altrimenti uno switch DPDT o due switch SPDT
K
K
Re: FENDER TWEED O PRINCETOWN??
ragazzi mentre stavo provando l'ampli mi sono abbassato per vedere le valvoline ed ho notato che una finale era arrossata rispetto all'altra....credo sia red plating....
spero di salvare la coppia matchata di valvole regolando il bias... questo è fixed bias come il champ giusto???
dovrei misurare il valore della tensione anodo catodo e in base alla potenza dissipata dalla 6v6 gt impostare al 70 % il bias.
in sostanza dovrei aumentare o diminuire la resistenza di catodo, quella da 250 ohm 5 watt.
https://it.search.yahoo.com/yhs/search? ... +ceriatone
spero di salvare la coppia matchata di valvole regolando il bias... questo è fixed bias come il champ giusto???
dovrei misurare il valore della tensione anodo catodo e in base alla potenza dissipata dalla 6v6 gt impostare al 70 % il bias.
in sostanza dovrei aumentare o diminuire la resistenza di catodo, quella da 250 ohm 5 watt.
https://it.search.yahoo.com/yhs/search? ... +ceriatone
Re: FENDER TWEED O PRINCETOWN??
vi posto le tensioni:
6v6 gt pin tensione anodo catodo:317 V
tensione ai capi della resistenza di catodo da 250 ohm: 19 -20 v
6v6 gt pin tensione anodo catodo:317 V
tensione ai capi della resistenza di catodo da 250 ohm: 19 -20 v
Re: FENDER TWEED O PRINCETOWN??
ragazzi secondo i calcoli ai capi della resistenza di catodo ci sono 19 v.
la tensione anodo catodo 317 v
legge di ohm: 19 v / 270 ohm= sulla resistenza scorrono 70 mA!
e che scorrono nelle finali giusto?
vista la tensione di alimentazione delle valvole mi calocolo la potenza dissipata delle finali. 317 v x 0.070 = le finali dissipano 22 w???
le 6v6 sopportano massimo 14 watt.
è possibile che mi ritrovo questi calcoli?? o son io a farli male??
la tensione anodo catodo 317 v
legge di ohm: 19 v / 270 ohm= sulla resistenza scorrono 70 mA!
vista la tensione di alimentazione delle valvole mi calocolo la potenza dissipata delle finali. 317 v x 0.070 = le finali dissipano 22 w???
le 6v6 sopportano massimo 14 watt.
è possibile che mi ritrovo questi calcoli?? o son io a farli male??
- Kagliostro
- Amministratore

- Messaggi: 9956
- Iscritto il: 03/12/2007, 0:16
- Località: Prov. di Treviso
Re: FENDER TWEED O PRINCETOWN??
Con 14W di dissipazione massima di placca e 317v di anodica per essere sul 70% devi avere una corrente di circa 31mA (per tubo)
Quindi, tenendo conto che misurando al catodo si misura anche la corrente di griglia e che misuri 70mA per tutti e due i tubi, sei vicinissimo al valore desiderato, se già non ci sei
---
La valvola che diventa leggermente azzurrina ti sta informando di aver perso un po' di vuoto al suo interno, quella che va in redplate, probabilmente era già cotta in precedenza
K
Quindi, tenendo conto che misurando al catodo si misura anche la corrente di griglia e che misuri 70mA per tutti e due i tubi, sei vicinissimo al valore desiderato, se già non ci sei
---
La valvola che diventa leggermente azzurrina ti sta informando di aver perso un po' di vuoto al suo interno, quella che va in redplate, probabilmente era già cotta in precedenza
K
Re: FENDER TWEED O PRINCETOWN??
capisco.... grazie K
quindi i 70 mA sono la somma delle 2 correnti delle finali. ad ognuna quindi scorrono 35 mA.
provo ad alzare la resistenza di catodo per avvicinarmi a quella soglia prefissata.
secondo i calcoli 19 v / 0.031 mA= 612 ohm. questo è il valore ideale della resistenza di catodo.
azz...da 270 ohm a questo valore...è un bel gap...
provo a metterne una da 33 ohm e faccio delle misure.
per le valvole le ho prese da banzai e sono pure matchate....30 euri buttati al macero...
non so se posso rivalermi su di esse.....
quindi i 70 mA sono la somma delle 2 correnti delle finali. ad ognuna quindi scorrono 35 mA.
provo ad alzare la resistenza di catodo per avvicinarmi a quella soglia prefissata.
secondo i calcoli 19 v / 0.031 mA= 612 ohm. questo è il valore ideale della resistenza di catodo.
azz...da 270 ohm a questo valore...è un bel gap...
provo a metterne una da 33 ohm e faccio delle misure.
per le valvole le ho prese da banzai e sono pure matchate....30 euri buttati al macero...
non so se posso rivalermi su di esse.....
- Kagliostro
- Amministratore

- Messaggi: 9956
- Iscritto il: 03/12/2007, 0:16
- Località: Prov. di Treviso
Re: FENDER TWEED O PRINCETOWN??
Nei tuoi conti mi pare dimentichi sempre che la res di un PushPull minimo serve due valvole ...............
---
Per le valvole, mi pare che Robi dicesse che qui erano onesti
http://valvole-audio.com/
ma vorrei conferma da lui se possibile
K
---
Per le valvole, mi pare che Robi dicesse che qui erano onesti
http://valvole-audio.com/
ma vorrei conferma da lui se possibile
K
-
MapleMarco
- Roger Mayer Jr.

- Messaggi: 2658
- Iscritto il: 02/06/2012, 14:22
- Località: Mirano (VE)
Re: FENDER TWEED O PRINCETOWN??
Non vorrei dire una fesseria....
ma...non sembrano così tirate per il collo quelle finali dalla foto
ne ho viste di più rosse...
comunque, quelli di banzai sono sempre iper disponibili....
se non le hai comprate secoli fa, mandagli una mail per farglielo notare.
Nella peggiore delle ipotesi si scusano e basta...
ma conoscendoli sono capaci di mandarti una coppia nuova!!
ma...non sembrano così tirate per il collo quelle finali dalla foto
ne ho viste di più rosse...
comunque, quelli di banzai sono sempre iper disponibili....
se non le hai comprate secoli fa, mandagli una mail per farglielo notare.
Nella peggiore delle ipotesi si scusano e basta...
ma conoscendoli sono capaci di mandarti una coppia nuova!!
CHE DIO B'ASSISTA!
Re: FENDER TWEED O PRINCETOWN??
eh forse hai ragione.....
troppa premura forse???(è il mio primo bimbo push pull!
)
ho messo una resistenza in serie alla precedente ed adesso il valore ohmico della res catodica è di 303 ohm. l'ho suonato per più di un'ora e mezza a volumi accettabili ed ogni tanto davo uno sguardo alle valvole ed era tutto ok.
ho sistemato un'altro relè per il problemino delle interferenze se rimanevo entrambi i volumi dei canali aperti ed adesso posso suonare con 2 puliti distinti e separati con volumi diversi
il send return della fireball funziona. è bello pulito ma quando lo aziono c'è un calo di volume tra il pulito. per risolvere questo problemino avevo pensato di diminuire il valore della resistenza da 10 k che va dal centrale del pot stereo del return al tip dell'ingresso jack dello stesso. è una mia supposizione, ci provo e vi faccio sapere.
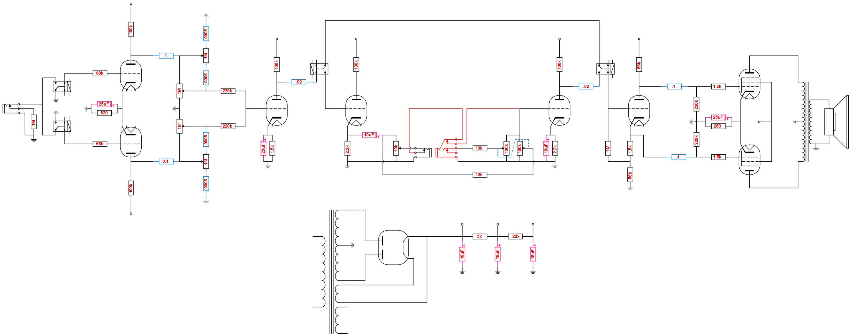
(IL LAYOUT E LO SCHEMA SONO ALLEGATI, trovate il tutto nei messaggi precedenti)
altri problemini che ci sono riguardano i BOOMP che si ha quando metto in stanby l'ampli e quando aziono il S/R, o cambio il 1 con il secondo canale dalla footswitch che ho fatto.

ho messo una resistenza in serie alla precedente ed adesso il valore ohmico della res catodica è di 303 ohm. l'ho suonato per più di un'ora e mezza a volumi accettabili ed ogni tanto davo uno sguardo alle valvole ed era tutto ok.
ho sistemato un'altro relè per il problemino delle interferenze se rimanevo entrambi i volumi dei canali aperti ed adesso posso suonare con 2 puliti distinti e separati con volumi diversi
il send return della fireball funziona. è bello pulito ma quando lo aziono c'è un calo di volume tra il pulito. per risolvere questo problemino avevo pensato di diminuire il valore della resistenza da 10 k che va dal centrale del pot stereo del return al tip dell'ingresso jack dello stesso. è una mia supposizione, ci provo e vi faccio sapere.
(IL LAYOUT E LO SCHEMA SONO ALLEGATI, trovate il tutto nei messaggi precedenti)
altri problemini che ci sono riguardano i BOOMP che si ha quando metto in stanby l'ampli e quando aziono il S/R, o cambio il 1 con il secondo canale dalla footswitch che ho fatto.
- Kagliostro
- Amministratore

- Messaggi: 9956
- Iscritto il: 03/12/2007, 0:16
- Località: Prov. di Treviso
Re: FENDER TWEED O PRINCETOWN??
Devi incominciare a disegnare dagli schemi e poi a passare al resto, altrimenti si fa confusione
In cosa è diverso questo schema rispetto a quello che hai realizzato tu ?
---
K
p.s.: Potrebbero esserci errori sullo schema, fatto di fretta, segnalatemeli, Grazie
In cosa è diverso questo schema rispetto a quello che hai realizzato tu ?
---
Spiegati meglio, intendi con un pedale inserito o senza nulla e solo il circuito non bypassato ??quando lo aziono c'è un calo di volume
K
p.s.: Potrebbero esserci errori sullo schema, fatto di fretta, segnalatemeli, Grazie
- Kagliostro
- Amministratore

- Messaggi: 9956
- Iscritto il: 03/12/2007, 0:16
- Località: Prov. di Treviso
Re: FENDER TWEED O PRINCETOWN??
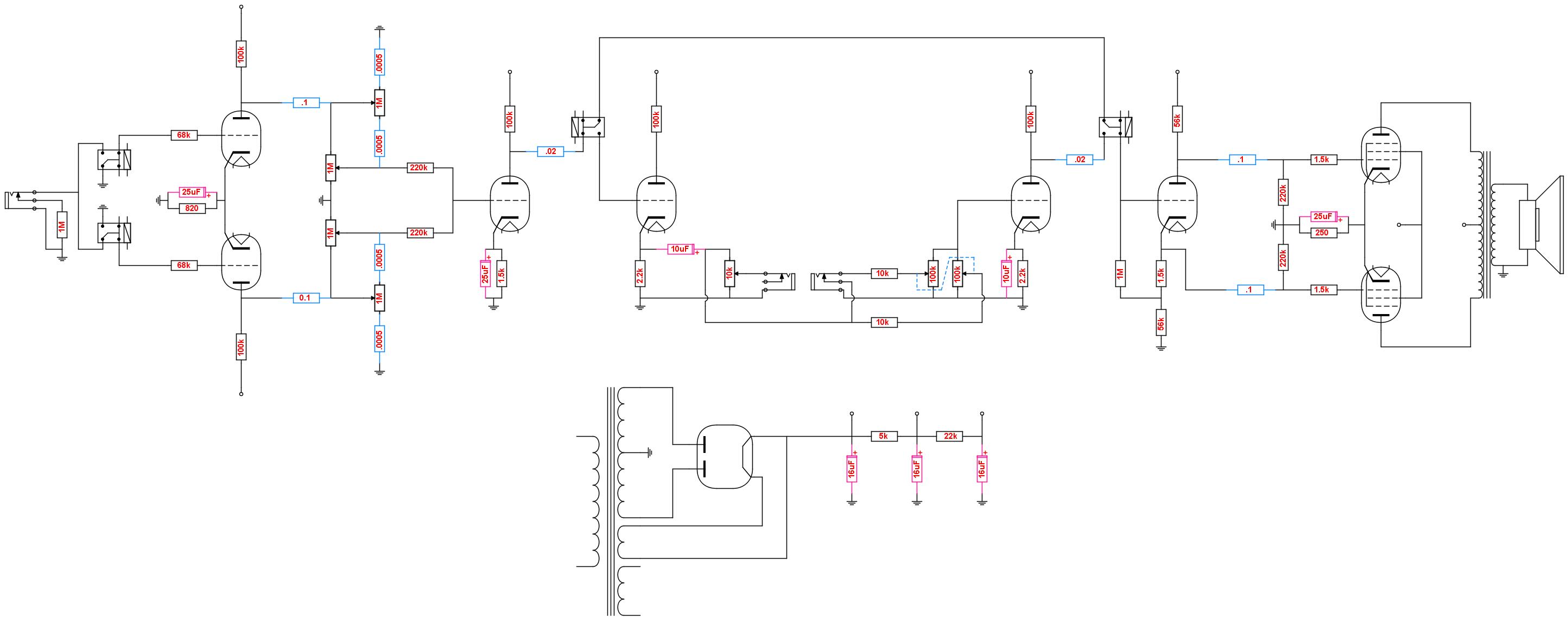
Potresti provare questa modifica e vedere se, come penso, possa risolvere il problema
K
K
Re: FENDER TWEED O PRINCETOWN??
ciao K
intendo che quando aziono il send return il volume percepito è inferiore a quello pulito dell'amplificatore. il segnale è si effettato ma è inferiore di volume. se alzo il volume, l'effetto viene come distorto un po, e non si hanno grosse differenze di volume.
come jack da pannello al send return ho utilizzato quelli in metallo mono.
sullo schema hai messo un jack stereo al send? quella freccetta che va al jack da pannello è lo sleeve giusto?
sto cercando di istallare fidocad j ma ho problemi con windows 8.1.... appena ci riesco posto lo schema
intendo che quando aziono il send return il volume percepito è inferiore a quello pulito dell'amplificatore. il segnale è si effettato ma è inferiore di volume. se alzo il volume, l'effetto viene come distorto un po, e non si hanno grosse differenze di volume.
come jack da pannello al send return ho utilizzato quelli in metallo mono.
sullo schema hai messo un jack stereo al send? quella freccetta che va al jack da pannello è lo sleeve giusto?
sto cercando di istallare fidocad j ma ho problemi con windows 8.1.... appena ci riesco posto lo schema
- Kagliostro
- Amministratore

- Messaggi: 9956
- Iscritto il: 03/12/2007, 0:16
- Località: Prov. di Treviso
Re: FENDER TWEED O PRINCETOWN??
La mod proposta dovrebbe far funzionare l'FXLoop come stadio di gain (ma solo quando non c'è un effetto collegato)
Per i problemi che lamenti devi fare delle prove di regolazione lavorando sul pot del send e quello del return, oltre, ovviamente, ai pot che regolano il livello del segnale, eventualmente presenti sull'effetto stesso
K
Per i problemi che lamenti devi fare delle prove di regolazione lavorando sul pot del send e quello del return, oltre, ovviamente, ai pot che regolano il livello del segnale, eventualmente presenti sull'effetto stesso
K
Re: FENDER TWEED O PRINCETOWN??
ho provato a togliere il trimmer che va alla griglia della 12ax7 del send return ma è stata una cosa inconcludente.
ho provato a cambiare il trimmer da 1 m con uno da 220 k.
inoltre ho provato a togliere prima la resist. da 10 k che va al centrale del send e poi quella che va al pot del return.
adesso il pot del return va in feedback se messo al max invece prima non lo faceva. mi piace com'è adesso poichè posso scegliere bene il segnale effettato.
riguardo la questione volume c'è un bel divario tra il volume del canale pulito e quello del send return.
non è una questione di settaggi del pedalino ambient.
se collego il delay normalmente all'ingresso dell'ampli suona meglio cosi e non nel send return..
ho provato a cambiare il trimmer da 1 m con uno da 220 k.
inoltre ho provato a togliere prima la resist. da 10 k che va al centrale del send e poi quella che va al pot del return.
adesso il pot del return va in feedback se messo al max invece prima non lo faceva. mi piace com'è adesso poichè posso scegliere bene il segnale effettato.
riguardo la questione volume c'è un bel divario tra il volume del canale pulito e quello del send return.
non è una questione di settaggi del pedalino ambient.
se collego il delay normalmente all'ingresso dell'ampli suona meglio cosi e non nel send return..
- Kagliostro
- Amministratore

- Messaggi: 9956
- Iscritto il: 03/12/2007, 0:16
- Località: Prov. di Treviso
Re: FENDER TWEED O PRINCETOWN??
????ho provato a togliere il trimmer che va alla griglia della 12ax7 del send return ma è stata una cosa inconcludente.
ho provato a cambiare il trimmer da 1 m con uno da 220 k.
inoltre ho provato a togliere prima la resist. da 10 k che va al centrale del send e poi quella che va al pot del return.
????adesso il pot del return va in feedback se messo al max
K
