ecco qui,adesso con il layout è più comprensibile.
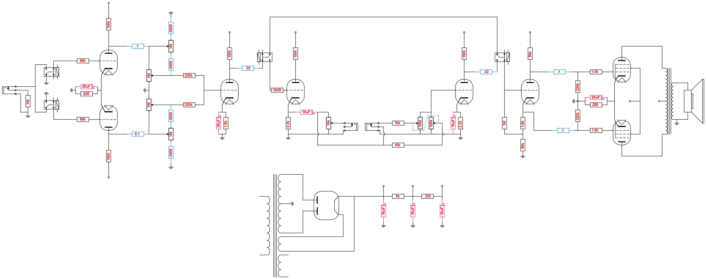
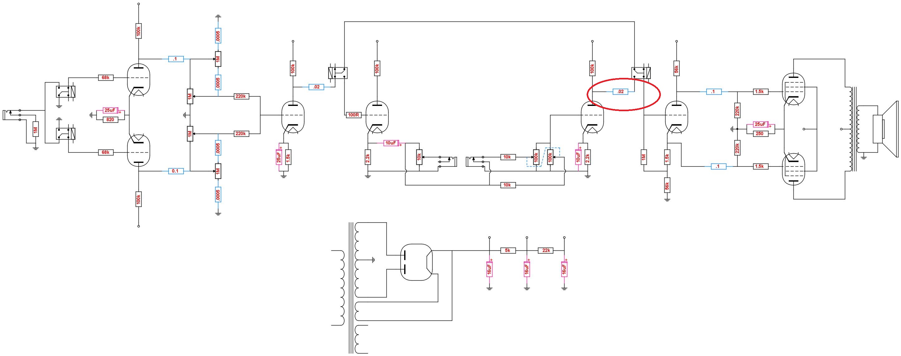
mi ricordo che mi dicesti di provare a mettere dei trimmer diversi per gestire il segnale in ingresso della griglia della 12AX7. all'inizio ne avevo messo uno da 1 M. se aprivo il wiper e lo mettevo al max il segnale veniva ridotto di volume, invece se lo mettevo a quasi metà avevo più volume.
adesso ne ho messo uno da 220 k.
ho provato anche a toglierlo proprio il trimmer ma il segnale era ancora più fioco e il send return aveva un volume bassissimo.
ho provato anche a togliere una alla volta le resistenze da 10 K che vanno una al pot del send ed una invece al tip del return. pensavo che eliminandole il segnale fosse meno attenuato e con più gain. ma ho pensato male.
adesso con il send return privo di quelle due resistenze cerchiate, il pot del send se messo al max va in feedback. meglio così visto che posso gestire meglio il segnale effettato impostandolo a mio piacimento. il problema è che sto punto e daccapo. il volume del send return è inferiore a quello del canale pulito.
non è un problema di pedalino.
se metto il delay normalmente dall'input dell'ampli suona benissimo, il suono è bello squillante, se vario il tono del canale si sente la differenza, invece se lo metto nel send retun il segnale pare ovattato e se gioco con il tono del canale la differenza la si sente solo se lo apri tutto o lo chiudi quasi tutto.


