quale kit per un amp da 18W
Re: quale kit per un amp da 18W
Dovrei comprare il necessario per costruire una pcb, conoscete qualche kit?
Per la parte dl finale invece mi conviene usare una turret board visto che non ho il master?
Avevo giá iniziato ad ipotizzare il layout con la TB ma ho alcuni dubbi. ...
Per il finale che consigliate?
Oggi metto pre e finale nello stesso schema e vediamo se è tutto ok
Per la parte dl finale invece mi conviene usare una turret board visto che non ho il master?
Avevo giá iniziato ad ipotizzare il layout con la TB ma ho alcuni dubbi. ...
Per il finale che consigliate?
Oggi metto pre e finale nello stesso schema e vediamo se è tutto ok
- Kagliostro
- Amministratore
- Messaggi: 9864
- Iscritto il: 03/12/2007, 0:16
- Località: Prov. di Treviso
Re: quale kit per un amp da 18W
Per il finale fai come Marco, pre su PCB, il resto sul telaio e magari ti aiuti con delle tag strip
Per fare la PCB di sicuro qualcuno saprà dirti qualcosa, non che non sappia come si potrebbero fare, ma non ne faccio
(sto aspettando di ultimare l'allestimento per la mia CNC e poi qualcosa penso di fare con quella)
K
Per fare la PCB di sicuro qualcuno saprà dirti qualcosa, non che non sappia come si potrebbero fare, ma non ne faccio
(sto aspettando di ultimare l'allestimento per la mia CNC e poi qualcosa penso di fare con quella)
K
- mastrococco
- Garzone di Roger Mayer
- Messaggi: 1361
- Iscritto il: 16/01/2012, 14:13
- Località: Cesena
Re: quale kit per un amp da 18W
http://www.diyitalia.eu/galleria/file/56-press-peel
se non hai i foglietti appositi puoi tranquillamente stampare (meglio se su carta fotografica) la pcb con una stampante LASER e trasferire il toner col già descritto metodo stira e ammira.
Il materiale (basette e cloruro ferrico) li trovi in genere nei negozi di elettronica. Se quello sotto casa tua è disgraziato e non le ha online trovi tutto, anche su ebay.
Questo è il metodo più casalingo e accessbile per le pcb, poi appena K finisce la sua cnc mi sa che ne vedremo di molto più belle
se non hai i foglietti appositi puoi tranquillamente stampare (meglio se su carta fotografica) la pcb con una stampante LASER e trasferire il toner col già descritto metodo stira e ammira.
Il materiale (basette e cloruro ferrico) li trovi in genere nei negozi di elettronica. Se quello sotto casa tua è disgraziato e non le ha online trovi tutto, anche su ebay.
Questo è il metodo più casalingo e accessbile per le pcb, poi appena K finisce la sua cnc mi sa che ne vedremo di molto più belle

-
- Roger Mayer Jr.
- Messaggi: 2658
- Iscritto il: 02/06/2012, 14:22
- Località: Mirano (VE)
Re: quale kit per un amp da 18W
Allora, siccome il finale lo farai PTP
e non è un consiglio...è un OBBLIGO.
Odio i finali su PCB, e se decidi di farlo così hai il divieto assoluto di usare il mio Pre
(ovviamente sto scherzando)
Questa è la PCB.
ovviamente, i filamenti vanno in 12VDC
gli zoccoli sono montati lato componenti (non lato piste)
due canali, due master, due eq, master volume, loop effetti, PI....
condensatori wima mkp10, relay omron G5V1 (12VDC ovviamente)
suono....DA PAURA! (sconsiglio le el84....secondo me servono le 6v6 per sta roba qua)
e non è un consiglio...è un OBBLIGO.
Odio i finali su PCB, e se decidi di farlo così hai il divieto assoluto di usare il mio Pre

(ovviamente sto scherzando)
Questa è la PCB.
ovviamente, i filamenti vanno in 12VDC
gli zoccoli sono montati lato componenti (non lato piste)
due canali, due master, due eq, master volume, loop effetti, PI....
condensatori wima mkp10, relay omron G5V1 (12VDC ovviamente)
suono....DA PAURA! (sconsiglio le el84....secondo me servono le 6v6 per sta roba qua)
Ultima modifica di MapleMarco il 26/11/2014, 18:41, modificato 1 volta in totale.
CHE DIO B'ASSISTA!
Re: quale kit per un amp da 18W
PCB ciulata alla velocità della luce!







-
- Roger Mayer Jr.
- Messaggi: 2658
- Iscritto il: 02/06/2012, 14:22
- Località: Mirano (VE)
Re: quale kit per un amp da 18W
Per la cronaca. l'ampli con quella scheda è quello con il cabinet in legno:
e vedendo a che altri amp viene affiancato/comparato...
Insomma, sono soddisfazioni anche queste
ora il proprietario lo sta usando in una sessione di reamping....e vedendo a che altri amp viene affiancato/comparato...

Insomma, sono soddisfazioni anche queste
CHE DIO B'ASSISTA!
-
- Roger Mayer Jr.
- Messaggi: 2658
- Iscritto il: 02/06/2012, 14:22
- Località: Mirano (VE)
Re: quale kit per un amp da 18W
Ah, mi sono dimenticato una cosa...
quel loop effetti è configurabile sia in parallelo che in seriale ovviamente...ed è il loop delle rectifier.
Tende a perdere abbastanza facilmente segnale per strada...quindi consiglio di mettere il pot del send (che è outboard) più grande di quanto mesa non faccia!!
quel loop effetti è configurabile sia in parallelo che in seriale ovviamente...ed è il loop delle rectifier.
Tende a perdere abbastanza facilmente segnale per strada...quindi consiglio di mettere il pot del send (che è outboard) più grande di quanto mesa non faccia!!
CHE DIO B'ASSISTA!
Re: quale kit per un amp da 18W
forse ci siamo!
nel file allegato trovate la bozza dello schema che vorrei usare, manca il loop effetti che non so se lo realizzo.
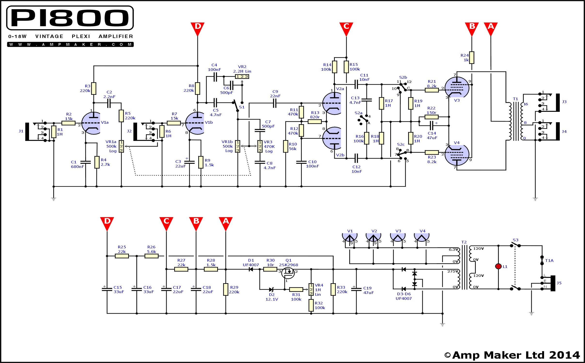
allego anche lo schema del P1800 da cui ho preso spunto.
ho preso il pre di MapleMarco (grazieee) e il finale e l'alimentazione del p1800 di Ampmaker.com
ora devo cercare di far coesistere i due schemi. Il primo punto interrogativo (?1) è come collego la corrente anodica del pre con il trasformatore? che corrente ha bisogno?
Lo stesso discorso vale per la massa (? 2): posso usare la stessa massa per entrambi, pre e finale?
il p1800 usa un VVR per ridurre la corrente anodica...lo metto o è poco funzionale??
che ve ne pare?? si cercano consigli!!
@maplemarco: cosa hai usato per fare la tua PCB?
nel file allegato trovate la bozza dello schema che vorrei usare, manca il loop effetti che non so se lo realizzo.
allego anche lo schema del P1800 da cui ho preso spunto.
ho preso il pre di MapleMarco (grazieee) e il finale e l'alimentazione del p1800 di Ampmaker.com
ora devo cercare di far coesistere i due schemi. Il primo punto interrogativo (?1) è come collego la corrente anodica del pre con il trasformatore? che corrente ha bisogno?
Lo stesso discorso vale per la massa (? 2): posso usare la stessa massa per entrambi, pre e finale?
il p1800 usa un VVR per ridurre la corrente anodica...lo metto o è poco funzionale??
che ve ne pare?? si cercano consigli!!
@maplemarco: cosa hai usato per fare la tua PCB?
- Allegati
-
- Wamp02.rar
- schema in formato fcd
- (3.72 KiB) Scaricato 180 volte
-
- Roger Mayer Jr.
- Messaggi: 2658
- Iscritto il: 02/06/2012, 14:22
- Località: Mirano (VE)
Re: quale kit per un amp da 18W
spero di non dimenticarmi risposte per strada...
1: il loop ti conviene tenerlo dato che la PCB è fatta....
per toglierlo dovresti ridisegnarla...ma non ne vale la pena dato che da schema il Send lo tieni per entrare nella PI dal catodo e quindi
(a meno tu l'abbia tenuto senza sapere il perchè) avresti comunque la quarta 12ax7 e con mezzo triodo vuoto.
2: per le masse : http://el34world.com/charts/images/ChassisGrounds.png
(nel tuo caso i preamp flter, i pot e l'input sono o già on board o riferiti a massa alla board attraverso la calza dei cavi schermati)
3: corrente anodica....allora, la PCB prevede già la sezione di filtro del preamp...
quindi prendendo ad esempio l'alimentazione anodica del PI800, basta che dimentichi tutto quello che viene dopo il nodo "B", perchè è già on-board appunto, e vai alla PCB da li.
VVR o cose strane secondo me non servono. basta una res da 120ohm 5W, o da 220ohm 10W da mettere tra l'anodica che mandi al TU e il nodo "B". Questa res simula il Sag, filtra comunque abbastanza e ti fai praticamente tutta l'alimentazione con solo un Cap 50+50 uF!!
Piccolo consiglio. prendi la PCB, studiala. Ridisegnati lo schema magari....così sai cosa stai usando e in caso di problemi ci metti metà tempo a risolverli!!

1: il loop ti conviene tenerlo dato che la PCB è fatta....
per toglierlo dovresti ridisegnarla...ma non ne vale la pena dato che da schema il Send lo tieni per entrare nella PI dal catodo e quindi
(a meno tu l'abbia tenuto senza sapere il perchè) avresti comunque la quarta 12ax7 e con mezzo triodo vuoto.
2: per le masse : http://el34world.com/charts/images/ChassisGrounds.png
(nel tuo caso i preamp flter, i pot e l'input sono o già on board o riferiti a massa alla board attraverso la calza dei cavi schermati)
3: corrente anodica....allora, la PCB prevede già la sezione di filtro del preamp...
quindi prendendo ad esempio l'alimentazione anodica del PI800, basta che dimentichi tutto quello che viene dopo il nodo "B", perchè è già on-board appunto, e vai alla PCB da li.
VVR o cose strane secondo me non servono. basta una res da 120ohm 5W, o da 220ohm 10W da mettere tra l'anodica che mandi al TU e il nodo "B". Questa res simula il Sag, filtra comunque abbastanza e ti fai praticamente tutta l'alimentazione con solo un Cap 50+50 uF!!
Piccolo consiglio. prendi la PCB, studiala. Ridisegnati lo schema magari....così sai cosa stai usando e in caso di problemi ci metti metà tempo a risolverli!!
CHE DIO B'ASSISTA!
- Kagliostro
- Amministratore
- Messaggi: 9864
- Iscritto il: 03/12/2007, 0:16
- Località: Prov. di Treviso
Re: quale kit per un amp da 18W
VVR e SAG resistor sono due cose diverse,vedere la lista di acronimi presente in sezione BAR
Azz, a proposito, Marco, se mi disegni una PCB per quello posso contraccambiare con un paio di bottiglie di quello buono
K
se volete ho uno schema di VVR che comprende un circuitino SAG regolabileA proposito, Martino, la collochiamo in un punto più in evidenza e fruibile del forum ?
Non tutto il tread solo l'ultima lista aggiornata

Azz, a proposito, Marco, se mi disegni una PCB per quello posso contraccambiare con un paio di bottiglie di quello buono
K
-
- Roger Mayer Jr.
- Messaggi: 2658
- Iscritto il: 02/06/2012, 14:22
- Località: Mirano (VE)
Re: quale kit per un amp da 18W
Per la PCB ok, basta avere uno schema
Per il VVR, non intendevo dire che è la stessa cosa del SAG, ma che secondo me è una complicazione trascurabile.
Grazie K di aver specificato, mi rendo conto rileggendo che poteva essere frainteso.
Per la lista di acronimi...si, concordo sul metterla in evidenza...alle prime armi mi è stata utilissima

Per il VVR, non intendevo dire che è la stessa cosa del SAG, ma che secondo me è una complicazione trascurabile.
Grazie K di aver specificato, mi rendo conto rileggendo che poteva essere frainteso.
Per la lista di acronimi...si, concordo sul metterla in evidenza...alle prime armi mi è stata utilissima

CHE DIO B'ASSISTA!
Re: quale kit per un amp da 18W
non mi ero accorto che nella tua PCB ci fosse anche il phase inverter!!!
quindi se uso questa non posso applicare la soluzione di passare da PP a SE con un selettore???
allora devo trovare un modo per abbassare la potenza dell'ampli per quando lo uso in garage...
ora completo lo schema inserendo il PI
quindi se uso questa non posso applicare la soluzione di passare da PP a SE con un selettore???
allora devo trovare un modo per abbassare la potenza dell'ampli per quando lo uso in garage...
ora completo lo schema inserendo il PI

Re: quale kit per un amp da 18W
Questo dovrebbe essere lo schema completo...
ho collegato il finale del P1800 allo schema di MapleMarco non so se bisogna modificare il valore delle resistenze prima delle valvole finali ???
che ne dite? può andare??
scusare l'ignoranza ma cos'è un SAG?
ho collegato il finale del P1800 allo schema di MapleMarco non so se bisogna modificare il valore delle resistenze prima delle valvole finali ???

che ne dite? può andare??
scusare l'ignoranza ma cos'è un SAG?

- Allegati
-
- Wamp03.rar
- versione fcd
- (4.93 KiB) Scaricato 172 volte
Re: quale kit per un amp da 18W
La soluzione piu semplice e chiedere (SaG) ma preferiamo che sia usata la funzione cerca del sito o di un qualsiasi motore di ricerca
vedi qui http://www.diyitalia.eu/forum/viewtopic.php?f=20&t=8527
vedi qui http://www.diyitalia.eu/forum/viewtopic.php?f=20&t=8527
-
- Roger Mayer Jr.
- Messaggi: 2658
- Iscritto il: 02/06/2012, 14:22
- Località: Mirano (VE)
Re: quale kit per un amp da 18W
riguarda bene lo schema perchè c'è qualche valore sbagliato nei componenti....!
quasi sicuramente errore di copiatura, ma meglio non trascinarlo avanti
E per il discorso potenza, ripeto per la 500entesima volta in questo topic:
NON PREOCCUPARTI. quel pre rende bene anche a bassi volumi. il 90% della distorsione ce l'hai dal preamp, quindi non devi sempre avere il finale tirato per il collo....
un conto è se stessi facendo una 100W, ma ne stai facendo 20 scarsi.
Fidati, fallo così, e ti accorgerai che abbassare la potenza non ti servirà, basterà abbassare il master!
(occhio alle istruzioni che ti ho dato assieme alla PCB, non prenderle sottogamba..piuttosto se non ti sono chiare chiedi info!!!)
quasi sicuramente errore di copiatura, ma meglio non trascinarlo avanti

E per il discorso potenza, ripeto per la 500entesima volta in questo topic:
NON PREOCCUPARTI. quel pre rende bene anche a bassi volumi. il 90% della distorsione ce l'hai dal preamp, quindi non devi sempre avere il finale tirato per il collo....
un conto è se stessi facendo una 100W, ma ne stai facendo 20 scarsi.
Fidati, fallo così, e ti accorgerai che abbassare la potenza non ti servirà, basterà abbassare il master!
(occhio alle istruzioni che ti ho dato assieme alla PCB, non prenderle sottogamba..piuttosto se non ti sono chiare chiedi info!!!)
CHE DIO B'ASSISTA!