Schemi dumble
Schemi dumble
Dove posso trovare schemi attendibili di questo amp, in particolare mi interessa quello dell overdrive special.
- Kagliostro
- Amministratore

- Messaggi: 9958
- Iscritto il: 03/12/2007, 0:16
- Località: Prov. di Treviso
Re: Schemi dumble
Ciao Piadina
Qui trovi un nutrito archivio relativo ai Dumble in varie versioni
Ampgarage
http://ampgarage.com
Link ai file Dumble
http://ampgarage.com/forum/viewforum.ph ... 7ba387d0ca
Link alle discussioni Dumble
http://ampgarage.com/forum/viewforum.ph ... 7ba387d0ca
K
Qui trovi un nutrito archivio relativo ai Dumble in varie versioni
Ampgarage
http://ampgarage.com
Link ai file Dumble
http://ampgarage.com/forum/viewforum.ph ... 7ba387d0ca
Link alle discussioni Dumble
http://ampgarage.com/forum/viewforum.ph ... 7ba387d0ca
K
Re: Schemi dumble
Ok grazie, mi chiedevo anche dove poter riperire dimensioni chassis. Ma qualcuno qua del forum ha mai replicato questo amp? Notavo la parte alimentazione veramente contorta. Anche se monta solo 3 valvole di pre.
- Kagliostro
- Amministratore

- Messaggi: 9958
- Iscritto il: 03/12/2007, 0:16
- Località: Prov. di Treviso
Re: Schemi dumble
C'è un sacco di gente che ha fatto dei cloni (non qui che io sappia), alcuni al 100%, altri con qualche mod
Se te la cavi con l'inglese cerca lì le info che ti servono, se invece sei un po' in difficoltà, cerca di spiegarmi esattamente cosa cerchi
che vedo io di aprire lì un thread per la ricerca di quello che non trovi
Ciao
K
Se te la cavi con l'inglese cerca lì le info che ti servono, se invece sei un po' in difficoltà, cerca di spiegarmi esattamente cosa cerchi
che vedo io di aprire lì un thread per la ricerca di quello che non trovi
Ciao
K
Re: Schemi dumble
no tranquillo era solo per sapere. cmq gli schemi li ho trovati su un altro sito. perche pare che quelli di amp garage hanno prob con haker
mi vengono fuori errori e avvertenze varie.
Piu che altro quando ti metti a consultare quei mega forum ti perdi. anche se l inglese lo conosco.
mi manca di trovare le dimensioni chassis, per il resto ho tutto.
Piu che altro quando ti metti a consultare quei mega forum ti perdi. anche se l inglese lo conosco.
mi manca di trovare le dimensioni chassis, per il resto ho tutto.
- Kagliostro
- Amministratore

- Messaggi: 9958
- Iscritto il: 03/12/2007, 0:16
- Località: Prov. di Treviso
Re: Schemi dumble
Misure chassis di che modello ?
---
E' da un po' che Ampgarage ha superato la fase problemi hacker, ma viene indicizzato ancora da molti come sito con problemi
Io uso Opera 41 e Microsoft MSE e non mi indicano (ormai da tempo) problemi con il sito
K
---
E' da un po' che Ampgarage ha superato la fase problemi hacker, ma viene indicizzato ancora da molti come sito con problemi
Io uso Opera 41 e Microsoft MSE e non mi indicano (ormai da tempo) problemi con il sito
K
Re: Schemi dumble
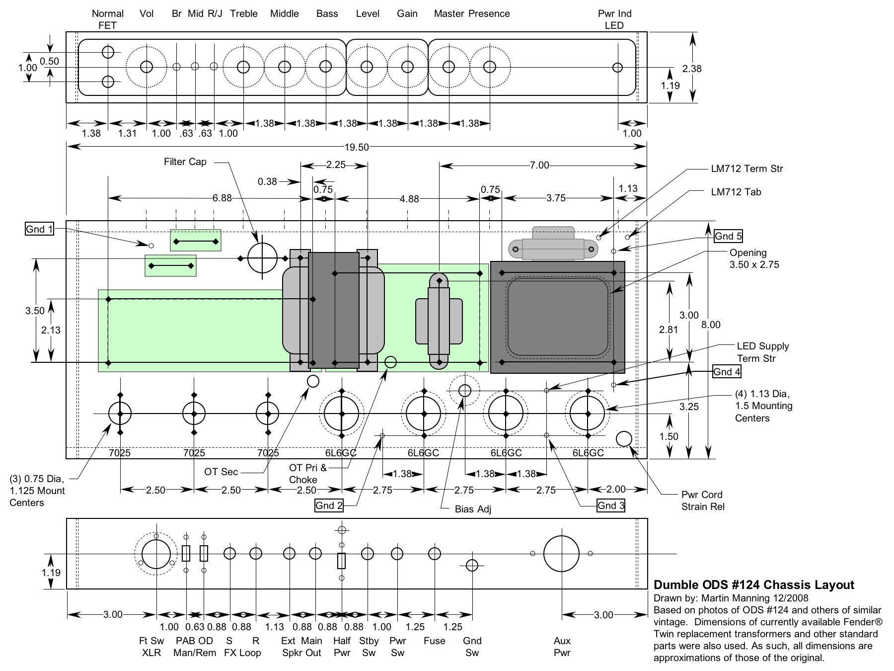
modello overdrive special, mi basterebbe sapere le dimensioni di massima larghezza, altezza profondita. nn trovo inoltre da nessuna parte disegni da stampare per fare le turret boards. Anche se in realtà e un problema da poco, dato che potrei ricavarle direttamente dal layot. mi pare un amp abbastanza pieno e con un circuito abbastanza compresso al interno. e nn mi piacciono quelle due schede pcb messe sui lati del amp, si potevano secondo me evitare di metterle li, aggiungono alcuni passaggi dei fili inutili e complicano il tutto.
- Kagliostro
- Amministratore

- Messaggi: 9958
- Iscritto il: 03/12/2007, 0:16
- Località: Prov. di Treviso
Re: Schemi dumble
Basandomi su questo layout (rev6)

caricato su Visio, la misura dei pot viene 24mm (che corrisponde a quello che pensavo sia il tipo di pot)
le altre misure sono
480mm x 200mm x 60mm
Stesse misure controllando questo layout

Ciao
K
EDIT:
Direi che con le misure più o meno ci siamo, ho chiesto e questo è quello che se ne è uscito

caricato su Visio, la misura dei pot viene 24mm (che corrisponde a quello che pensavo sia il tipo di pot)
le altre misure sono
480mm x 200mm x 60mm
Stesse misure controllando questo layout

Ciao
K
EDIT:
Direi che con le misure più o meno ci siamo, ho chiesto e questo è quello che se ne è uscito
The chassis I used was 19.25" x 8.25" x 2.5". Preamp board was 8" x 2.75". Power supply was 3.5" x 5". Bias/FET/Relay boards were 1.75" x 3"
aluminum 2mm thick
measures
19 1/4" wide
8 5/8" deep
2 5/16" tall
Re: Schemi dumble
Ma sei un mago, grazie mille. Quindi quei layout sono 100 per cento in scala, meglio cosi. basterà fare una stampa di quello che mi interessa. Cmq si immaginavo fosse stretto ma nn riuscivo capire quanto.
il layot che ho nn e lo stesso però, forse quello che hai postato te e più aggiornato, e a dire il vero mi piace anche di piu.
riesci a postare anche lo schema suo corrispondente.
il layot che ho nn e lo stesso però, forse quello che hai postato te e più aggiornato, e a dire il vero mi piace anche di piu.
riesci a postare anche lo schema suo corrispondente.
- Kagliostro
- Amministratore

- Messaggi: 9958
- Iscritto il: 03/12/2007, 0:16
- Località: Prov. di Treviso
Re: Schemi dumble
Allora ....
Ho recuperato la documentazione della 5^ serie
qui il Layout, lo schema ed una foto dell'amp



assieme, più avanti, nello stesso thread dove c'è questa documentazione è stato aggiunto questo altro schema

K
Altre due cosucce interessanti che mi hanno appena passato
il layout per la foratura dello chassis e le istruzioni per il cabinet
Fai una verifica generale del materiale rintracciato, ma credo sia tutto OK
Ciao
K
Ho recuperato la documentazione della 5^ serie
qui il Layout, lo schema ed una foto dell'amp



assieme, più avanti, nello stesso thread dove c'è questa documentazione è stato aggiunto questo altro schema

K
Altre due cosucce interessanti che mi hanno appena passato
il layout per la foratura dello chassis e le istruzioni per il cabinet
Fai una verifica generale del materiale rintracciato, ma credo sia tutto OK
Ciao
K
Re: Schemi dumble
il disegno dello chassis e una vera manna dal cielo. Direi che non manca proprio nulla. Non mi è ben chiara la funzione del primo relè, in pratica inserisce o toglie R8 e R9 , ed il secondo ingresso fet (a cosa serve?). proverò a farmi uno schema mio, perché voglio mettere degli optoisolatori al posto dei relè e semplificare alcune cose.
- Kagliostro
- Amministratore

- Messaggi: 9958
- Iscritto il: 03/12/2007, 0:16
- Località: Prov. di Treviso
Re: Schemi dumble
Onestamente, non sono mai andato a studiarmi i dettagli dei Dumble e la funzioni esatte di R8 ed R9 mi sfuggono, qualcuno che sappia dire qualcosa a riguardo dovrebbe esserci
Per il FET, non vorrei sbagliare, ma dovrebbe fare da boost, in pratica il segnale invece di entrare ed andare diretto al primo triodo di V1, prima viene amplificato dal FET e poi lassa a V1
K
Per il FET, non vorrei sbagliare, ma dovrebbe fare da boost, in pratica il segnale invece di entrare ed andare diretto al primo triodo di V1, prima viene amplificato dal FET e poi lassa a V1
K
Re: Schemi dumble
I layout sono veramente fantastici! Se non ricordo male proprio da questo sito avevo scaricato qualche parte per disegnare con Visio.
C'è parecchio da studiare da questi ampli e sarebbe proprio una bella storia provare a realizzarne uno. In fondo le indicazioni, le misure e gli schemi non mancano. Praticamente si ha giá tutta la pappa pronta!
Secondo me quel relè bypassa le due resistenze da 22 M quando chiude il contatto. Semplice e funzionale.
Sarei curioso di sentire l'effetto che fa.
C'è parecchio da studiare da questi ampli e sarebbe proprio una bella storia provare a realizzarne uno. In fondo le indicazioni, le misure e gli schemi non mancano. Praticamente si ha giá tutta la pappa pronta!
Secondo me quel relè bypassa le due resistenze da 22 M quando chiude il contatto. Semplice e funzionale.
Sarei curioso di sentire l'effetto che fa.
- Kagliostro
- Amministratore

- Messaggi: 9958
- Iscritto il: 03/12/2007, 0:16
- Località: Prov. di Treviso
Re: Schemi dumble
Ciao DOM
Sicuramente quelle due resistenze vengono cortocircuitate, per cui quando il relè è chiuso è come se non ci fossero, quello che non so è la funzione sul suono di quell'operazione
K
Sicuramente quelle due resistenze vengono cortocircuitate, per cui quando il relè è chiuso è come se non ci fossero, quello che non so è la funzione sul suono di quell'operazione
K
Re: Schemi dumble
Ciao K.
Anche a me piacerebbe tanto sentire l'effetto che produce. Si potrebbe provare a simularlo con il T.S. calculator?
Anche a me piacerebbe tanto sentire l'effetto che produce. Si potrebbe provare a simularlo con il T.S. calculator?

