Testata Cornford MH50II
Testata Cornford MH50II
Ciao a tutti e buon Anno,ho comprato una testata fatta da un ragazzo americano che lavorava con me Cornford MH50II e va molto bene,però e senza pedaliera footswitch
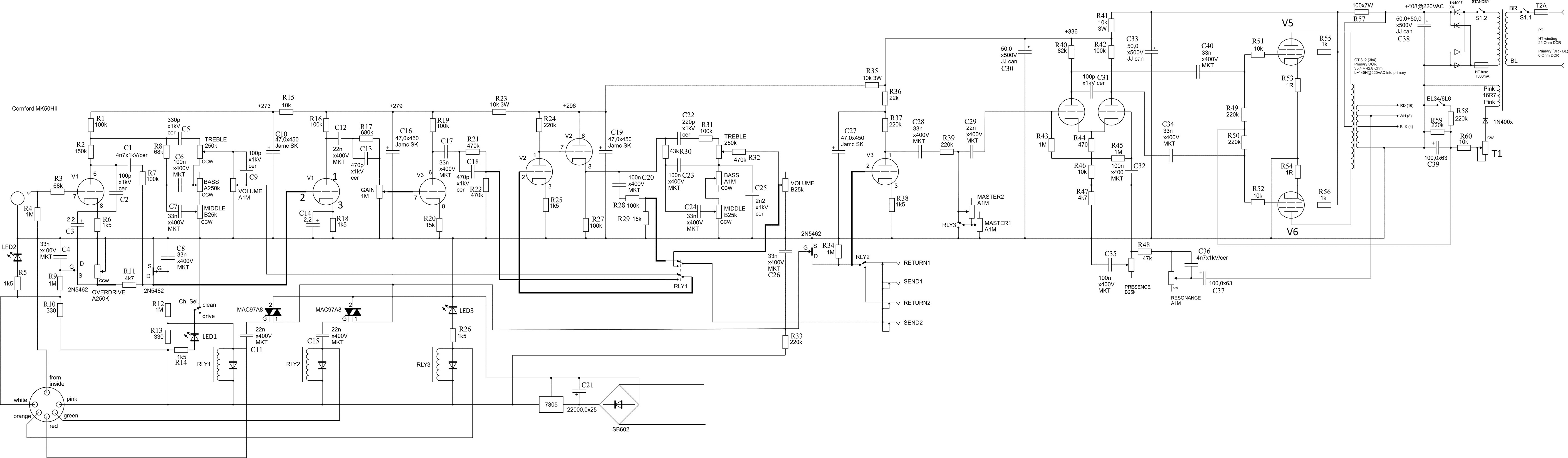
lo schema e questo,cè nessuno che mi può dare una dritta su schema da eseguire per costruirlo grazie a tutti anticipo che non sono riuscito a trovarlo in rete ,anche perche non riesco a capire la funzione dei 2 triac grazie ancora.
lo schema e questo,cè nessuno che mi può dare una dritta su schema da eseguire per costruirlo grazie a tutti anticipo che non sono riuscito a trovarlo in rete ,anche perche non riesco a capire la funzione dei 2 triac grazie ancora.
Re: Testata Cornford MH50II
Ciao, che lavoro facevate insieme, e come mai non hai più modo di chiedere a lui?
Quei triac servono, insieme al fet 2N5462, a mettere in mute l'uscita dell'ampli per un istante durante il cambio canali.
L'istante è determinato da C26 ed R33.
Quei triac servono, insieme al fet 2N5462, a mettere in mute l'uscita dell'ampli per un istante durante il cambio canali.
L'istante è determinato da C26 ed R33.
Re: Testata Cornford MH50II
Ciao robi purtroppo tomas e venuto a mancare in incidente stradale 6 mesi fa,lavorava con me in piattaforme gas in mare,conoscendo i suoi cari non me la sento di chiedere se aveva pedaliera tutto qui.L'aveva costruito a regola d'arte e va che e una meraviglia,con questo chiedevo se era possibile completarla con una pedaliera,pensi sia possibile fare questo?
Re: Testata Cornford MH50II
la pedaliera sarebbe questa
Re: Testata Cornford MH50II
io lo farei cosi ditemi se sbaglio
- Kagliostro
- Amministratore

- Messaggi: 9955
- Iscritto il: 03/12/2007, 0:16
- Località: Prov. di Treviso
Re: Testata Cornford MH50II
Così forse la parte di schema che interessa si legge meglio

K

K
Re: Testata Cornford MH50II
Ciao Giorgio,
Grazie per avermi risposto e scusa per la domanda inappropriata, non ne ero a conoscenza.
Lo schema che hai proposto è corretto, e credo tu sappia anche dimensionare le rsistenze per i led.
Grazie per avermi risposto e scusa per la domanda inappropriata, non ne ero a conoscenza.
Lo schema che hai proposto è corretto, e credo tu sappia anche dimensionare le rsistenze per i led.
Re: Testata Cornford MH50II
Ciao roby nessun problema la vita e cosi,riguardo allo schema dimensiono resistenze,e che ero in difficolta con funzionamento triac ora che mi hai spiegato il funzionamento tutto e chiaro,grazie a tutti voi alla prossima ![Sorridi [icon_e_biggrin.gif]](./images/smilies/icon_e_biggrin.gif)
Re: Testata Cornford MH50II
Mi farebbe piacere vedere il risultato finale, quando vuoi posta le foto, ed anche lo schema aggiornato.
Ricordati che l'alimentazione è a 5V, che in base alla luminosità puoi volere fra i 10 ed i 20 mA, e che le cadute di tensione sono:
- Led rosso = 1,6 V
- Led verde = 2,4 V
Ricordati che l'alimentazione è a 5V, che in base alla luminosità puoi volere fra i 10 ed i 20 mA, e che le cadute di tensione sono:
- Led rosso = 1,6 V
- Led verde = 2,4 V
Re: Testata Cornford MH50II
Ok grazie Roby ho fatto e provato il circuito una meraviglia grazie ancora 
Re: Testata Cornford MH50II
Ottimo! Molto bene!
Re: Testata Cornford MH50II
Ciao ragazzi ho fatto il footswitch per il conford ma mi e sorto un problema:eccitando il rele RLy 1 mi rimane in mute il canale distorto ho provato a sostituire il 2n5462 il triac ma rimane sempre in mute non riesco a capire dove sbaglio,mandando il negativo al rele dovrebbe dare impulso al triac attivando il fet per un instante correggetemi se sbaglio,aiutatemi per favore grazie.
Re: Testata Cornford MH50II
Esattamente. Controlla le tensioni del circuito mute.
Re: Testata Cornford MH50II
Ciao ragazzi ciao Roby,avevo fatto una cavolata c'era un falso contatto sulla resistenza da 220k che alimenta il gate del jfet tutto risolto grazie mille 

