Preamplificatore pulito 12AU7+EF86
Preamplificatore pulito 12AU7+EF86
Salve a tutti,
sto mettendo su un preamplificatore per suono pulito formato da una 12AU7 ed un pentodo EF86.
Vi starete sicuramente domandando perchè usare anche una 12AU7, la risposta è che non voglio usare il pentodo con il massimo del suo guadagno per questioni di microfonicità, preferisco mettere uno stadio a triodo che guadagna poco (diciamo circa 10) per poi mettere il pentodo che guadagna circa 50.
Il restante triodo è usato come inseguitore catodico, trovate lo schema allegato, i condensatori che non hanno valore sono quelli che avranno posto nello stampato ma non userò.
Mi è venuto lo schiribizzo di inserire un feedback regolabile e disinseribile, qualcuno di voi ha mai fatto sperimentazioni in merito?
Inoltre ho inserito un regolatore per la tensione di G2 del pentodo in modo che si possa regolare la compressione/guadagno.
Ho un problemino con la simulazione del semplice controllo toni, in pratica servirebbe un potenziometro antilogaritmico, qualcuno ha in mente un semplice controllo toni da poter applicare? in quale posizione? mi piacerebbe avere qualcosa che tagli solamente gli alti in modo da non snaturare il suono della chitarra.
sto mettendo su un preamplificatore per suono pulito formato da una 12AU7 ed un pentodo EF86.
Vi starete sicuramente domandando perchè usare anche una 12AU7, la risposta è che non voglio usare il pentodo con il massimo del suo guadagno per questioni di microfonicità, preferisco mettere uno stadio a triodo che guadagna poco (diciamo circa 10) per poi mettere il pentodo che guadagna circa 50.
Il restante triodo è usato come inseguitore catodico, trovate lo schema allegato, i condensatori che non hanno valore sono quelli che avranno posto nello stampato ma non userò.
Mi è venuto lo schiribizzo di inserire un feedback regolabile e disinseribile, qualcuno di voi ha mai fatto sperimentazioni in merito?
Inoltre ho inserito un regolatore per la tensione di G2 del pentodo in modo che si possa regolare la compressione/guadagno.
Ho un problemino con la simulazione del semplice controllo toni, in pratica servirebbe un potenziometro antilogaritmico, qualcuno ha in mente un semplice controllo toni da poter applicare? in quale posizione? mi piacerebbe avere qualcosa che tagli solamente gli alti in modo da non snaturare il suono della chitarra.
- Allegati
-
- schematic.pdf
- (96.77 KiB) Scaricato 514 volte
- Kagliostro
- Amministratore

- Messaggi: 9913
- Iscritto il: 03/12/2007, 0:16
- Località: Prov. di Treviso
Re: Preamplificatore pulito 12AU7+EF86
Ciao Luix, finalmente di nuovo tra noi
Bel progetto, interessante
Se tu mettessi il controllo tono dopo il pentodo ovviamente visto il carico che darebbe in quel punto perderesti molto segnale, ma usando il secondo triodo come CF, dopo di quello potresti usare un qualsiasi controllo di tono, secondo me dovresti provare, magari un James o il Tilt del BigMuff o qualsiasi altra cosa ti venga in mente di sperimentare
--
Mi hai fatto ricordare qualcosa ed andando a spulciare tra i libri di Merlin ...
Vedi tu se la cosa può essere di tuo interesse
Franco
Bel progetto, interessante
Se tu mettessi il controllo tono dopo il pentodo ovviamente visto il carico che darebbe in quel punto perderesti molto segnale, ma usando il secondo triodo come CF, dopo di quello potresti usare un qualsiasi controllo di tono, secondo me dovresti provare, magari un James o il Tilt del BigMuff o qualsiasi altra cosa ti venga in mente di sperimentare
--
Mi hai fatto ricordare qualcosa ed andando a spulciare tra i libri di Merlin ...
Vedi tu se la cosa può essere di tuo interesse
Franco
Re: Preamplificatore pulito 12AU7+EF86
Si effettivamente potrei anche mettere un Baxandal e regolarlo in modo che con le manopole a metà abbia una risposta piatta, il mio scopo è creare un preamp più "lineare" possibile, sempre fermo restando che le valvole ci mettono del loro
Questa sera lo simulo!
Questa sera lo simulo!
Re: Preamplificatore pulito 12AU7+EF86
Le simulazioni col baxandal non sono proprio incoraggianti, sopratutto per quel che riguarda i bassi.
Credo che serva un potenziometro da 1M antilogaritmico in quanto ha una escursione di 5dB con un delta del 10% sul valore di resistenza.
Magari aggiungo anche uno switch per bypassare il controllo toni.


Credo che serva un potenziometro da 1M antilogaritmico in quanto ha una escursione di 5dB con un delta del 10% sul valore di resistenza.
Magari aggiungo anche uno switch per bypassare il controllo toni.


- Kagliostro
- Amministratore

- Messaggi: 9913
- Iscritto il: 03/12/2007, 0:16
- Località: Prov. di Treviso
Re: Preamplificatore pulito 12AU7+EF86
Per il pot antilogaritmico puoi risolvere con un lineare ed una res
http://www.geofex.com/Article_Folders/p ... tscret.htm
(e qualcuno anche preferisce questa versione ai veri pot log che non hanno una vera curva, ma vanno a "scatti", per via del modo in cui li costruiscono)
James e Baxandall sono simili ma non identici, il tuo dovrebbe essere un James
oltre al Baxandall passivo, ci sarebbe anche quello attivo
Qualche variazione sul tema
Qualcosa di diverso (specifico per l'uscita dei pentodi)
--
il controllo toni lo potresti anche mettere dopo il CF
Ciao
Franco
http://www.geofex.com/Article_Folders/p ... tscret.htm
(e qualcuno anche preferisce questa versione ai veri pot log che non hanno una vera curva, ma vanno a "scatti", per via del modo in cui li costruiscono)
James e Baxandall sono simili ma non identici, il tuo dovrebbe essere un James
oltre al Baxandall passivo, ci sarebbe anche quello attivo
Qualche variazione sul tema
Qualcosa di diverso (specifico per l'uscita dei pentodi)
--
il controllo toni lo potresti anche mettere dopo il CF
Ciao
Franco
Re: Preamplificatore pulito 12AU7+EF86
Ho realizzato il PCB senza controllo toni, lo trovate in allegato.
Volevo utilizzare delle resistenze a impasto di carbone per gli anodi in modo da arricchire la timbrica, visto che le trovo solo da 1/2W ne ho messe alcune in parallelo.
La massa è stata disegnata a stella, si spreca un po di spazio ma si dovrebbero evitare rumori.
I filamenti possono essere collegati qualsivoglia, ho messo dei pad per collegamenti esterni.
Il PCB è progettato in modo che i componenti, esclusi gli zoccoli, vengano montati sul lato rame, in questo modo risulta più comodo lavorare per fare modifiche senza smontare la scheda, gli elettrolitici sono montati sdraiati, il transistor MOSFET ovviamente deve essere montato in modo da non toccare le piste di rame.
La ghiera per lo schermo va comunque montata sullo chassis con delle viti il più corte possibile, il questo modo si possono schermare le valvole e nel contempo smontare la scheda senza smontare anche le ghiere.
Purtroppo ho dimenticato un condensatore, vedo se riesco a modificare il pcb successivamente...
Il controllo toni verrà alloggiato su una basetta a parte, probabilmente con i potenziometri su basetta.
Stay tuned!
Volevo utilizzare delle resistenze a impasto di carbone per gli anodi in modo da arricchire la timbrica, visto che le trovo solo da 1/2W ne ho messe alcune in parallelo.
La massa è stata disegnata a stella, si spreca un po di spazio ma si dovrebbero evitare rumori.
I filamenti possono essere collegati qualsivoglia, ho messo dei pad per collegamenti esterni.
Il PCB è progettato in modo che i componenti, esclusi gli zoccoli, vengano montati sul lato rame, in questo modo risulta più comodo lavorare per fare modifiche senza smontare la scheda, gli elettrolitici sono montati sdraiati, il transistor MOSFET ovviamente deve essere montato in modo da non toccare le piste di rame.
La ghiera per lo schermo va comunque montata sullo chassis con delle viti il più corte possibile, il questo modo si possono schermare le valvole e nel contempo smontare la scheda senza smontare anche le ghiere.
Purtroppo ho dimenticato un condensatore, vedo se riesco a modificare il pcb successivamente...
Il controllo toni verrà alloggiato su una basetta a parte, probabilmente con i potenziometri su basetta.
Stay tuned!
- Allegati
-
- EF86_preamp_V1.0_TOP.pdf
- (139.8 KiB) Scaricato 286 volte
-
- EF86_preamp_V1.0_bottom_mirror.pdf
- (84.13 KiB) Scaricato 218 volte
-
- EF86_preamp_V1.0_bottom.pdf
- (83.93 KiB) Scaricato 223 volte
Re: Preamplificatore pulito 12AU7+EF86
Riporto su questo vecchio post perchè dopo ben 3 anni sono riuscito a far funzionare il circuito.
Come suona?? devo dire che mi piace molto ma ha un problema!
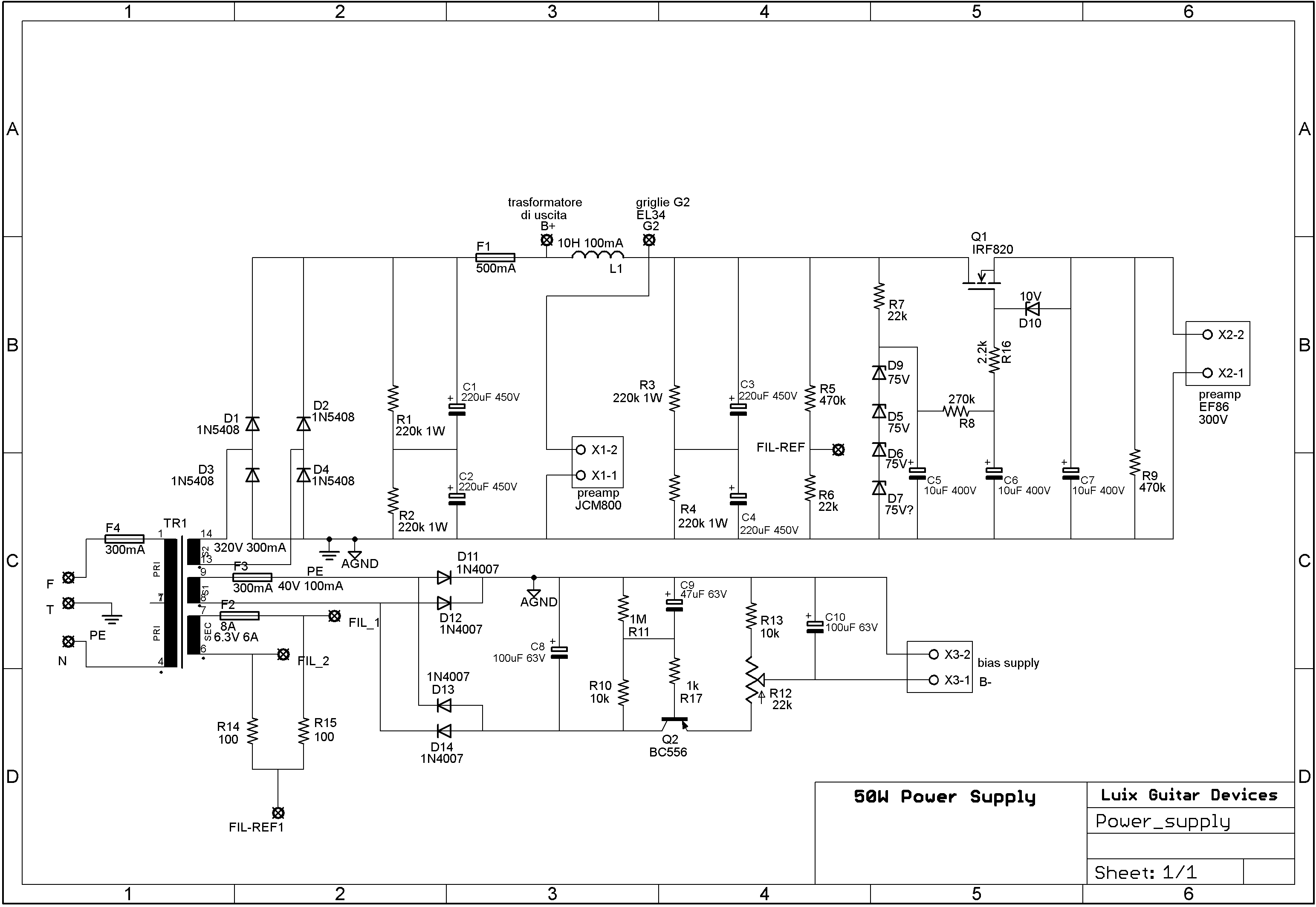
Ho inserito il circuito nell'ampli che sto facendo, un 50W classico con le EL34, l'anodica è quella riportata nel seguente schema: Nonostante il basso guadagno della EF86 questa capta tutti i disturbi che trova in giro.
Per la prima volta mi è toccato mettere uno snubber RC su ogni diodo della rettifica dell'anodica, mettere uno snubber RC abbondante in parallelo al secondario dell'anodica, cambiare gli 1N5408 con dei MUR460 ed ancora vedo degli spikes a 100Hz in uscita dal preamp!!!
Gli spikes si ripetono a 100Hz, cioè ogni dieci milli secondi, e sono una sinusoide smorzata a circa 15kHz.
C'è da dire che questa EF86 Tung Sol con pin dorati è microfonica da far paura, se picchietto gli switch a levetta lo sento nell'altoparlante
Sto quasi per demordere, smontare tutto e buttarmi su un preamp in stile Hiwatt!
Come suona?? devo dire che mi piace molto ma ha un problema!
Ho inserito il circuito nell'ampli che sto facendo, un 50W classico con le EL34, l'anodica è quella riportata nel seguente schema: Nonostante il basso guadagno della EF86 questa capta tutti i disturbi che trova in giro.
Per la prima volta mi è toccato mettere uno snubber RC su ogni diodo della rettifica dell'anodica, mettere uno snubber RC abbondante in parallelo al secondario dell'anodica, cambiare gli 1N5408 con dei MUR460 ed ancora vedo degli spikes a 100Hz in uscita dal preamp!!!
Gli spikes si ripetono a 100Hz, cioè ogni dieci milli secondi, e sono una sinusoide smorzata a circa 15kHz.
C'è da dire che questa EF86 Tung Sol con pin dorati è microfonica da far paura, se picchietto gli switch a levetta lo sento nell'altoparlante
Sto quasi per demordere, smontare tutto e buttarmi su un preamp in stile Hiwatt!
Re: Preamplificatore pulito 12AU7+EF86
Ciao,
uno schema molto interessante per linearizzare le due valvole ed avere al contempo un'impedenza di uscita bassissima, è dare feedback con un CF tramite la griglie schermo, à la Rupert Neve (vedi allegati).
uno schema molto interessante per linearizzare le due valvole ed avere al contempo un'impedenza di uscita bassissima, è dare feedback con un CF tramite la griglie schermo, à la Rupert Neve (vedi allegati).
- Allegati
-
- NeveTubeMixer.pdf
- (1.54 MiB) Scaricato 111 volte
Re: Preamplificatore pulito 12AU7+EF86
Mitico Rupert Neve!!!
Comunque se ve lo dico non ci credete, stamane ho sostituito il doppino telefonico con cui collegavo i filamenti e gli spikes sono del tutto spariti!
Se ve lo state chiedendo, usavo il doppino perchè è solid core quindi come lo pieghi rimane ed in più l'isolamento regge i 6.3V (a patto di non passarlo vicino altri cavi in alta tensione) e porta corrente fino a 1A se i tratti sono brevi.
Ora, tutto a palla, ho un rumore quasi bianco di 300mVpp che su 4ohm danno 106mW RMS.
Per quanto riguarda il feedback sulla griglia schermo, potrei provare, al momento sto alimentando la griglia schermo con una tensione variabile regolata con un MOSFET, devo vedere se riesco a fare modifiche perchè avendo tutto su PCB (io odio i point to point) non posso fare grandi stravolgimenti...
Comunque se ve lo dico non ci credete, stamane ho sostituito il doppino telefonico con cui collegavo i filamenti e gli spikes sono del tutto spariti!
Se ve lo state chiedendo, usavo il doppino perchè è solid core quindi come lo pieghi rimane ed in più l'isolamento regge i 6.3V (a patto di non passarlo vicino altri cavi in alta tensione) e porta corrente fino a 1A se i tratti sono brevi.
Ora, tutto a palla, ho un rumore quasi bianco di 300mVpp che su 4ohm danno 106mW RMS.
Per quanto riguarda il feedback sulla griglia schermo, potrei provare, al momento sto alimentando la griglia schermo con una tensione variabile regolata con un MOSFET, devo vedere se riesco a fare modifiche perchè avendo tutto su PCB (io odio i point to point) non posso fare grandi stravolgimenti...
Re: Preamplificatore pulito 12AU7+EF86
Questo è l'esatto motivo per il quale io odio le pcb e faccio quasi tutto point to point!
Posso chiederti come mai la scelta della valvola di preamp è caduta su una 12AU7 e non una 12AT7 ?
Vuoi che il pre abbia pochissimo gain oppure c'è un motivo che riguarda la timbrica che vuoi donare al pre?
Re: Preamplificatore pulito 12AU7+EF86
La mia idea era di avere le tonalità del pentodo (che mi piacciono molto) ma limitando al massimo il suo guadagno perchè è già microfonico di suo.
Quindi il pentodo è polarizzato con una 56k sull'anodo ed il suo guadagno non supera il centinaio (con il catodo non bypassato).
Il triodo l'ho scelto per avere il guadagno più basso possibile, con la 12AU7 raggiungo un guadagno di circa 10 con il catodo non bypassato, sufficiente a pilotare il controllo toni e saturare il pentodo.
Il guadagno totale, se consideriamo una attenuazione del controllo toni di 0.5 nel punto dove le frequenze vengono enfatizzate, è di circa 500.
Ho messo uno switch per bypassare il catodo del pentodo ma ho un sacco di fruscio che sarà pure naturale ma a me non piace, magari dipende dalle EF86, è una Tung Sol con i pin dorati, 20 euro di valvola... non oso immaginare le altre![Sorridi [icon_e_biggrin.gif]](./images/smilies/icon_e_biggrin.gif)
Quindi il pentodo è polarizzato con una 56k sull'anodo ed il suo guadagno non supera il centinaio (con il catodo non bypassato).
Il triodo l'ho scelto per avere il guadagno più basso possibile, con la 12AU7 raggiungo un guadagno di circa 10 con il catodo non bypassato, sufficiente a pilotare il controllo toni e saturare il pentodo.
Il guadagno totale, se consideriamo una attenuazione del controllo toni di 0.5 nel punto dove le frequenze vengono enfatizzate, è di circa 500.
Ho messo uno switch per bypassare il catodo del pentodo ma ho un sacco di fruscio che sarà pure naturale ma a me non piace, magari dipende dalle EF86, è una Tung Sol con i pin dorati, 20 euro di valvola... non oso immaginare le altre
Re: Preamplificatore pulito 12AU7+EF86
Capisco. Vuoi un pulito cristallino, per intenderci.
Il fruscio che dici di avere mi sembra strano. Cioè: con una configurazione cosí come la hai progettata tu, dovresti avere un rumore di fondo quasi inesistente.
Purtroppo non conosco ancora bene la EF86 per poter ipotizzare una possibile causa.
Non è possibile fare una prova con un altro pentodo per circoscrivere il problema?
P. S. : il link dello schema del pre prima che cominciate a parlare dei toni, non funziona.
Almeno da smartphone, non riesco a visualizzarlo.
Il fruscio che dici di avere mi sembra strano. Cioè: con una configurazione cosí come la hai progettata tu, dovresti avere un rumore di fondo quasi inesistente.
Purtroppo non conosco ancora bene la EF86 per poter ipotizzare una possibile causa.
Non è possibile fare una prova con un altro pentodo per circoscrivere il problema?
P. S. : il link dello schema del pre prima che cominciate a parlare dei toni, non funziona.
Almeno da smartphone, non riesco a visualizzarlo.
- Kagliostro
- Amministratore

- Messaggi: 9913
- Iscritto il: 03/12/2007, 0:16
- Località: Prov. di Treviso
Re: Preamplificatore pulito 12AU7+EF86
Consiglio 6AK5 / 5654 (economica adesso ma usata in diversi microfoni con valvola professionali, in passato) o magari 5879 (un po' più dispendiosa)
--
A me il link funziona anche da cellulare ...
Franco
--
A me il link funziona anche da cellulare ...
Franco
Re: Preamplificatore pulito 12AU7+EF86
La 5879 potrebbe essere un'ottima candidata, mi sembra che abbia meno gain e meno rumore.
Il problema è che attualmente le NOS sono quasi tutte fondi di magazzino (se qualche audiofilo ci legge ci hackera il forum
)
Vedremo, per ora il soffio è bassissimo quando non aziono il condensatore sul catodo quindi me lo tengo così, non ho voglia di spendere altri soldi, se ne riparlerà a settembre![Sorridi [icon_e_biggrin.gif]](./images/smilies/icon_e_biggrin.gif)
Il problema è che attualmente le NOS sono quasi tutte fondi di magazzino (se qualche audiofilo ci legge ci hackera il forum
Vedremo, per ora il soffio è bassissimo quando non aziono il condensatore sul catodo quindi me lo tengo così, non ho voglia di spendere altri soldi, se ne riparlerà a settembre


