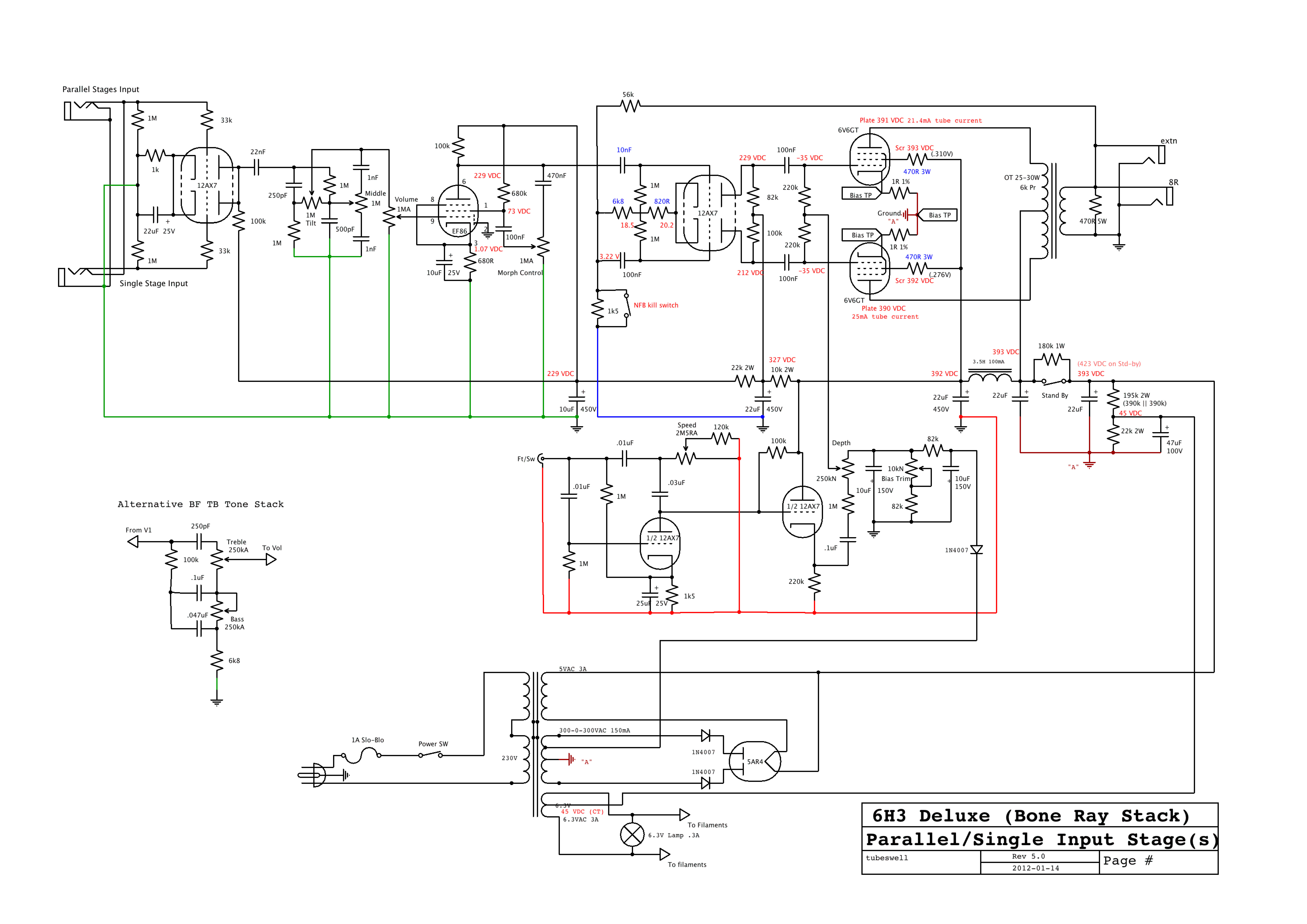
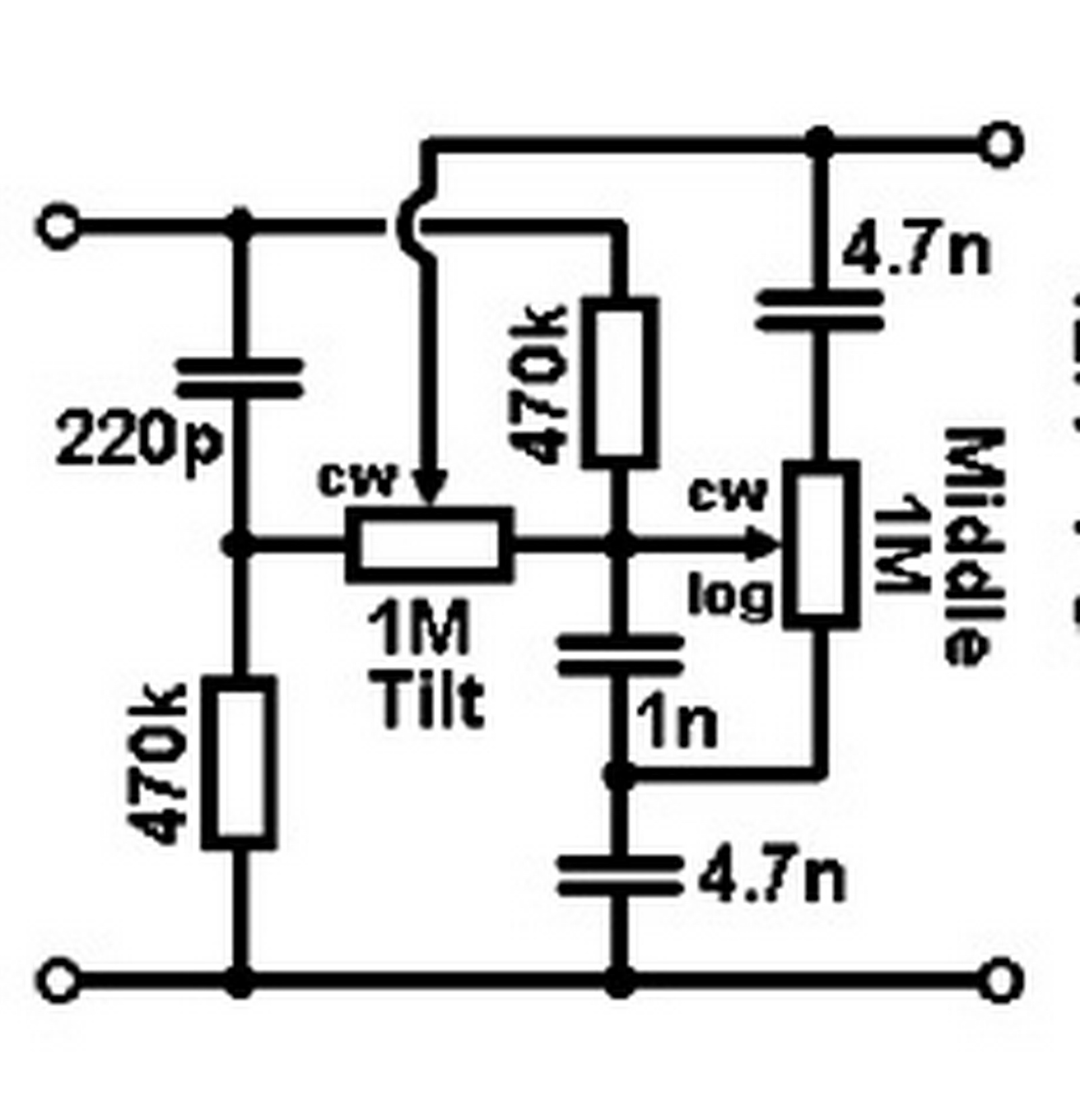
Pensandoci mi è venuto in mente che si tratta di un controllo toni presente in un amplificatore disegnato da Tubeswell, forumer di EL34World, il 6H3
Molto simile anche se non identico al Bone Ray Tone Control di Merlin
Qui si può leggere qualcosa sul Bone Ray
Del perché Tubeswell abbia collegato il cap che nello schema di Merlin è da 1n e si collega ad un pin del pot del Middle da 1M, direttamente a massa non so la ragione e sto cercando di approfondire la cosa
Franco