https://chasingtone.com/guide-to-single ... -controls/
K
Divertente paginetta sui controlli di tono con 1 sola manopola
- Kagliostro
- Amministratore

- Messaggi: 9904
- Iscritto il: 03/12/2007, 0:16
- Località: Prov. di Treviso
Re: Divertente paginetta sui controlli di tono con 1 sola manopola
Grazie Franco!
Aggiungerei solo (così a memoria) il controllo toni del Trainwreck Songwriter:
un cap piccolo con in parallelo un cap più grosso in serie ad un pot che regola quindi i medi-mediobassi-bassi dell'ampli.
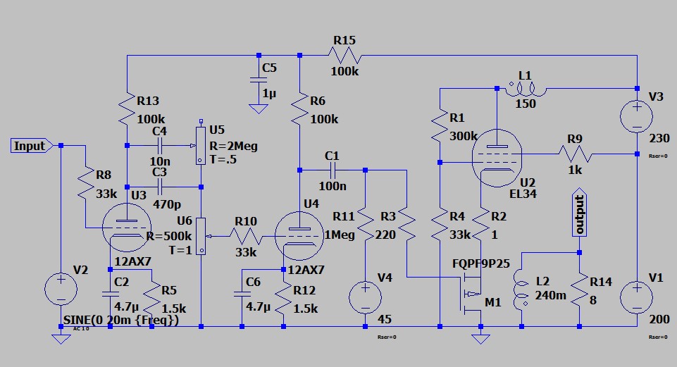
Dato che un'immagine vale più di mille parole, riporto qui lo schema di un ampli SE da 10 Wrms che sto progettando per un amico e che implementa proprio quel controllo:
Aggiungerei solo (così a memoria) il controllo toni del Trainwreck Songwriter:
un cap piccolo con in parallelo un cap più grosso in serie ad un pot che regola quindi i medi-mediobassi-bassi dell'ampli.
Dato che un'immagine vale più di mille parole, riporto qui lo schema di un ampli SE da 10 Wrms che sto progettando per un amico e che implementa proprio quel controllo:
- Kagliostro
- Amministratore

- Messaggi: 9904
- Iscritto il: 03/12/2007, 0:16
- Località: Prov. di Treviso
Re: Divertente paginetta sui controlli di tono con 1 sola manopola
Ottimo Roberto 
Franco

Franco

