Su EL34World un tizio sta chiedendo consigli sul cosa poter tirar fuori da un amp (4 x 6V6 + riverbero) che è stato costruito anni fa da un noto (ma non dice chi) builder inglese che adesso è in pensione e non esercita più
A parte il fatto che l' idea di stravolgere un simile amplificatore (non ha pubblicato lo schema ma la foto del layout parla chiaro) mi pare oscena, posto qui la foto perché la osserviate, ci sono buoni spunti per eventuali realizzazioni
Mi ha colpito il sistema con il quale è stata gestita la massa con collegamento a stella, mai visto prima una cosa così ben ordinata
Franco
Un layout (sconosciuto) da osservare
- Kagliostro
- Amministratore

- Messaggi: 9955
- Iscritto il: 03/12/2007, 0:16
- Località: Prov. di Treviso
Re: Un layout (sconosciuto) da osservare
Sicuramente é interessante il sistema di massa a stella come é stato realizzato.
Però ci sono un paio di cose che io eviterei nel modo più assoluto di fare. A quanto vedo c'è un T.A. Dedicato ai filamenti.
I cavi viola dei filamenti sono stati fascettati insieme ai cavi del secondario ed del primario del T.A. Principale.
Per esperienza personale, questa soluzione anche se appare visivamente molto ordinata, porta al 90% ronza perché l'alternata viaggia vicinissima sia ai filamenti sia ai cavi del secondario!
Oltre a ciò, la presa di corrente IEC é posta in mezzo a 2 socket delle finali. Anche questa cosa io la eviterei come la peste!
...mi sembra quasi impossibile che non ci siano problemi di ronze o di hum vedendo queste 2 cose.
Però ci sono un paio di cose che io eviterei nel modo più assoluto di fare. A quanto vedo c'è un T.A. Dedicato ai filamenti.
I cavi viola dei filamenti sono stati fascettati insieme ai cavi del secondario ed del primario del T.A. Principale.
Per esperienza personale, questa soluzione anche se appare visivamente molto ordinata, porta al 90% ronza perché l'alternata viaggia vicinissima sia ai filamenti sia ai cavi del secondario!
Oltre a ciò, la presa di corrente IEC é posta in mezzo a 2 socket delle finali. Anche questa cosa io la eviterei come la peste!
...mi sembra quasi impossibile che non ci siano problemi di ronze o di hum vedendo queste 2 cose.
Re: Un layout (sconosciuto) da osservare
La IEC é fra una finale e la rettificatrice.
Visto il layout stretto, é la “meno peggio”.
Visto il layout stretto, é la “meno peggio”.
- Kagliostro
- Amministratore

- Messaggi: 9955
- Iscritto il: 03/12/2007, 0:16
- Località: Prov. di Treviso
Re: Un layout (sconosciuto) da osservare
Buongiorno Roberto
Adesso si è reso disponibile lo schema (che direi è disegnato in modo confusionario), quando mi libero da alcuni impicci di faccende casalinghe lo posto
Tra l' altro c'è un qualcosa che non conosco e mi farebbe piacere sapere cos' è, a cosa serve
A più tardi
Franco
Adesso si è reso disponibile lo schema (che direi è disegnato in modo confusionario), quando mi libero da alcuni impicci di faccende casalinghe lo posto
Tra l' altro c'è un qualcosa che non conosco e mi farebbe piacere sapere cos' è, a cosa serve
A più tardi
Franco
- Kagliostro
- Amministratore

- Messaggi: 9955
- Iscritto il: 03/12/2007, 0:16
- Località: Prov. di Treviso
Re: Un layout (sconosciuto) da osservare
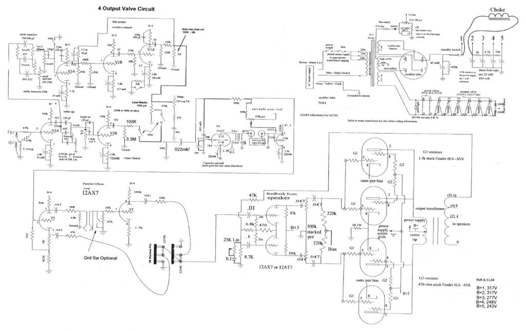
Faccende sbrigate
Ecco lo schema dell'Amp Custom (mi pare messo assieme con un copia ed incolla piuttosto sui generis .... ma questo è)

Mi lascia perplesso quel "blue jumper" sotto la scritta 4 Output Valve Circuit
Cosa sarebbe ?? Un feedback ??
Se possibile mi piacerebbe saperne qualcosa in più
Grazie
Quanto al telaio credo abbiano usato uno chassis commerciale di qualche tipo, si vedono foto di chassis simili in rete, pertanto la IEC in posto infelice ...
Franco
Ecco lo schema dell'Amp Custom (mi pare messo assieme con un copia ed incolla piuttosto sui generis .... ma questo è)

Mi lascia perplesso quel "blue jumper" sotto la scritta 4 Output Valve Circuit
Cosa sarebbe ?? Un feedback ??
Se possibile mi piacerebbe saperne qualcosa in più
Grazie
Quanto al telaio credo abbiano usato uno chassis commerciale di qualche tipo, si vedono foto di chassis simili in rete, pertanto la IEC in posto infelice ...
Franco

