Sostieni il forum con una donazione! Il tuo contributo ci aiuterà a rimanere online!
Immagine

chi vuole aiutarmi?

Discussioni di carattere generale sugli amplificatori valvolari...
Rispondi
Avatar utente
novello
Diyer
Diyer
Messaggi: 203
Iscritto il: 06/09/2007, 22:06
Località: pescara

chi vuole aiutarmi?

Messaggio da novello » 19/11/2008, 21:59

ho intenzione di costruire un finale mesa qualcuno ha layout e pcb?
Ultima modifica di novello il 20/11/2008, 12:49, modificato 1 volta in totale.

Avatar utente
guitarman89
Diyer Eroe
Diyer Eroe
Messaggi: 518
Iscritto il: 02/10/2006, 16:50
Località: Carpineto Romano

Re:chi vuole aiutarmi?

Messaggio da guitarman89 » 19/11/2008, 22:38

vorrei poterti aiutare....  :bye2: :bye2: :bye2: :bye2:
mesa sbav mesa sbav
ke triste mondo il mio...
ki ha il coraggio d vivere è il padrone del mondo

Avatar utente
robi
Amministratore
Amministratore
Messaggi: 9762
Iscritto il: 17/12/2006, 13:57
Località: Alba

Re:chi vuole aiutarmi?

Messaggio da robi » 19/11/2008, 22:52

novello, essere meno vago no?  :king:

Avatar utente
novello
Diyer
Diyer
Messaggi: 203
Iscritto il: 06/09/2007, 22:06
Località: pescara

Re:chi vuole aiutarmi?

Messaggio da novello » 20/11/2008, 12:49

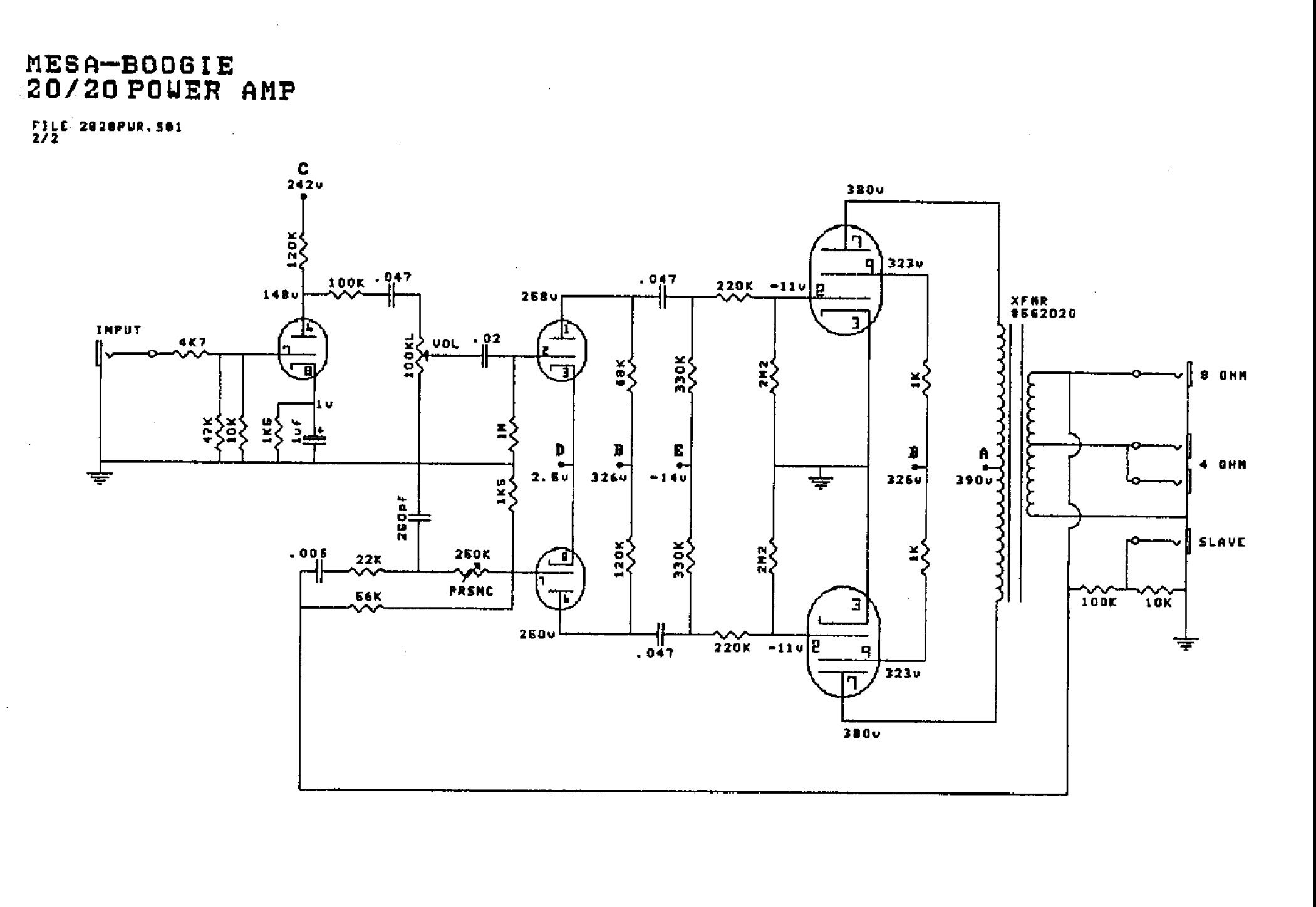
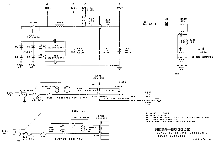
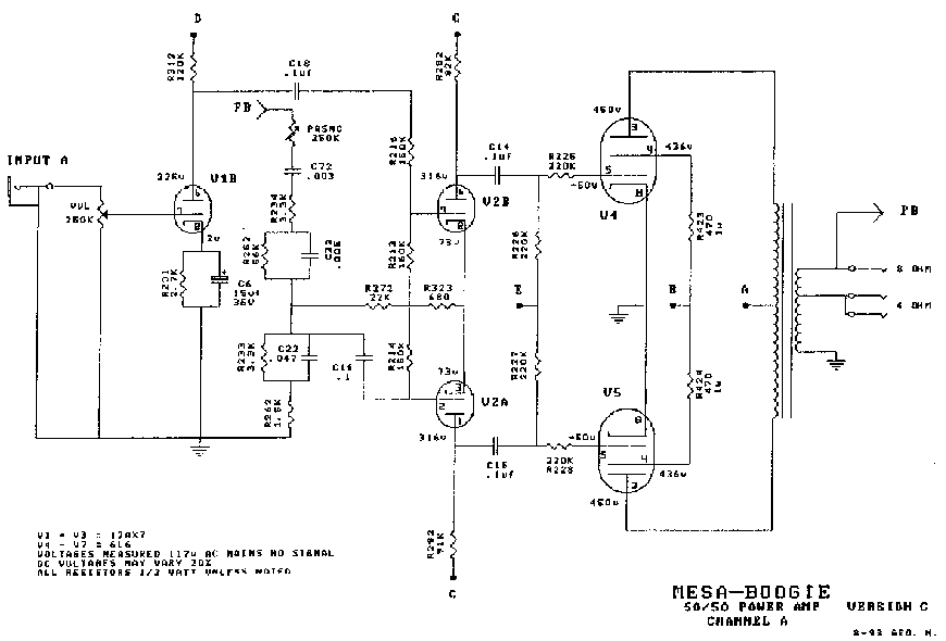
vorrei fare il finale 50 50 o 20 20(è indifferente anche mono) mesa e volevo sapere se qualcuno gia l'ha fatto e ha layout e pcb da mandare  oppure mi aiuta a farli(ho gia schemi)
Allegati
50502.gif
50501.gif
20_20_PowerSupply.jpg
20_20_PowerAmp.jpg
Ultima modifica di novello il 20/11/2008, 12:52, modificato 1 volta in totale.

Avatar utente
robi
Amministratore
Amministratore
Messaggi: 9762
Iscritto il: 17/12/2006, 13:57
Località: Alba

Re:chi vuole aiutarmi?

Messaggio da robi » 20/11/2008, 20:19

Come vorresti farli? Rack, testata..? Che condensatori vuoi usare? Se li fai mono non hai neppure bisogno della pcb, li fai su una turret al volo!

Avatar utente
novello
Diyer
Diyer
Messaggi: 203
Iscritto il: 06/09/2007, 22:06
Località: pescara

Re:chi vuole aiutarmi?

Messaggio da novello » 20/11/2008, 21:57

lo faccio rack.vorrei farlo su pcb almeno è piu ordinato. stereo o mono è indifferente ma preferirei stereo(dipende quanto ci risparmio)
allora progetti?

Avatar utente
novello
Diyer
Diyer
Messaggi: 203
Iscritto il: 06/09/2007, 22:06
Località: pescara

Re:chi vuole aiutarmi?

Messaggio da novello » 22/11/2008, 15:58

nessuno ha progetti?

Rispondi