Circuito di Bias.
Circuito di Bias.
Carissimi,
vorrei applicare il trim per la taratura del bias allo schema allegato.
Purtroppo ne ho visti pochi di questi circuiti e soprattutto già installati.
Quindi mi dareste una mano con uno schemino o qualche link su come modificare il fixed bias e mettere un controllo come si deve?
Ho letto in giro che si può fare agendo sulla griglia controllo o sul catodo, è vero?
Qual'è la differenza? ma soprattutto: come si fa?
Non è proprio come fare un esperimento con un IC che male che vada lo bruci e con 3 euro lo ricompri...
Grazie.
vorrei applicare il trim per la taratura del bias allo schema allegato.
Purtroppo ne ho visti pochi di questi circuiti e soprattutto già installati.
Quindi mi dareste una mano con uno schemino o qualche link su come modificare il fixed bias e mettere un controllo come si deve?
Ho letto in giro che si può fare agendo sulla griglia controllo o sul catodo, è vero?
Qual'è la differenza? ma soprattutto: come si fa?
Non è proprio come fare un esperimento con un IC che male che vada lo bruci e con 3 euro lo ricompri...
Grazie.
- Allegati
-
- marshall_18watt_schem.pdf
- (216.78 KiB) Scaricato 262 volte
Re:Circuito di Bias.
Allora, se agisci sul catodo hai più headroom ed un suono più crunchoso e godibile, ma trovi maggiori info su geofex.
I primi fender erano così, dagli anni 60 in poi sono passati alla griglia.
Per aggiungere il controllo o metti il pot tra catodo e massa di ogni singolo finale o metti assieme tutti i catodi e poi lo metti da quel punto a massa.
Naturalmente con la prima soluzione sei più preciso, ma si parla solo di controllo su catodo.
Se lo vuoi mettere su griglia fino a 2 valvole finali va dal punto in cui si uniscono le res di griglia a massa, con un condensatore in parallelo, il valore non lo ricordo, conviene copiare qualche schema.
Per maggiore sicurezza puoi mettere in serie al trimmer una res aggiuntiva di valore minore.
I primi fender erano così, dagli anni 60 in poi sono passati alla griglia.
Per aggiungere il controllo o metti il pot tra catodo e massa di ogni singolo finale o metti assieme tutti i catodi e poi lo metti da quel punto a massa.
Naturalmente con la prima soluzione sei più preciso, ma si parla solo di controllo su catodo.
Se lo vuoi mettere su griglia fino a 2 valvole finali va dal punto in cui si uniscono le res di griglia a massa, con un condensatore in parallelo, il valore non lo ricordo, conviene copiare qualche schema.
Per maggiore sicurezza puoi mettere in serie al trimmer una res aggiuntiva di valore minore.
L\'uso del tasto \"CERCA\" non provoca impotenza!
Alex
Alex
Re:Circuito di Bias.
Ok, grazie.
Secondo voi posso copiare quello del SOMA84 che è in galleria? trimmer da 150 ohm 5 W tra catodo e massa. Magari, visto il costo, una per catodo oppure con valvole matched 1 per entrambe.
Che vantaggi avrei ad incasinarmi la vita andando ad agire sulla griglia?
Secondo voi posso copiare quello del SOMA84 che è in galleria? trimmer da 150 ohm 5 W tra catodo e massa. Magari, visto il costo, una per catodo oppure con valvole matched 1 per entrambe.
Che vantaggi avrei ad incasinarmi la vita andando ad agire sulla griglia?
Re:Circuito di Bias.
Ti conviene cambiare la res da 125 5W che c'è già con un trimmer da 250k se vuoi usare valvole matched, oppure trimmer da 100k e res in serie da 47k.
I vantaggi del metodo di griglia non riesco più a reperirli, dammi un pò di tempo red_face
I vantaggi del metodo di griglia non riesco più a reperirli, dammi un pò di tempo red_face
L\'uso del tasto \"CERCA\" non provoca impotenza!
Alex
Alex
Re:Circuito di Bias.
Eccomi.
Dunque, i primi Fender copiavano gli ampli hifi, quindi più headroom, meno distorsione, maggiore affidabilità.
I successivi erano pensati diversamente, quindi bias su griglia e non su catodo (che va direttamente a massa), maggiore compressione, maggiore distorsione, suono più cremoso.
Dunque, i primi Fender copiavano gli ampli hifi, quindi più headroom, meno distorsione, maggiore affidabilità.
I successivi erano pensati diversamente, quindi bias su griglia e non su catodo (che va direttamente a massa), maggiore compressione, maggiore distorsione, suono più cremoso.
L\'uso del tasto \"CERCA\" non provoca impotenza!
Alex
Alex
Re:Circuito di Bias.
Ok, grazie.
Penso che forse in un 18 w avere più headroom non guasti. Alle prove a volte con gli humbucker mi distorce che non sono ancora a livello degli altri strumenti... Anche se penso che forse sia la P.I. che vada in saturazione
Penso che forse in un 18 w avere più headroom non guasti. Alle prove a volte con gli humbucker mi distorce che non sono ancora a livello degli altri strumenti... Anche se penso che forse sia la P.I. che vada in saturazione
Re:Circuito di Bias.
Vorrei una conferma: per la taratura del bias si consiglia di mettere una R da 1 ohm 5 w all'anodo delle valvole per avere un rapporto 1:1 con gli ampere.
Ma l'altro capo dove va?!? non lo specifica mai nessuno nei consigli.
Va direttamente a massa?

Ma l'altro capo dove va?!? non lo specifica mai nessuno nei consigli.
Va direttamente a massa?
Re:Circuito di Bias.
Anzitutto conviene al catodo per fare misure con maggiore sicurezza, poi i capi sono i 2 monconi di cavo che hai ottenuto tagliandolo per inserire la res.
L\'uso del tasto \"CERCA\" non provoca impotenza!
Alex
Alex
Re:Circuito di Bias.
Ah, ok, quindi va in serie.
Ma in questo modo non mi dà una caduta di tensione al catodo diminuendo l'headroom?
Ma in questo modo non mi dà una caduta di tensione al catodo diminuendo l'headroom?
- Kagliostro
- Amministratore

- Messaggi: 9958
- Iscritto il: 03/12/2007, 0:16
- Località: Prov. di Treviso
Re:Circuito di Bias.
Ciao a tutti
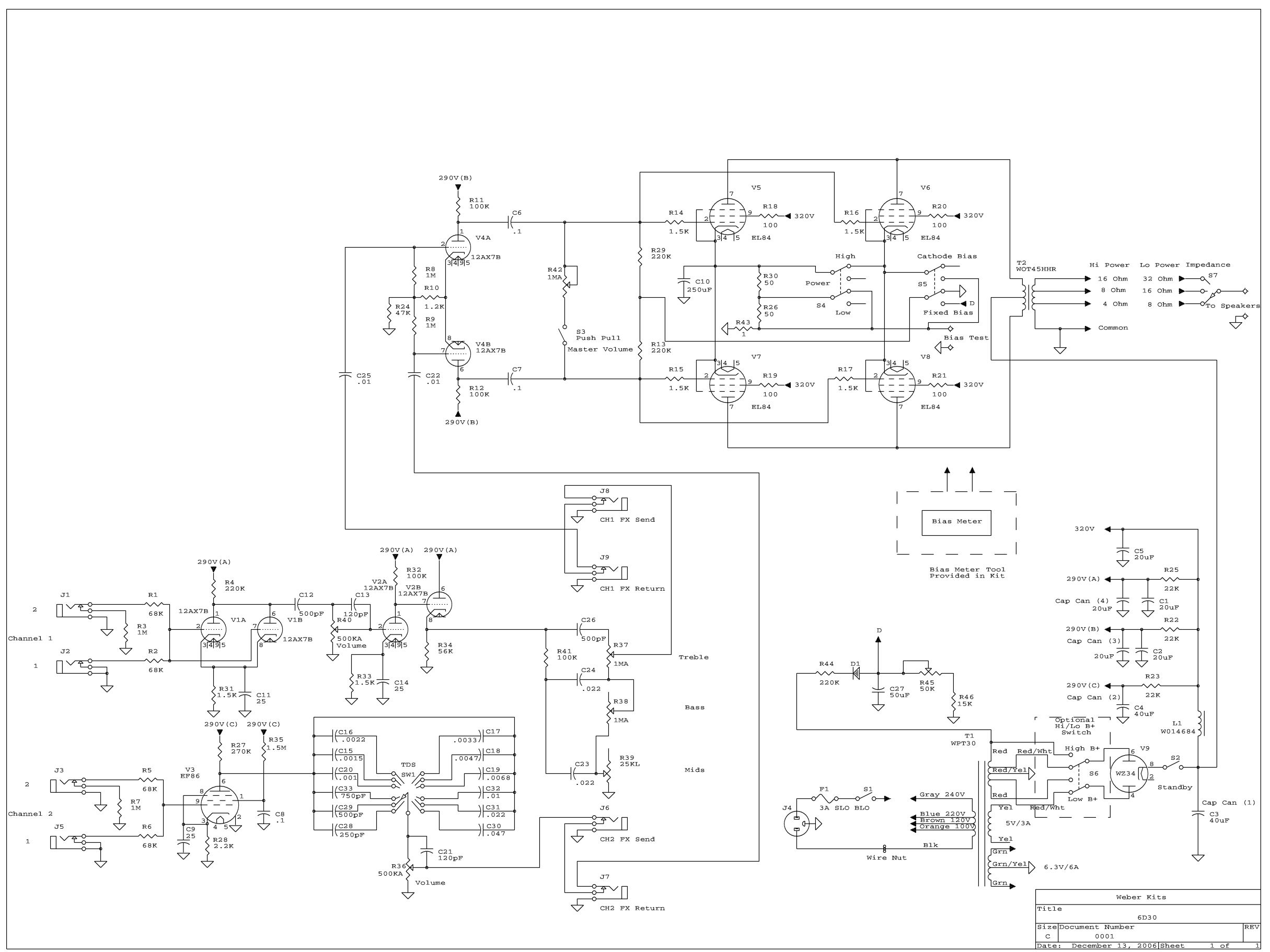
non so se possa essere di interesse come lo è stato per me la prima volta che l'ho visto, comunque il Kit della Weber 6d30 l'ho trovato molto intrigante e prima o dopo ne faccio uno
come si può vedere, oltre ad altre "amenità", c'è anche la possibilità di passare da Fixed bias a Cathode bias
Kagliostro
non so se possa essere di interesse come lo è stato per me la prima volta che l'ho visto, comunque il Kit della Weber 6d30 l'ho trovato molto intrigante e prima o dopo ne faccio uno
come si può vedere, oltre ad altre "amenità", c'è anche la possibilità di passare da Fixed bias a Cathode bias
Kagliostro
Ultima modifica di Kagliostro il 24/02/2009, 19:34, modificato 1 volta in totale.
Re:Circuito di Bias.
Questo è qualcosa di utile quando si è indecisi sul da farsi, ma se sai quel che vuoi penso che sai già come costruirti l'ampli.
La caduta di potenziale che ti da la res da 1ohm è irrisoria.
La caduta di potenziale che ti da la res da 1ohm è irrisoria.
L\'uso del tasto \"CERCA\" non provoca impotenza!
Alex
Alex
- Kagliostro
- Amministratore

- Messaggi: 9958
- Iscritto il: 03/12/2007, 0:16
- Località: Prov. di Treviso
Re:Circuito di Bias.
Be', si, infatti la resistenza da un ohm serve solo per la lettura del bias
Kagliostro
Kagliostro
Re:Circuito di Bias.
Riprendo questo topic.
Ho cambiato le valvole alla ENGL, tutto JJ Tesla rispetto alle sovtek spompate che avevo su da una vita e con un bias sballato.
Che suono!!!! non riuscivo più a spegnere il tutto!

Come ho detto, ho tarato il bias, ma c'è una cosa che non mi torna ancora.
Io misuro la tensione all'anodo, calcolo la corrente che deve scorrere e poi bypasso lo switch di stanby con l'amperometro e taro la corrente complessiva.
Pero' così facendo misuro anche la corrente di griglia. Come faccio a sapere quant'è la corrente di griglia (con i seguenti handicap: niente schema e pcb ancorata che non si vede neanche una resistenza e per toglierla bisogna smontare tutto l'ampli)?
Questa indicazione non la trovo da nessuna parte.
Ho cambiato le valvole alla ENGL, tutto JJ Tesla rispetto alle sovtek spompate che avevo su da una vita e con un bias sballato.
Che suono!!!! non riuscivo più a spegnere il tutto!
Come ho detto, ho tarato il bias, ma c'è una cosa che non mi torna ancora.
Io misuro la tensione all'anodo, calcolo la corrente che deve scorrere e poi bypasso lo switch di stanby con l'amperometro e taro la corrente complessiva.
Pero' così facendo misuro anche la corrente di griglia. Come faccio a sapere quant'è la corrente di griglia (con i seguenti handicap: niente schema e pcb ancorata che non si vede neanche una resistenza e per toglierla bisogna smontare tutto l'ampli)?
Questa indicazione non la trovo da nessuna parte.
Re:Circuito di Bias.
Guarda, la corrente di griglia è poca cosa rispetto a quella di placca, se vuoi stare tranquillo, quando fai il calcolo usando la potenza max dissipabile considera il 75% e non il 70% come valore di riferimento.
Sei sempre nel range di sicurezza e tari per bene il tutto.
A questo indirizzo ci sono tanti schemi, compresi alcuni Engl. Identificata la tua testata puoi aprire lo schema e fare in questo modo:
- sulla placca dovrebbe esserci una res, leggi sol tester la caduta di potenziale ai capi di questa res e fai Iplacca=V/R
- se il tuo tester ce la fa puoi misurare la tensione tra placca e catodo, con lo stesso metodo di prima ti calcoli la corrente leggendo dal data sheet della valvola la sua impedenza interna caratteristica
- aggiungi al catodo la famosa res da 1Ohm, leggi la tensione ai suoi capi e quello è anche il valore di corrente.
Purtroppo aprire il tutto è quasi sempre necessario per certe cose.
Sei sempre nel range di sicurezza e tari per bene il tutto.
A questo indirizzo ci sono tanti schemi, compresi alcuni Engl. Identificata la tua testata puoi aprire lo schema e fare in questo modo:
- sulla placca dovrebbe esserci una res, leggi sol tester la caduta di potenziale ai capi di questa res e fai Iplacca=V/R
- se il tuo tester ce la fa puoi misurare la tensione tra placca e catodo, con lo stesso metodo di prima ti calcoli la corrente leggendo dal data sheet della valvola la sua impedenza interna caratteristica
- aggiungi al catodo la famosa res da 1Ohm, leggi la tensione ai suoi capi e quello è anche il valore di corrente.
Purtroppo aprire il tutto è quasi sempre necessario per certe cose.
L\'uso del tasto \"CERCA\" non provoca impotenza!
Alex
Alex
Re:Circuito di Bias.
Ok, come ho fatto io._Alex_ ha scritto: Guarda, la corrente di griglia è poca cosa rispetto a quella di placca, se vuoi stare tranquillo, quando fai il calcolo usando la potenza max dissipabile considera il 75% e non il 70% come valore di riferimento.
Sei sempre nel range di sicurezza e tari per bene il tutto.
quale sito?_Alex_ ha scritto: A questo indirizzo ci sono tanti schemi, compresi alcuni Engl.
Ah! ma tu bari! dici di inserire una resistenza._Alex_ ha scritto: - sulla placca dovrebbe esserci una res, leggi sol tester la caduta di potenziale ai capi di questa res e fai Iplacca=V/R
- se il tuo tester ce la fa puoi misurare la tensione tra placca e catodo, con lo stesso metodo di prima ti calcoli la corrente leggendo dal data sheet della valvola la sua impedenza interna caratteristica
- aggiungi al catodo la famosa res da 1Ohm, leggi la tensione ai suoi capi e quello è anche il valore di corrente.
Il problema è che in alcuni casi (tipo ENGL) per inserire una resistenza bisogna tagliare delle tracce. Finché la testa è la mia ok, ma se magari è di un mio amico e lui è lì che guarda non penso di riuscire a convincerlo del perché io stia facendo ciò
quindi anche i famosi "bias probe" non tengono conto della corrente di griglia ma misurano quella totale, giusto?

