Sostieni il forum con una donazione! Il tuo contributo ci aiuterà a rimanere online!
Immagine

18watt superlite tmb

Discussioni di carattere generale sugli amplificatori valvolari...
Rispondi
kico
Neutrino
Neutrino
Messaggi: 2
Iscritto il: 15/03/2009, 16:23

18watt superlite tmb

Messaggio da kico » 24/04/2009, 15:30

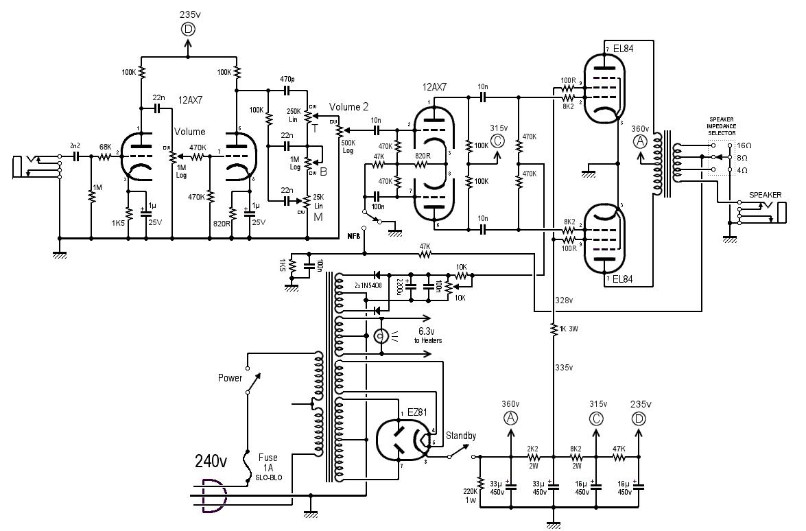
Ciao a tutti
dopo aver costruito un ampli valvolare a costo zero mi è venuta voglia di farmi un ampli per chitarra...
Ho scelto il 18w
Ho fatto qulache modifica allo schema inserendo il fixed bias e il feedback...Siccome sono poco esperto in questo ambito vorrei sapere se è tutto ok..

Ho già ordinato le valvole(tutte JJ) e i trasfo(delbini)

Ecco i valori dei trasfo:
trasformatore di alimentazione:
primario:         230
secondario:     290-0-290    120mA
                    3.15-0-3.15  3.25A
                    6.3           1.5A
                    20-0-20     100mA

trasformatore di uscita per PP 20W
impedenza primaria:         8K
impedenza secondaria:    4-8-16
Allegati
18w.JPG

Avatar utente
Hades
Roger Mayer Jr.
Roger Mayer Jr.
Messaggi: 2615
Iscritto il: 10/09/2008, 11:56
Località: Carpi (MO)

Re:18watt superlite tmb

Messaggio da Hades » 24/04/2009, 16:02

Scusa ma perche' due secondari praticamente uguali? Uno da 3.15-0-3.15 e uno da 6.3V? Sono praticamente la stessa cosa ma uno ha il center tap per l'hum...
Live another day, climb a little higher, find another reason to stay...

kico
Neutrino
Neutrino
Messaggi: 2
Iscritto il: 15/03/2009, 16:23

Re:18watt superlite tmb

Messaggio da kico » 26/04/2009, 20:59

quello senza ct serve solo per la rettificatrice...

Avatar utente
Hades
Roger Mayer Jr.
Roger Mayer Jr.
Messaggi: 2615
Iscritto il: 10/09/2008, 11:56
Località: Carpi (MO)

Re:18watt superlite tmb

Messaggio da Hades » 26/04/2009, 21:40

Pensavo che la EZ81 volesse 5V, non 6.3V... My fault!!!  :ops:
Live another day, climb a little higher, find another reason to stay...

Rispondi