Sostieni il forum con una donazione! Il tuo contributo ci aiuterà a rimanere online!
Immagine

Elevare i filamenti delle valvole di pre... domanda!

Discussioni di carattere generale sugli amplificatori valvolari...
Rispondi
Avatar utente
kruka
Braccio destro di Roger Mayer
Braccio destro di Roger Mayer
Messaggi: 1895
Iscritto il: 10/05/2006, 16:20
Località: Ancona

Elevare i filamenti delle valvole di pre... domanda!

Messaggio da kruka » 06/09/2009, 17:58

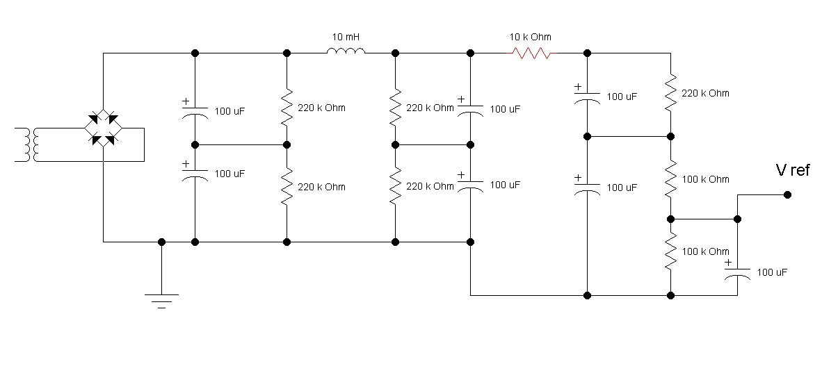
dovendo elevare i filamenti delle pre mi è sorto un dubbio:

sulla slo viene creato un partitore a partire da subito dopo la choke, quindi molto presto nella sezione di filtraggio. La scelta è casuale o è dettata da motivazioni specifiche?

il mio dubbio è se prenderlo più a valle nel circuito possa creare interferenze o disturbi nella'alimentazione delle finali  :hummm_1:

tra l'altro per motivi di organizzazione della PCB dell'alimentazione mi verrebbe comodissimo utilizzare una configurazione seguente: splittare il partitore di una partitore resistivo già esistente
che è associato a 2 cap di filtraggio messi in serie... metto lo schema per rendere l'idea

ci vedete qualche problema se utilizzo una configurazione simile??

:Gra_1:
Allegati
ScreenShot002.jpg
Un esperto è un uomo che ha fatto tutti gli errori che si possono fare in un campo molto ristretto - Niels Bohr

Avatar utente
robi
Amministratore
Amministratore
Messaggi: 9757
Iscritto il: 17/12/2006, 13:57
Località: Alba

Re:Elevare i filamenti delle valvole di pre... domanda!

Messaggio da robi » 06/09/2009, 20:07

Il motivo per il quale si mette sul primo filtro, è che crei meno assorbimento attraverso l'alimentazione, poi è un punto molto stabile.
Eviterei di metterlo lì proprio per questo motivo, inoltre 16u sono già più che sufficienti.  :bye1:
Adoro le donne con un passato, e gli uomini con un futuro.

Avatar utente
kruka
Braccio destro di Roger Mayer
Braccio destro di Roger Mayer
Messaggi: 1895
Iscritto il: 10/05/2006, 16:20
Località: Ancona

Re:Elevare i filamenti delle valvole di pre... domanda!

Messaggio da kruka » 06/09/2009, 22:11

a parte i valori dei componenti che sono solo indicativi...non sono sicuro di aver capito cosa intendi per " crei meno assorbimento",pensavo che a livello V ref non dovesse passare
una corrente significativa per la rete di filtraggio, ne proveniente dall'anodica ,ne dai filamenti o mi sbaglio?

un'altra domanda a questo punto  :face_green: :perchè viene usato un partitore resistivo in parallelo a quello dei condensatori piuttosto che uno simile al "mio"  :hummm_1:

:Gra_1:
Un esperto è un uomo che ha fatto tutti gli errori che si possono fare in un campo molto ristretto - Niels Bohr

Avatar utente
robi
Amministratore
Amministratore
Messaggi: 9757
Iscritto il: 17/12/2006, 13:57
Località: Alba

Re:Elevare i filamenti delle valvole di pre... domanda!

Messaggio da robi » 06/09/2009, 23:48

Ne viene usato uno in parallelo perchè non è detto che il primo filtro li abbia, dipende dalla configurazione dell'alimentazione. Anche se li avesse, se i condensatori sono montati su chassis tali resistenze sono direttamente sui cap. Se è tutto a pcb, di solito i filamenti sono distanti dall'alimentazione, inoltre ultimamente c'è l'abitudine a fare il preamp in DC (che secondo me porta alcuni problemi).

Non passa molta corrente, di solito qualcosa sotto 1mA, ma più la porti avanti sull'alimentazione e più verrà sentita dall'ampli, oltre a metterci di più a raggiungere la tensione voluta.
Adoro le donne con un passato, e gli uomini con un futuro.

Avatar utente
kruka
Braccio destro di Roger Mayer
Braccio destro di Roger Mayer
Messaggi: 1895
Iscritto il: 10/05/2006, 16:20
Località: Ancona

Re:Elevare i filamenti delle valvole di pre... domanda!

Messaggio da kruka » 07/09/2009, 3:15

robi ha scritto: Ne viene usato uno in parallelo perchè non è detto che il primo filtro li abbia, dipende dalla configurazione dell'alimentazione. Anche se li avesse, se i condensatori sono montati su chassis tali resistenze sono direttamente sui cap. Se è tutto a pcb, di solito i filamenti sono distanti dall'alimentazione, inoltre ultimamente c'è l'abitudine a fare il preamp in DC (che secondo me porta alcuni problemi).

Non passa molta corrente, di solito qualcosa sotto 1mA, ma più la porti avanti sull'alimentazione e più verrà sentita dall'ampli, oltre a metterci di più a raggiungere la tensione voluta.
capito! cmq tieni conto che il partitore ce l'ho anche sui cap del pre (e il partitore è un 470k/470k) per questo avevo pensato di splittare una delle 2 res piuttosto che aggiungere un partitore in parallelo
e la corrente in questo caso è dell'ordine di 0.5mA. tra le altre cose anche io mettero i filamenti in continua che eleverò a circa 100V e più..ho un cathode follower che sta sui 260V e solo le sovtek dichiarano di reggere 200V tra filamenti e catodo...le jj ad esempio dichiarano 180V

grazie della chiacchierata :Gra_1:
Un esperto è un uomo che ha fatto tutti gli errori che si possono fare in un campo molto ristretto - Niels Bohr

Rispondi