firefly con tono come primo progetto?
- christophersad
- Diyer Aiutante

- Messaggi: 64
- Iscritto il: 10/09/2006, 21:16
- Località: massacarrara
- Contatta:
firefly con tono come primo progetto?
Ciao ragazzi mi e tornata la voglia,e anche il tempo per rimettermi a smanettare dopo qualche anno dalla prima,e come primo progetto vulvolare avevo pensato a un firefly con un paio di modifiche,come 1 controllo tono e possibilmente 1 uscita preamp per utilizzarlo in altri finali,dando 1 occhiata ho trovato lo schema,e frugando qua e la ho trovato 1 altro piccolo ampli con controllo toni molto semplice ed ho provato a mergerli per chiedere qua ai piu esperti (non ho molta conoscenza in ambito valvolare)se la cosa puo fungere.
di seguito allego schemi e pongo le seguenti domande:
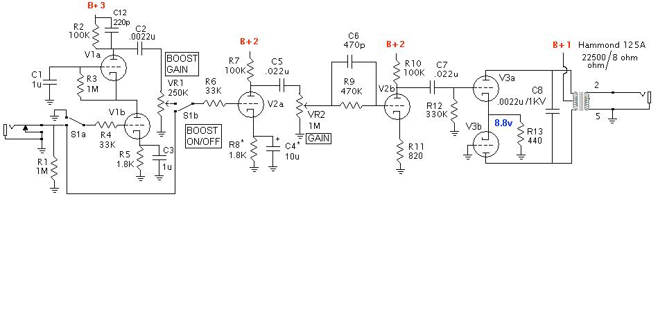
-nel 2ndo schema ho aggiunto quella parte del controllo toni,va bene ?puo funzionare?
-ammettendo di si,i 2 componenti cerchiati ,che fan parte dello schema originale firefly andrebbero tolti?
-per fare una preamp out,basta prelevare il segnale direttamente prima delle 2 finali?
grazie in anticipo buon diy a tutti.
di seguito allego schemi e pongo le seguenti domande:
-nel 2ndo schema ho aggiunto quella parte del controllo toni,va bene ?puo funzionare?
-ammettendo di si,i 2 componenti cerchiati ,che fan parte dello schema originale firefly andrebbero tolti?
-per fare una preamp out,basta prelevare il segnale direttamente prima delle 2 finali?
grazie in anticipo buon diy a tutti.
-
El.guerrero
- Diyer Eroe

- Messaggi: 714
- Iscritto il: 01/01/2007, 21:10
- Località: Prov, Como
Re:firefly con tono come primo progetto?
Ciao christophersad allora innanzitutto bella scelta.
E' un buon progetto il firefly.
Allora per prima cosa volevo consigliarti di non usare un pot del tono...Visto che sei dietro perche' non metti un intero tonestack? Aggiungi 5 euro ma ti diverti molto di piu'!

E' un buon progetto il firefly.
Allora per prima cosa volevo consigliarti di non usare un pot del tono...Visto che sei dietro perche' non metti un intero tonestack? Aggiungi 5 euro ma ti diverti molto di piu'!
Diy: Fat boost,Red Llama...And Soldano Slo 50w
[url=http://ubanimator.com][img]http://img225.imageshack.us/img225/8759/userbar529479ge7.gif[/img][/url]
[url=http://ubanimator.com][img]http://img225.imageshack.us/img225/8759/userbar529479ge7.gif[/img][/url]
- gnogno
- Braccio destro di Roger Mayer

- Messaggi: 1986
- Iscritto il: 15/05/2006, 20:34
- Località: Lucerna
Re:firefly con tono come primo progetto?
Io metterei un Tonestack, come dice el guerrero, ma lo metterei prima del pot del gain (togliendo c5)...L'unica cosa è che mettendo un tonestack snaturi il suono dell'amp originale perchè si mangià un bel po' di segnale! se non ti tinteressa il sound originale o ti interessa avere un pulito più pulito dell'originale allora un tonestack fender dove ti ho detto io potrebbe essere una buona soluzione!
[size=40][b]La funzione Cerca è tua amica[/b][/size]
- christophersad
- Diyer Aiutante

- Messaggi: 64
- Iscritto il: 10/09/2006, 21:16
- Località: massacarrara
- Contatta:
Re:firefly con tono come primo progetto?
non volevo mettere il tonestack per 2 motivi,uno e quello che dice Paolo,e l'altro e che volevo tenerlopiu compatto possibile,nei limiti.
Il pot tono che ho aggiunto crea cmq dei problemi in tal senso?puo fungere?
Il pot tono che ho aggiunto crea cmq dei problemi in tal senso?puo fungere?
- christophersad
- Diyer Aiutante

- Messaggi: 64
- Iscritto il: 10/09/2006, 21:16
- Località: massacarrara
- Contatta:
Re:firefly con tono come primo progetto?
ok ho fatto la lista componenti (che se qualcuno vuole posto che so 2 palle a stilarla) trovato tutto su musikding.com tranne il trafo di alimentazione,la spesa totale sta sui 90 eurazzi prendendo pure qualche componente in piu per sicurezza.
ho dato 1 occhiata anche allo schema alimentazione,ce ne sono 2 e ve li posto, che differenze hanno?ce n'e 1 migliore o van bene entrambi?Quale mi consigliate in termini di semplicita qualita e spesa?
spero di poter imparare qualcosetta strada facendo co sto progettino e magari aiutare qualche nabbo come me,dato che lavorando come 1 cotonaro nn ho molto tempo per studiare la teoria,anche se mi piacerebbe....mi sono snasato 1 paio di ore sul tutorial di luix x lapolarizzazione ma i grafici con me nn vogliono proprio parlarci....
ho dato 1 occhiata anche allo schema alimentazione,ce ne sono 2 e ve li posto, che differenze hanno?ce n'e 1 migliore o van bene entrambi?Quale mi consigliate in termini di semplicita qualita e spesa?
spero di poter imparare qualcosetta strada facendo co sto progettino e magari aiutare qualche nabbo come me,dato che lavorando come 1 cotonaro nn ho molto tempo per studiare la teoria,anche se mi piacerebbe....mi sono snasato 1 paio di ore sul tutorial di luix x lapolarizzazione ma i grafici con me nn vogliono proprio parlarci....
Re:firefly con tono come primo progetto?
È uguale, dipende dal trasformatore che trovi. te lo fai fare da Delbini?
Adoro le donne con un passato, e gli uomini con un futuro.
Re:firefly con tono come primo progetto?
Dipende tutto da che trasformatore usi. Il primo ha i secondari singoli e perciò la scelta della rettifica a ponte è obbligatoria, mentre nel secondo bastano i due diodi.christophersad ha scritto: ho dato 1 occhiata anche allo schema alimentazione,ce ne sono 2 e ve li posto, che differenze hanno?ce n'e 1 migliore o van bene entrambi?
Analogamente per i filamenti, se ti trovi il center tap puoi sfruttarlo per il riferimento a massa invece delle due resistenze da 100 ohm
(ops, sono arrivato tardi
[align=center][url=http://www.diyitalia.eu/forum/index.php?action=search][img]http://www.diyitalia.eu/forum/Themes/igoh114/images/italian/search.gif[/img][/url] [img]http://img523.imageshack.us/img523/1523/senzatitolo1hj2.gif[/img][/align]
- christophersad
- Diyer Aiutante

- Messaggi: 64
- Iscritto il: 10/09/2006, 21:16
- Località: massacarrara
- Contatta:
Re:firefly con tono come primo progetto?
possibile,dipende dal tempo che ci mette a farmelo,mi piacerebbe farlo fare a lui,se nn mi dice di aspettare 3 mesirobi ha scritto: È uguale, dipende dal trasformatore che trovi. te lo fai fare da Delbini?
qualcuno mi dice se quella modifica toni puo andare??
- christophersad
- Diyer Aiutante

- Messaggi: 64
- Iscritto il: 10/09/2006, 21:16
- Località: massacarrara
- Contatta:
Re:firefly con tono come primo progetto?
Ho contattato il sig delbini x il trafo, ho scelto 190 0 190 75ma// 6,3v 2,5 A va bene?
appena mi risponde vi faccio sapere.
di seguito allego lista materiali x il firefly che hotrovato in rete,cosi chi volesse cimentarsi non fa come me che ho perso il pomeriggio a cercare sullo schema e 1a1 acquistare su musikding........
appena mi risponde vi faccio sapere.
di seguito allego lista materiali x il firefly che hotrovato in rete,cosi chi volesse cimentarsi non fa come me che ho perso il pomeriggio a cercare sullo schema e 1a1 acquistare su musikding........
- Allegati
-
- firefly lista mat.doc
- (779 Byte) Scaricato 275 volte
- christophersad
- Diyer Aiutante

- Messaggi: 64
- Iscritto il: 10/09/2006, 21:16
- Località: massacarrara
- Contatta:
Re:firefly con tono come primo progetto?
sorpresona,il signor Delbini mi ha risposto dopo nemmeno 1 paio d'ore dalla mia mail,per il trafo suddetto mi ha chiesto 23 euri che mi pare 1 prezzo piu che onesto,se mi dite che va bene lo faccio fare 
-
El.guerrero
- Diyer Eroe

- Messaggi: 714
- Iscritto il: 01/01/2007, 21:10
- Località: Prov, Como
Re:firefly con tono come primo progetto?
Si e' ok il trasfo pero' io farei un [glow=red,2,300]200 0 200[/glow] 75ma// 6,3v 2,5 A
Piu' Anodica!
Piu' Anodica!
Diy: Fat boost,Red Llama...And Soldano Slo 50w
[url=http://ubanimator.com][img]http://img225.imageshack.us/img225/8759/userbar529479ge7.gif[/img][/url]
[url=http://ubanimator.com][img]http://img225.imageshack.us/img225/8759/userbar529479ge7.gif[/img][/url]
- christophersad
- Diyer Aiutante

- Messaggi: 64
- Iscritto il: 10/09/2006, 21:16
- Località: massacarrara
- Contatta:
Re:firefly con tono come primo progetto?
grazie della risposta guerrero, am che cambiamento ci sarebbe in termini pratici e sonoro col 200 0 200? 
- christophersad
- Diyer Aiutante

- Messaggi: 64
- Iscritto il: 10/09/2006, 21:16
- Località: massacarrara
- Contatta:
Re:firefly con tono come primo progetto?
mi sto mettendo daccordo con delbini me lo dovrebbe fare in 1 settimanetta sto trasfo, ma mi e venuta 1 domanda in mente, COME MAI LA TENSIONE IN DI ALIMENTAZIONE E 190 0 190?nel senso,gli altri ampli hanno tutti tensioni ben piu alte di alimentazione,cm mai questo le hacosi basse?in fondo so sempre 12ax7 e 12 au7 che usa,plz chiaritemi sta cosa^^ 
- christophersad
- Diyer Aiutante

- Messaggi: 64
- Iscritto il: 10/09/2006, 21:16
- Località: massacarrara
- Contatta:
Re:firefly con tono come primo progetto?
mi son venute in mente 2 domandette semplici semplici (x chi le sa)
1- la mod toni che ho postato funzionerebbe?crea problemi?
2- come mai sto cisrcuito e alimentato da 1 190 0 190 mentre tutti gli ampli +o- standard hanno tensioni piu alte?
3- sto trasfo 190 0 190 @75ma 6,3v @2,5 a me la reggerebbe 1 ulteriore valvola preamp?e 1 finale con 6v6?
4- la preamp out basta prelevarla da prima delle finali?nel caso fosse si, si puo "pluggare"direttamente in qualsiasi finale?

1- la mod toni che ho postato funzionerebbe?crea problemi?
2- come mai sto cisrcuito e alimentato da 1 190 0 190 mentre tutti gli ampli +o- standard hanno tensioni piu alte?
3- sto trasfo 190 0 190 @75ma 6,3v @2,5 a me la reggerebbe 1 ulteriore valvola preamp?e 1 finale con 6v6?
4- la preamp out basta prelevarla da prima delle finali?nel caso fosse si, si puo "pluggare"direttamente in qualsiasi finale?
Re:firefly con tono come primo progetto?
Dunque, andiamo con ordine.
Il tono così non va bene, perchè influisce sul guadagno dello stadio, poi non ha senso farlo lavorare ad alta tensione.
Usa un tono classico pilotato da anodo, molto meglio.
Bassa tensione?????? La tensione come la rettifichi? Non hai allegato nulla dell'alimentazione..
Regge bene un'ulteriore valvola, ma cosa la usi a fare? PI del PP?
Per un PP di valvole più "sostanziose" è meglio aumentare la corrente.
Il tono così non va bene, perchè influisce sul guadagno dello stadio, poi non ha senso farlo lavorare ad alta tensione.
Usa un tono classico pilotato da anodo, molto meglio.
Bassa tensione?????? La tensione come la rettifichi? Non hai allegato nulla dell'alimentazione..
Regge bene un'ulteriore valvola, ma cosa la usi a fare? PI del PP?
Per un PP di valvole più "sostanziose" è meglio aumentare la corrente.
Adoro le donne con un passato, e gli uomini con un futuro.

