Torno a scrivere dopo un lungo silenzio per dare una mano a Bluesman93.
La sua idea era di mettere due fender in uno: il Deluxe 5E23 e il Super Reverb.
Inoltre Bluesman aveva l'idea di fare un cab bivalente: ovvero con il Deluxe attivare solo un cono e con il Super Reverb attivare una modalità a 2 coni.
Idea molto interessante, fattibile a mio parere sulla carta, ma mi chiedevo se uno switch di relè sul trafo di uscita di quei carichi potesse generare bump fastidiosi o danni ai trafo.
Difatti a caldo come idea non mi piace di swicchare i carichi sul trafo.
Comunque sia mi è stato chiesto di trovare un modo di "mixare" in un solo corpo questi due ampli.
Lo stadio di input differisce solamente per una resistenza catodica quindi a mio avviso puoi:
- Mettere un relè che cambi o l'una o l'altra a seconda del canale
- Mettere una resistenza che sia una via di mezzo
- Scegliere a orecchio quella che ti suona meglio
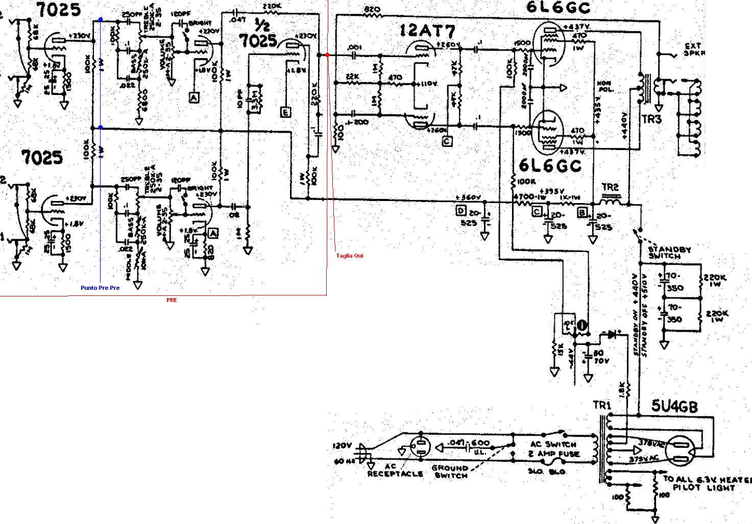
Nei due schemi ho segnato il punto dove potrebbe avvenire il TAGLIA-CUCI-A-RELE:
Ammesso che tu decida di condividere il primo stadio di input dove ci sono quei puntini blu è il punto in cui dovrai inserire il relè per passare dalla modalità deluxe alla modalità super. Il punto rosso è un altro relè che commuterà verso l'ampli di potenza.
Per l'ampli di potenza devi decidere se usare quello del deluxe o del super reverb tenendo conto che per quest' ultimo devi usare un triodo in piu come pilota.
Poi non so come ti vuoi comportare nei confronti del vibrato e del riverbero, ma io li ho levati senza colpo ferire
Insomma ci sono da fissare tanti punti!
P.s.: Blusman mi ha contattato su MSN per chiedermi una mano (non c'è nessun problema!) ma per chiarezza e per voglia di condividere metto la risposta quì, cosi che chi vuole può dare una mano, e magari chi ci capisce più di me correggermi

