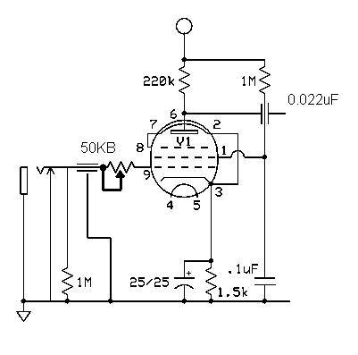
Le uniche limitazioni sono dettate dal frontale che vorrei riutilizzare quindi abbiamo i classici 6 controlli "obligatori"
pre master t. m. b. presence
ho buttato giù uno schema di come mi piacerebbe sviluppare a grandi linee questo mostriciattolo e ho già svuotato e forato il vecchio chassie per ospitare le valvolozze
altri dettagli salienti possono essere:
finale 2xEL84
controreazione = si
fixed bias = si
mvppi = si
tentativo per curiosità = triodi di V1 piggybacked per meglio dire "a cavacecio" (come diciamo a Roma
tentativo da pioniere = ponte raddrizzatore ibrido con EZ81 + 2x1N4007 ( mi attizza
è ancora tutto in stato embrionale e ogni aiuto e collaborazione è benvenuta... ovviamente ragazzi non cominciate a proporre cose diametralmente opposte tipo single ended regolazioni high gain e assolutamente astenersi metallari (ihihihi scherzo però consideratelo un progetto vecchia scuola marshall vox fender oriented)
ecco le foto dello chassie in lavorazione più lo schema a grandi linee
notare il buco quadrato per il pulsante standby ricavato con lavoro certosino vicino al power



