Vox AC30TB JMI
Vox AC30TB JMI
Salve a tutti! Qualcuno ha mai provato ad autocostruirsi questo ampli?!? Io tra un pochino voglio cimentarmi proprio negli ampli (partirò da un progetto semplice tipo l'high octane, cmq qualcosa di già pronto così per iniziare a capirne qualcosa...
Ne ho viste di tutti i colori ma mai nessuno che tenti di farsi un bel voxettino....
Ne ho viste di tutti i colori ma mai nessuno che tenti di farsi un bel voxettino....
- Texas Special
- Diyer Eroe

- Messaggi: 662
- Iscritto il: 28/05/2006, 21:38
Re: Vox AC30TB JMI
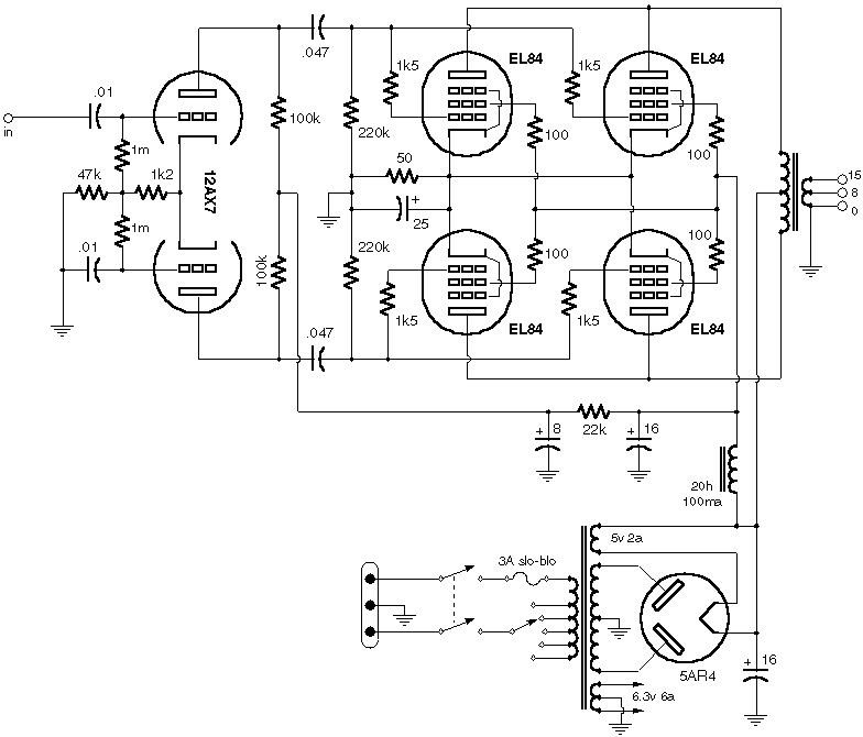
Non è detto che devi iniziare per forza con qualcosa di ultra semplice, con un pochino di attenzione l'ac30 lo puoi costruire, io personalmente sono più attratto dal Matchless DC30, comunque ti fornisco lo schema di un AC30 normal and top boost senza tremolo, spero ti possa servire.
Buona fortuna.

Buona fortuna.
«Se un uomo non è disposto a rischiare per le sue idee…. o le sue idee non valgono niente o non vale niente lui»
Re: Vox AC30TB JMI
Grande!!! Quando torno a casa nel fine settimana mi ci piazzo e provo a leggere lo schema... il mio problema principale è che sono abbastanza alle prime armi (infatti prima di costruirmi un ampli proverò con qualche effetto da zero, così per far pratica)... ma l'impegno c'è... eheh! Sai se in rete ci sono anche dei box simil vox così da renderlo il più simile possibile? L'idea era di fare un vero e proprio clone ultrasomigliante con componenti di alta qualità... così da farmi un vox old style senza spendere un casino... so che l'idea è pretenziosa, specialmente per uno alle prime armi, però che gusto c'è se non si può neanche sognare? eheh...
Secondo te si potrebbe mettere il tremolo e un loop effetti parallelo anche nell'ac30 top boost?

Secondo te si potrebbe mettere il tremolo e un loop effetti parallelo anche nell'ac30 top boost?

- Texas Special
- Diyer Eroe

- Messaggi: 662
- Iscritto il: 28/05/2006, 21:38
Re: Vox AC30TB JMI
rispondo semplicemente che se parti già con un trasformatore di alimentazione adatto puoi inserire anche (IN SEguito) QUELLO CHE VUOI (LOOP EFFECTS A VALVOLE TREMOLO, RIVERBERO A VALVOLE, ETC.); parti con uno schema semplice e considera i futuri assorbimenti in termini di potenza inserendo altre 12ax7 o 12au7 per il loop per esempio.
http://www.turretboards.com/guitar_ampl ... ox%20AC-30
quà trovi la turret board adatta al caso che ti ho proposto, e se cerchi online trovi anche la faceplate, il tessuto a rombi per il cono , le manopole per i potenziometri etc.
Per i componenti, un pò ebay, un pò http://www.tubes.it , http://www.audiokit.it e tanti altri che trovi menzionati nei vari post.
Per la faceplate, quì te la fanno come vuoi... http://www.amplates.com/
Se posso darti un consiglio fatti prima un bel disegno sullo chassis, con i trasformatori ( a proposito per questi va bene Novarria), gli zoccoli e l'induttanza di filtro, controlli interruttori e jack vari.
Ottimizza tutto prima perche dopo non è semplice.
Occhio alle tensioni presenti perchè sono mortali, se possibile scarica sempre gli elettrolitici per qualche ora prima di metterci le mani dopo averli messi sotto tensione; in ogni caso fai le cose con calma e vedrai che suonerà dandoti come spero grande soddisfazione.
Studia il radiotron anche se è sicuramente un pochino "pesante" e i tutorial di Luix (utili anche tanti suoi post)
e per qualsiasi cosa chiedi un pochino a tutti, perchè sicuramente qualcuno risponderà, l'idea di base credo sia proprio quella di crescere assieme.

http://www.turretboards.com/guitar_ampl ... ox%20AC-30
quà trovi la turret board adatta al caso che ti ho proposto, e se cerchi online trovi anche la faceplate, il tessuto a rombi per il cono , le manopole per i potenziometri etc.
Per i componenti, un pò ebay, un pò http://www.tubes.it , http://www.audiokit.it e tanti altri che trovi menzionati nei vari post.
Per la faceplate, quì te la fanno come vuoi... http://www.amplates.com/
Se posso darti un consiglio fatti prima un bel disegno sullo chassis, con i trasformatori ( a proposito per questi va bene Novarria), gli zoccoli e l'induttanza di filtro, controlli interruttori e jack vari.
Ottimizza tutto prima perche dopo non è semplice.
Occhio alle tensioni presenti perchè sono mortali, se possibile scarica sempre gli elettrolitici per qualche ora prima di metterci le mani dopo averli messi sotto tensione; in ogni caso fai le cose con calma e vedrai che suonerà dandoti come spero grande soddisfazione.
Studia il radiotron anche se è sicuramente un pochino "pesante" e i tutorial di Luix (utili anche tanti suoi post)
Ultima modifica di Texas Special il 06/10/2006, 11:10, modificato 1 volta in totale.
«Se un uomo non è disposto a rischiare per le sue idee…. o le sue idee non valgono niente o non vale niente lui»
Re: Vox AC30TB JMI
ihihiihi a luix queste parole non piacciono tantissimo ihihihihiiihiLole ha scritto: Sai se in rete ci sono anche dei box simil vox così da renderlo il più simile possibile? L'idea era di fare un vero e proprio clone ultrasomigliante con componenti di alta qualità...
(Io non posso dire niente perchè, di fatto, ho clonato l'Atomic16 eh eh eh)
Scusami ma te lo devo dire :Lole ha scritto: così da farmi un vox old style senza spendere un casino... so che l'idea è pretenziosa, specialmente per uno alle prime armi, però che gusto c'è se non si può neanche sognare? eheh...
![]()
!! UTOPIA !!
Guardati i prezzi SOLO dei trasformatori, degli zoccoli, delle valvole e dello chassis e poi mi dici ........... "quanto risparmi"
Ciaooooooooooooooooooooooo
PS: studia PRIMA di iniziarlo !!
Antonello
www.antonellocatanese.net
www.myspace.com/virutrio
****************************************
Tom Hess
www.antonellocatanese.net
www.myspace.com/virutrio
****************************************
Tom Hess
Re: Vox AC30TB JMI
mi dispiace smontarti ma un vox ac-30 non fartelo se vuoi risparmiare.
sai quanto costano due coni blue alnico? un milione di lire
se prendi degli ottimi blue dog della weber costano 175$ dollari l'uno.
per le spese di trasformatori chassis valvole componenti ecc. dubito che tu possa stare sotto i 600 euro.
se vuoi un topboost inizio anni90 sai che usato a volte lo trovi circa a 1300-1350 se ti va bene.
fai i tuoi conti.
sai quanto costano due coni blue alnico? un milione di lire
se prendi degli ottimi blue dog della weber costano 175$ dollari l'uno.
per le spese di trasformatori chassis valvole componenti ecc. dubito che tu possa stare sotto i 600 euro.
se vuoi un topboost inizio anni90 sai che usato a volte lo trovi circa a 1300-1350 se ti va bene.
fai i tuoi conti.
Re: Vox AC30TB JMI
Uhm... io per ora l'ho visto solo sui 2000 se non 2500€... e per l'appunto non trovo mai l'anniversary...
Cavolo però così mi smontate davvero... :(
Cavolo però così mi smontate davvero... :(
Re: Vox AC30TB JMI
NO Lole non ti 'smontiamo' ti diamo solo delle informazioni corrette !!!

Antonello
www.antonellocatanese.net
www.myspace.com/virutrio
****************************************
Tom Hess
www.antonellocatanese.net
www.myspace.com/virutrio
****************************************
Tom Hess
Re: Vox AC30TB JMI
Sisi, ma la mia mica era una critica.... il fatto è che mi sarebbe piaciuto veramente tanto riuscire a costruire quell'ampli... poi lo farei moooolto con calma, con ampi periodi di fermo per raccimolare i soldi dei componenti...
Per l'appunto si parlava di comprarlo... ma quello che piace a me (intendo esteticamente) è il 30th anniversary che non riesco a trovare da nessuna parte neanche usato (quello bianco)... allora mi era venuto in mente di fare un bell'ac30 point to point mettendoci un pò di tutto... anche se poi a conti fatti spenderò più di 1000 € per i componenti è uguale... tra l'altro non sarei neanche convintissimo di mettere gli alnico anziché i greenback... beh però alnico fa mooolto più original style...
Per l'appunto si parlava di comprarlo... ma quello che piace a me (intendo esteticamente) è il 30th anniversary che non riesco a trovare da nessuna parte neanche usato (quello bianco)... allora mi era venuto in mente di fare un bell'ac30 point to point mettendoci un pò di tutto... anche se poi a conti fatti spenderò più di 1000 € per i componenti è uguale... tra l'altro non sarei neanche convintissimo di mettere gli alnico anziché i greenback... beh però alnico fa mooolto più original style...

