Ciao a tutti!
Stavo pensando di sostituire il TU della Engl Blackmore, in quanto oltre ad esser davvero piccolino, quando suono per un pò a volumi alti, ovvero oltre il 5, si inizia a riscaldare davvero molto, oltre al fatto che da un certo livello in su, (5-6 di master) il volume non aumenta ulteriormente, unito a questo c'è anche il fatto che paragonata ad altre teste da 100W ha davvero molto meno volume in uscita appunto.
Ora documentandomi un attimo ho letto che la Engl ha proprio di suo il dotare i suoi ampli di TU sottodimensionati, al punto che è una lamentela frequente...
Pensavo perciò di sostituirlo con questo, appena possibile
http://www.tubeampdoctor.com/en/shop_Tr ... aster_1085
o eventualmente con questo:
http://www.tubeampdoctor.com/en/shop_Tr ... _6505_2126
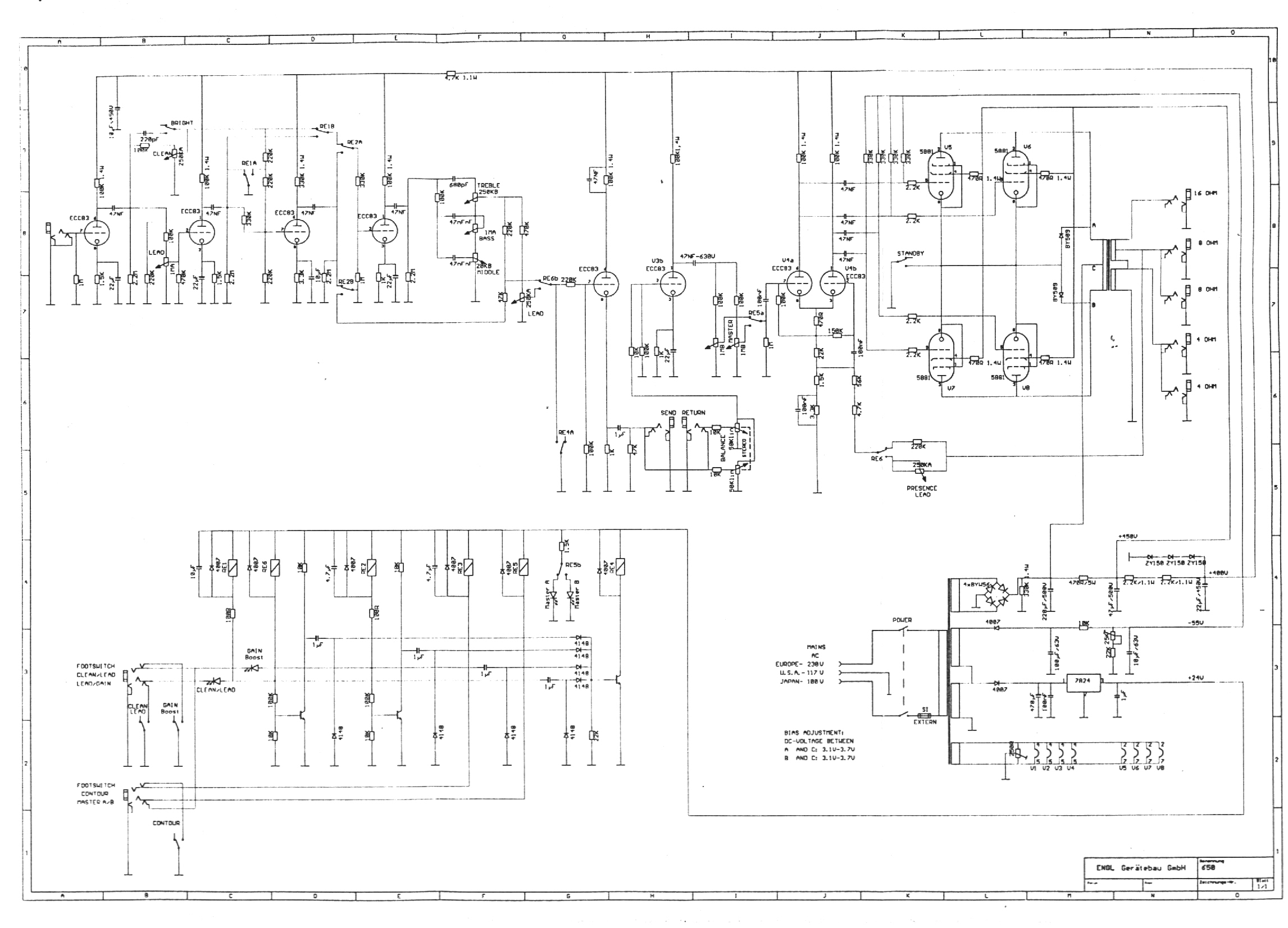
Sono necessarie modifiche circuitali, essendo un PP con 4 6l6 e uscite a 4, 8 e 16 Ohm?? Oppure basta fare lo switching e ritarare il bias??
In secondo luogo è una cosa sensata farlo (soprattutto per il surriscaldamento) o sono quelle allegre elucubrazioni mentali da gas??
TU ENGL E650 Blackmore
- jimmy_ver2.0
- Diyer Eroe

- Messaggi: 527
- Iscritto il: 16/12/2010, 13:09
- Località: Perugia
Re: TU ENGL E650 Blackmore
Il bias non serve ritararlo in quanto è indipendente dal trafo.
Per il resto.. sono tutti trafo fatti per 4 6L6, voglio sperare che l'impedenza del primario sia la stessa per tutti e quindi sarebbe necessario solo il cambio senza modificare niente.
Quanto al suono.. dipende molto dal TU ma non posso sapere se cambierà in meglio o in peggio (o se non cambierà affatto).
Per il resto.. sono tutti trafo fatti per 4 6L6, voglio sperare che l'impedenza del primario sia la stessa per tutti e quindi sarebbe necessario solo il cambio senza modificare niente.
Quanto al suono.. dipende molto dal TU ma non posso sapere se cambierà in meglio o in peggio (o se non cambierà affatto).
- Malphas84
- Elettrone Impazzito

- Messaggi: 41
- Iscritto il: 03/02/2011, 18:29
- Località: L'Aquila
- Contatta:
Re: TU ENGL E650 Blackmore
Mmm capito, però ci saranno senza dubbio delle cose oggettive da guardare nella scelta del TU per ottenere un determinato suono, essendo questo un ampli che lavora molto di pre, tu che consiglieresti a queto punto di montare??
O meglio, dato che comunque lo schema del finale è pressochè standard, tu che trasformatore avresti montato qui??
O meglio, dato che comunque lo schema del finale è pressochè standard, tu che trasformatore avresti montato qui??
Re: TU ENGL E650 Blackmore
Sul dimensionamento del TU ci sarebbero un mare di discorsi da fare...
Intanto potenzialmete un PP di 6L6GC puo' arrivare a sviluppare 120W di potenza massima (avendo questo tubo 30W di dissipazione massima). Poi sullo schema sono marchiate 5881, che invece dissipano 23W massimi... Che finali monti esattamente?
Bisogna poi considerare come sta lavorando il finale: qual'e' la tensione anodica sulle finali? Qual'e' l'impedenza del TU sul primario?
C'e' da dire che sicuramente e' una scelta ben ponderata quella del TU che ora monta. Le valvole non sono cosi' fiscali, e lo sfasamento di impedenza rispetto alle specifiche cambia abbastanza la sonorita' del finale: l'impedenza al primario piu' bassa da' un suono piu' grezzo e caldo, piu' alta rende piu' duro e "veloce". Chiaramente senza esagerare...
Lo sfasamento pero' porta anche ad un calo di volume udibile, dato che la massima potenza erogata dipende anche dall'impedenza al primario giusta per quella configurazione.
Inoltre anche Marshall e alcuni Mesa montano TU leggermente sottodimensionati, questo perche' saturano prima e portano una certa timbrica al suono.
Dallo schema inoltre vedo che in parallelo al potenziometro del Master da 1M c'e' un'altra resistenza da 1M, che porta il tutto a 500k di resistenza massima contro 1M ce di solito si usa in quella posizione... Anche questo vuol dire meno volume.
Mi sembrano tutte scelte costruttive piu' che particolari errori.
Tutto questo per dire che :
A) il volume non e' un problema, molto probabilmente e' relativo ad un discorso di timbrica che impone certe scelte costruttive, le quali portano al risultato attuale;
B) Il riscaldamento e' normale direi, soprattutto ad alti volumi poiche' attraverso il TU passa molta corrente;
Cambiare il TU quindi per me avrebbe senso solo se non ti piace la timbrica, o se fonde.
Se lo vuoi comunque cambiare, io metterei un 120W, 2200ohm di impedenza al primario. Cosi' avresti un TU "standard" per una configurazione simile.
Suonera' meglio o peggio? Chi lo sa, dipende dai tuoi gusti!
Intanto potenzialmete un PP di 6L6GC puo' arrivare a sviluppare 120W di potenza massima (avendo questo tubo 30W di dissipazione massima). Poi sullo schema sono marchiate 5881, che invece dissipano 23W massimi... Che finali monti esattamente?
Bisogna poi considerare come sta lavorando il finale: qual'e' la tensione anodica sulle finali? Qual'e' l'impedenza del TU sul primario?
C'e' da dire che sicuramente e' una scelta ben ponderata quella del TU che ora monta. Le valvole non sono cosi' fiscali, e lo sfasamento di impedenza rispetto alle specifiche cambia abbastanza la sonorita' del finale: l'impedenza al primario piu' bassa da' un suono piu' grezzo e caldo, piu' alta rende piu' duro e "veloce". Chiaramente senza esagerare...
Lo sfasamento pero' porta anche ad un calo di volume udibile, dato che la massima potenza erogata dipende anche dall'impedenza al primario giusta per quella configurazione.
Inoltre anche Marshall e alcuni Mesa montano TU leggermente sottodimensionati, questo perche' saturano prima e portano una certa timbrica al suono.
Dallo schema inoltre vedo che in parallelo al potenziometro del Master da 1M c'e' un'altra resistenza da 1M, che porta il tutto a 500k di resistenza massima contro 1M ce di solito si usa in quella posizione... Anche questo vuol dire meno volume.
Mi sembrano tutte scelte costruttive piu' che particolari errori.
Tutto questo per dire che :
A) il volume non e' un problema, molto probabilmente e' relativo ad un discorso di timbrica che impone certe scelte costruttive, le quali portano al risultato attuale;
B) Il riscaldamento e' normale direi, soprattutto ad alti volumi poiche' attraverso il TU passa molta corrente;
Cambiare il TU quindi per me avrebbe senso solo se non ti piace la timbrica, o se fonde.
Se lo vuoi comunque cambiare, io metterei un 120W, 2200ohm di impedenza al primario. Cosi' avresti un TU "standard" per una configurazione simile.
Suonera' meglio o peggio? Chi lo sa, dipende dai tuoi gusti!
Live another day, climb a little higher, find another reason to stay...
- Malphas84
- Elettrone Impazzito

- Messaggi: 41
- Iscritto il: 03/02/2011, 18:29
- Località: L'Aquila
- Contatta:
Re: TU ENGL E650 Blackmore
io monto 4 6l6JJ, la prima serie misà montava le 5881, perchè poi fece la slow hand edition con 6l6 e la fast hand edition con el34, a parte questo, per me non era un discorso di suono, ma unicamente relativo alle perplessità di cui sopra, circa il riscaldamento, il volume e infine le dimensioni esteriori... Tutto qui, alla fine è vero che il discorso volume è opinabile, come le dimensioni, quello che mi creava dubbi era però il fatto che tra un pò dopo neanche un'oretta a "regime" in un live quasi non si poteva toccare per quanto era caldo...
