Loop Fx per 2204 e orange ad30tc chi mi aiuta ????
-
oisselatool
- Diyer Esperto

- Messaggi: 323
- Iscritto il: 24/09/2011, 21:36
Loop Fx per 2204 e orange ad30tc chi mi aiuta ????
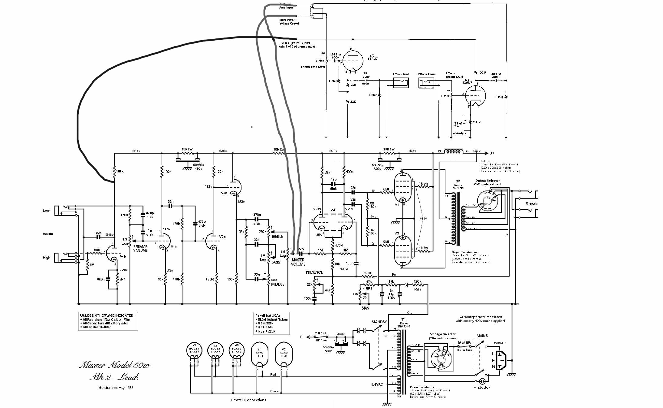
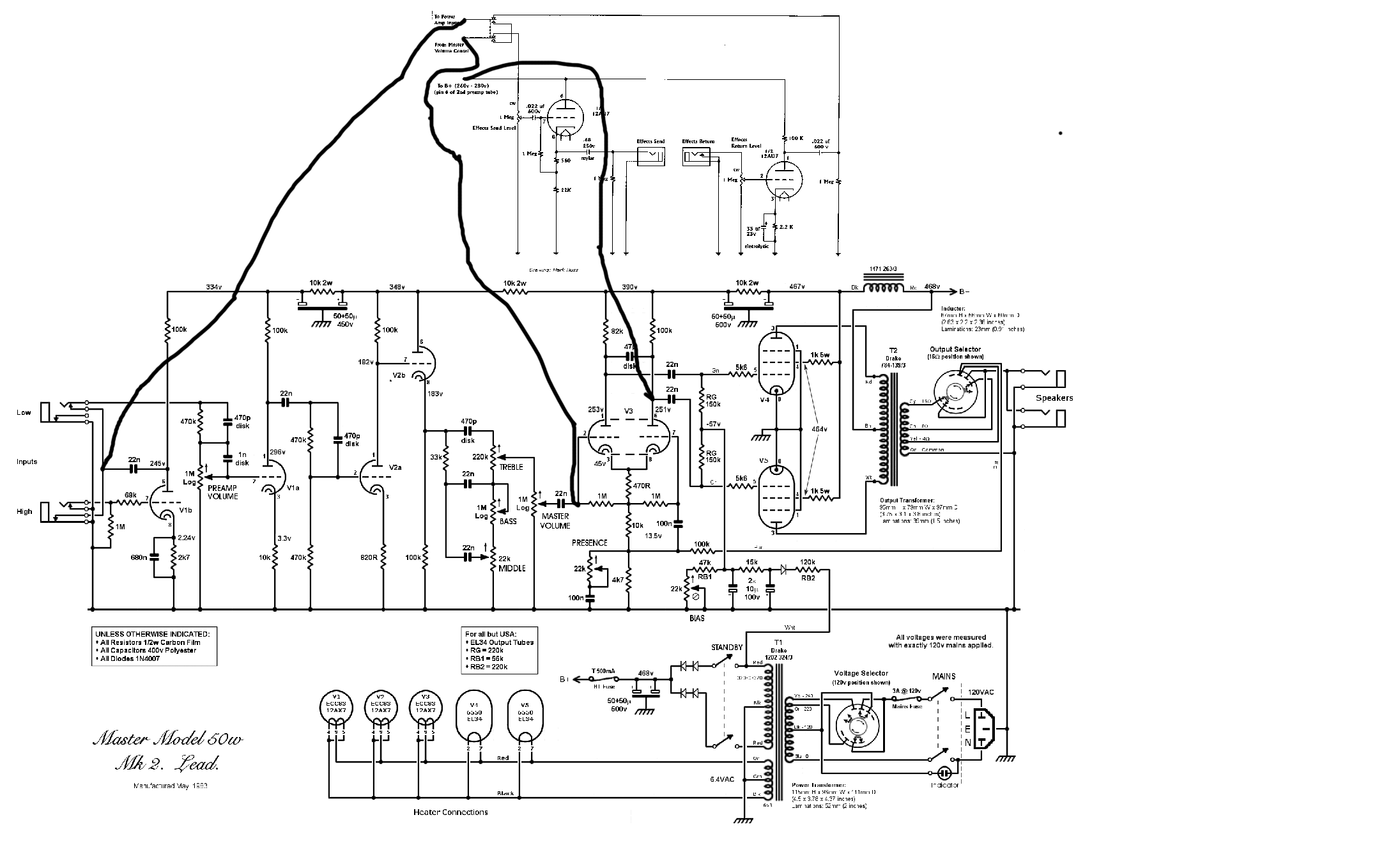
Ciao a tutti sono un nuovo inscritto , devo fare due loop fx , uno che penso sia il più semplice per il jcm 800 2204 autocostruito e l'altro non sò se posso usare lo stesso progetto per un orange ad30tc originale non clone.... chi mi può aiutare ? ho uno schema riesco a realizzarlo facilmente ma ho dei dubbi sul cablaggio , nel senso dove devo interrompere o mettere in parallelo il circuito . Aspetto notizie da qualcuno che ne sappia più di me.... http://www.diyitalia.eu/forum/posting.p ... =post&f=39# grazie a tutti ciaoo
p.s la mia mail è oissela1975@hotmail.com
p.s la mia mail è oissela1975@hotmail.com
Re: Loop Fx per 2204 e orange ad30tc chi mi aiuta ????
feeeeermo. che confusione... il loop effetti va messo tra il preamp e il finale.
quindi il pin "from master" lo prendi dal centrale del master volume (prima del cap da 22n e non dopo)
from amp input invece va preso dall'ingresso dell'ampli inteso come finale di potenza (che include la phase inverter)
e quindi va messo sul cap da 22n (sul lato che va al pot del master)
in pratica devi spezzare il segnale tra pot e cap da 22n e inserire li mezzo illoop (se vedi nello schema lo switch è impostato come un true bypass in modo tale da non modificare assolutamente l'ampli nel caso in cui non usi il loop)
se vuoi ho fatto e testato una pcb di questo loop. però ti ocnsiglio vivamente di culturizzarti maggiormente prima di mettere mano all'ampli.
PS. b+ la devi prendere dal capo della resistenza da 2W che va ai 334V
non puoi prendere l'anodica a c**** dall'anodo di una valvola
quindi il pin "from master" lo prendi dal centrale del master volume (prima del cap da 22n e non dopo)
from amp input invece va preso dall'ingresso dell'ampli inteso come finale di potenza (che include la phase inverter)
e quindi va messo sul cap da 22n (sul lato che va al pot del master)
in pratica devi spezzare il segnale tra pot e cap da 22n e inserire li mezzo illoop (se vedi nello schema lo switch è impostato come un true bypass in modo tale da non modificare assolutamente l'ampli nel caso in cui non usi il loop)
se vuoi ho fatto e testato una pcb di questo loop. però ti ocnsiglio vivamente di culturizzarti maggiormente prima di mettere mano all'ampli.
PS. b+ la devi prendere dal capo della resistenza da 2W che va ai 334V
non puoi prendere l'anodica a c**** dall'anodo di una valvola
-
oisselatool
- Diyer Esperto

- Messaggi: 323
- Iscritto il: 24/09/2011, 21:36
Re: Loop Fx per 2204 e orange ad30tc chi mi aiuta ????
Ciaooo, innanzi tutto grazie mille per avermi risposto ,ora ti spiego l'ampli è un clone costruito da me sulle basi del layout di ceriatone, non ho molte nozioni d'elettronica ma giusto il minimo per riuscire a fare sti copia incolla :) .... quindi alla fine devo far passare il segnale fra il master ed il condensatore , in serie quindi devo aprire il circuito che poi verrebbe richiuso dal dpdt e invecie l'anodica la prendo dalla prima valvola ( nello schema che ho scaricato c'era scritto pin 6 of 2nd preamp tube la tensione indicata è 260-280 V ???) Comunque sia guarda se è giusto così come ho disegnato adesso ?visto che ci sono ti faccio ancora una domanda ho sentito parlare di una modifica semplice semplice per aumentare il gain, basta mettere una resistenza in parallelo a quella che manda al catodo V1 che penso sia quella del piedino 3 della prima valvola posso mettere uno switc con una resistenza in parallelo all'altra o l'attivazione e la disattivazione di questa resistenza in parallelo quando l'almpli è acceso può provocare dei danni ? perchè potrebbe essere interessante come modifica e servirebbe solo una resistenza ed uno switc o ancora meglio foot switc , fammi sapere grazie ancora ciao
Re: Loop Fx per 2204 e orange ad30tc chi mi aiuta ????
va tutto bene tranne l'anodica, va presa prima della resistenza da 100k
-
oisselatool
- Diyer Esperto

- Messaggi: 323
- Iscritto il: 24/09/2011, 21:36
Re: Loop Fx per 2204 e orange ad30tc chi mi aiuta ????
OK, quindi nei 334 V non aggiungo resistenze e attacco all'anodica il piedino 6 diretto ok ?, e questo send e return lo posso mettere anche nell'orange ad30tc ? la modifica che dicevi la mod shiva bogner dove la trovo ? la devo copiare uguale o ci sono componenti da cambiare ? Scusa se ti faccio tutte ste domande ma una volta che trovo qualcuno che mi spiega qualcosa ne approfitto :) Grazie ancora ciao
Re: Loop Fx per 2204 e orange ad30tc chi mi aiuta ????
se ti serve una mano aggiungimi su facebook, mi trovi come francesco filiano tucci... si la 334 vadirettamente al pin 6 perchè è un chatode follower per usare la valvola come buffer
http://www.fennecelectronics.it/smf/ind ... ttach=8667 QUESTA è LA MOD SHIVA.
non so se la trasparenza del loop sul jcm800 dipende dal fatto che è impostato per mantenere il suono del jcm800 o perchè è proprio trasparente il loop
http://www.fennecelectronics.it/smf/ind ... ttach=8667 QUESTA è LA MOD SHIVA.
non so se la trasparenza del loop sul jcm800 dipende dal fatto che è impostato per mantenere il suono del jcm800 o perchè è proprio trasparente il loop
-
oisselatool
- Diyer Esperto

- Messaggi: 323
- Iscritto il: 24/09/2011, 21:36
Re: Loop Fx per 2204 e orange ad30tc chi mi aiuta ????
Mi sono registrato su fennec ma ancora non posso vedere la modifica.... poi ti ho inviato la richiesta d'amicizia su fb, ho trovato sul web anche questa modifica è la stessa della tua ?
-
oisselatool
- Diyer Esperto

- Messaggi: 323
- Iscritto il: 24/09/2011, 21:36
Re: Loop Fx per 2204 e orange ad30tc chi mi aiuta ????
Mi sono registrato su fennec ma ancora non posso vedere la modifica devo aspettare che mi diano l'accesso .... poi ti ho inviato la richiesta d'amicizia su fb, ho trovato sul web anche questa modifica è la stessa della tua ?
Re: Loop Fx per 2204 e orange ad30tc chi mi aiuta ????
si, è la stessa
-
oisselatool
- Diyer Esperto

- Messaggi: 323
- Iscritto il: 24/09/2011, 21:36
Re: Loop Fx per 2204 e orange ad30tc chi mi aiuta ????
Ciao sto ordinando i condesatori che mi mancano e poi provvedo all'intervento :) secondo te sto send e return va bene anche per l'orange ad30tc il due canali ? perchè se va bene ordino la roba doppia .... volevo farlo mettere un send e return ma mi hanno chiesto 250 euro !!! Diciamo il il jcm 800 l'ho fatto io e se si rompe qualcosa mi girano comunque la scatole ma mai come all'orange ...costano un botto sti ampli ... ma se la modifica è sicura la faccio anche a quello , non lo uso mai per via del send e retun ... fammi sapere grazie ciao
Re: Loop Fx per 2204 e orange ad30tc chi mi aiuta ????
ad andare bene va bene. però non posso assicurarti che non cambi un po il timbro.
Re: Loop Fx per 2204 e orange ad30tc chi mi aiuta ????
comunque se non sbaglio l'orange ha l'fx loop passivo.
se è così puoi fare il loop effetti attivo esterno (in quanto il loop effetti passivo spezza il preamp e il finale)
in modo che non tocchi l'ampli
se è così puoi fare il loop effetti attivo esterno (in quanto il loop effetti passivo spezza il preamp e il finale)
in modo che non tocchi l'ampli
-
oisselatool
- Diyer Esperto

- Messaggi: 323
- Iscritto il: 24/09/2011, 21:36
Re: Loop Fx per 2204 e orange ad30tc chi mi aiuta ????
In che senso ha l'fx passivo ? intendi negli altri modelli ? e quindi come dovrei fare diciamo che se non tocco l'almpli internamente e meglio per il discorso che perderebbe valore in quanto verrebbe modificato .... comunque sia adesso m'interessa il risultato finale , e dove adrebbe messo il loop passivo ? hai degli schemi per caso ?
Re: Loop Fx per 2204 e orange ad30tc chi mi aiuta ????
devi spezzare l'uscita del preamp dalla PI ma nell'orange è un po più complicato trovare il punto
comunqeu sia l'fxloop passivo è costituito da due jack. uno a cui arriva l'uscita del preamp e uno che va al finale.
di solito si usano jack switched in modo tale che quando non c'è nessun jack inserito nel loop passivo stanno in corto e l'ampli funziona normalmente.
il loop passivo è quindi una semplice interruzione. avevi ragione sull'ad30 non c'è.
se devi inserire effetti come il g major che accetta benissimo tensioni di un preamp puoi metterlo in un loop passivo, ma ase vuoi mettere dei pedali ci vuole uno stadio che abbassi la tensione e abbassi l'impedenza di uscita - send - pedale - return - stadio che recupera la tensione che hai abbassato- PI e finale
comunqeu sia l'fxloop passivo è costituito da due jack. uno a cui arriva l'uscita del preamp e uno che va al finale.
di solito si usano jack switched in modo tale che quando non c'è nessun jack inserito nel loop passivo stanno in corto e l'ampli funziona normalmente.
il loop passivo è quindi una semplice interruzione. avevi ragione sull'ad30 non c'è.
se devi inserire effetti come il g major che accetta benissimo tensioni di un preamp puoi metterlo in un loop passivo, ma ase vuoi mettere dei pedali ci vuole uno stadio che abbassi la tensione e abbassi l'impedenza di uscita - send - pedale - return - stadio che recupera la tensione che hai abbassato- PI e finale
-
oisselatool
- Diyer Esperto

- Messaggi: 323
- Iscritto il: 24/09/2011, 21:36
Re: Loop Fx per 2204 e orange ad30tc chi mi aiuta ????
ok adesso cerco uno schema, il principio è quello usato nel jcm 800 quando individuo quel condesatore metto il loop nella stessa posizione giusto ? Alla fine non ho capito se il loop passivo non va bene ? io uso dei pedalini della boss delay e chorus penso che se gli arrivi una tensione troppo alta ci sia il rischio di bruciarli ....non andrebbe bene uno come quello del jcm 800 ?
