Gem Super Deluxe 50 R - Cerco Schema
- Kagliostro
- Amministratore

- Messaggi: 9958
- Iscritto il: 03/12/2007, 0:16
- Località: Prov. di Treviso
Gem Super Deluxe 50 R - Cerco Schema
Ho visto che qui sul forum tempo addietro si è parlato di questo ampli e visto che oggi ad un mercatino ne ho preso uno, sarei interessato allo schema, sempre che qualcuno, tra il post di qualche anno fa ed oggi l'abbia recuperato
Grazie per l'eventuale aiuto
Kagliostro
Grazie per l'eventuale aiuto
Kagliostro
Re: Gem Super Deluxe 50 R - Cerco Schema
Immagino sia su torrette perciò non dovrebbe essere complicatissimo tracciare uno schema.
- Kagliostro
- Amministratore

- Messaggi: 9958
- Iscritto il: 03/12/2007, 0:16
- Località: Prov. di Treviso
Re: Gem Super Deluxe 50 R - Cerco Schema
Non esattamente ....................Immagino sia su torrette perciò non dovrebbe essere complicatissimo tracciare uno schema
Ciao
Kagliostro
Re: Gem Super Deluxe 50 R - Cerco Schema
Così è ancora più facile anche se però ci vorrà un po' di tempo.
Che problemi ti da? O vuoi semplicemente modificarlo?
Che problemi ti da? O vuoi semplicemente modificarlo?
- Kagliostro
- Amministratore

- Messaggi: 9958
- Iscritto il: 03/12/2007, 0:16
- Località: Prov. di Treviso
Re: Gem Super Deluxe 50 R - Cerco Schema
Ci sono un paio di fili del trasformatore di alimentazione che hanno avuto l'attenzione di qualche roditore, quindi necessita che ci metta mano
in più vi sono segni di saldature fatte di recente e la connessione dell'uscita per le casse è stata manomessa in malo modo
a dire la verità non mi piacciono molto i montaggi PTP con le masse saldate direttamente sullo chassis e sto pensando a rifare tutto su Turret
Certo lo schema lo posso rilevare e trascrivere (
), ma trovarlo già pronto è tutta un'altra cosa .........
Ciao
Kagliostro
in più vi sono segni di saldature fatte di recente e la connessione dell'uscita per le casse è stata manomessa in malo modo
a dire la verità non mi piacciono molto i montaggi PTP con le masse saldate direttamente sullo chassis e sto pensando a rifare tutto su Turret
Certo lo schema lo posso rilevare e trascrivere (
Ciao
Kagliostro
Re: Gem Super Deluxe 50 R - Cerco Schema
Ciao Kaglio,
ho trovato un tuo vecchio thread in cui dici che è uguale a questo eko:
http://www.guitariste.com/forums/amplif ... 77,10.html
qui ci sono alimentazione:
http://img208.imageshack.us/img208/1710 ... powid9.jpg
canale 1:
http://img198.imageshack.us/img198/6094 ... ticcha.jpg
e canale 2:
http://img120.imageshack.us/img120/5593 ... chaao4.jpg
Non corrisponde con l'ampli che hai sotto mano?
ho trovato un tuo vecchio thread in cui dici che è uguale a questo eko:
http://www.guitariste.com/forums/amplif ... 77,10.html
qui ci sono alimentazione:
http://img208.imageshack.us/img208/1710 ... powid9.jpg
canale 1:
http://img198.imageshack.us/img198/6094 ... ticcha.jpg
e canale 2:
http://img120.imageshack.us/img120/5593 ... chaao4.jpg
Non corrisponde con l'ampli che hai sotto mano?
- Kagliostro
- Amministratore

- Messaggi: 9958
- Iscritto il: 03/12/2007, 0:16
- Località: Prov. di Treviso
Re: Gem Super Deluxe 50 R - Cerco Schema
Ciao Robi
all'epoca del vecchio tread che hai trovato stavo cercando lo schema per un amico finlandese che frequenta lo stesso forum americano dove "bazzico" di solito
adesso che ho il mio Gem, ho potuto subito vedere che l' EKO Viscount monta un pentodo per pilotare il riverbero, mentre il GEM ha una 6dr7 che è un doppio triodo, quindi, come mi era stato indicato (ed anche confermato dall'amico finlandese) i due schemi saranno anche molto simili, ma non sono la stessa cosa
mi sa proprio che mi dovrò armare di pazienza e se voglio lo schema del GEM dovrò fare del reverse engineering, e non mi sento tanto portato in tal senso, rischio di aggiungere ad eventuali problemi di interventi fatti male da qualcuno, i miei errori di trascrizione dello schema
Comunque sono deciso ad avere lo schema in un modo o nell'altro, anche a costo di dovermelo trascrivere resistenza per resistenza
Kagliostro
all'epoca del vecchio tread che hai trovato stavo cercando lo schema per un amico finlandese che frequenta lo stesso forum americano dove "bazzico" di solito
adesso che ho il mio Gem, ho potuto subito vedere che l' EKO Viscount monta un pentodo per pilotare il riverbero, mentre il GEM ha una 6dr7 che è un doppio triodo, quindi, come mi era stato indicato (ed anche confermato dall'amico finlandese) i due schemi saranno anche molto simili, ma non sono la stessa cosa
mi sa proprio che mi dovrò armare di pazienza e se voglio lo schema del GEM dovrò fare del reverse engineering, e non mi sento tanto portato in tal senso, rischio di aggiungere ad eventuali problemi di interventi fatti male da qualcuno, i miei errori di trascrizione dello schema
Comunque sono deciso ad avere lo schema in un modo o nell'altro, anche a costo di dovermelo trascrivere resistenza per resistenza
Kagliostro
Re: Gem Super Deluxe 50 R - Cerco Schema
Mi sembra piuttosto semplice come schema. Se posti immagini di qualità migliore dei vari stadi ti si da una mano.
- Kagliostro
- Amministratore

- Messaggi: 9958
- Iscritto il: 03/12/2007, 0:16
- Località: Prov. di Treviso
Re: Gem Super Deluxe 50 R - Cerco Schema
Ciao Robi
tengo per buona la tua proposta di aiuto, appena ho un po' di tempo cerco di darmi da fare, poi, magari con un'adeguata documentazione, vi chiederò qualche aiuto
Grazie
Kagliostro
p.s.: va da sè che, in ogni caso, una volta avuto lo schema lo metterò a disposizione di tutti
tengo per buona la tua proposta di aiuto, appena ho un po' di tempo cerco di darmi da fare, poi, magari con un'adeguata documentazione, vi chiederò qualche aiuto
Grazie
Kagliostro
p.s.: va da sè che, in ogni caso, una volta avuto lo schema lo metterò a disposizione di tutti
- Kagliostro
- Amministratore

- Messaggi: 9958
- Iscritto il: 03/12/2007, 0:16
- Località: Prov. di Treviso
Re: Gem Super Deluxe 50 R - Cerco Schema
Non è che per caso qualcuno sa dirmi il valore di questi due condensatori a disco ?
non riesco a trovare da nessuna parte una tabella con il codice dei colori di condensatori fatti come questi (ammesso che condensatori siano .......
)
Grazie
Kagliostro
non riesco a trovare da nessuna parte una tabella con il codice dei colori di condensatori fatti come questi (ammesso che condensatori siano .......
Grazie
Kagliostro
Re: Gem Super Deluxe 50 R - Cerco Schema
Immagino che non abbia un capacimetro.
- Kagliostro
- Amministratore

- Messaggi: 9958
- Iscritto il: 03/12/2007, 0:16
- Località: Prov. di Treviso
Re: Gem Super Deluxe 50 R - Cerco Schema
Si il capacimetro c'è, ma visto lo stato di tutto ciò che ho misurato con il tester (di molto o moltissimo fuori dal valore nominale)
ammesso che fossero condensatori non potrei essere sicuro del loro valore effettivo (quello del codice che non so leggere)
pare comunque che siano dei varistor, come usato anche dalla Magnatone (nel vibrato) in alcuni modelli, ad esempio il 260a
la qual cosa significa che non si può replicare il circuito ex novo, i vecchi varistor non sono più disponibili ed a detta di alcuni esperti i varistor moderni hanno caratteristiche intrinseche diverse
per cui rifare pari pari il GEM Super Deluxe non si può a meno di non riutilizzare i vecchi componenti che magari ti possono lasciare sul più bello ..................
Kagliostro
p.s.: sto andando avanti a disegnare lo schema, quando avrò finito lo posto e spero nel vostro aiuto per rilevare eventuali errori
ammesso che fossero condensatori non potrei essere sicuro del loro valore effettivo (quello del codice che non so leggere)
pare comunque che siano dei varistor, come usato anche dalla Magnatone (nel vibrato) in alcuni modelli, ad esempio il 260a
la qual cosa significa che non si può replicare il circuito ex novo, i vecchi varistor non sono più disponibili ed a detta di alcuni esperti i varistor moderni hanno caratteristiche intrinseche diverse
per cui rifare pari pari il GEM Super Deluxe non si può a meno di non riutilizzare i vecchi componenti che magari ti possono lasciare sul più bello ..................
Kagliostro
p.s.: sto andando avanti a disegnare lo schema, quando avrò finito lo posto e spero nel vostro aiuto per rilevare eventuali errori
Re: Gem Super Deluxe 50 R - Cerco Schema
Anche a me sembrano varistori.
I vecchi varistori erano fatti di Carburo di Silicio, invece degli attuali ad Ossido di Zinco.
In questa immagine vedi la differenza di risposta dei due:

Come puoi vedere i vecchi varistori avevano una risposta più graduale, ma puoi ottenere qualcosa di simile con un diodo ed una resistenza in serie (o meglio una coppia di questi due, messi a 69), a cavallo del segnale. Otterrai quindi passaggio di corrente solo quando il diodo entrerà in conduzione, e a corrente è proporzionale alla resistenza in serie.
Ovviamente la tensione di soglia è determinata dal led, e la corrente dalla resistenza.
I vecchi varistori erano fatti di Carburo di Silicio, invece degli attuali ad Ossido di Zinco.
In questa immagine vedi la differenza di risposta dei due:

Come puoi vedere i vecchi varistori avevano una risposta più graduale, ma puoi ottenere qualcosa di simile con un diodo ed una resistenza in serie (o meglio una coppia di questi due, messi a 69), a cavallo del segnale. Otterrai quindi passaggio di corrente solo quando il diodo entrerà in conduzione, e a corrente è proporzionale alla resistenza in serie.
Ovviamente la tensione di soglia è determinata dal led, e la corrente dalla resistenza.
- Kagliostro
- Amministratore

- Messaggi: 9958
- Iscritto il: 03/12/2007, 0:16
- Località: Prov. di Treviso
Re: Gem Super Deluxe 50 R - Cerco Schema
Ciao Robi
Grazie per le preziose info
(mi studio un po' le tue istruzioni e poi vedo di postare lo schema con la mod, per vedere se ho capito giusto quello che proponi)
sarebbe bello poter mantenere funzionante questo tipo di Vibrato, il vibrato dei Magnatone ottenuto con i Varistor pare avere un folto stuolo di sostenitori, solo che il problema, come hai evidenziato, anche con le curve di risposta, è che quelli moderni sono tutta un'altra cosa, speriamo che in qualche modo quelli vecchi si possano "degnamente" emulare con altri componenti reperibili
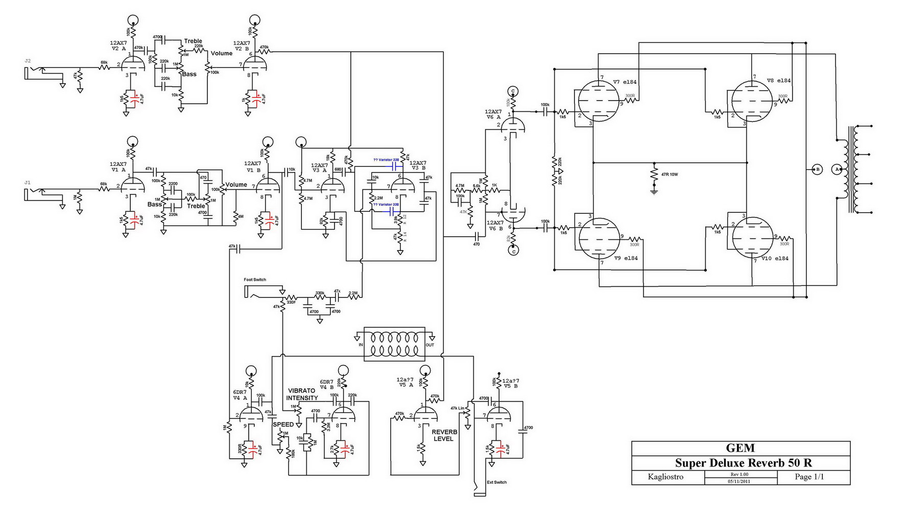
come promesso posto lo schema disegnato fino ad adesso
i condensatori in rosso quasi sicuramente non fanno parte del circuito originale e sono stati aggiunti da qualcuno
dovrebbero mancare solo il circuitino Anti Hum e la parte Power Supply
Spero che qualcuno mi vorrà dare una mano controllando se ci sono errori
(è il primo reverse engineering serio che faccio e per mè è stata una faticaccia)
Mi auguro che gli appassionati di vecchi ampli italiani apprezzino il tentativo
Grazie per qualunque aiuto e collaborazione
Kagliostro
p.s.: pare che dell' EKO Viscount non ci sia moltissimo, anche se così mi era stato accreditato
Grazie per le preziose info
(mi studio un po' le tue istruzioni e poi vedo di postare lo schema con la mod, per vedere se ho capito giusto quello che proponi)
sarebbe bello poter mantenere funzionante questo tipo di Vibrato, il vibrato dei Magnatone ottenuto con i Varistor pare avere un folto stuolo di sostenitori, solo che il problema, come hai evidenziato, anche con le curve di risposta, è che quelli moderni sono tutta un'altra cosa, speriamo che in qualche modo quelli vecchi si possano "degnamente" emulare con altri componenti reperibili
come promesso posto lo schema disegnato fino ad adesso
i condensatori in rosso quasi sicuramente non fanno parte del circuito originale e sono stati aggiunti da qualcuno
dovrebbero mancare solo il circuitino Anti Hum e la parte Power Supply
Spero che qualcuno mi vorrà dare una mano controllando se ci sono errori
(è il primo reverse engineering serio che faccio e per mè è stata una faticaccia)
Mi auguro che gli appassionati di vecchi ampli italiani apprezzino il tentativo
Grazie per qualunque aiuto e collaborazione
Kagliostro
p.s.: pare che dell' EKO Viscount non ci sia moltissimo, anche se così mi era stato accreditato
- Allegati
-
- GEM Super Deluxe Reverb 50 R.pdf
- (73.53 KiB) Scaricato 409 volte
Re: Gem Super Deluxe 50 R - Cerco Schema
Ciao, ti consiglio di uniformare i valori dei condensatori a pF nF e uF (pico nano micro).
Lo schema risulterà molto più leggibile. Inoltre se possibile includere le tensioni, così che sia più semplice controllare che lo schema sia corretto.
Mi sembra a grandi linee giusto, a parte V3a e b che non ho visto polarizzata così.
Lo schema risulterà molto più leggibile. Inoltre se possibile includere le tensioni, così che sia più semplice controllare che lo schema sia corretto.
Mi sembra a grandi linee giusto, a parte V3a e b che non ho visto polarizzata così.

