Sostieni il forum con una donazione! Il tuo contributo ci aiuterà a rimanere online!
Immagine

Domanda su cathode follower e tone stack

Discussioni di carattere generale sugli amplificatori valvolari...
Rispondi
johnnyl
Diyer
Diyer
Messaggi: 202
Iscritto il: 20/02/2008, 14:12

Domanda su cathode follower e tone stack

Messaggio da johnnyl » 01/02/2013, 16:28

É ormai parecchio che mi chiedo una cosa...
Leggendo in giro per la rete i vari articoli al riguardo, si evince che il cathode follower é un buffer che serve per "pilotare" uno stadio successivo che necessiti di molta corrente, come ad esempio un tone stack; dal punto di vista sonoro mi pare di aver capito che in prima approssimazione la risposta dell' ampli diventi piú "morbida" rispetto allo stesso ampli con tone stack alimentato dall' anodo dell' ultima valvola di pre...
Avendo piú volte pensato ad un progetto con un pre JCM 800 ma con solo i comandi tone/volume stile 18 watt/5E3 mi sono spesso chiesto: ha senso usare un cathode follower anche prima di tali controlli, che non sono un vero e proprio tone stack, ma piuttosto delle specie di "limitatori" di frequenze (se mi si passa la definizione :face_green: )?
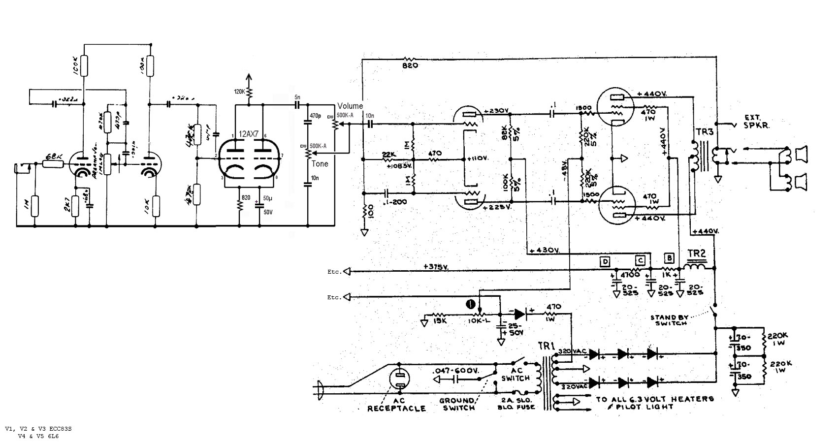
Questa domanda mi é tornata ancora una volta in mente perché tra i vari pre da abbinare al mio attuale progetto con finale Bandmaster (vedi discussione apposita) ho per la prima volta valutato di utilizzare appunto quell' idea (vedi allegato qua sotto).
Tra l' altro non sarei neanche sicuro riguardo il valore del condensatore contrassegnato dal punto di domanda nello schema...
Allegati
gtvschem.jpg

Avatar utente
robi
Amministratore
Amministratore
Messaggi: 9762
Iscritto il: 17/12/2006, 13:57
Località: Alba

Re: Domanda su cathode follower e tone stack

Messaggio da robi » 01/02/2013, 21:50

Ti rispondo con una domanda: che impedenza ha il sistema di toni che vuoi usare?

johnnyl
Diyer
Diyer
Messaggi: 202
Iscritto il: 20/02/2008, 14:12

Re: Domanda su cathode follower e tone stack

Messaggio da johnnyl » 02/02/2013, 21:18

Scusa per il ritardo nel rispondere...

Purtroppo devo ammettere la mia ignoranza: so che il cathode follower si usa per abbassare l'impedenza, ma non ho idea riguardo l'impedenza di questo sistema di toni...

Avatar utente
jimmy_ver2.0
Diyer Eroe
Diyer Eroe
Messaggi: 527
Iscritto il: 16/12/2010, 13:09
Località: Perugia

Re: Domanda su cathode follower e tone stack

Messaggio da jimmy_ver2.0 » 04/02/2013, 12:45

Primo consiglio: cerca "impedenza tonestack" su google o su questo sito e fatti un po' di cultura.

Secondo consiglio: scarica "tone stack calculator" e vedi come variano le risposte in frequenza dei tonestack se cambi l'impedenza di sorgente. Consideta che 3dB di attenuazione sono metà della potenza in meno.

johnnyl
Diyer
Diyer
Messaggi: 202
Iscritto il: 20/02/2008, 14:12

Re: Domanda su cathode follower e tone stack

Messaggio da johnnyl » 04/02/2013, 13:46

Grazie!

Qui faccio un´altra figura di m... : Tone Stack Calculator ce l´ho, peró non sono sicuro di come cambiare l´impedenza di sorgente, é la variabile "Zsrc" (che chiama "resistenza di sorgente")?
Purtroppo tra l´altro il programma non ha il tone/volume stile 18 watt/5E3 tra i tone stack disponibili...

Per quel che riguarda il primo consiglio sto eseguendo! :numb1:

johnnyl
Diyer
Diyer
Messaggi: 202
Iscritto il: 20/02/2008, 14:12

Re: Domanda su cathode follower e tone stack

Messaggio da johnnyl » 04/02/2013, 13:51

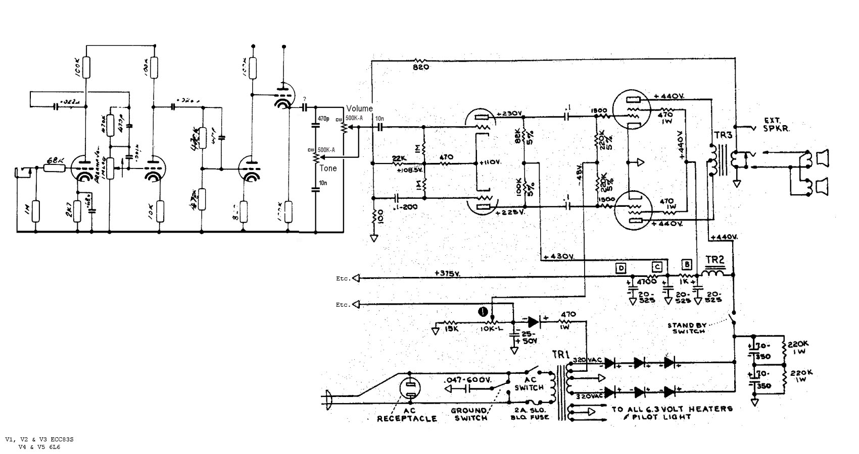
Dimenticavo: l´alternativa che avevo in mente sarebbe stata eventualmente quella di "collegare" direttamente i primi due gain stage del JCM 800 al pre del Lite, come nello schema allegato qua sotto.
Allegati
gtvschemb.jpg

Avatar utente
jimmy_ver2.0
Diyer Eroe
Diyer Eroe
Messaggi: 527
Iscritto il: 16/12/2010, 13:09
Località: Perugia

Re: Domanda su cathode follower e tone stack

Messaggio da jimmy_ver2.0 » 04/02/2013, 16:09

fai doppio click su Zsrc e ti fa cambiare il valore.
Guarda cosa succede al variare di quel valore.

johnnyl
Diyer
Diyer
Messaggi: 202
Iscritto il: 20/02/2008, 14:12

Re: Domanda su cathode follower e tone stack

Messaggio da johnnyl » 05/02/2013, 14:02

Fatto, la cosa che balza all´occhio é che inserendo valori di Zsrc che il programma associa ai pre con cathode follower (1,3k) si riduce sensibilmente la perdita di segnale...
Tra l´altro ho notato che tra i tone stack disponibili c´é anche uno chiamato "E Series" che é quello dei Fender "tweed" pre-tone stack classico, tipo il 5E7 Bandmaster (allego lo schema qua sotto), e che si avvicina giá piú al classico tone/volume del 5E3...
Peró ammetto che nonostante questo, e nonostante le letture al riguardo che mi sono fatto in giro per la rete (e che mi hanno fatto capire decisamente meglio il perché dell´utilizzo e gli effetti del cathode follower), continuo a non essere sicuro riguardo al perché la Fender ad esempio non abbia usato il cathode follower nel 5E3 e l´abbia invece usato nel 5E7... In quest´ultimo hanno solo aggiunto un altro "filtro/limitatore" per controllare meglio i bassi, no? Forse semplicemente perché volevano evitare di aggiungere un´altra valvola?
(Spero di non averne appena sparata un´altra... :face_green: )
Allegati
bandmaster_5e7_schem.gif

johnnyl
Diyer
Diyer
Messaggi: 202
Iscritto il: 20/02/2008, 14:12

Re: Domanda su cathode follower e tone stack

Messaggio da johnnyl » 05/02/2013, 15:33

Mi é venuta in mente un´altra cosa: ho provato ad "isolare" il solo controllo "treble" (usando i valori del controllo "tone" del 18 watt, che vorrei utilizzare) del tone stack "E Series" nel programma immettendo un valore molto basso per C3 ed uno molto alto per R5... In questo modo il controllo "bass" é praticamente ininfluente. Con mia sorpresa utilizzando un valore da 1,3k per Zsrc invece di guadagnare segnale ne perdo.
Allego i grafici "sweep" con dati relativi ai settaggi minimo, metá e massimo con cathode follower (sopra) e senza (sotto).
(Spero che 38k sia il valore giusto da usare per la versione senza CF...)
Allegati
conCF.jpg
senzaCF.jpg

Avatar utente
jimmy_ver2.0
Diyer Eroe
Diyer Eroe
Messaggi: 527
Iscritto il: 16/12/2010, 13:09
Località: Perugia

Re: Domanda su cathode follower e tone stack

Messaggio da jimmy_ver2.0 » 05/02/2013, 17:43

nel tuo ragionamento c'è un errore di fondo:
non puoi cambiare 100K con 10M e pensare di avere lo stesso tonestack.

johnnyl
Diyer
Diyer
Messaggi: 202
Iscritto il: 20/02/2008, 14:12

Re: Domanda su cathode follower e tone stack

Messaggio da johnnyl » 05/02/2013, 17:50

No, ma infatti io non volevo avere lo stesso tone stack (del 5E7): "neutralizzando" il comando dei bassi cercavo di arrivare dalle parti dell´altro tone stack, quello che prevede solo il comando "tone" stile 18 watt/5E3, dal momento che in TSC non c´é...

Rispondi