Cercasi vecchio schema per posizionare led in un ampli
- Fix_Metal
- Braccio destro di Roger Mayer

- Messaggi: 1955
- Iscritto il: 28/07/2008, 3:44
- Località: Bergamo
- Contatta:
Cercasi vecchio schema per posizionare led in un ampli
Ciao a tutti. Ricordo benissimo di aver visto in passato uno schema in cui venivano documentati alcuni punti salienti dove poter inserire dei led, all'interno di un amp, ed il loro consumo in termini di headroom. Credo di averlo visto sul forum, ma non so più trovarlo.
Qualcuno se lo ricorda?
Qualcuno se lo ricorda?
Re: Cercasi vecchio schema per posizionare led in un ampli
Cosa intendi?Fix_Metal ha scritto:il loro consumo in termini di headroom
- Kagliostro
- Amministratore

- Messaggi: 9958
- Iscritto il: 03/12/2007, 0:16
- Località: Prov. di Treviso
- Fix_Metal
- Braccio destro di Roger Mayer

- Messaggi: 1955
- Iscritto il: 28/07/2008, 3:44
- Località: Bergamo
- Contatta:
Re: Cercasi vecchio schema per posizionare led in un ampli
Proprio questo!!
- Kagliostro
- Amministratore

- Messaggi: 9958
- Iscritto il: 03/12/2007, 0:16
- Località: Prov. di Treviso
Re: Cercasi vecchio schema per posizionare led in un ampli
Oggi stavo guardando tutto un'altro soggetto, un progettino per un faretto a LED IR per illuminazione notturna da usare per una telecamera di sorveglianza, e guardando questa tabella di riferimento
http://www.pcboard.ca/kits/leds/5mm.html
mi è venuta una strana idea, come associazione di idee ho messo assieme lo schema di riferimento di Blencowe per l'utilizzo in vari punti dell'ampli dei LED ed i led autocangianti, quelli che da soli si autocommutano su diversi colori
partendo dal presupposto che ogni colore dovrebbe avere un livello di tensione diverso e pensando ad un utilizzo tipo quello al posto di un catode resistor (ma non solo quello) chissà se si potrebbe tirarne fuori un qualche effetto particolare ???
K
http://www.pcboard.ca/kits/leds/5mm.html
mi è venuta una strana idea, come associazione di idee ho messo assieme lo schema di riferimento di Blencowe per l'utilizzo in vari punti dell'ampli dei LED ed i led autocangianti, quelli che da soli si autocommutano su diversi colori
partendo dal presupposto che ogni colore dovrebbe avere un livello di tensione diverso e pensando ad un utilizzo tipo quello al posto di un catode resistor (ma non solo quello) chissà se si potrebbe tirarne fuori un qualche effetto particolare ???
K
- Fix_Metal
- Braccio destro di Roger Mayer

- Messaggi: 1955
- Iscritto il: 28/07/2008, 3:44
- Località: Bergamo
- Contatta:
Re: Cercasi vecchio schema per posizionare led in un ampli
Per mia esperienza, quelli che cambiano colore in automatico hanno un circuito oscillante all'interno che inietta rumore in frequenza audio.
Quelli RGB con selezione della tensione, di certo non hanno questo problema. Cmq l'idea è carina
Quelli RGB con selezione della tensione, di certo non hanno questo problema. Cmq l'idea è carina
- Kagliostro
- Amministratore

- Messaggi: 9958
- Iscritto il: 03/12/2007, 0:16
- Località: Prov. di Treviso
Re: Cercasi vecchio schema per posizionare led in un ampli
Beh, allora non se ne può fare niente, se quelli automatici danno problemi di rumore, niente da fare
e per gli altri, idem, tanto non è lo spazio che manca, quindi invece di uno da tre colori (non automatico) se ne mettono 3 di diverso colore (se la commutazione siamo noi a doverla fare)
Pazienza, vorrà dire che la fusione fredda la inventiamo la settimana prossima
Ciao
K
e per gli altri, idem, tanto non è lo spazio che manca, quindi invece di uno da tre colori (non automatico) se ne mettono 3 di diverso colore (se la commutazione siamo noi a doverla fare)
Pazienza, vorrà dire che la fusione fredda la inventiamo la settimana prossima
Ciao
K
- Fix_Metal
- Braccio destro di Roger Mayer

- Messaggi: 1955
- Iscritto il: 28/07/2008, 3:44
- Località: Bergamo
- Contatta:
Re: Cercasi vecchio schema per posizionare led in un ampli
L'unico problema è come farli uscire! Forse ci passano fra lo spazio chassis-valvola, bo...kagliostro ha scritto: e per gli altri, idem, tanto non è lo spazio che manca
Pazienza, vorrà dire che la fusione fredda la inventiamo la settimana prossima![]()
Massì, io ho qui una calotta di trasformatore, qualche campioncino di profumi vari e un paio di viti. Ce la si fa egregiamente, Mc Gyver permettendo
- Kagliostro
- Amministratore

- Messaggi: 9958
- Iscritto il: 03/12/2007, 0:16
- Località: Prov. di Treviso
Re: Cercasi vecchio schema per posizionare led in un ampli
Al massimo, mal che ci vada, facciamo un nuovo modello per svapareho qui una calotta di trasformatore, qualche campioncino di profumi vari e un paio di viti.
K
- Fix_Metal
- Braccio destro di Roger Mayer

- Messaggi: 1955
- Iscritto il: 28/07/2008, 3:44
- Località: Bergamo
- Contatta:
Re: Cercasi vecchio schema per posizionare led in un ampli
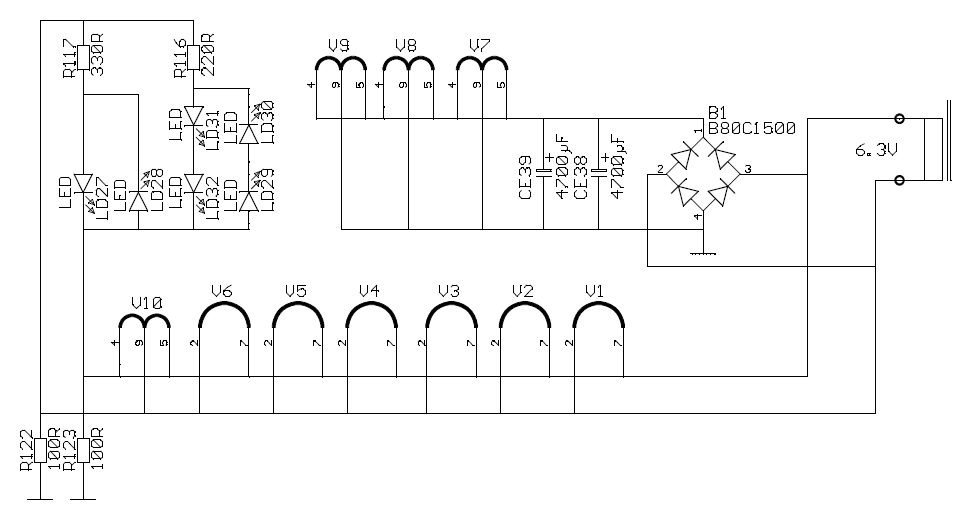
Senza impazzire con l'alta tensione, ecco come engl sembra che faccia nella sua Invader
Re: Cercasi vecchio schema per posizionare led in un ampli
Scusate se vi sembro ignorante....
Ma a cosa diamine servono?!?!
pura estetica o c'è dell'altro?!!?!

Ma a cosa diamine servono?!?!
pura estetica o c'è dell'altro?!!?!
- Fix_Metal
- Braccio destro di Roger Mayer

- Messaggi: 1955
- Iscritto il: 28/07/2008, 3:44
- Località: Bergamo
- Contatta:
Re: Cercasi vecchio schema per posizionare led in un ampli
Fanno suonare l'ampli molto più hot perchè aggiungono calore per irraggiamento alle valvole!mlessio ha scritto:![]()
![]()
Re: Cercasi vecchio schema per posizionare led in un ampli
Mi state prendendo in giro vero?!

- Kagliostro
- Amministratore

- Messaggi: 9958
- Iscritto il: 03/12/2007, 0:16
- Località: Prov. di Treviso
Re: Cercasi vecchio schema per posizionare led in un ampli
Vedi quel bel colorino blu

e qui la stessa cosa all'interno delle 832A ?

senza i led sotto le valvole niente effetti speciali

K

e qui la stessa cosa all'interno delle 832A ?

senza i led sotto le valvole niente effetti speciali

K
Re: Cercasi vecchio schema per posizionare led in un ampli
massì ma sono effetti speciali!!! io speravo fossero a favor di suono!
Questa è solo tamarraggine!!!
Comunque, piccolo OT, cosa mi dite di quei fender che montano 6L6 che si colorano di blu in base all'intensità delle pennate? (parlo delle finali)
Questa è solo tamarraggine!!!
Comunque, piccolo OT, cosa mi dite di quei fender che montano 6L6 che si colorano di blu in base all'intensità delle pennate? (parlo delle finali)
