LITTLE AND BASTARD
LITTLE AND BASTARD
Salve a tutti,
Sono un nuovo utente e mi chiamo DOM.
E' da un pò di tempo che leggo e studio tramite il vostro forum. Grazie ai consigli e agli articoli che rendete pubblici sono arrivato ( tramite le mie misere conoscenze ) a realizzare un piccoletto da 5W single ended. Anche se avete costruito dei "mostri" rispetto a questo quì, mi sembrava giusto condivederlo con tutti.
premessa:
L'idea di base era di riuscire a dare il massimo con un minimo. Mi spiego meglio: poca potenza, poche valvole essenziali, poca spesa, il miglior suono che ci potevo tirare fuori.
...nel mio piccolo credo di esserci riuscito al 90%, dato che suona veramente bene ( ovviamente è solo una mia osservazione. Forse potrebbe suonare molto meglio ).
Sicuramente sono presenti degli errori o delle sviste sia nello schema che nella realizzazione pratica. Mi appello ai vostri consigli ed alle vostre critiche affinche lo si possa migliorare.
Il piccoletto l'ho battezzato LITTLE AND BASTARD ( lo so, lo so che c'è qualcosa che gli somiglia come nome! Ma quando lo scoperto avevo già preparato le targhe! ).
Eccovi alcune foto:
Sono un nuovo utente e mi chiamo DOM.
E' da un pò di tempo che leggo e studio tramite il vostro forum. Grazie ai consigli e agli articoli che rendete pubblici sono arrivato ( tramite le mie misere conoscenze ) a realizzare un piccoletto da 5W single ended. Anche se avete costruito dei "mostri" rispetto a questo quì, mi sembrava giusto condivederlo con tutti.
premessa:
L'idea di base era di riuscire a dare il massimo con un minimo. Mi spiego meglio: poca potenza, poche valvole essenziali, poca spesa, il miglior suono che ci potevo tirare fuori.
...nel mio piccolo credo di esserci riuscito al 90%, dato che suona veramente bene ( ovviamente è solo una mia osservazione. Forse potrebbe suonare molto meglio ).
Sicuramente sono presenti degli errori o delle sviste sia nello schema che nella realizzazione pratica. Mi appello ai vostri consigli ed alle vostre critiche affinche lo si possa migliorare.
Il piccoletto l'ho battezzato LITTLE AND BASTARD ( lo so, lo so che c'è qualcosa che gli somiglia come nome! Ma quando lo scoperto avevo già preparato le targhe! ).
Eccovi alcune foto:
Re: LITTLE AND BASTARD
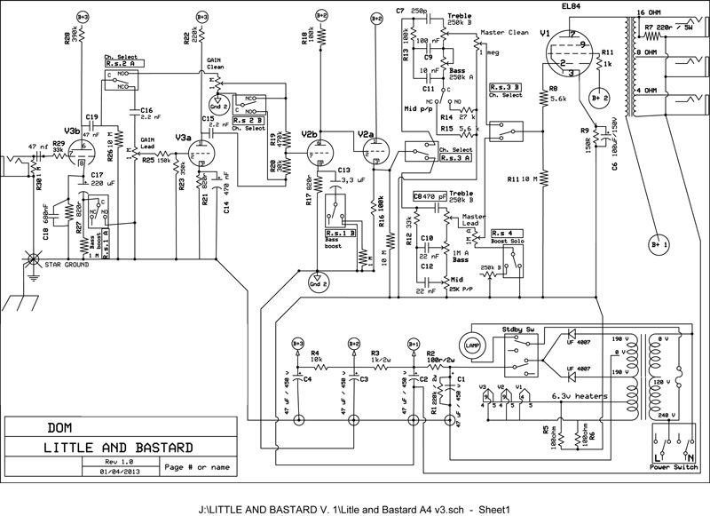
Ed infine schema e progettazione. Spero che sia abbastanza tutto comprensibile :
-
crazyfederic
- Elettrone Impazzito

- Messaggi: 46
- Iscritto il: 07/08/2013, 21:25
Re: LITTLE AND BASTARD
Su cosa ti sei basato? Carichi un video dove ci fai sentire come suona?
Comunque è abbastanza bello esteticamente (io preferisco il classico rivestimento in tolex nero piuttosto che metallico) e sembra fatto bene, poi io non ci capisco praticamente niente quindi lascio parlare qualcuno più esperto di me.
Comunque è abbastanza bello esteticamente (io preferisco il classico rivestimento in tolex nero piuttosto che metallico) e sembra fatto bene, poi io non ci capisco praticamente niente quindi lascio parlare qualcuno più esperto di me.
Re: LITTLE AND BASTARD
Ciao,
Guarda anche a me piace il tolex, ma volevo fare qualcosa di un pò diverso dal solito. Considera che il telaio è completamente in acciaio lucido ( come la maniglia ) mentre lo chassis in alluminio anodizzato rosso spesso 3 mm! ...Adoro il metallo sopratutto l'acciaio !
Su cosa mi sono basato? Bella domanda. All'inizio voleva essere un semplice monocanale stile AX84_Hi-Octane ( infatti se osservi bene l'alimentazione è pressochè identica ), poi mi sono detto: " ma perchè devo fare un clone di qualcosa ?" e ho cercato di realizzare qualcosa con le mie idee. Considerati i limiti di questo piccoletto sono riuscito a tirare fuori un bel Clean e un distorto veramente cattivo da selezionare indipendentemente ( anche se non sono 2 canali separati ).
Francamente non pensavo di riuscire a dargli tutta sta cattiveria, ma dopo scervellamenti e prove su prove sono arrivato a questo.
Per quanto riguarda i sample o il possibile video ho bisogno di un pò di tempo dato che manca un elemento FONDAMENTALE: il chitarrista.
Guarda anche a me piace il tolex, ma volevo fare qualcosa di un pò diverso dal solito. Considera che il telaio è completamente in acciaio lucido ( come la maniglia ) mentre lo chassis in alluminio anodizzato rosso spesso 3 mm! ...Adoro il metallo sopratutto l'acciaio !
Su cosa mi sono basato? Bella domanda. All'inizio voleva essere un semplice monocanale stile AX84_Hi-Octane ( infatti se osservi bene l'alimentazione è pressochè identica ), poi mi sono detto: " ma perchè devo fare un clone di qualcosa ?" e ho cercato di realizzare qualcosa con le mie idee. Considerati i limiti di questo piccoletto sono riuscito a tirare fuori un bel Clean e un distorto veramente cattivo da selezionare indipendentemente ( anche se non sono 2 canali separati ).
Francamente non pensavo di riuscire a dargli tutta sta cattiveria, ma dopo scervellamenti e prove su prove sono arrivato a questo.
Per quanto riguarda i sample o il possibile video ho bisogno di un pò di tempo dato che manca un elemento FONDAMENTALE: il chitarrista.
Re: LITTLE AND BASTARD
...C'è qualcuno che sarebbe disposto a dargli un'occhiata per vedere se ho commesso qualche cavolata ? A suonare suona ( a me piace ), ma vorrei ascoltare chi ne sa più di me per vedere se c'è qualcosa che non va.
- mastrococco
- Garzone di Roger Mayer

- Messaggi: 1361
- Iscritto il: 16/01/2012, 14:13
- Località: Cesena
Re: LITTLE AND BASTARD
Complimenti per il lavoro e grazie di averlo condiviso!
- Kagliostro
- Amministratore

- Messaggi: 9948
- Iscritto il: 03/12/2007, 0:16
- Località: Prov. di Treviso
Re: LITTLE AND BASTARD
Chiedi di dare un'occhiata per vedere se ci sono cavolate
ma non accenni ad avere problemi e dici che l'ampli suona e ti piace
il fatto che a te piaccia è in assoluto (dopo l'essere funzionante) la cosa più importante
Forse intendevi chiedere se c'erano degli aspetti delle tue scelte di progettazione non al meglio
ma se a te il risultato soddisfa, di cosa ti preoccupi
---
A proposito, il look metallico non dispiace, anzi, diciamo in stile Vox Night Train
Ciao
K
ma non accenni ad avere problemi e dici che l'ampli suona e ti piace
il fatto che a te piaccia è in assoluto (dopo l'essere funzionante) la cosa più importante
Forse intendevi chiedere se c'erano degli aspetti delle tue scelte di progettazione non al meglio
ma se a te il risultato soddisfa, di cosa ti preoccupi
---
A proposito, il look metallico non dispiace, anzi, diciamo in stile Vox Night Train
Ciao
K
-
tommymariotti
- Elettrone Impazzito

- Messaggi: 42
- Iscritto il: 09/07/2012, 23:55
Re: LITTLE AND BASTARD
ciao DOM,
che software hai usato per fare il layout?
che software hai usato per fare il layout?
- Kagliostro
- Amministratore

- Messaggi: 9948
- Iscritto il: 03/12/2007, 0:16
- Località: Prov. di Treviso
Re: LITTLE AND BASTARD
Direi Microsoft Visio
se a qualcuno possono interessare ho delle liberie di componenti
K
se a qualcuno possono interessare ho delle liberie di componenti
K
-
alexradium
- Diyer Eroe

- Messaggi: 777
- Iscritto il: 07/06/2011, 14:18
Re: LITTLE AND BASTARD
dovresti perlomeno riportare tutte le tensioni DC presenti su ogni pin delle valvole e sui nodi di alimentazione,e AC sul percorso del segnale,sia con input da 100mV/1Khz che senza.DOM ha scritto:...C'è qualcuno che sarebbe disposto a dargli un'occhiata per vedere se ho commesso qualche cavolata ? A suonare suona ( a me piace ), ma vorrei ascoltare chi ne sa più di me per vedere se c'è qualcosa che non va.
Poi se uno ne vuol capire di più sarebbe bene usare un oscilloscopio....
Importante da sapere è come sei giunto alla scelta di determinati valori di polarizzazione.
Re: LITTLE AND BASTARD
Salve a tutti.
Mastrocco grazie del complimento, ma ci tengo a precisare che senza tutte le vostre info che mettete a disposizione anche di chi non è registrato, non sarei riuscito a farcela. Condividerlo mi sembrava il minimo.
Per Tommymariotti, si. Ha visto bene Kagliostro. Ho utilizzato Visio.
Kagliostro hai ragione: intendevo chiedere se c'erano degli aspetti riguardo alle mie scelte di progettazione che forse non sono al meglio ( prime fra tutte l'idea un pò strana di mettere i condensatori di filtro degli stadi lontani da essi. Al momento credevo che fosse una buona idea e ho visto qualche layout di Ceriatone dove hanno progettato così).
Si, il risultato mi soddisfa. Ma se ci fosse qualche miglioria da poter attuare sarebbe utile per me per quanto riguarda l'imparare qualcosa, e inoltre sarei ancora più soddisfatto della resa sonora ( ...Ma quante ne vai cercando ???? Lo so. Sono un rompiscatole. ). Una piccola precisazione: è il primo lavoro che faccio.
Qualche pecca c'è anche se ci si potrebbe accontentare: 1 - per essere un single ended ( ho letto in rete che il ronzio pare sia molto fastidioso nella media, cosa che non avviene con un PP per via dell'inversione di fase ) è davvero silenzioso, ma un piccolo ronzio a 50 Hz si avverte in maniera molto leggera. Sospetto del trasformatore di uscita che non mi pare proprio eccelso, ma potrebbe essere anche qualcosa che non ho curato bene.
2 - I relays di cambio canale poppano un pò. Ma a 3 di volume ( ricordiamoci che è un 5 watt ) è tollerabile. ...Cmq mi scoccia un pò se devo essere onesto.
p.s.: mi correggo: Il telaio esterno è in acciaio satinato non lucido.
Mastrocco grazie del complimento, ma ci tengo a precisare che senza tutte le vostre info che mettete a disposizione anche di chi non è registrato, non sarei riuscito a farcela. Condividerlo mi sembrava il minimo.
Per Tommymariotti, si. Ha visto bene Kagliostro. Ho utilizzato Visio.
Kagliostro hai ragione: intendevo chiedere se c'erano degli aspetti riguardo alle mie scelte di progettazione che forse non sono al meglio ( prime fra tutte l'idea un pò strana di mettere i condensatori di filtro degli stadi lontani da essi. Al momento credevo che fosse una buona idea e ho visto qualche layout di Ceriatone dove hanno progettato così).
Si, il risultato mi soddisfa. Ma se ci fosse qualche miglioria da poter attuare sarebbe utile per me per quanto riguarda l'imparare qualcosa, e inoltre sarei ancora più soddisfatto della resa sonora ( ...Ma quante ne vai cercando ???? Lo so. Sono un rompiscatole. ). Una piccola precisazione: è il primo lavoro che faccio.
Qualche pecca c'è anche se ci si potrebbe accontentare: 1 - per essere un single ended ( ho letto in rete che il ronzio pare sia molto fastidioso nella media, cosa che non avviene con un PP per via dell'inversione di fase ) è davvero silenzioso, ma un piccolo ronzio a 50 Hz si avverte in maniera molto leggera. Sospetto del trasformatore di uscita che non mi pare proprio eccelso, ma potrebbe essere anche qualcosa che non ho curato bene.
2 - I relays di cambio canale poppano un pò. Ma a 3 di volume ( ricordiamoci che è un 5 watt ) è tollerabile. ...Cmq mi scoccia un pò se devo essere onesto.
p.s.: mi correggo: Il telaio esterno è in acciaio satinato non lucido.
Re: LITTLE AND BASTARD
Ok Alex. Riporterò i valori come mi consigli ma non so se ce la faccio oggi per via del lavoro.
Per ora l'oscilloscopio è ancora un passo più lungo della gamba per me, nel senso che prima di comprarlo vorrei imparare ad usarlo decentemente. UNa cosa che è sulla lista delle cose da fare e che forse tramite un mio amico sarà presto possibile.
Una domanda: Sarebbe attendibile controllare i valori di tensione senza sorgente di input o devo per forza mettergli un segnale di ingresso ?
Per la scelta delle polarizzazioni, mi sono fidato più del mio orecchio che dei ragionamenti e calcoli sui punti di lavoro. Praticamente sono partito da alcuni consigli generali: cito alcuni esempi da Trinity Amps Builder Guide:
"The cathode resistor, along with the Plate resistor, control the gain of the tube stage. Typical values are anywhere from 100 ohms to 10K. Smaller values = more gain."
"Typical Plate Resistor values are 100K, 150K, 220K. Larger values equal more gain."
"In summary, the cathode resistor, plate resistor and grid resistor, determine the biasing of the tube stage. The cathode bypass cap controls the degree of bass reduction - generally 25uF passes all frequencies - commonly used in Fender amps, 1uF an 0.68uF are used in Marshall amps. A capacitor can be placed in parallel with the plate resistor to roll off highs and you see this in bass channels of amps sometimes. The plate receives the voltage from the power supply through a plate resistor, the grid receives the AC signal as input and the cathode is grounded through a cathode resistor."
Ho cercato di polarizzare gli stadi tenendo conto di queste cose + tanti altri consigli che ho letto proprio qui da voi. Dopo tante prove ad orecchio e tanti cambi di valori dei componenti sono arrivato ad un risultato sonoro per me accettabile.
Capisco che non sia proprio un modo corretto di polarizzare gli stadi e che sarebbe più costruttivo capire bene come polarizzarli con datasheet alla mano, e "progettarli" con la consapevolezza dei risultati che si vogliono ottenere tramite i punti di lavoro e quant'altro. Sto studiando le polarizzazioni e il prossimo lavoro sarà iniziato dopo che saprò "esattamente" il perchè mettere quel valore anzichè l'altro.
Per ora l'oscilloscopio è ancora un passo più lungo della gamba per me, nel senso che prima di comprarlo vorrei imparare ad usarlo decentemente. UNa cosa che è sulla lista delle cose da fare e che forse tramite un mio amico sarà presto possibile.
Una domanda: Sarebbe attendibile controllare i valori di tensione senza sorgente di input o devo per forza mettergli un segnale di ingresso ?
Per la scelta delle polarizzazioni, mi sono fidato più del mio orecchio che dei ragionamenti e calcoli sui punti di lavoro. Praticamente sono partito da alcuni consigli generali: cito alcuni esempi da Trinity Amps Builder Guide:
"The cathode resistor, along with the Plate resistor, control the gain of the tube stage. Typical values are anywhere from 100 ohms to 10K. Smaller values = more gain."
"Typical Plate Resistor values are 100K, 150K, 220K. Larger values equal more gain."
"In summary, the cathode resistor, plate resistor and grid resistor, determine the biasing of the tube stage. The cathode bypass cap controls the degree of bass reduction - generally 25uF passes all frequencies - commonly used in Fender amps, 1uF an 0.68uF are used in Marshall amps. A capacitor can be placed in parallel with the plate resistor to roll off highs and you see this in bass channels of amps sometimes. The plate receives the voltage from the power supply through a plate resistor, the grid receives the AC signal as input and the cathode is grounded through a cathode resistor."
Ho cercato di polarizzare gli stadi tenendo conto di queste cose + tanti altri consigli che ho letto proprio qui da voi. Dopo tante prove ad orecchio e tanti cambi di valori dei componenti sono arrivato ad un risultato sonoro per me accettabile.
Capisco che non sia proprio un modo corretto di polarizzare gli stadi e che sarebbe più costruttivo capire bene come polarizzarli con datasheet alla mano, e "progettarli" con la consapevolezza dei risultati che si vogliono ottenere tramite i punti di lavoro e quant'altro. Sto studiando le polarizzazioni e il prossimo lavoro sarà iniziato dopo che saprò "esattamente" il perchè mettere quel valore anzichè l'altro.
- Kagliostro
- Amministratore

- Messaggi: 9948
- Iscritto il: 03/12/2007, 0:16
- Località: Prov. di Treviso
Re: LITTLE AND BASTARD
La sistemazione degli elettrolitici tutti assieme e separati dal circuito che alimentano sembra proprio quella utilizzata dalla Fender per diverso tempo (i Ceriatone cui ti riferisci erano cloni Fender ?)
in realtà non è una soluzione ottimale, meglio il primo o i primi due condensatori vicini alla rettifica, il resto distribuito nel circuito ognuno nelle vicinanze del circuito che alimenta
http://www.valvewizard.co.uk/Grounding.pdf
---
Come generatore di segnali alcuni ne usano una versione per "poveri", in pratica un lettore CD ed un CD con registrate tracce audio a frequenze diverse (tempo fa se ne trovavano in rete)
Magari ti scarichi un generatore di frequenze per PC e ti registri le varie frequenze di interesse
---
Per evitare i pop all'inserimento dei relè un metodo in voga è quello di mettere in parallelo ai contatti del relè una resistenza da 1M
---
Per il ronzio ci sono diverse possibili cause, in molti casi la cosa è riconducibile a cavi dove scorre il segnale in vicinanza dell'alimentazione dei filamenti
Potresti anche provare ad elevare il riferimento di massa dei filamenti e/o ad usare, almeno nei primi stadi, cavetto schermato per il segnale
Ah, si, forse anche l'inserimento di una choke o di un gyrator potrebbe aiutare a rendere più silenzioso l'ampli
---
Dal layout che hai postato vedo che hai inserito i diodi a protezione delle bobine dei relè, ciononostante la risoluzione non è molto alta
Potresti per cortesia postare un layout ad alta risoluzione e/o il file visio ?
Ciao
K
in realtà non è una soluzione ottimale, meglio il primo o i primi due condensatori vicini alla rettifica, il resto distribuito nel circuito ognuno nelle vicinanze del circuito che alimenta
http://www.valvewizard.co.uk/Grounding.pdf
---
Come generatore di segnali alcuni ne usano una versione per "poveri", in pratica un lettore CD ed un CD con registrate tracce audio a frequenze diverse (tempo fa se ne trovavano in rete)
Magari ti scarichi un generatore di frequenze per PC e ti registri le varie frequenze di interesse
---
Per evitare i pop all'inserimento dei relè un metodo in voga è quello di mettere in parallelo ai contatti del relè una resistenza da 1M
---
Per il ronzio ci sono diverse possibili cause, in molti casi la cosa è riconducibile a cavi dove scorre il segnale in vicinanza dell'alimentazione dei filamenti
Potresti anche provare ad elevare il riferimento di massa dei filamenti e/o ad usare, almeno nei primi stadi, cavetto schermato per il segnale
Ah, si, forse anche l'inserimento di una choke o di un gyrator potrebbe aiutare a rendere più silenzioso l'ampli
---
Dal layout che hai postato vedo che hai inserito i diodi a protezione delle bobine dei relè, ciononostante la risoluzione non è molto alta
Potresti per cortesia postare un layout ad alta risoluzione e/o il file visio ?
Ciao
K
Re: LITTLE AND BASTARD
Ciao Kagliostro. Grazie dei consigli.
Interessante l'idea di registrare frequenze e mandarle in ingresso. Credo proprio che farò questa prova.
Per i relays, ho fatto ciò di cui parli. O almeno penso di averlo fatto correttamente. Forse è troppo bassa la risoluzione non solo del layout ma anche dello schema. Provvedo ad allegare risoluzioni maggiori.
Per il ronzio: Cavetti schermati RG 174 con isolamento in teflon sugli ingressi e uscite ( allegherò foto migliori così vedrai meglio ). Elevare i filamenti ci devo provare, ma inserire un choke... Come dire ? Lo spazio è alquanto diminuito. Tu dici di piazzarlo sopra e fare un altro foro per i cavi, quindi dovrei trovare il punto migliore anche in base alla lunghezza degli stessi. Ci penserò.
intanto provo a postare il layout e lo schema ad una risoluzione maggiore:
Interessante l'idea di registrare frequenze e mandarle in ingresso. Credo proprio che farò questa prova.
Per i relays, ho fatto ciò di cui parli. O almeno penso di averlo fatto correttamente. Forse è troppo bassa la risoluzione non solo del layout ma anche dello schema. Provvedo ad allegare risoluzioni maggiori.
Per il ronzio: Cavetti schermati RG 174 con isolamento in teflon sugli ingressi e uscite ( allegherò foto migliori così vedrai meglio ). Elevare i filamenti ci devo provare, ma inserire un choke... Come dire ? Lo spazio è alquanto diminuito. Tu dici di piazzarlo sopra e fare un altro foro per i cavi, quindi dovrei trovare il punto migliore anche in base alla lunghezza degli stessi. Ci penserò.
intanto provo a postare il layout e lo schema ad una risoluzione maggiore:
- Allegati
-
- LITTLE AND BASTARD SCH. V.1.3.pdf
- (32.74 KiB) Scaricato 399 volte
-
- Visio-LITTLE AND BASTARD1.3.pdf
- (199.38 KiB) Scaricato 381 volte
