Sostieni il forum con una donazione! Il tuo contributo ci aiuterà a rimanere online!
Immagine

Un vostro parere su Vox Ac30/6 Normal

Discussioni di carattere generale sugli amplificatori valvolari...
Rispondi
Luchinob
Elettrone Impazzito
Elettrone Impazzito
Messaggi: 45
Iscritto il: 22/05/2013, 17:45

Un vostro parere su Vox Ac30/6 Normal

Messaggio da Luchinob » 24/09/2013, 18:19

Ciao a tutti :
alcuni amici mi hanno
parlato benissimo del Vox Ac 30/6 Normal Jmi .
Girovagando su internet ho trovato un schema + layout Vox Ac30/6 del 1964 .
Ho preso la decisione di costruirlo , che dite ne varra' la pena ?
Attualmente suono con un Clone Jcm800 2204 autocostruito.

Avatar utente
Kagliostro
Amministratore
Amministratore
Messaggi: 9930
Iscritto il: 03/12/2007, 0:16
Località: Prov. di Treviso

Re: Un vostro parere su Vox Ac30/6 Normal

Messaggio da Kagliostro » 24/09/2013, 19:16

A me il Vox AC30 piace, ma come sempre è questione di gusti

qui un po' di documentazione per farti un clone

il Weber 6v30 è un AC30/6

(lo schema l'ho verificato e direi che corrisponde)

https://taweber.powweb.com/store/6v30_schem.jpg

https://taweber.powweb.com/store/6v30_layout.jpg

http://www.webervst.com/chassis/6v30pre.pdf

http://www.webervst.com/chassis/6v30pwr.pdf

http://per-viklund.magix.net/#/tutti-gl ... a/4513476/

Ciao

K

Luchinob
Elettrone Impazzito
Elettrone Impazzito
Messaggi: 45
Iscritto il: 22/05/2013, 17:45

Re: Un vostro parere su Vox Ac30/6 Normal

Messaggio da Luchinob » 24/09/2013, 20:03

Come sempre kaliostro sei sempre molto gentile a rispondere alle nostre domande .
Volevo sapere dallo schema che ho aggiunto un paio di cose :
Il trimmer serve per regolare il bias o per un altra regolazione ?
I condensatori elettrolitici doppi 16+16uf e 8+8 uf non si trovano , se metto 2 condensatori da 16 uf 450v
e 2 da 8 uf 450v Sprague Atom dovrei aver risolto il problema giusto ?

MapleMarco
Roger Mayer Jr.
Roger Mayer Jr.
Messaggi: 2658
Iscritto il: 02/06/2012, 14:22
Località: Mirano (VE)

Re: Un vostro parere su Vox Ac30/6 Normal

Messaggio da MapleMarco » 24/09/2013, 20:12

Per i condensatori doppi, si!
puoi farlo tranquillamente..

io personalmente non spenderei tutti quei soldi su degli atom...
CHE DIO B'ASSISTA!

Avatar utente
Kagliostro
Amministratore
Amministratore
Messaggi: 9930
Iscritto il: 03/12/2007, 0:16
Località: Prov. di Treviso

Re: Un vostro parere su Vox Ac30/6 Normal

Messaggio da Kagliostro » 24/09/2013, 20:50

Ci sono anche altre marche di condensatori

basta comprare qualcosa di "onesto"

senza dover spendere una fortuna

---

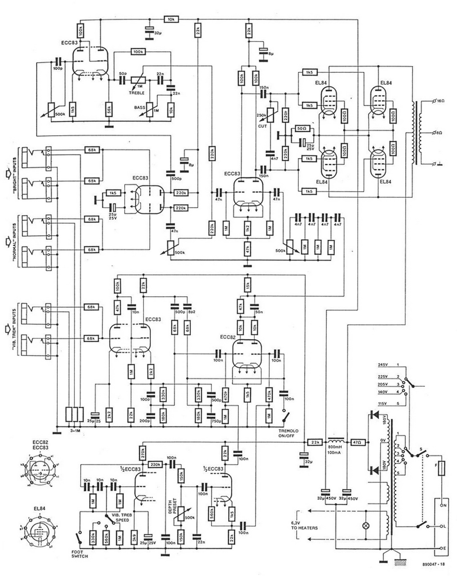
Quello che hai postato non è uno schema ma un layout

Spero tu sappia leggere uno schema

se non sai farlo, ti invito fino da adesso a darti da fare per

imparare a leggerli, se guardi sullo schema vedi che

come scritto anche sul layout, quel trimmer è per il preset

del depth del Vibrato/Tremolo

lo schema originale è poco leggibile, guarda questo
ac30-6 (Dallas).jpg
K

Avatar utente
delga
Diyer Eroe
Diyer Eroe
Messaggi: 526
Iscritto il: 07/02/2012, 23:37
Località: prov. di Teramo

Re: Un vostro parere su Vox Ac30/6 Normal

Messaggio da delga » 24/09/2013, 21:18

ciao...visto che il titolo del 3d è "un vostro parere" su Vox AC30.....ti dico che a me non soddisfa molto.....non sono un amante di quel genere di suono e questo sicuramente influisce sul giudizio dell'amp.....l'ho anche suonato...con una gibson SG e una strato....ma...niente.....

secondo me dovresti capire bene cosa avresti bisogno, del genere che suoni e del suono che vorresti ottenere......a quel punto i pareri altrui saranno superflui!

se invece sei agli inizi e vuoi un amp che ti permetta di "fare un pò di tutto", giocando poi con pedalini vari....beh..l'AC30 è sempre un signor amp che ha fatto un pezzo di storia!

delga

alexradium
Diyer Eroe
Diyer Eroe
Messaggi: 777
Iscritto il: 07/06/2011, 14:18

Re: Un vostro parere su Vox Ac30/6 Normal

Messaggio da alexradium » 25/09/2013, 16:53

Luchinob ha scritto:Ciao a tutti :
alcuni amici mi hanno
parlato benissimo del Vox Ac 30/6 Normal Jmi .
Girovagando su internet ho trovato un schema + layout Vox Ac30/6 del 1964 .
Ho preso la decisione di costruirlo , che dite ne varra' la pena ?
Attualmente suono con un Clone Jcm800 2204 autocostruito.
ne vale la pena se lo sai fare bene e usi tutto materiale di prima qualità.
altrimenti se non hai dimestichezza con i circuiti valvolari e non vuoi spendere cifre senza sapere se il risultato sara soddisfacente,ti consiglio di prendere un ac30cc,con 500 euro hai un ampli completo che suona.
Personalmente lo dovessi fare io farei una testata con telaio sotto e valvole verso l'alto,più cassa 2x12 coni alnico.

Rispondi