Ho abbandonato il progetto tiny terror perchè mi troverei a spendere soldi per un ampli che comunque non mi piace, e mi sono accorto che spendendo poco di più riuscirei a farmi una mig-60 senza troppi problemi.
O almeno, lo credevo.
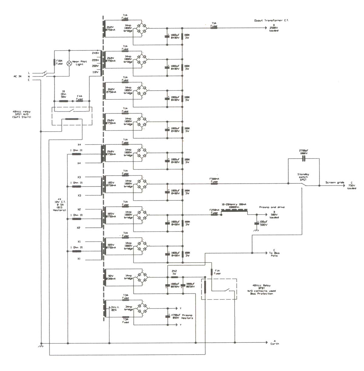
Su internet non si trova niente, l'azienda che li produceva (la New Sensor) non ha mai ricevuto i valori dei trasformatori dagli stabilimenti in Russia e i pochi pareri che si trovano sui vari forum sono discordanti.
Mi sento un idiota a continuare a chiedere delucidazioni ogni volta ma non studiando elettronica mi tocca, chiedo scusa.
In breve: clone di un jcm800, 60w, 3 12ax7 e 2 EL34.
Tutto ciò che sono riuscito a trovare è che le due el34 sull'anodo hanno ben 640v, e osservando i condensatori dei due secondari che dovrebbero fornire tutti questi volt in teoria non si dovrebbe andare oltre i 175 l'uno.
Lo schema è abbastanza chiaro, sono solo io impedito.
La questione è: da dove saltano fuori i 640v? Quali sono i valori in tensione e corrente dei primi due secondari?
Chiedo scusa ancora, mi sento troppo un deficiente a continuare a chiedere roba


