di nuovo 15W... obiettivo: farlo suonare!!!
di nuovo 15W... obiettivo: farlo suonare!!!
Ciaooo!!!
Appena riaperto il forum e sto subito qui a rompere...
ma mi rendo conto purtroppo che a volte le cose "sembrano più semplici di quanto non siano"...
Procedo con la costruzione di un nuovo 15W con componenti già noti al forum...
Non molti soldini... e poi riciclare fa bene...
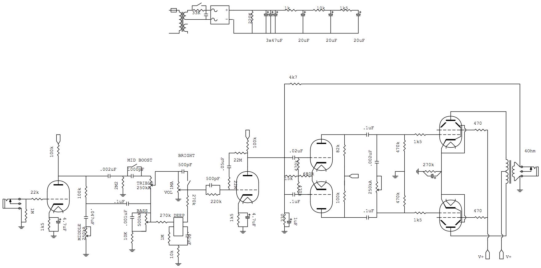
Ho fatto uno schema, quello in allegato ed anche il layout, sempre in allegato...
Pronta la basetta e cablato l'ampli... il lamp limiter si illumina...
controllo e ricontrollo tutto da giorni...
ho notato che quando è in standby i filamenti del pre sono accesi... togliendo lo stanby si spengono...
Per il cablaggio delle masse ho provato in due modi ... star ground con bus pre il pre e multi star ground
con la massa sullo chassis in tre punti, pre PI e finale...
Mi son mantenuto su schemi noti per la prima realizzazione (funzionano per certo) per poi testare alcune variazioni come modifiche...
i file li aggiungo pian piano, che alcuni schemi gli ho rivisti... cerco di riportare anche approssimativamente i calcoli...
Appena riaperto il forum e sto subito qui a rompere...
ma mi rendo conto purtroppo che a volte le cose "sembrano più semplici di quanto non siano"...
Procedo con la costruzione di un nuovo 15W con componenti già noti al forum...
Non molti soldini... e poi riciclare fa bene...
Ho fatto uno schema, quello in allegato ed anche il layout, sempre in allegato...
Pronta la basetta e cablato l'ampli... il lamp limiter si illumina...
controllo e ricontrollo tutto da giorni...
ho notato che quando è in standby i filamenti del pre sono accesi... togliendo lo stanby si spengono...
Per il cablaggio delle masse ho provato in due modi ... star ground con bus pre il pre e multi star ground
con la massa sullo chassis in tre punti, pre PI e finale...
Mi son mantenuto su schemi noti per la prima realizzazione (funzionano per certo) per poi testare alcune variazioni come modifiche...
i file li aggiungo pian piano, che alcuni schemi gli ho rivisti... cerco di riportare anche approssimativamente i calcoli...
- Kagliostro
- Amministratore

- Messaggi: 9958
- Iscritto il: 03/12/2007, 0:16
- Località: Prov. di Treviso
Re: di nuovo 15W... obiettivo: farlo suonare!!!
Ciao
ma in definitiva che problema riscontri ?
K
ma in definitiva che problema riscontri ?
K
Re: di nuovo 15W... obiettivo: farlo suonare!!!
Allora, sono stato un po' a fissarlo.... sugli altri collegamenti sono abbastanza sicuro quindi pensavo fosse un problema di masse...
ho seguito lo schema in allegato che mi hai postato tempo fa...
adesso ho rifatto il grounding in questo modo (local star e bus)
il lamp limiter ora non si accende, ma l'ampli non suona... nemmeno un rumore...
ho seguito lo schema in allegato che mi hai postato tempo fa...
adesso ho rifatto il grounding in questo modo (local star e bus)
il lamp limiter ora non si accende, ma l'ampli non suona... nemmeno un rumore...
- Kagliostro
- Amministratore

- Messaggi: 9958
- Iscritto il: 03/12/2007, 0:16
- Località: Prov. di Treviso
Re: di nuovo 15W... obiettivo: farlo suonare!!!
Del lamp limiter bisogna saper cogliere le "sfumature" e capire cosa ci sta dicendo
se nell'ampli c'è un qualche errore di wiring o un cortocircuito il lamp limiter riduce la corrente che l'amplificatore può assorbire e previene eventuali "arrosti", inoltre si ha l'indicazione se c'è qualcosa di anomalo, vedendo la lampada accendersi al suo massimo, si capisce che l'assorbimento nel circuito è eccessivo
(naturalmente si lavora in rapporto anche alla potenza in W che ha la lampada usata, per 220v di rete, dovrebbe essere un 100W circa di lampada, mi pare che qualcuno se lo costruisca anche con tre lampade da 60W in serie, ma non ricordo bene)
Ciao
K
se nell'ampli c'è un qualche errore di wiring o un cortocircuito il lamp limiter riduce la corrente che l'amplificatore può assorbire e previene eventuali "arrosti", inoltre si ha l'indicazione se c'è qualcosa di anomalo, vedendo la lampada accendersi al suo massimo, si capisce che l'assorbimento nel circuito è eccessivo
(naturalmente si lavora in rapporto anche alla potenza in W che ha la lampada usata, per 220v di rete, dovrebbe essere un 100W circa di lampada, mi pare che qualcuno se lo costruisca anche con tre lampade da 60W in serie, ma non ricordo bene)
Ciao
K
Re: di nuovo 15W... obiettivo: farlo suonare!!!
io sto usando una lampada da 70W... avevo quella... =P
e al momento dell'accensione si illumina per un secondo o meno (inrush current) poi si spegne completamente e poi si accende solo leggermente...
Pensavo di usare un audio probe per vedere che fine fa il segnale... e il tester per vedere se c'è qualche tensione dove non dovrebbe esserci...
una domanda:ma sulle griglie di una PI di solito che tensioni si dovrebbero trovare?!
adesso cmq ridò una controllata seria al layout con schema elettrico alla mano ed evidenziatore per depennare le cose esatte...
e al momento dell'accensione si illumina per un secondo o meno (inrush current) poi si spegne completamente e poi si accende solo leggermente...
Pensavo di usare un audio probe per vedere che fine fa il segnale... e il tester per vedere se c'è qualche tensione dove non dovrebbe esserci...
una domanda:ma sulle griglie di una PI di solito che tensioni si dovrebbero trovare?!
adesso cmq ridò una controllata seria al layout con schema elettrico alla mano ed evidenziatore per depennare le cose esatte...
- Kagliostro
- Amministratore

- Messaggi: 9958
- Iscritto il: 03/12/2007, 0:16
- Località: Prov. di Treviso
Re: di nuovo 15W... obiettivo: farlo suonare!!!
Quella dell'audio probe è una buona idea
anche riportare sullo schema le tensioni presenti nei vari punti del circuito è una buona idea, magari qualcuno vedendo può accorgersi di eventuali anomalie
K
anche riportare sullo schema le tensioni presenti nei vari punti del circuito è una buona idea, magari qualcuno vedendo può accorgersi di eventuali anomalie
K
Re: di nuovo 15W... obiettivo: farlo suonare!!!
il problema è sulla prima valvola... la tensione anodica sul pin continua a salire anche oltre i 200V e al catodo ci sono 0V.... non capisco... il layout sembra ok... 
Re: di nuovo 15W... obiettivo: farlo suonare!!!
adesso cmq c'è rumore di fondo... segnale neanche a parlarne... 
- Kagliostro
- Amministratore

- Messaggi: 9958
- Iscritto il: 03/12/2007, 0:16
- Località: Prov. di Treviso
Re: di nuovo 15W... obiettivo: farlo suonare!!!
Ma la resistenza ed il cap di bypass di V1a sono OK ??
K
K
Re: di nuovo 15W... obiettivo: farlo suonare!!!
Anche io ho avuto lo stesso dubbio... ho staccato i cap di bypass.. le resistenze non le ho controllate...mi sembrava improbabile si potessero rompere delle resistenze al catodo... adesso controllo anche quelle...
Cmq il problema mi si presenta sia su V1a che V1b...
ho ricontrollato il collegamento a massa... ed ho rifatto il collegamento massa-chassis...
Cmq il problema mi si presenta sia su V1a che V1b...
ho ricontrollato il collegamento a massa... ed ho rifatto il collegamento massa-chassis...
Re: di nuovo 15W... obiettivo: farlo suonare!!!
per farlo posso provare ad inserirne altre in parallelo di un valore simile?!
se sono rotte funziona e se non sono rotte ho solo spostato il bias... giusto?!
se sono rotte funziona e se non sono rotte ho solo spostato il bias... giusto?!
- Kagliostro
- Amministratore

- Messaggi: 9958
- Iscritto il: 03/12/2007, 0:16
- Località: Prov. di Treviso
Re: di nuovo 15W... obiettivo: farlo suonare!!!
Non mettere le resistenze di bypass in parallelo, stacca un capo e controlla con il tester il valore
K
K
Re: di nuovo 15W... obiettivo: farlo suonare!!!
ho controllato... le resistenze sn buone...
misurando più precisamente i valori
sul cap di filtro 220V
V1a 199V anodica 0Vcatodo
V1b 145V anodica 0.99V catodo
direi che il problema è V1a...
adesso provo a rifare le saldature al catodo... non so che pensare...
misurando più precisamente i valori
sul cap di filtro 220V
V1a 199V anodica 0Vcatodo
V1b 145V anodica 0.99V catodo
direi che il problema è V1a...
adesso provo a rifare le saldature al catodo... non so che pensare...
- Kagliostro
- Amministratore

- Messaggi: 9958
- Iscritto il: 03/12/2007, 0:16
- Località: Prov. di Treviso
Re: di nuovo 15W... obiettivo: farlo suonare!!!
Valvola V1 OK ? Hai provato a sostituirla ?
K
K
Re: di nuovo 15W... obiettivo: farlo suonare!!!
già provato a sostituirla... non cambia niente...
ho ricontrolllato tutte le saldature...
pensavo di fare il tentativo di mandare a massa una resistenza dello stesso valore... magari è un problema di layout...
ho ricontrolllato tutte le saldature...
pensavo di fare il tentativo di mandare a massa una resistenza dello stesso valore... magari è un problema di layout...

