Sostieni il forum con una donazione! Il tuo contributo ci aiuterà a rimanere online!
Immagine

Nuovo Ampli 3 canali

Discussioni di carattere generale sugli amplificatori valvolari...
Fabio182
Diyer Eroe
Diyer Eroe
Messaggi: 692
Iscritto il: 10/10/2012, 13:05

Nuovo Ampli 3 canali

Messaggio da Fabio182 » 20/12/2013, 16:46

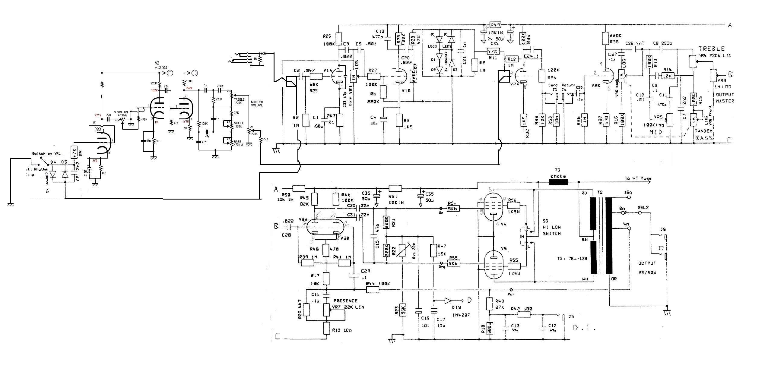
Salve a tutti!dati i molti consigli e insegnamenti ricevuti da questo sito ho sperimentato a creare uno schema per un ampli a 3 canali (clean-crunch-lead) da 50W,allego lo schema,lo switch avviene attraverso un relè a doppio scambio che scambia contemporanemte ingresso e uscita del segnale su un canale o sull'altro!grazie a tutti per l'aiuto
Allegati
hi.shall 2.jpg

Avatar utente
Kagliostro
Amministratore
Amministratore
Messaggi: 9958
Iscritto il: 03/12/2007, 0:16
Località: Prov. di Treviso

Re: Nuovo Ampli 3 canali

Messaggio da Kagliostro » 20/12/2013, 17:18

Se lo hai già realizzato e ne sei soddisfatto, ci piacerebbe un sample

Ciao

K

MapleMarco
Roger Mayer Jr.
Roger Mayer Jr.
Messaggi: 2658
Iscritto il: 02/06/2012, 14:22
Località: Mirano (VE)

Re: Nuovo Ampli 3 canali

Messaggio da MapleMarco » 20/12/2013, 17:25

attento agli switch in input...

se l'hai già completato e non boppa....miracolo!!
CHE DIO B'ASSISTA!

Fabio182
Diyer Eroe
Diyer Eroe
Messaggi: 692
Iscritto il: 10/10/2012, 13:05

Re: Nuovo Ampli 3 canali

Messaggio da Fabio182 » 20/12/2013, 17:46

lo switch in input che in realtà chiude il cirucito coi diodi per dare un "crunch" l'ho preso dalla jubilee e non boppa! il resto è tramite relè!!personalmente che ne pensi?può funzionare?

MapleMarco
Roger Mayer Jr.
Roger Mayer Jr.
Messaggi: 2658
Iscritto il: 02/06/2012, 14:22
Località: Mirano (VE)

Re: Nuovo Ampli 3 canali

Messaggio da MapleMarco » 20/12/2013, 19:28

se ti piace il suono pompato coi diodi, può essere una soluzione...
ma, forse sarà la stanchezza....dov'è il terzo canale, è solo un boost sul crunch ottenuto dai diodi??

unici tre appunti:
V2A ha la griglia non riferita a massa,...buttaci una res da 1M o 2M2 così vai tranquillo
l'eq del canale pulito influisce sempre su tutti e due (o tre?) canali così facendo...forse non è la soluzione migliore!!
hai mezzo triodo libero...ci sono due soluzioni...PI concertina così levi un altro triodo e ti risparmi una 12ax7, oppure hai uno stadio in più...e può essere il jolly per risolvere il problema di cui sopra!!

ora, è la prima volta che vedo lo schema del jubilee quindi prendi tutti i miei commenti con le pinze :P
CHE DIO B'ASSISTA!

Fabio182
Diyer Eroe
Diyer Eroe
Messaggi: 692
Iscritto il: 10/10/2012, 13:05

Re: Nuovo Ampli 3 canali

Messaggio da Fabio182 » 20/12/2013, 20:35

Grazie per le risposte :love_1: allora il 3o canale lo fa tutto V3 che di fatto manda il segnale in uscita a dei diodi e dei led (come Marshall insegna)...per quando riguarda l'equalizzazione non credo in quanto io -tramite relé- devio il segnale direttamente dall imput per andare su V3 escludendo di fatto V1(usata a metà) e V2...per quanto tiguarda la mezza valvola vuota accetto consigli :ok_1:

MapleMarco
Roger Mayer Jr.
Roger Mayer Jr.
Messaggi: 2658
Iscritto il: 02/06/2012, 14:22
Località: Mirano (VE)

Re: Nuovo Ampli 3 canali

Messaggio da MapleMarco » 20/12/2013, 20:51

credo di essermi perso con i nomi delle valvole...
allora, ricapitoliamo.

il pulito e il crunch sono fatti da V1 (a metà) e V2 ed hanno un loro EQ.

il lead è fatto da V1A e V1B (che tu chiami V3?)
e l'eQ del lead influisce sempre su tutti e 2+1 i canali..

capito bene?

P.S. r12 devi collegarlo da anodo a griglia a valle del relay, non a monte!
CHE DIO B'ASSISTA!

Fabio182
Diyer Eroe
Diyer Eroe
Messaggi: 692
Iscritto il: 10/10/2012, 13:05

Re: Nuovo Ampli 3 canali

Messaggio da Fabio182 » 20/12/2013, 21:55

Allora si!clean/crunch li fanno la prima valvola e mezza e dovrebbero avere una loro eq poi V1A e V1B fanno il lead con la loro eq (non capisco come le due eq influiscano l'una sull altra credevo che disposte in questo modo fossero indipendenti)

MapleMarco
Roger Mayer Jr.
Roger Mayer Jr.
Messaggi: 2658
Iscritto il: 02/06/2012, 14:22
Località: Mirano (VE)

Re: Nuovo Ampli 3 canali

Messaggio da MapleMarco » 20/12/2013, 22:13

beh, non vorrei svarionare,
ma seguendo il segnale....il loop effetti è in comune a tutti i canali, e l'eq del lead è posto dopo il loop...
sullo schema che hai postato non ci sono relay dal loop in poi...quindi l'eq del lead è sempre attivo!!
se vuoi mantenere quella configurazione, io la vedrei meglio con un solo eq per tutti i canali, tipo SLO, oppure cercherei un altra configurazione...anche perchè con 5 valvole di pre fai qualsiasi cosa!!
ad ogni modo è da pensarsi come una due canali col pulito boostabile più che una tre canali...tra l'altro ci sarà un salto di volume tra clean-crunch non controllabile...
dipende che testa vuoi ottenere...quali suoni e quale indipendenza dei canali tra di loro!
sarebbe peccato investire dei soldi e poi avere tre canali non compatibili magari solo per la mancata possibilità di gestirne i singoli volumi!!

non voglio essere tragico eh, magari data la settimana di lavoro estenuante che ho appena passato sono totalmente rincoglionito e non ho letto bene lo schema XD
CHE DIO B'ASSISTA!

Fabio182
Diyer Eroe
Diyer Eroe
Messaggi: 692
Iscritto il: 10/10/2012, 13:05

Re: Nuovo Ampli 3 canali

Messaggio da Fabio182 » 21/12/2013, 0:59

Hai raggione!!non avevo fatto caso che la eq é dopo la loop effetti...ti spiego...sarebbe un mio amico che vorrebbe un bel pulito (hiwatt o fender) e un bel distorto tipo marshall (il crunch se c'é meglio) e assolutamente con le eq indipendenti...io credevondi "asciugarmela con poco" con lo schema postato sopra ma ci dovrò lavorare ancora mi sa

MapleMarco
Roger Mayer Jr.
Roger Mayer Jr.
Messaggi: 2658
Iscritto il: 02/06/2012, 14:22
Località: Mirano (VE)

Re: Nuovo Ampli 3 canali

Messaggio da MapleMarco » 21/12/2013, 1:42

secondo me ti conviene dividere tutto...
fai il pulito fender vero e proprio (stadio-eq-stadio) che occupa una sola valvola
e un distorto/crunch marshall...tipo il pre di una jcm, sono 4 stadi quindi 2 valvole
loop effetti e PI altre 2

sei a 5 valvole e hai due canali veri indipendenti

poi al massimo usi uno switch per le modalita hi e lo della jcm così ha anche il crunch.

;)
CHE DIO B'ASSISTA!

Fabio182
Diyer Eroe
Diyer Eroe
Messaggi: 692
Iscritto il: 10/10/2012, 13:05

Re: Nuovo Ampli 3 canali

Messaggio da Fabio182 » 21/12/2013, 2:12

Domani posto il progetto allora :) ora ho ancora 5 ore di lavoro :) saresti cosi gentile da darmi il tuo contatto skype?sono utilissime e semplici le tue spiegazioni potrei imparare molto

Fabio182
Diyer Eroe
Diyer Eroe
Messaggi: 692
Iscritto il: 10/10/2012, 13:05

Re: Nuovo Ampli 3 canali

Messaggio da Fabio182 » 21/12/2013, 7:46

Ho dato un occhiata agli schemi Fender ma mi ha confuso molto il fatto che dall input vadano direttamente alla P.I.!!

Avatar utente
Kagliostro
Amministratore
Amministratore
Messaggi: 9958
Iscritto il: 03/12/2007, 0:16
Località: Prov. di Treviso

Re: Nuovo Ampli 3 canali

Messaggio da Kagliostro » 21/12/2013, 8:31

Possibilmente le conversazioni di interesse generale mantenetele sul forum

ci sono molti che possono essere interessati a ciò che vi dite

Se proprio le spostate altrove, prendete l'abitudine di fare dei post con un riassunto

che contenga l'argomento trattato e le eventuali soluzioni cui siete arrivati

Ciao

K

MapleMarco
Roger Mayer Jr.
Roger Mayer Jr.
Messaggi: 2658
Iscritto il: 02/06/2012, 14:22
Località: Mirano (VE)

Re: Nuovo Ampli 3 canali

Messaggio da MapleMarco » 21/12/2013, 10:16

kagliostro ha scritto:Possibilmente le conversazioni di interesse generale mantenetele sul forum
abbiamo parlato solo su questo post K! e non avendo altre cose se non la mail (che però preferisco usare per lavoro/università) continuerà ad essere così :mart:

Per fabio,
cerca lo schema dell'alembic f2B, che è facile da trovare e pure da fare...
è un fender showman in pratica!
CHE DIO B'ASSISTA!

Rispondi