Sostieni il forum con una donazione! Il tuo contributo ci aiuterà a rimanere online!
Immagine

HV MOSFET Reverb Driver

Discussioni di carattere generale sugli amplificatori valvolari...
Matrix_G
Diyer
Diyer
Messaggi: 126
Iscritto il: 09/07/2010, 19:28
Località: Modena

HV MOSFET Reverb Driver

Messaggio da Matrix_G » 27/12/2013, 19:18

Ciao a tutti,
avevo intenzione di inserire nel mio Dumble-Style clone un reverbero a molla.
Innanzitutto non posso inserire un' altra valvola per motivi di spazio/assorbimento dei filamenti, quindi pensavo di costruire un driver con MOSFET come IRF820 e LND150 (un po' come fatto in precedenza su questo forum per il Loop effetti).
La mia unità a molla è da 600 Ohm in ingresso e 2.2k Ohm in uscita, quindi volevo chiedervi qualche schema o qualche linea guida per progettare i due stadi in modo corretto.

Ciauz :ciao:

Avatar utente
felix
Diyer Esperto
Diyer Esperto
Messaggi: 468
Iscritto il: 18/06/2007, 9:31
Località: Torino

Re: HV MOSFET Reverb Driver

Messaggio da felix » 27/12/2013, 20:59

Ciao, potresti partire da questo ;)
http://www.blueguitar.org/new/articles/ ... kede30.pdf
devi però controllare le impedenze del mosfet con il tuo riverbero ad accoppiarle con un trasformatore appropriato :numb1: :numb1:

Avatar utente
Kagliostro
Amministratore
Amministratore
Messaggi: 9955
Iscritto il: 03/12/2007, 0:16
Località: Prov. di Treviso

Re: HV MOSFET Reverb Driver

Messaggio da Kagliostro » 27/12/2013, 21:58

Sapevo di avere qualcosa che poteva servirti

ci ho messo più di mezzora per ritrovare il file nel mio archivio

ormai abbastanza esteso, eccolo
mikede30.pdf
(147.04 KiB) Scaricato 600 volte
Ciao

K

p.s.: Ho postato assieme a Felix ed è la stessa cosa :face_green: :face_green:

Avatar utente
felix
Diyer Esperto
Diyer Esperto
Messaggi: 468
Iscritto il: 18/06/2007, 9:31
Località: Torino

Re: HV MOSFET Reverb Driver

Messaggio da felix » 28/12/2013, 15:09

:lol1:
tempo fa stavo considerando di realizzare un'unità di riverbero a mosfet direttamente senza trasformatore di uscita, ma non avendo trovato un tank a molla con impedenza in ingresso adeguatamente alta ho messo da parte il progetto, si potrebbe cogliere l'occasione per svilupparne una versione qui su diyitalia :gui2:

Avatar utente
Kagliostro
Amministratore
Amministratore
Messaggi: 9955
Iscritto il: 03/12/2007, 0:16
Località: Prov. di Treviso

Re: HV MOSFET Reverb Driver

Messaggio da Kagliostro » 28/12/2013, 18:37

Qualcosa tipo questi ?
FBT 500 R2.png
6BM8 reverb.PNG
moodyga40reverbcct.gif
k

Avatar utente
felix
Diyer Esperto
Diyer Esperto
Messaggi: 468
Iscritto il: 18/06/2007, 9:31
Località: Torino

Re: HV MOSFET Reverb Driver

Messaggio da felix » 28/12/2013, 20:15

esattamente, adattando la soluzione a pentodo al nostro caso a stato solido. :mart:
http://www.channelroadamps.com/articles/reverb_driver/

Avatar utente
Kagliostro
Amministratore
Amministratore
Messaggi: 9955
Iscritto il: 03/12/2007, 0:16
Località: Prov. di Treviso

Re: HV MOSFET Reverb Driver

Messaggio da Kagliostro » 28/12/2013, 20:53

Ottimo Felix !

Quel link mi mancava proprio :numb1:
reverb_driver.jpg
EDIT: Anche Merlin dice la sua riguardo al transformerless

http://www.freewebs.com/valvewizard2/reverbdriver.html
K

Matrix_G
Diyer
Diyer
Messaggi: 126
Iscritto il: 09/07/2010, 19:28
Località: Modena

Re: HV MOSFET Reverb Driver

Messaggio da Matrix_G » 29/12/2013, 11:53

Grazie mille ragazzi :salu:
In effetti avevo provato anche io a vedere un po' di schemi ma mi dava noia dover usare il trasformatore a causa della bassa impedenza d'ingresso del tank, però il link di Felix credo sia mooooolto interessante.
Per sostituire il pentodo si potrebbe usare un normale mosfet ad arricchimento tipo IRF820, mentre per lo stadio di recovery, un LND150 per "copiare" il triodo.
Ora vi chiedo, il segnale di ingresso allo stadio driver, quanto sarà ampio, considerando che verrà messo prima della PI ?

Avatar utente
felix
Diyer Esperto
Diyer Esperto
Messaggi: 468
Iscritto il: 18/06/2007, 9:31
Località: Torino

Re: HV MOSFET Reverb Driver

Messaggio da felix » 29/12/2013, 11:57

partendo dal presupposto che di stato solido ho pochissima esperienza e ne capisco poco, vi mando questo schema che ho ritrovato, sicuramente trovare una soluzione è banale, se qualcuno che ne sa vuole darci un'occhiata :) :)
Allegati
mos rev.jpg

Avatar utente
Kagliostro
Amministratore
Amministratore
Messaggi: 9955
Iscritto il: 03/12/2007, 0:16
Località: Prov. di Treviso

Re: HV MOSFET Reverb Driver

Messaggio da Kagliostro » 29/12/2013, 12:01

Ciao Felix

come sai di SS ne so Zero

però sarebbe interessante un link alla pagina dove hai trovato lo schema (se lo hai)

K

Avatar utente
felix
Diyer Esperto
Diyer Esperto
Messaggi: 468
Iscritto il: 18/06/2007, 9:31
Località: Torino

Re: HV MOSFET Reverb Driver

Messaggio da felix » 29/12/2013, 15:12

era uno schema salvato, proverò a cercare la discussione nei forum ;)

sarei curioso di capire come un mosfet in configurazione CF sia in grado da solo di pilotare il reverb tank :hummm_1: :hummm_1:

Avatar utente
Kagliostro
Amministratore
Amministratore
Messaggi: 9955
Iscritto il: 03/12/2007, 0:16
Località: Prov. di Treviso

Re: HV MOSFET Reverb Driver

Messaggio da Kagliostro » 31/12/2013, 22:49

Felix

Questo potrebbe essere ?? Però non funziona in HV

http://www.el34world.com/charts/Schemat ... _schem.pdf

K

Avatar utente
felix
Diyer Esperto
Diyer Esperto
Messaggi: 468
Iscritto il: 18/06/2007, 9:31
Località: Torino

Re: HV MOSFET Reverb Driver

Messaggio da felix » 01/01/2014, 20:13

ciao K, purtroppo non mi sono ancora messo alla ricerca del thread d'origine di quello schema, vedrò nei prossimi giorni cosa salta fuori! ;)
nel frattempo Matrix_G dato che hai già il riverbero e sono necessari pochi compomenti potresto provare a realizzarne una versione "stand alone" provvisoria e vedere se e come funziona :)

Avatar utente
felix
Diyer Esperto
Diyer Esperto
Messaggi: 468
Iscritto il: 18/06/2007, 9:31
Località: Torino

Re: HV MOSFET Reverb Driver

Messaggio da felix » 01/01/2014, 22:27

per la simulazione del circuito prova con il software gratuito LTSpice ;)

Matrix_G
Diyer
Diyer
Messaggi: 126
Iscritto il: 09/07/2010, 19:28
Località: Modena

Re: HV MOSFET Reverb Driver

Messaggio da Matrix_G » 02/01/2014, 16:41

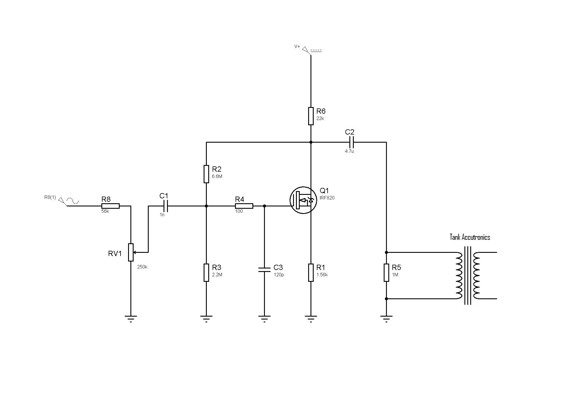
Dunque, mi sono spulciato un po' di schemini ed un po' di teoria su MOSFET e Driver di Riverbero ed ho tirato fuori lo schema in allegato.
driver .jpg
Immagine.jpg
Il circuito eroga una corrente costante di 3.1mA (essendo Zin=600 Ohm, con i 3.5A/spira dettati dalla Accutronics la corrente dovrebbe essere questa :numb1: ), ho inserito un trimmer in ingresso perché non so quanto possa essere il valore di tensione che mi trovo all'uscita del preamp, quindi sempre meglio poter regolare live la cosa.
Per quanto riguarda le frequenze, ho fatto in modo che il taglio sia intorno ai 130Hz per eliminare i bassi impastati (come spiega nel link di Felix), inoltre ho inserito il cap da 120pF per spuntare gli alti.

Suggerimenti e pareri?

:salu:

Rispondi