TA reciclato per 470 V di anodica
TA reciclato per 470 V di anodica
Salve a tutti.
Ho tentato un piccolo esperimento dopo aver visto il tread sui trasformatori a specchio. Ho letto con molto interesse il tread di MapleMarco e mi si è accesa una lampadina nel mio cervello intasato dai residui dell'alchool ! Ho fatto tutto in 2 ore proprio ieri mattina e pare che funzioni:
Ho riesumato un vecchio trasformatore monofase per quadri elettrici e ho sommato IN FASE tutti i secondari che aveva escludendone solo uno; quello a 12 v a 50 VA. Ho controllato che i secondari fossero isolati e ho testato la tensione ad ogni somma degli stessi per essere sicuro della fase ( grazie K. per i suoi consigli sull'altro tread! ).
Messo il ponte diodi ho filtrato con 2 Cond. da 47uF ( quelli avevo disponibili ! )in serie per aumentarne la tensione massima supportata. Resistenza in parallelo da 220k / 2w per far scaricare tutto e ho testato: 471 Vcc.
Mi piacerebbe come anodica su una bella testatina a tre canali che sto ancora progettando su carta e credo che come amperaggio per 6 valvole di pre e 2 di finale ( rigorosamente Single Ended ) il secondario da 12 V raddrizzato possa andare bene. Mi sbaglio ?
Consigli? Opinioni? BACCHETTATE ?
Ho tentato un piccolo esperimento dopo aver visto il tread sui trasformatori a specchio. Ho letto con molto interesse il tread di MapleMarco e mi si è accesa una lampadina nel mio cervello intasato dai residui dell'alchool ! Ho fatto tutto in 2 ore proprio ieri mattina e pare che funzioni:
Ho riesumato un vecchio trasformatore monofase per quadri elettrici e ho sommato IN FASE tutti i secondari che aveva escludendone solo uno; quello a 12 v a 50 VA. Ho controllato che i secondari fossero isolati e ho testato la tensione ad ogni somma degli stessi per essere sicuro della fase ( grazie K. per i suoi consigli sull'altro tread! ).
Messo il ponte diodi ho filtrato con 2 Cond. da 47uF ( quelli avevo disponibili ! )in serie per aumentarne la tensione massima supportata. Resistenza in parallelo da 220k / 2w per far scaricare tutto e ho testato: 471 Vcc.
Mi piacerebbe come anodica su una bella testatina a tre canali che sto ancora progettando su carta e credo che come amperaggio per 6 valvole di pre e 2 di finale ( rigorosamente Single Ended ) il secondario da 12 V raddrizzato possa andare bene. Mi sbaglio ?
Consigli? Opinioni? BACCHETTATE ?
- Kagliostro
- Amministratore
- Messaggi: 9864
- Iscritto il: 03/12/2007, 0:16
- Località: Prov. di Treviso
Re: TA reciclato per 470 V di anodica
Facendo i conti molto a spanne
con 12v AC sei a qualcosa di più di 4A
raddrizzando hai 16.8v DC e sei a circa 3A scarsi
vedi tu se ti conviene andare di 12v AC o 16.8 DC
usando una res per calare la tensione a 12.6v DC
K
con 12v AC sei a qualcosa di più di 4A
raddrizzando hai 16.8v DC e sei a circa 3A scarsi
vedi tu se ti conviene andare di 12v AC o 16.8 DC
usando una res per calare la tensione a 12.6v DC
K
Re: TA reciclato per 470 V di anodica
Bel lavoro!
Al posto tuo resterei sull'AC per i filamenti, chiaramente mettendo i filamenti delle finali in serie (anche se non mi piace molto come soluzione):
- 6 x 150 mA di pre, cioè 900mA;
- 1 x 1500 mA di finale se usi le EL34 (perchè sono due ma sono in serie).
Se utilizzi altre valvole finali, il consumo è pure minore, quindi come corrente ci stai senza problemi.
Quanta corrente anodica hai a disposizione?
Al posto tuo resterei sull'AC per i filamenti, chiaramente mettendo i filamenti delle finali in serie (anche se non mi piace molto come soluzione):
- 6 x 150 mA di pre, cioè 900mA;
- 1 x 1500 mA di finale se usi le EL34 (perchè sono due ma sono in serie).
Se utilizzi altre valvole finali, il consumo è pure minore, quindi come corrente ci stai senza problemi.
Quanta corrente anodica hai a disposizione?
Re: TA reciclato per 470 V di anodica
...Anche se sarà pieno di errori e considerando che in linea teorica è solo un'idea di quello che sta prendendo forma, credo che un paio di immagini siano meglio di mille parole ( ...considerato anche che io parlo sempre troppo
):

- Allegati
-
- Visio-triamp PROVA GENERICA.pdf
- (333.1 KiB) Scaricato 304 volte
-
- SCHEMATIC1 _ PAGE1.pdf
- (38.72 KiB) Scaricato 336 volte
Re: TA reciclato per 470 V di anodica
Sto ancora lavorando sull'alimentazione e sul correggere i vari errori dello schema ( ...mi manca il tempo da qualche mese a questa parte! ), quindi pensavo che con questo "BAMBINELLO" di trasformatore potessi risolvere e comprare solo un'induttanza e un TU per single ended adeguato. Ho già quasi concordato con InMadOut. Devo dire una persona disponibile e professionale!
Ricapitolando: con 12 V a 50 VA starei a 50 / 12 = 4,16A . Quindi poco più di 4 A. 6 valvole di pre mi dovrebbe bastare 1 A. 2 KT88 = 3,2 A in parallelo e 1,6 A in serie. Quindi non mi resta che scegliere questa via per starci dentro "decentemente" dato che per la somma totale con le finali in parallelo starei a 4,2 A ! Dato che stare stretti non è una buona cosa: finali con alimentazione in serie e tutto in AC.
Una cosa non mi è chiara: perchè se raddrizzo starei a circa 3 A scarsi ?
Ricapitolando: con 12 V a 50 VA starei a 50 / 12 = 4,16A . Quindi poco più di 4 A. 6 valvole di pre mi dovrebbe bastare 1 A. 2 KT88 = 3,2 A in parallelo e 1,6 A in serie. Quindi non mi resta che scegliere questa via per starci dentro "decentemente" dato che per la somma totale con le finali in parallelo starei a 4,2 A ! Dato che stare stretti non è una buona cosa: finali con alimentazione in serie e tutto in AC.
Una cosa non mi è chiara: perchè se raddrizzo starei a circa 3 A scarsi ?
Ultima modifica di Dom il 03/01/2014, 1:30, modificato 1 volta in totale.
Re: TA reciclato per 470 V di anodica
...Una soluzione ci sarebbe e già mi viene l'acquolina in bocca!!! Mettere a specchio un altro trasfomatorino gemellino di questo quà e i secondari da 12 V in PARALLELO!!! avrei un bel secondario totale con 12 V e 8,32 A
Che goduria! Per non parlare dell'anodica che potrei quasi raddoppiarla per poi diminuirla solo dove serve! Il tutto gratis e senza spendere un soldo.
L'unico inconveniente è che quando alzi la testata dalla maniglia: la parte dove sono i trasformatori potrebbe AMMACCARE non poco chi ti sta vicino !!!!



L'unico inconveniente è che quando alzi la testata dalla maniglia: la parte dove sono i trasformatori potrebbe AMMACCARE non poco chi ti sta vicino !!!!
- Kagliostro
- Amministratore
- Messaggi: 9864
- Iscritto il: 03/12/2007, 0:16
- Località: Prov. di Treviso
Re: TA reciclato per 470 V di anodica
Sì, il problema sarebbe il peso e l'ingombro, due trasfo da 430VA forse sono un po' troppi
a meno che tu non voglia fare una bella testata per basso con qualche centinaio di W
--
La considerazione della corrente disponibile in DC è "spannometrica"
50VA / 12V AC = 4.166A
12V AC x 1.4 = 16.8V DC
50VA / 16.8V DC = 2.976A
---
In realtà la corrente dispobibile si dovrebbe considerare inferiore
http://www.youtube.com/watch?feature=pl ... yJQ48ExHms
http://www.electroyou.it/forum/viewtopi ... 20#p413095
Nonostante tutto questo, di solito, si riesce a fare le cose come ci serve
K
a meno che tu non voglia fare una bella testata per basso con qualche centinaio di W

--
La considerazione della corrente disponibile in DC è "spannometrica"
50VA / 12V AC = 4.166A
12V AC x 1.4 = 16.8V DC
50VA / 16.8V DC = 2.976A
---
In realtà la corrente dispobibile si dovrebbe considerare inferiore
http://www.youtube.com/watch?feature=pl ... yJQ48ExHms
http://www.electroyou.it/forum/viewtopi ... 20#p413095
Nonostante tutto questo, di solito, si riesce a fare le cose come ci serve
K
Re: TA reciclato per 470 V di anodica
K. davvero ottimi link!
Molto ma molto utili ( almeno per me ). Ora riesco a capire un pò meglio.
Mi rendo conto che nonostante i file che ho messo in allegato, non ho proprio risposto correttamente alla domanda di Robi.
Partendo dal fatto che quei file sono un'idea di quello che mi piacerebbe sviluppare, per quanto riguarda l'anodica vorrei tanto avere: Brillantezza, fluidità e dinamica. Avendo letto diversi tread sulle varie possibilità tonali a seconda dell'anodica e considerando che:
Quindi la corrente anodica che avrei a disposizione nel caso del bambinello in foto sarebbe di circa 470 Vcc da applicare ai vari rami dell'ipotetica testatina rappresentata nei pdf.
Il problema è che ora mi trovo un pò spiazzato per quanto riguarda il finale, dato che stavo cominciando a farmi i conti con questo tipo di TU:
Potenza massima: 45 w ( o almeno 35 w )
Impedenza primario: 1500 ohm
Corrente massima: 200 / 250 mA
Impedenze secondario: 4 / 8 / 16 Ohm ( indispensabili sono almeno 8 e 16 Ohm )
Avevo intenzione di fare un Single ended parallelo sfruttando due KT88 accoppiate.
Dai miei calcoli 45 W con 1500 Ohm e 250 mA, risulterebbe un sovraddimensionamento accettabile per i valori che "realmente" servono per il circuito, ovvero : 30/35 W con 1500 Ohm e 200 mA ( stando ai datasheet delle kt88 ).
Naturalmente nulla vieta di considerare altre valvole o altre soluzioni fermo restando che vorrei un single ended.
Molto ma molto utili ( almeno per me ). Ora riesco a capire un pò meglio.
Mi rendo conto che nonostante i file che ho messo in allegato, non ho proprio risposto correttamente alla domanda di Robi.
Partendo dal fatto che quei file sono un'idea di quello che mi piacerebbe sviluppare, per quanto riguarda l'anodica vorrei tanto avere: Brillantezza, fluidità e dinamica. Avendo letto diversi tread sulle varie possibilità tonali a seconda dell'anodica e considerando che:
...diciamo che mi piacerebbe avere la più alta anodica possibile ( ...ovviamente rapportata al tipo di TA da me disponibile ) per questo tipo di testata ancora in procinto di esistere. Avendo TANTA anodica potrei sperimentare sia gli effetti sonori derivanti da essa e sia gli effetti di compressione e di quantaltro dato che potrei sempre abbassarla con le rispettive resistenze anodiche. In pratica ( suppongo ) se ne hai tanta di anodica puoi sentire sia le differenze sonore in un senso e sia in un altro dato che la puoi abbassare. Se io avessi solo a disposizione un secondario di un trasformatore da 0 - 180 VAc, potrei sentire SOLO l'effetto dato da QUELLA anodica ( circa 251.8 Vcc ), ma se posso partire da un massimo e scendere fino ad un minimo avrei una più ampia scelta tonale. DIco bene?robi ha scritto:...Tendenzialmente maggiore tensione equivale a maggiore attacco, brillantezza e dinamica.
Quindi la corrente anodica che avrei a disposizione nel caso del bambinello in foto sarebbe di circa 470 Vcc da applicare ai vari rami dell'ipotetica testatina rappresentata nei pdf.
Il problema è che ora mi trovo un pò spiazzato per quanto riguarda il finale, dato che stavo cominciando a farmi i conti con questo tipo di TU:
Potenza massima: 45 w ( o almeno 35 w )
Impedenza primario: 1500 ohm
Corrente massima: 200 / 250 mA
Impedenze secondario: 4 / 8 / 16 Ohm ( indispensabili sono almeno 8 e 16 Ohm )
Avevo intenzione di fare un Single ended parallelo sfruttando due KT88 accoppiate.
Dai miei calcoli 45 W con 1500 Ohm e 250 mA, risulterebbe un sovraddimensionamento accettabile per i valori che "realmente" servono per il circuito, ovvero : 30/35 W con 1500 Ohm e 200 mA ( stando ai datasheet delle kt88 ).
Naturalmente nulla vieta di considerare altre valvole o altre soluzioni fermo restando che vorrei un single ended.
- Kagliostro
- Amministratore
- Messaggi: 9864
- Iscritto il: 03/12/2007, 0:16
- Località: Prov. di Treviso
Re: TA reciclato per 470 V di anodica
Se hai voglia di sperimentare, visto che con quel TA non dovrebbe essere difficile ricavare sia la tensione per le placche che per le griglie (più bassa)
un paio di GU50 in PSE (circa 18W ognuna = 36W circa)
300V anodica - 250V griglia - Filamento a 12.6V circa 800mA ogni valvola
per i dati puoi fare riferimento al datasheet della EL152 Telefunken
(versione civile della LS50 militare tedesca - la GU50 è la versione militare russa)
qui zoccoli e valvole (a prezzo modico)
http://valvole-audio.com/advanced_searc ... 50&x=0&y=0
http://valvole-audio.com/product_info_gu-50-fu-50.html
Le valvole comunque si trovano anche a meno, per gli zoccoli il discorso è un po' diverso in quanto quelli originali sono dei veri mostri di robustezza
http://www.ebay.com/itm/GU50-50-LS50-LO ... 1235244196
http://www.ebay.com/itm/Selected-DUO-Y- ... 0968013427
Lo so, è un po' troppo temerario
K
un paio di GU50 in PSE (circa 18W ognuna = 36W circa)
300V anodica - 250V griglia - Filamento a 12.6V circa 800mA ogni valvola
per i dati puoi fare riferimento al datasheet della EL152 Telefunken
(versione civile della LS50 militare tedesca - la GU50 è la versione militare russa)
qui zoccoli e valvole (a prezzo modico)
http://valvole-audio.com/advanced_searc ... 50&x=0&y=0
http://valvole-audio.com/product_info_gu-50-fu-50.html
Le valvole comunque si trovano anche a meno, per gli zoccoli il discorso è un po' diverso in quanto quelli originali sono dei veri mostri di robustezza
http://www.ebay.com/itm/GU50-50-LS50-LO ... 1235244196
http://www.ebay.com/itm/Selected-DUO-Y- ... 0968013427
Lo so, è un po' troppo temerario

K
Re: TA reciclato per 470 V di anodica
Sarà anche troppo temerario ma mi intriga parecchio. Mai viste queste valvole, ma dopo un rapido giro in rete ho saputo che sono una valida alternativa alle KT88, cosa che mi intriga ancora di +!
Praticamente potrei sfruttare l'alimentazione in parallelo anzichè in serie ( cosa che mi garba molto ) rientrando nei limiti ( 800 X 2 = 1,6 A )riuscendo ad avere lo stesso vattaggio prefissato di ottenere con 2 KT88.
Quindi in termini di tensione ci starei, in amperaggio anche e come prezzo andrei a spendere addirittura di meno. Mi hai trovato una soluzione davvero fantastica.
Ho solo una domanda: lo zoccolo per le GU50 non è un normale octal, dico bene ?
In altre parole se scelgo questa coppia di valvole con i relativi zoccoli, sarei costretto a montare solo quel tipo di valvole e non una EL34 o una 6V6 che potrei montare con un octal normale, dico bene?
Praticamente potrei sfruttare l'alimentazione in parallelo anzichè in serie ( cosa che mi garba molto ) rientrando nei limiti ( 800 X 2 = 1,6 A )riuscendo ad avere lo stesso vattaggio prefissato di ottenere con 2 KT88.
Quindi in termini di tensione ci starei, in amperaggio anche e come prezzo andrei a spendere addirittura di meno. Mi hai trovato una soluzione davvero fantastica.
Ho solo una domanda: lo zoccolo per le GU50 non è un normale octal, dico bene ?



In altre parole se scelgo questa coppia di valvole con i relativi zoccoli, sarei costretto a montare solo quel tipo di valvole e non una EL34 o una 6V6 che potrei montare con un octal normale, dico bene?
- Kagliostro
- Amministratore
- Messaggi: 9864
- Iscritto il: 03/12/2007, 0:16
- Località: Prov. di Treviso
Re: TA reciclato per 470 V di anodica
Dovresti predisporre una "piazzola" intercambiabile in alluminio con gli zoccoli
oppure degli zoccoli standard in parallelo a quelli delle GU50
purtroppo con quegli zoccoli non puoi montare le classiche octal
Tieni presente che quelle valvole sono usate in prevalenza dagli appassionati
di HiFi in quanto dicono siano molto lineari
K
oppure degli zoccoli standard in parallelo a quelli delle GU50
purtroppo con quegli zoccoli non puoi montare le classiche octal

Tieni presente che quelle valvole sono usate in prevalenza dagli appassionati
di HiFi in quanto dicono siano molto lineari
K
Re: TA reciclato per 470 V di anodica
...Credo proprio che tenterò di fare una cosa del genere. Sto cercando una specie di adattore di socket, se non si trova cercherò di fare come mi hai consigliato.
Non conosco le valvole ma ho visto in rete pareri positivi su di esse. Considerando che risolvono le mie esigenze di corrente ( anche a me non piace molto l'idea di mettere l'alimentazione in serie ) e arriverei ad un vattaggio teorico di circa 36 watt, perchè no ?
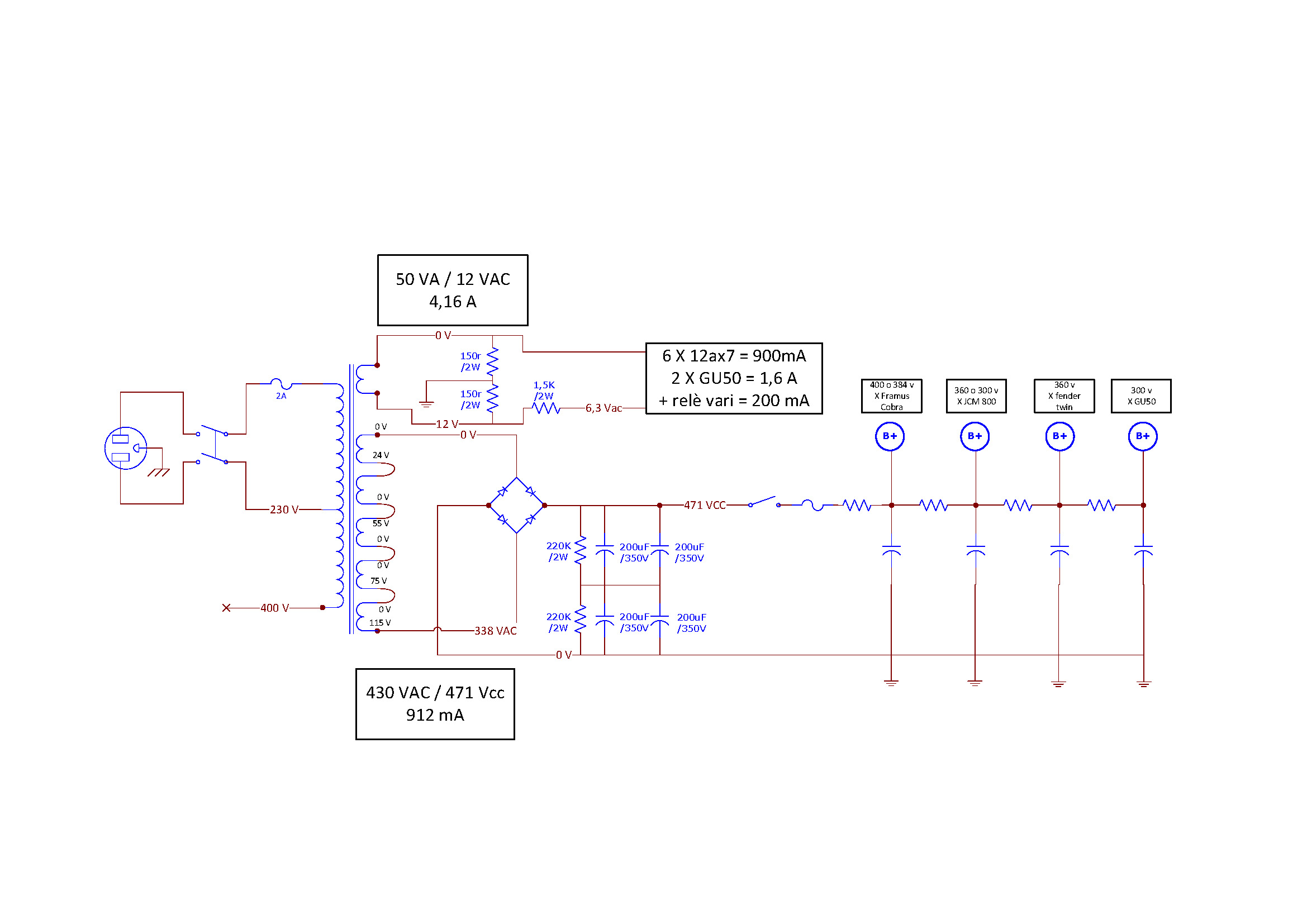
Ho provato a disegnare uno schema del possibile impiego di questo TA con le mie esigenze. Mi dite se ho fatto qualche fesseria ?
Non conosco le valvole ma ho visto in rete pareri positivi su di esse. Considerando che risolvono le mie esigenze di corrente ( anche a me non piace molto l'idea di mettere l'alimentazione in serie ) e arriverei ad un vattaggio teorico di circa 36 watt, perchè no ?
Ho provato a disegnare uno schema del possibile impiego di questo TA con le mie esigenze. Mi dite se ho fatto qualche fesseria ?
Re: TA reciclato per 470 V di anodica
una domanda forse un pò stupida, ma vorrei levarmi il dubbio:
Collegando la 220 VAC al primario tramite i morsetti 0V e 400V cambia qualcosa in termini di resa del TA oppure è solo cavolata esoterica di qualche fissato?
Lo chiedo perchè c'è qualcuno che mi ha detto che va meglio, ma francamente mi sembra un pò strano.
Collegando la 220 VAC al primario tramite i morsetti 0V e 400V cambia qualcosa in termini di resa del TA oppure è solo cavolata esoterica di qualche fissato?
Lo chiedo perchè c'è qualcuno che mi ha detto che va meglio, ma francamente mi sembra un pò strano.
Re: TA reciclato per 470 V di anodica
Collegando 220VAC alla presa da 400VAC abbassi la tensione disponibile ai secondari perche' cambi il rapporto di trasformazione fra primario e secondari.
Avrai circa 200VAC disponibili al secondario HT e 3VAC sul secondario dei filamenti cosi' facendo...
Io te lo sconsiglio vivamente, non tanto per l'anodica quanto per i filamenti che cosi' proprio non vanno.
Avrai circa 200VAC disponibili al secondario HT e 3VAC sul secondario dei filamenti cosi' facendo...
Io te lo sconsiglio vivamente, non tanto per l'anodica quanto per i filamenti che cosi' proprio non vanno.
Live another day, climb a little higher, find another reason to stay...
- Kagliostro
- Amministratore
- Messaggi: 9864
- Iscritto il: 03/12/2007, 0:16
- Località: Prov. di Treviso
Re: TA reciclato per 470 V di anodica
Se qualcuno ha messo in giro una storia del genere ne capisce molto ma molto poco di trasformatori
a meno che il discorso non divaghi sull'uso di alimentazione a 400V trifase che, a detta di molti appassionati HiFi raddrizzata darebbe un'alimentazione migliore con un ripple più contenuto (e l'impossibilità di andare a suonare dove non sono attrezzati con la 400V)
---
Se effettivamente usi le GU50 potresti anche fare il wiring con degli zoccoli octal normali
e farti degli adattatori, ma devi essere bravino con le costruzioni meccaniche
Occhio che le GU50 non hanno la chiave per l'inserimento sulla parte inferiore ma sul vetro
su quegli zoccoli di cui ti ho postato il link (quelli semplici ceramici) ci sono due fresature
che indicano il pin di riferimento, ma devi essere tu a controllare bene quando inserisci le valvole
---
Riguardo al PS non è che lo abbia controllato in dettaglio, ma visto che le GU50 prediligono l'avere la tensione di griglia più bassa della placca, forse potresti usare una presa intermedia per avere un'uscita dedicata alle griglie
Ad essere sofistici prima del ponte non si dovrebbe indicare 0v, ovviamente si tratta di alternata e quindi i 328v sono anche in quel ramo
---
Parlando sempre del PS, visto che le finali usano tensione più bassa dei pre, per evitare che la richiesta di corrente da parte delle finali vada ad incidere sul funzionamento dei pre, io farei due rami distinti (più o meno tipo AC30) uno per le finali e l'altro per i pre
Ah, dimenticavo, per le finali i filamenti in serie non è che proprio siano da evitare come la peste bubbonica, visto che il segnale che arriva alle finali è abbastanza alto, le stesse sono meno soggette ad amplificare humm
Ciao
K
a meno che il discorso non divaghi sull'uso di alimentazione a 400V trifase che, a detta di molti appassionati HiFi raddrizzata darebbe un'alimentazione migliore con un ripple più contenuto (e l'impossibilità di andare a suonare dove non sono attrezzati con la 400V)
---
Se effettivamente usi le GU50 potresti anche fare il wiring con degli zoccoli octal normali
e farti degli adattatori, ma devi essere bravino con le costruzioni meccaniche
Occhio che le GU50 non hanno la chiave per l'inserimento sulla parte inferiore ma sul vetro
su quegli zoccoli di cui ti ho postato il link (quelli semplici ceramici) ci sono due fresature
che indicano il pin di riferimento, ma devi essere tu a controllare bene quando inserisci le valvole
---
Riguardo al PS non è che lo abbia controllato in dettaglio, ma visto che le GU50 prediligono l'avere la tensione di griglia più bassa della placca, forse potresti usare una presa intermedia per avere un'uscita dedicata alle griglie
Ad essere sofistici prima del ponte non si dovrebbe indicare 0v, ovviamente si tratta di alternata e quindi i 328v sono anche in quel ramo

---
Parlando sempre del PS, visto che le finali usano tensione più bassa dei pre, per evitare che la richiesta di corrente da parte delle finali vada ad incidere sul funzionamento dei pre, io farei due rami distinti (più o meno tipo AC30) uno per le finali e l'altro per i pre
Ah, dimenticavo, per le finali i filamenti in serie non è che proprio siano da evitare come la peste bubbonica, visto che il segnale che arriva alle finali è abbastanza alto, le stesse sono meno soggette ad amplificare humm
Ciao
K