L'idea è quella di utilizzare chassis e trasformatori e rifare tutto il circuito con componenti nuovi.
Quindi, già che ci sono, vorrei apportare delle modifiche allo schema.
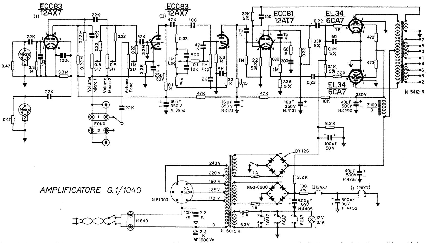
L'ampli ha un trasformatore di uscita da 4k, un choke da 3H e un trasformatore di alimentazione 6V-4A / 39,2V-150mA / 332V-270mA (332V e 39,2V, indicati anche nell'etichetta del trasformatore, sono i valori post rettifica).
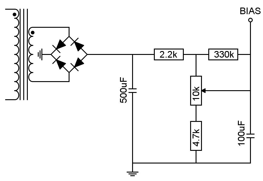
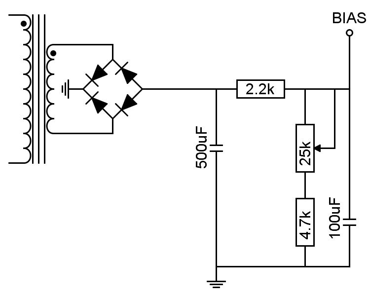
Oltre la modifica alla sezione preamplificatrice, con l'aggiunta di un tone stack tmb, volevo utilizzare long tail phase inverter (magari anche con controlli di presence e resonance), controllo di bias e 5881/6l6 al posto delle el34: sarebbe una conversione possibile quella delle finali?
Secondo voi vale la pena modificare lo schema così pesantemente o conviene modificare solo la sezione di pre e lasciare phase inverter e stadio finali come da schema originale?
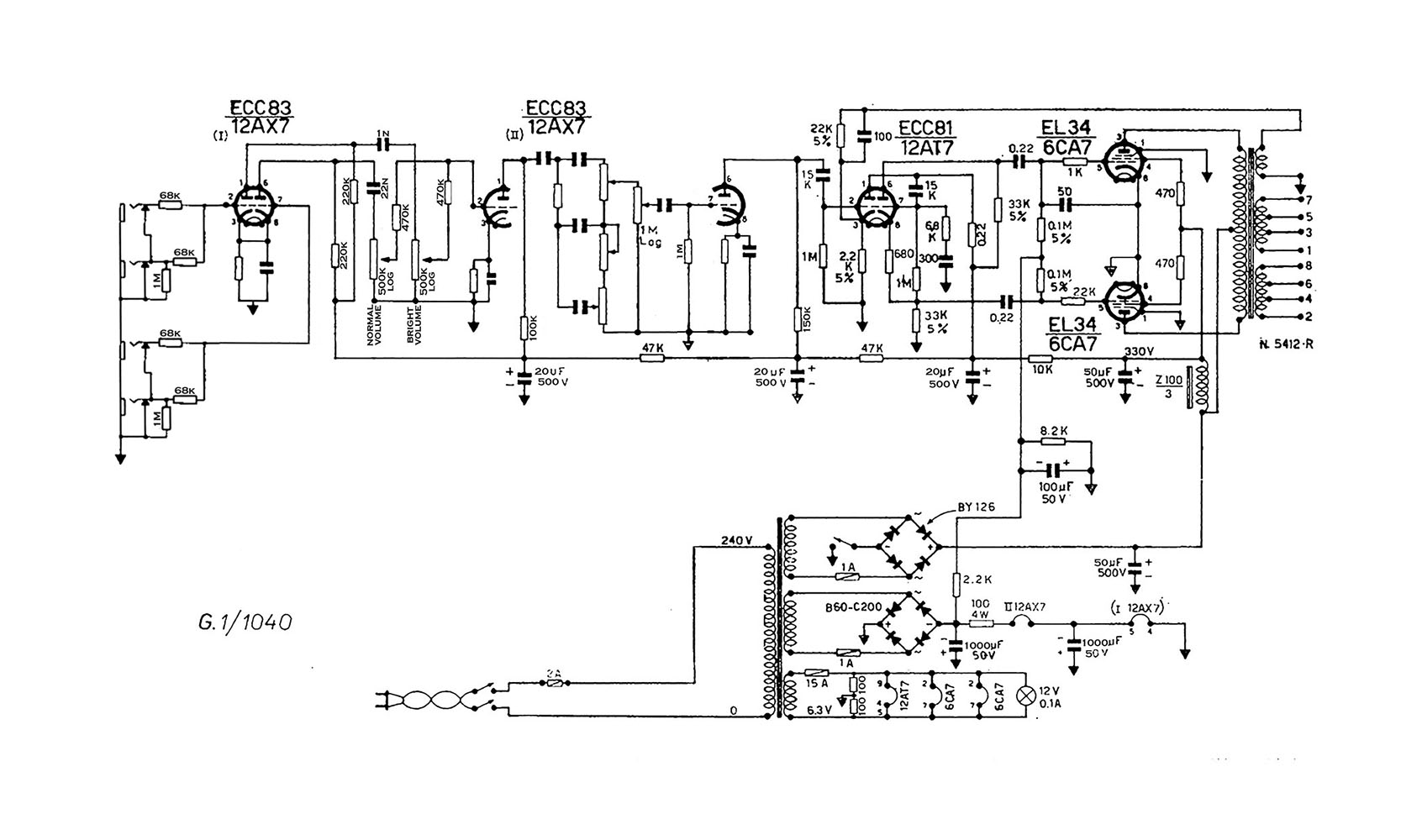
Allego lo schema originale dell'ampli e lo schema di base con le modifiche alla sezione preamplificatrice.
Grazie a tutti anticipatamente per l'aiuto



