Trasformatore Alimentazione Plexi 100W
Trasformatore Alimentazione Plexi 100W
Ciao Ragazzi
Mi sto facendo un 100W JMP e ho un dubbio sulle specifiche che ho nel trasformatore di alimentazione.
Per quanto riguarda la parte HT ho trovato sul foglietto allegato ai trasformatori due uscite una a 175V e una a 350V insieme allo 0.
Quale delle due devo collegare allo switch dello standby per poi andare sul ponte a diodi?
Grazie
Buon proseguimento
Max
Mi sto facendo un 100W JMP e ho un dubbio sulle specifiche che ho nel trasformatore di alimentazione.
Per quanto riguarda la parte HT ho trovato sul foglietto allegato ai trasformatori due uscite una a 175V e una a 350V insieme allo 0.
Quale delle due devo collegare allo switch dello standby per poi andare sul ponte a diodi?
Grazie
Buon proseguimento
Max
- Kagliostro
- Amministratore

- Messaggi: 9949
- Iscritto il: 03/12/2007, 0:16
- Località: Prov. di Treviso
Re: Trasformatore Alimentazione Plexi 100W
Posta lo schema che stai usando che ne parliamo
K
K
-
MapleMarco
- Roger Mayer Jr.

- Messaggi: 2658
- Iscritto il: 02/06/2012, 14:22
- Località: Mirano (VE)
Re: Trasformatore Alimentazione Plexi 100W
è solo stato più "tedesco" nel segnalare come è fatto il trafo!
in sostanza hai
-175 (segnato come 0)
0 (segnato come 175)
+175 (segnato come 350)
quindi lo 0 (segnato come 175) devi mandarlo a massa, il -175 (segnato come 0) e il +175 (segnato come 350) sono quelli che vanno ai diodi...con una rettifica fullwave.
in sostanza hai
-175 (segnato come 0)
0 (segnato come 175)
+175 (segnato come 350)
quindi lo 0 (segnato come 175) devi mandarlo a massa, il -175 (segnato come 0) e il +175 (segnato come 350) sono quelli che vanno ai diodi...con una rettifica fullwave.
CHE DIO B'ASSISTA!
- Kagliostro
- Amministratore

- Messaggi: 9949
- Iscritto il: 03/12/2007, 0:16
- Località: Prov. di Treviso
Re: Trasformatore Alimentazione Plexi 100W
Calma ..... prima bisogna vedere lo schema
Se il TA fosse 175v-0-175v lo avrebbero scritto, è diverso da un 0-175v-350v
e se lo schema fosse questo ................
K
Se il TA fosse 175v-0-175v lo avrebbero scritto, è diverso da un 0-175v-350v
e se lo schema fosse questo ................
K
Re: Trasformatore Alimentazione Plexi 100W
no problem kaglio
è il trafo che sto usando pure io...
è una notazione diversa per dire 175-0-175
è il trafo che sto usando pure io...
è una notazione diversa per dire 175-0-175
Re: Trasformatore Alimentazione Plexi 100W
Ciao Grazie delle risposte !!
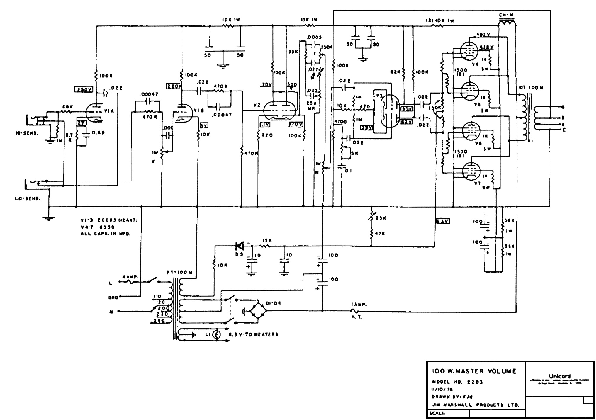
Allora lo schema di riferimento è questo
http://www.drtube.com/schematics/marshall/1959u.gif
che mi sembra più o meno simile a quello di Kagliostro....
Ho provato a misurare la tensione del filo grigio segnato sul datasheet, prima di aprire l'interruttore dello standby, ed in effetti ho misurato 350V tondi tondi, mi manca la misurazione del filo giallo...
Cercando su google mi sono fatto una ricerca dei trasformatori per JMP O JCM 100 W trovando quasi sempre una tensione di 175-0-175 ma mai 0-175-350 ...
Non capisco
Forse sono io poco pratico??
Grazie aspetto Vs news
Allora lo schema di riferimento è questo
http://www.drtube.com/schematics/marshall/1959u.gif
che mi sembra più o meno simile a quello di Kagliostro....
Ho provato a misurare la tensione del filo grigio segnato sul datasheet, prima di aprire l'interruttore dello standby, ed in effetti ho misurato 350V tondi tondi, mi manca la misurazione del filo giallo...
Cercando su google mi sono fatto una ricerca dei trasformatori per JMP O JCM 100 W trovando quasi sempre una tensione di 175-0-175 ma mai 0-175-350 ...
Forse sono io poco pratico??
Grazie aspetto Vs news
-
MapleMarco
- Roger Mayer Jr.

- Messaggi: 2658
- Iscritto il: 02/06/2012, 14:22
- Località: Mirano (VE)
Re: Trasformatore Alimentazione Plexi 100W
un avvolgimento col tap centrale equivale a due avvolgimenti uguali messi in serie...
in tedeschia per non fare confusione si misura sempre dalla presa più vicina al nucleo lo zero e via via crescendo...
in campo audio questa regola credevo non fosse rispettata...mentre per trafi da utensileria o altro tedeschi è rigorosissima...
in sostanza è la stessa cosa solo scritta in un modo diverso!!!
in tedeschia per non fare confusione si misura sempre dalla presa più vicina al nucleo lo zero e via via crescendo...
in campo audio questa regola credevo non fosse rispettata...mentre per trafi da utensileria o altro tedeschi è rigorosissima...
in sostanza è la stessa cosa solo scritta in un modo diverso!!!
CHE DIO B'ASSISTA!
Re: Trasformatore Alimentazione Plexi 100W
Maxi vai tranquillo che sto usando lo stesso trafo sulla mia 1959T di cui c'è ampia documentazione sul forum

- Kagliostro
- Amministratore

- Messaggi: 9949
- Iscritto il: 03/12/2007, 0:16
- Località: Prov. di Treviso
Re: Trasformatore Alimentazione Plexi 100W
Ah, OK, se siete sicuri
K
K
Re: Trasformatore Alimentazione Plexi 100W
Sicurissimi! 
Ma il centrale non va a massa, va collegato come da schema!
Ma il centrale non va a massa, va collegato come da schema!
Re: Trasformatore Alimentazione Plexi 100W
Grazie a tutti delle risposte !! Siete stati molto precisi perchè sinceramente nn lo sapevo davvero. Certo che Ingo poteva essere anche meno nazionalista trattando trasformatori da esportare fuori dalla Germania
Confermo quanto detto da robi di mandare lo 0 sui main filters invece che a massa
Complimenti meritil per il lavoro fatto sul 1959T, per adesso mi fermo alla 1959 semplice con aggiunta del MV ... mi sono innamorato della 1987 che nn ho resisitito a fare anche il 100W !
provo e faccio sapere
Confermo quanto detto da robi di mandare lo 0 sui main filters invece che a massa
Complimenti meritil per il lavoro fatto sul 1959T, per adesso mi fermo alla 1959 semplice con aggiunta del MV ... mi sono innamorato della 1987 che nn ho resisitito a fare anche il 100W !
provo e faccio sapere
-
MapleMarco
- Roger Mayer Jr.

- Messaggi: 2658
- Iscritto il: 02/06/2012, 14:22
- Località: Mirano (VE)
Re: Trasformatore Alimentazione Plexi 100W
perdonate la gaffe,
con il CT a massa ti si sarebbero perennemente bruciati i diodi verso massa del bridge.

credevo si stesse parlando di una rettifica fullwave alla SLO per capirsi.
con il CT a massa ti si sarebbero perennemente bruciati i diodi verso massa del bridge.
credevo si stesse parlando di una rettifica fullwave alla SLO per capirsi.
CHE DIO B'ASSISTA!
Re: Trasformatore Alimentazione Plexi 100W
Dopo una settimana di lavoro che mi ha annientato ho seguito tutte le Vs. istruzioni e i collegamenti fatti in modo giusto.
Grazie i Vs. preziosi aiuti
Max
Grazie i Vs. preziosi aiuti
Max
