Power Supply 36W
Power Supply 36W
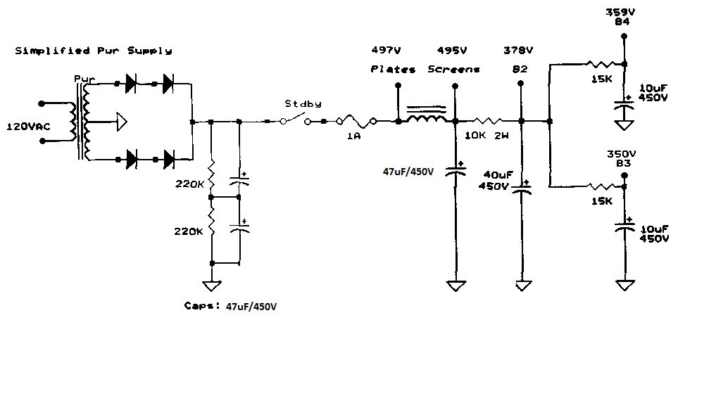
Buongiorno a tutti, stavo iniziando un progetto un po' particolare ovvero un pre Mesa Mark, grandiosamente sviluppato da MapleMarco con un finale 36W composto da 4 ECL86 (pratcamente 4 El84),come da titolo ho abbozzato un'idea sull'alimentazione, i voltaggi segnati non sono quelli reali ma quelli dello schema da cui ho preso spunto,i valori dei cap di filtro invece sono quelli che andrò a usare.Ogni suggerimento/critica è ben accetto
- Kagliostro
- Amministratore

- Messaggi: 9868
- Iscritto il: 03/12/2007, 0:16
- Località: Prov. di Treviso
Re: Power Supply 36W
Ciao Fabio
In definitiva quanto avresti di tensione DC in uscita dal ponte ?
K
In definitiva quanto avresti di tensione DC in uscita dal ponte ?
K
Re: Power Supply 36W
avevo in mente un T.A. con 300-0-300V al secondario quindi 400V/410V dopo il ponte ma forse mi bastano meno considerando che le PCL supportano fino a 550V ma in classe A sul datasheet le tengono intorno ai 230V...
- Kagliostro
- Amministratore

- Messaggi: 9868
- Iscritto il: 03/12/2007, 0:16
- Località: Prov. di Treviso
Re: Power Supply 36W
OK, 300v x 1.4 = 420v, per cui cap minimo da 450v, come quelli che indichi nello schemino
il problema erano i 497v DC indicati che non potevano andare con i cap da 450v
(a meno che tu non li mettessi in serie come subito dopo il ponte nel tuo schemino)
---
Se si tratta di PCL86 i datasheet riportano 230v anodica se invece sono ecl86 arrivano (in PP con carico di 9.1kohm) a 300v di anodica
Partendo da 300v AC direi che sei troppo alto con l'anodica, un conto è abbassarla per le valvole di pre dove la corrente che scorre è poca, un conto è farlo per le finali, ammesso di survoltare un po' le pcl86 sino a circa 300v di anodica, come se fossero delle ecl86, dovresti partire da circa 210v AC per non avere una tensione troppo alta
K
il problema erano i 497v DC indicati che non potevano andare con i cap da 450v
(a meno che tu non li mettessi in serie come subito dopo il ponte nel tuo schemino)
---
Se si tratta di PCL86 i datasheet riportano 230v anodica se invece sono ecl86 arrivano (in PP con carico di 9.1kohm) a 300v di anodica
Partendo da 300v AC direi che sei troppo alto con l'anodica, un conto è abbassarla per le valvole di pre dove la corrente che scorre è poca, un conto è farlo per le finali, ammesso di survoltare un po' le pcl86 sino a circa 300v di anodica, come se fossero delle ecl86, dovresti partire da circa 210v AC per non avere una tensione troppo alta
K
Re: Power Supply 36W
Ok, il T.A. non l'avevo ancora scelto ma grazie ai tuoi consigli non sarà un problema, i cap di filtro invece sono abbastanza e posizionati correttamente? B2 sabbe la P.I, B3 potrebbe fae il doppio triodo del send-return e B4 sarebbero i primi stadi di guadagno, clean/crunch/lead...troppo carico su un cap solo?
- Kagliostro
- Amministratore

- Messaggi: 9868
- Iscritto il: 03/12/2007, 0:16
- Località: Prov. di Treviso
Re: Power Supply 36W
Prendi spunto da un amp che abbia più o meno l'architettura di quello che vuoi costruire e basati su quello per il PS
Naturalmente la prima discriminazione da fare nella scelta del modello è se vuoi rifarti ad un PS che usa un'impedenza di filtro o a uno che non la usa, ovviamente senza impedenza risparmi qualche soldino ...
K
Naturalmente la prima discriminazione da fare nella scelta del modello è se vuoi rifarti ad un PS che usa un'impedenza di filtro o a uno che non la usa, ovviamente senza impedenza risparmi qualche soldino ...
K
Re: Power Supply 36W
Con 420 di anodica io terrei almeno 500V per i filtri di alimentazione.
Con un +10% (che non è anomalissimo) ti trovi già 460V, ed i 450V non bastano.
Con un +10% (che non è anomalissimo) ti trovi già 460V, ed i 450V non bastano.
Re: Power Supply 36W
La ps infatti l ho copiata dalla slo che ha un pre simile a quello che sto facendo,ho solo tolto alcuni cap visto il wattaggio decisamente minore,tenendo conto anche dell impatto sonoro del ripple
Re: Power Supply 36W
Che impatto sonoro ha il ripple?
Re: Power Supply 36W
Leggevo tempo fa che il ripple taglia alcune frequenze e armoniche il che porta a un aumento della distorsione (variazioni davvero minime comunque)
Re: Power Supply 36W
Se tagli le armoniche abbassi la distorsione, non la alzi.
Comunque 22 micro sono un po' pochini per 36 W.
Comunque 22 micro sono un po' pochini per 36 W.
Re: Power Supply 36W
Ah i primi 2 cap in serie dici...si,in effetti avrebbe piu senso metterli in parallelo come fa marshall...o semplicemente mettere un 47uF e morta li?
Re: Power Supply 36W
Riesumo questo post perché sempre di power supply parliamo... Ho sviluppato la PCB qua sotto con un trafo da 2 avvolgimenti,uno 0-380 e l 'altro 0-100v...la questione era di unirli in modo da avere 480vac per le finali e 380 vac per il pre....in un certo senso ha funzionato ovvero dopo aver messo i componenti ho misurato +542v e +134v in DC...non male...se non fosse che non riesco a ottenere -60v DC nel ramo bias(alla destra nella PCB)...è corretto come l ho disegnato?( ho sbagliato il verso dei diodi dei 2 ponti ma nella realtà li ho messi giusti)
- Kagliostro
- Amministratore

- Messaggi: 9868
- Iscritto il: 03/12/2007, 0:16
- Località: Prov. di Treviso
Re: Power Supply 36W
Se puoi fai uno schizzo dello schema
K
K
Re: Power Supply 36W
In allegato lo schema...non riesco a ottenere la tensione negativa del bias perché come dicevo la rettifica dei 2 rami funziona...in più durante le misurazioni ho provocato una scintilla che ha bruciacchiato la pista ma credo sia stata colpa del puntale,i cap sono a posto

