Calotte ... dove prenderle e .... quali ??
- Kagliostro
- Amministratore

- Messaggi: 9869
- Iscritto il: 03/12/2007, 0:16
- Località: Prov. di Treviso
Calotte ... dove prenderle e .... quali ??
Avrei bisogno di 6 calotte e/o 6 telai
per 3 trasformatori (di dimensioni identiche tra loro)
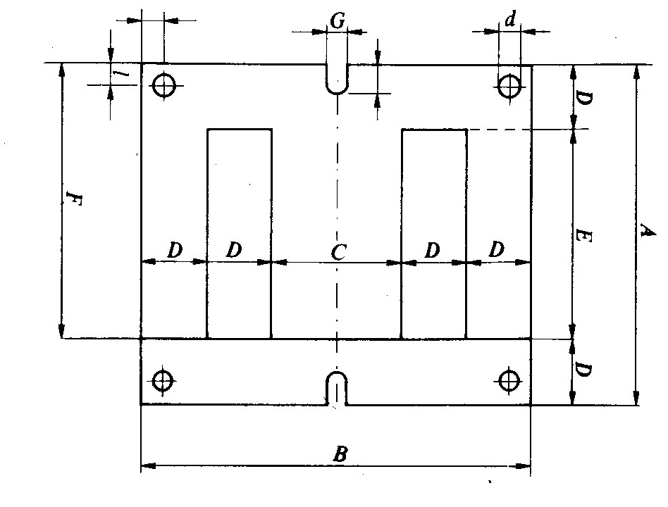
la distanza tra i fori sui lamierini è di 80mm e 65mm (da cento foro a centro foro)
Come riferimento, presso il noto fornitore, viene indicata la misura della colonna dei lamierini, misura che non ho
e non vorrei smontare i trasfo per averla
Qualcuno saprebbe dirmi dove poter trovare almeno la corrispondenza tra le misure dei fori e le colonne ??
Potrei anche scrivere al noto fornitore chiedendo info ........... ma ......... se riuscissi ad evitare ............
GRAZIE
K
per 3 trasformatori (di dimensioni identiche tra loro)
la distanza tra i fori sui lamierini è di 80mm e 65mm (da cento foro a centro foro)
Come riferimento, presso il noto fornitore, viene indicata la misura della colonna dei lamierini, misura che non ho
e non vorrei smontare i trasfo per averla
Qualcuno saprebbe dirmi dove poter trovare almeno la corrispondenza tra le misure dei fori e le colonne ??
Potrei anche scrivere al noto fornitore chiedendo info ........... ma ......... se riuscissi ad evitare ............
GRAZIE
K
Re: Calotte ... dove prenderle e .... quali ??
colonna 32, cmq e 64 nn 65 il lato corto
Re: Calotte ... dove prenderle e .... quali ??
oppure misura esternamente, che cosi sei sicuro al 100 per cento. Dato che il diametro dei fori dipende da chi fa il lamierino sul tuo dovrebbe essere 6mm
- Kagliostro
- Amministratore

- Messaggi: 9869
- Iscritto il: 03/12/2007, 0:16
- Località: Prov. di Treviso
Re: Calotte ... dove prenderle e .... quali ??
Grazie PIADINA
Al momento i trasfo sono montati (con un telaio parziale) ed ho misurato cercando di essere il più preciso possibile nell'identificare il centro della vite di fissaggio
Se proprio bisogna, tolgo ad uno i telai attuali e misuro
---
Colonna 32 fa 64mm al lato corto e .... al lato lungo, magari anche domani o dopo, hai la possibilità di verificare quanto fa ?
Che se corrisponde a colonna 32 allora posso cercare di fare l'ordine
GRAZIE
K
Al momento i trasfo sono montati (con un telaio parziale) ed ho misurato cercando di essere il più preciso possibile nell'identificare il centro della vite di fissaggio
Se proprio bisogna, tolgo ad uno i telai attuali e misuro
---
Colonna 32 fa 64mm al lato corto e .... al lato lungo, magari anche domani o dopo, hai la possibilità di verificare quanto fa ?
Che se corrisponde a colonna 32 allora posso cercare di fare l'ordine
GRAZIE
K
Re: Calotte ... dove prenderle e .... quali ??
no piano se sono montati tanto meglio, misuri il lamierino ma nn i fuori. nel tuo caso lamierino montato con i e E deve fare 80x96 mm che corrisponde al modello EI96
- Kagliostro
- Amministratore

- Messaggi: 9869
- Iscritto il: 03/12/2007, 0:16
- Località: Prov. di Treviso
Re: Calotte ... dove prenderle e .... quali ??
Cioè intendi che devo misurare le dimensioni esterne di ingombro del pacco lamierini ?
Domani mattina provvedo subito (i trasfo sono giù, in garage)
GRAZIE
K
Domani mattina provvedo subito (i trasfo sono giù, in garage)
GRAZIE
K
- Kagliostro
- Amministratore

- Messaggi: 9869
- Iscritto il: 03/12/2007, 0:16
- Località: Prov. di Treviso
Re: Calotte ... dove prenderle e .... quali ??
Sono stato impegnato in altro e mi son dimenticato di inserire le misure dei lamierini
Come previsto da Piadina sono 96mm x 80mm (EI96)
Sono colonna 32 ???
Qualcuno sa se esiste una tabella con le misure dei lamierini standard ?
---
Piadina, per caso hai idea di dove si possano ordinale le calotte ed i telai per i trasfo ?
L'unico fornitore che mi viene in mente è il noto fornitore, qualcuno sa di alternative ?
GRAZIE
K
Come previsto da Piadina sono 96mm x 80mm (EI96)
Sono colonna 32 ???
Qualcuno sa se esiste una tabella con le misure dei lamierini standard ?
---
Piadina, per caso hai idea di dove si possano ordinale le calotte ed i telai per i trasfo ?
L'unico fornitore che mi viene in mente è il noto fornitore, qualcuno sa di alternative ?
GRAZIE
K
Re: Calotte ... dove prenderle e .... quali ??
Sul sito di TAD mi sembrava averle viste, ma costano uguale mi sa... 
- Kagliostro
- Amministratore

- Messaggi: 9869
- Iscritto il: 03/12/2007, 0:16
- Località: Prov. di Treviso
Re: Calotte ... dove prenderle e .... quali ??
Ciao Pasquale
TAD .... stiamo a vedere se salta fuori qualcosa d'altro
---
nel frattempo ho trovato questa
Mi piacerebbe, comunque, sapere se esiste una nomenclatura standard, tipo l'EI96 cui fa riferimento Piadina
K
TAD .... stiamo a vedere se salta fuori qualcosa d'altro
---
nel frattempo ho trovato questa
Mi piacerebbe, comunque, sapere se esiste una nomenclatura standard, tipo l'EI96 cui fa riferimento Piadina
K
Re: Calotte ... dove prenderle e .... quali ??
il lato lungo determina il numero da mettere dopo EI, poi esistono altri modelli UI ma meglio non Addentrarsi oltre.
le mi misure sn sempre quelle, colonna 25 lato 75, colonna 32 lato 96, 40-120, 50-150, 60-180, 80-240, se noti ce un fattore di moltiplicazione x3, cioe per trovare il lato lungo devi fare colonna x3. Lunica cosa nn standard sono i fori dato che ogni costruttore puo scegliere diametri diversi, ma sn cmq piccole differenze.
le mi misure sn sempre quelle, colonna 25 lato 75, colonna 32 lato 96, 40-120, 50-150, 60-180, 80-240, se noti ce un fattore di moltiplicazione x3, cioe per trovare il lato lungo devi fare colonna x3. Lunica cosa nn standard sono i fori dato che ogni costruttore puo scegliere diametri diversi, ma sn cmq piccole differenze.
- Kagliostro
- Amministratore

- Messaggi: 9869
- Iscritto il: 03/12/2007, 0:16
- Località: Prov. di Treviso
Re: Calotte ... dove prenderle e .... quali ??
Ciao Piadina, grazie per il link e le info
Per caso sai qualcosa sul fatto che alcuni costruttori mettono degli isolatori in plastica per fare in modo che le viti di serraggio del pacco lamierini non siano in contatto elettrico con i lamierini stessi ?
Qualche costruttore li mette, altri no; ricordo che Delbini, quando presi da lui (anni fa) un set di trasformatori, mi raccomandò di non togliere quegli isolatori, ma non so il perché ...
K
Per caso sai qualcosa sul fatto che alcuni costruttori mettono degli isolatori in plastica per fare in modo che le viti di serraggio del pacco lamierini non siano in contatto elettrico con i lamierini stessi ?
Qualche costruttore li mette, altri no; ricordo che Delbini, quando presi da lui (anni fa) un set di trasformatori, mi raccomandò di non togliere quegli isolatori, ma non so il perché ...
K
Re: Calotte ... dove prenderle e .... quali ??
http://www.ebay.it/itm/M3-M4-M5-M6-M8-M ... 5d3e924486
pezzi abbastanza introvabile, quando serri il pacco devi usare una vite in alluminio. Questo perche il flusso magnetico del trafo si concatena con la vite e nn e bene perche essendo la vite massiccia e nn laminata scalda. con l aluminio risolvi il prob.
i distanziali servono a centrare perfettamente la vite in modo che nn tocchi i lamierini, puoi usare anche un tubetto o pezzi di cartone come rondelle, in modo che n tocchi il trafo
pezzi abbastanza introvabile, quando serri il pacco devi usare una vite in alluminio. Questo perche il flusso magnetico del trafo si concatena con la vite e nn e bene perche essendo la vite massiccia e nn laminata scalda. con l aluminio risolvi il prob.
i distanziali servono a centrare perfettamente la vite in modo che nn tocchi i lamierini, puoi usare anche un tubetto o pezzi di cartone come rondelle, in modo che n tocchi il trafo
- Kagliostro
- Amministratore

- Messaggi: 9869
- Iscritto il: 03/12/2007, 0:16
- Località: Prov. di Treviso
Re: Calotte ... dove prenderle e .... quali ??
Sono proprio quelli, grazie ancora per il link
(che sono sicuro ti sei sbattuto prima di trovare, come dici, non è roba facile da reperire)
Oddio, viti in alluminio
Forse potrei trovare delle barre filettate di ottone
tra l'altro i pacchi, se non sbaglio, devono essere stretti abbastanza altrimenti vibrano
e l'alluminio mi sa che tende a stiracchiarsi se si tira
a meno che tu non intendessi viti in titanio ?
K
(che sono sicuro ti sei sbattuto prima di trovare, come dici, non è roba facile da reperire)
Oddio, viti in alluminio
Forse potrei trovare delle barre filettate di ottone
tra l'altro i pacchi, se non sbaglio, devono essere stretti abbastanza altrimenti vibrano
e l'alluminio mi sa che tende a stiracchiarsi se si tira
a meno che tu non intendessi viti in titanio ?
K

