Simul Class
Simul Class
Buona sera a tutti, sulla scia del buon MapleMarco e complici Pasqua86 e un audioriparatore della zona sono intenzionato a finire i miei 2 amp entrambi in simul class o -passatemi il termine- con finale "ibrido".
La prima idea sono 120W 2xKT88 + 2X6L6 (o EL34 sono un po' indeciso)
la seconda idea è un 30W 2xECL86 + 2 X EL84.
Lo schema di riferimento che posto mi è molto chiaro, solo che preferirei avere sempre tutte le valvole attive (quindi mi basta avere sempre i catodi a massa senza interruttori?)
ci sono controindicazioni o posso procedere con il calcolo di voltaggi o impedenze?
Accetto qualunque tipo di consiglio
La prima idea sono 120W 2xKT88 + 2X6L6 (o EL34 sono un po' indeciso)
la seconda idea è un 30W 2xECL86 + 2 X EL84.
Lo schema di riferimento che posto mi è molto chiaro, solo che preferirei avere sempre tutte le valvole attive (quindi mi basta avere sempre i catodi a massa senza interruttori?)
ci sono controindicazioni o posso procedere con il calcolo di voltaggi o impedenze?
Accetto qualunque tipo di consiglio
Re: Simul Class
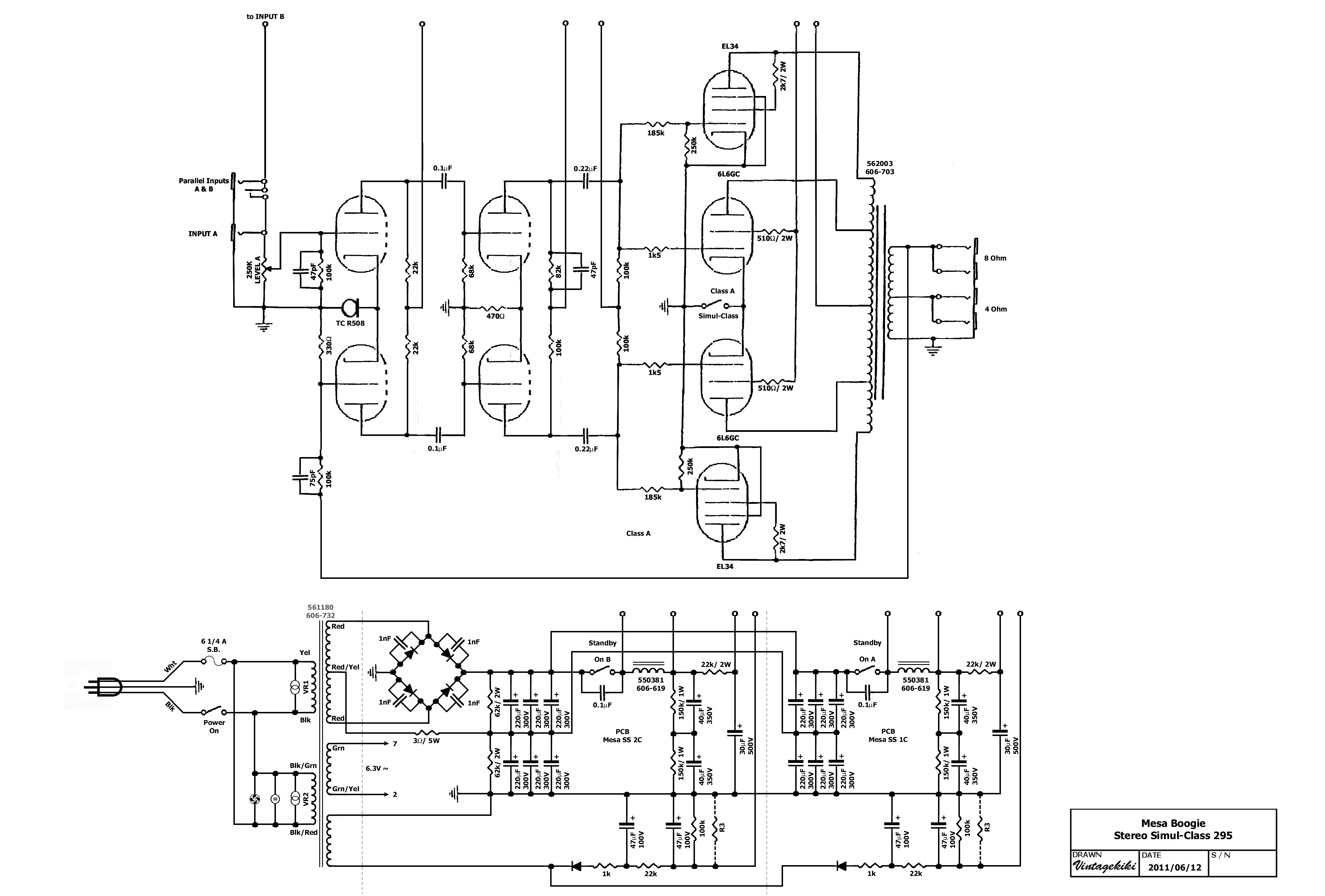
Ho schematizzato il primo dei dei 2 finali "simul class" che vorrei realizzare, composto da 2 ECL 86 e 2 EL84, la phase inverter è fatta dai 2 triodi delle ECL, mentre il loro pentodo è assimilabile per caratteristiche alle EL 84 perciò con un primario da 4Kohm e 350V continui dovrei essere a posto.
In allegato lo schema
In allegato lo schema
- Allegati
-
- el84 simul class.pdf
- (14.77 KiB) Scaricato 173 volte
Re: Simul Class
Nessuna opinione?
- Kagliostro
- Amministratore

- Messaggi: 9958
- Iscritto il: 03/12/2007, 0:16
- Località: Prov. di Treviso
Re: Simul Class
Non ho capito se la domanda era di come evitare di disconnettere i catodi o altro
se si trattava di come avere due potenze diverse senza disconnettere i catodi puoi mandare a massa la griglia del paio di finali che vuoi escludere (anche una per tipo)
resta da tener presente che la cosa è un attimo più semplice per un cathode bias e che per i fixed bias bisogna ricordarsi (magari usando dei cap di disaccoppiamento) di evitare che le valvole restino senza tensione di bias escludendolo o peggio ancora cortocircuitando a massa
K
se si trattava di come avere due potenze diverse senza disconnettere i catodi puoi mandare a massa la griglia del paio di finali che vuoi escludere (anche una per tipo)
resta da tener presente che la cosa è un attimo più semplice per un cathode bias e che per i fixed bias bisogna ricordarsi (magari usando dei cap di disaccoppiamento) di evitare che le valvole restino senza tensione di bias escludendolo o peggio ancora cortocircuitando a massa
K
Re: Simul Class
In realta io voglio avere sempre tutte le finali connesse in modo da miscelare il suono
- Kagliostro
- Amministratore

- Messaggi: 9958
- Iscritto il: 03/12/2007, 0:16
- Località: Prov. di Treviso
Re: Simul Class
Allora due PPIMV indipendenti uno (composto da un pot doppio con unico perno) per una coppia di tubi ed un altro per gli altri due tubi
K
K
Re: Simul Class
Per gestire la risposta in uscita delle coppie di tubi se voglio piu uscita da una o dall altra...?
Re: Simul Class
Ciao Fabio,
lo schema che hai ricavato tu per le EL84 non è un simulclass, ma un semplice PPP.
Mi sono perso qualcosa?
lo schema che hai ricavato tu per le EL84 non è un simulclass, ma un semplice PPP.
Mi sono perso qualcosa?
-
MapleMarco
- Roger Mayer Jr.

- Messaggi: 2658
- Iscritto il: 02/06/2012, 14:22
- Località: Mirano (VE)
Re: Simul Class
infatti non...mi sto capendo troppo nemmeno io...
sembra un classico PP con 4 EL84, solo che la PI sarà fatta (credo) dalle PCL...
sembra un classico PP con 4 EL84, solo che la PI sarà fatta (credo) dalle PCL...
CHE DIO B'ASSISTA!
Re: Simul Class
Chiedo scusa,intendevo dire una cosa ma mi sono espresso con i termini sbagliati...quello nello schema é quello che voglio realizzare ovvero 2 el84+2pcl86 e la p.i. la fanno le pcl
Re: Simul Class
Ah, allora non ho capito il senso del titolo del thread.
Re: Simul Class
il titolo semplicemente ho frainteso il significato di "simul calss" confondendolo con parallel push pull
