Riparazione amplificatore FBT 500 BR aiuto schema corretto
Re: Riparazione amplificatore FBT 500 BR aiuto schema corretto
È un due ingressi.
L'alternativa sarebbe un send return per fare ciò che mi pare e piace..
L'alternativa sarebbe un send return per fare ciò che mi pare e piace..
- Kagliostro
- Amministratore

- Messaggi: 9952
- Iscritto il: 03/12/2007, 0:16
- Località: Prov. di Treviso
Re: Riparazione amplificatore FBT 500 BR aiuto schema corretto
Sempre due triodi servirebbero per fare una cosa fatta bene
K
K
- Kagliostro
- Amministratore

- Messaggi: 9952
- Iscritto il: 03/12/2007, 0:16
- Località: Prov. di Treviso
Re: Riparazione amplificatore FBT 500 BR aiuto schema corretto
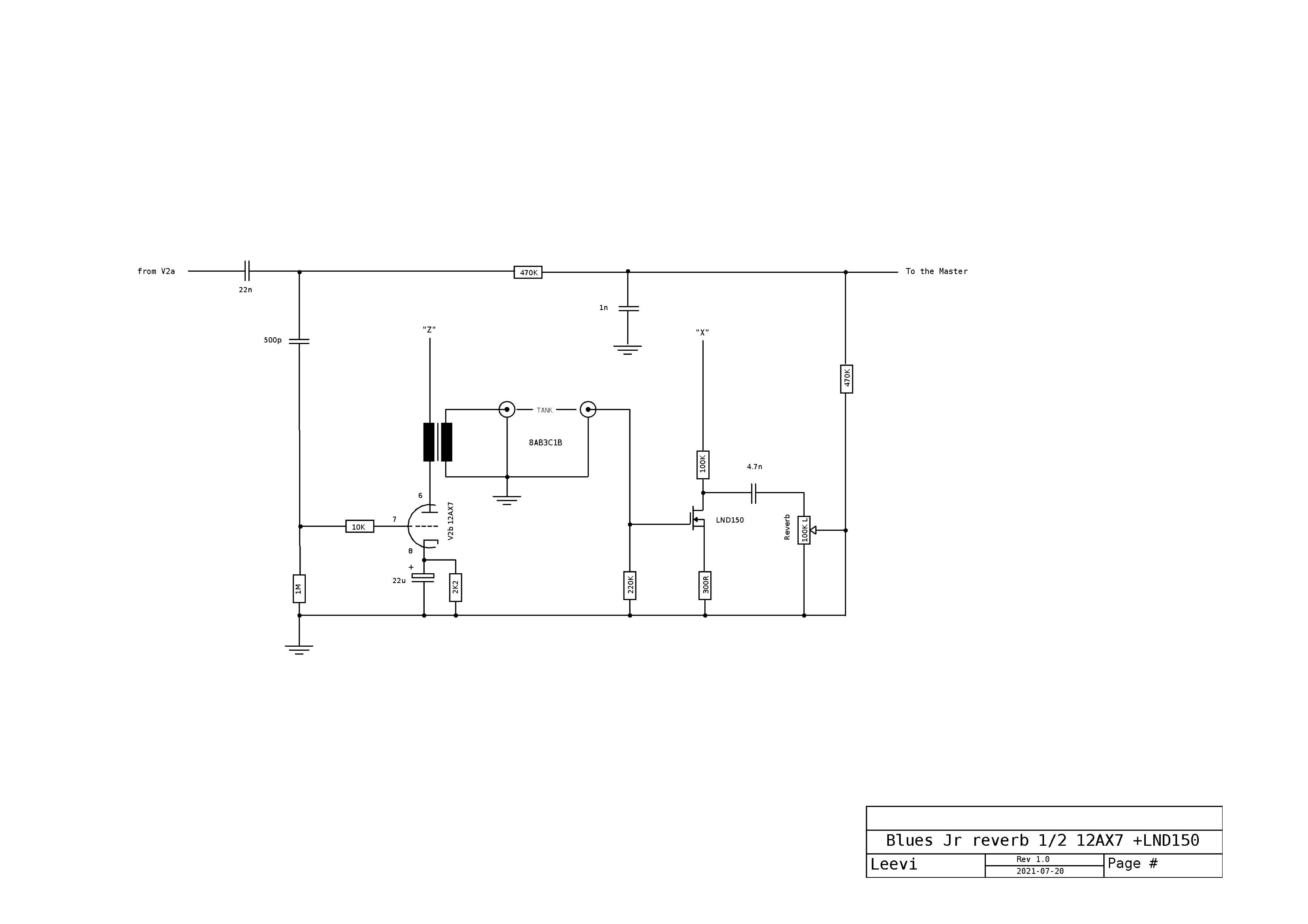
Qui ci sono due varianti che potresti provare se ti interessa il riverbero
La prima è stata provata con successo su un Blues Jr
la seconda dovrebbe dare maggiori prestazioni ma non ricordo se fosse stata solo simulata o anche installata da qualche parte
K
La prima è stata provata con successo su un Blues Jr
la seconda dovrebbe dare maggiori prestazioni ma non ricordo se fosse stata solo simulata o anche installata da qualche parte
K
Re: Riparazione amplificatore FBT 500 BR aiuto schema corretto
Kagliostro ha scritto: ↑02/09/2023, 22:52
La prima è stata provata con successo su un Blues Jr
BluesJrReverbSetup LND150 reverb recovery.jpg
K
La z.. Sarebbe?
- Kagliostro
- Amministratore

- Messaggi: 9952
- Iscritto il: 03/12/2007, 0:16
- Località: Prov. di Treviso
Re: Riparazione amplificatore FBT 500 BR aiuto schema corretto
La Z è l'ingresso e l'X è l'uscita
Ovviamente per il riverbero bisogna identificare il modo di collegarlo al resto del circuito
K
Ovviamente per il riverbero bisogna identificare il modo di collegarlo al resto del circuito
K
- Kagliostro
- Amministratore

- Messaggi: 9952
- Iscritto il: 03/12/2007, 0:16
- Località: Prov. di Treviso
Re: Riparazione amplificatore FBT 500 BR aiuto schema corretto
Dimenticavo
Più che uno standby, magari un mute
K
p.s.: Dove hai recuperato gli schemi ? A me mancavano ed a suo tempo avevo archiviato tutto quello che si trovava in giro
Più che uno standby, magari un mute
K
p.s.: Dove hai recuperato gli schemi ? A me mancavano ed a suo tempo avevo archiviato tutto quello che si trovava in giro
Re: Riparazione amplificatore FBT 500 BR aiuto schema corretto
Kagliostro ha scritto: ↑03/09/2023, 8:33Dimenticavo
Più che uno standby, magari un mute
K
p.s.: Dove hai recuperato gli schemi ? A me mancavano ed a suo tempo avevo archiviato tutto quello che si trovava in giro
http://langolodimarcodig.blogspot.com/2 ... o-fbt.html
- Kagliostro
- Amministratore

- Messaggi: 9952
- Iscritto il: 03/12/2007, 0:16
- Località: Prov. di Treviso
Re: Riparazione amplificatore FBT 500 BR aiuto schema corretto
Ah, capito
Grazie del link
K
Grazie del link
K

