Marshall 1978 problemi di volume e distorsione!
Marshall 1978 problemi di volume e distorsione!
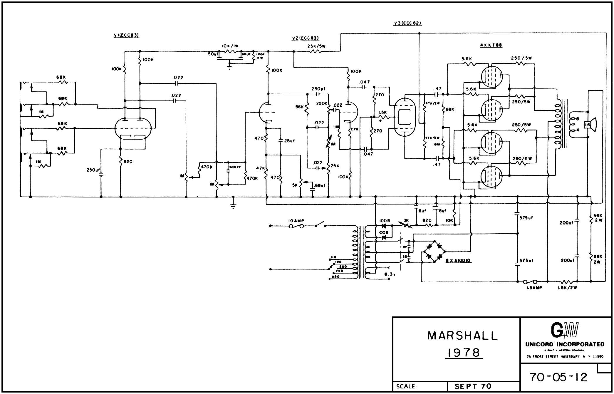
Ciao a tutti, ho appena completato la costruzione di una testa marshall 1978 (allego schema)
Ho riscontrato dei problemi sia di volume sia di distorsione, infatti anche a volumi bassi va in saturazione immediatamente producendo un suono distorto... Son qui a chiedere il vostro aiuto dato che io pur avendo ricontrollato 100 volte tutto non sono riuscito a venirne a capo. Grazie mille anticipatamente a tutti!
Ho riscontrato dei problemi sia di volume sia di distorsione, infatti anche a volumi bassi va in saturazione immediatamente producendo un suono distorto... Son qui a chiedere il vostro aiuto dato che io pur avendo ricontrollato 100 volte tutto non sono riuscito a venirne a capo. Grazie mille anticipatamente a tutti!
Re:Marshall 1978 problemi di volume e distorsione!
dunque, aggiornamenti oggi l'ampli non suona più!!! ho già controllato il TU seguendo la guida che c'è nel forum e sembra funzionare, io ho come l'impressione che se ne siano andate le valvole, è possibile che si siano rotte in qualche modo le finali? tralaltro misurando la 6.3 con le finali montate si abbassa la tensione fino a 5.8 cosa che non succede con le sole valvole di pre montate. Cosa ne pensate 
Re:Marshall 1978 problemi di volume e distorsione!
5.8 non è troppo bassa, che corrente nominale massima ha il trasformatore di alimentazione?
Hai sostituito le 270 sulla v2 con altre come ti avevano consigliato? Hai un altro finale con cui provare la sezione di pre? Ne basterebbe anche uno da pochi watt.
Hai sostituito le 270 sulla v2 con altre come ti avevano consigliato? Hai un altro finale con cui provare la sezione di pre? Ne basterebbe anche uno da pochi watt.
[cit.]Just turn yourself into anything you think that you could ever be
Re:Marshall 1978 problemi di volume e distorsione!
fai qualche foto dell'interno dell'ampli che hai costruito!
Adoro le donne con un passato, e gli uomini con un futuro.
Re:Marshall 1978 problemi di volume e distorsione!
:'( c'è stata una conferma alla mia teoria... le valvole hanno emesso una scintilla blu al loro interno, ho controllato le tensioni ma sono tutte ok. Ma è possibile che banzai dopo avermi fatto aspettare un mese il quartetto me l'abbia spedito rotto?????? li uccido!
Re:Marshall 1978 problemi di volume e distorsione!
Ma occhio che le finali, praticamente tutte, ma i tetrodi a fascio in particolare (6L6, KT**) emettono un'alone blu dalle placche quando si alza lo standby, ovvero quando si da tensione anodica... E' questo che rilevi oppure una scarica?
Live another day, climb a little higher, find another reason to stay...
Re:Marshall 1978 problemi di volume e distorsione!
wow che progetto interessante, effettivamente urge foto, dopodichè fa una tabella dei voltaggi senza infilare le finali, usa solo le pre e misura tutti i pin
il trafo di uscita dove lo hai preso?
il trafo di uscita dove lo hai preso?


