jcm 800 4210
-
andstrato88
- Diyer

- Messaggi: 166
- Iscritto il: 18/10/2009, 12:22
jcm 800 4210
Ciao ragazzi,
scrivo per avere un vostro parere.
Ho un jcm 800 lead series che non si sente affatto bene il pulito: il volume è molto poco, simil radiolina.
Ho provato a cambiare valvola e niente, ho controllato le tensioni ed è ok.
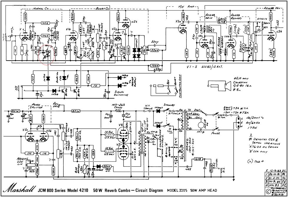
L'unica cosa che ho pensato è che forse l'integrato che cambia canale non funziona bene(nello schema allegato l'ho cerchiato in rosso).
Staccando il condensatore collegato all'integrato, ho notato che il volume è tornato normale come anche il suono.
Il condensatore presente tra il pot e l'integrato ha una scritta 224mse e un altra sigla che non si capisce bene. Che condensatore è? puo essere che l'integrato non stacca bene e manda parte del pulito a massa(giustificando l'abbassamento di volume)?
Grazie Andrea
scrivo per avere un vostro parere.
Ho un jcm 800 lead series che non si sente affatto bene il pulito: il volume è molto poco, simil radiolina.
Ho provato a cambiare valvola e niente, ho controllato le tensioni ed è ok.
L'unica cosa che ho pensato è che forse l'integrato che cambia canale non funziona bene(nello schema allegato l'ho cerchiato in rosso).
Staccando il condensatore collegato all'integrato, ho notato che il volume è tornato normale come anche il suono.
Il condensatore presente tra il pot e l'integrato ha una scritta 224mse e un altra sigla che non si capisce bene. Che condensatore è? puo essere che l'integrato non stacca bene e manda parte del pulito a massa(giustificando l'abbassamento di volume)?
Grazie Andrea
Re: jcm 800 4210
Così come hai detto tu quel transisotr quando attivo manda a massa il segnale del clean in modo da non creare blend tra i due canali!
Però sullo schema ci sono dei BC184, mentre nelle foto l'unica cosa che vedo è un integrato, ma MSA 224 non mi dice niente!
Riesci a leggere la prima sigla sull'integrato in foto? CA e poi?
Però sullo schema ci sono dei BC184, mentre nelle foto l'unica cosa che vedo è un integrato, ma MSA 224 non mi dice niente!
Riesci a leggere la prima sigla sull'integrato in foto? CA e poi?
Re: jcm 800 4210
Perfetto, sono riuscito a leggere, è un CA3045, un array di 5 NPN!
http://www.datasheetcatalog.org/datashe ... 829_DS.pdf
Quindi devi misurare la resistenza tra i piedini 8 e 7 (l'8 dovrebbe essere a massa) a canale attivo e poi a canale disattivo!
Dovrebbe essere 1 o 2 ohm quando il canale clean è disattivato e da 1M in su quando è attivo!
Se così non è devi controllare il voltaggio al piedino numero 6, essendo un NPN lo switch è aperto quando non passa corrente e chiuso quando passa corrente!
Qindi il piedino 6 deve essere a massa quando è attivo il clean channel, mentre il voltaggio deve essere di qualche mV o V quando è disattivato!
Se è così allora devi sostituire l'integrato, (puoi anche mettere 5 NPN) se non è così procedi a ritroso e vedi dov'è il problema!
http://www.datasheetcatalog.org/datashe ... 829_DS.pdf
Quindi devi misurare la resistenza tra i piedini 8 e 7 (l'8 dovrebbe essere a massa) a canale attivo e poi a canale disattivo!
Dovrebbe essere 1 o 2 ohm quando il canale clean è disattivato e da 1M in su quando è attivo!
Se così non è devi controllare il voltaggio al piedino numero 6, essendo un NPN lo switch è aperto quando non passa corrente e chiuso quando passa corrente!
Qindi il piedino 6 deve essere a massa quando è attivo il clean channel, mentre il voltaggio deve essere di qualche mV o V quando è disattivato!
Se è così allora devi sostituire l'integrato, (puoi anche mettere 5 NPN) se non è così procedi a ritroso e vedi dov'è il problema!
Ultima modifica di Leo il 05/07/2011, 17:02, modificato 1 volta in totale.
Re: jcm 800 4210
A limite ricollega tutto come prima e manda a massa il piedino 6 quando è attivo il clean channel e suona, se funziona bene vuol dire che non è colpa dell'integrato!
Ricapitolando:
Piedino 6 e 8 a massa e piedino 7 collegato tramite il condensatore (sembra 330nF) al centrale del pot!
Se così il clean channell suona bene il transistor funziona!
Ricapitolando:
Piedino 6 e 8 a massa e piedino 7 collegato tramite il condensatore (sembra 330nF) al centrale del pot!
Se così il clean channell suona bene il transistor funziona!
-
andstrato88
- Diyer

- Messaggi: 166
- Iscritto il: 18/10/2009, 12:22
Re: jcm 800 4210
ciao, allora domani provo a fare le prove come hai detto.
L'integrato ho letto ed è ca3046, mentre la sigla a cui mi riferivo l'ho letta sul condensatore che sta tra l'integrato e il volume, solo che vendendo lo schema sembra un elettrolitico mentre quello montato sembra uno normale.
grazie
L'integrato ho letto ed è ca3046, mentre la sigla a cui mi riferivo l'ho letta sul condensatore che sta tra l'integrato e il volume, solo che vendendo lo schema sembra un elettrolitico mentre quello montato sembra uno normale.
grazie
Re: jcm 800 4210
Perfetto! il condensatore va bene, è un 220nF invece che 330nF ma è uguale!
-
andstrato88
- Diyer

- Messaggi: 166
- Iscritto il: 18/10/2009, 12:22
Re: jcm 800 4210
risolto!!
integrato saltato!!!! sostituito et voilà tutto ok!!
grazie mille leo
integrato saltato!!!! sostituito et voilà tutto ok!!
grazie mille leo
