Sostieni il forum con una donazione! Il tuo contributo ci aiuterà a rimanere online!
Immagine

Epiphone SoCal 50 muto nel canale distorto

Problemi con un ampli? Esponili qui!
Rispondi
robypizza
Neutrino
Neutrino
Messaggi: 8
Iscritto il: 15/10/2011, 16:09

Epiphone SoCal 50 muto nel canale distorto

Messaggio da robypizza » 10/05/2014, 17:01

Ciao a tutti. Come da titolo, ieri mentre suonavo il canale distorto dell'ampli è diventato muto completamente, niente scariche o feedback particolari. Si è come spento. Usando il canale clean invece, funziona tutto alla perfezione.. Cosa potrebbe essere secondo voi?

Grazie!!


Roberto

Avatar utente
Kagliostro
Amministratore
Amministratore
Messaggi: 9961
Iscritto il: 03/12/2007, 0:16
Località: Prov. di Treviso

Re: Epiphone SoCal 50 muto nel canale distorto

Messaggio da Kagliostro » 10/05/2014, 17:27

Potrebbe essere una valvola di quel canale

meglio se riesci a postare uno schema dell'ampli

K

Avatar utente
robi
Amministratore
Amministratore
Messaggi: 9762
Iscritto il: 17/12/2006, 13:57
Località: Alba

Re: Epiphone SoCal 50 muto nel canale distorto

Messaggio da robi » 10/05/2014, 23:00

KonKordo in toto Kon K.

robypizza
Neutrino
Neutrino
Messaggi: 8
Iscritto il: 15/10/2011, 16:09

Re: Epiphone SoCal 50 muto nel canale distorto

Messaggio da robypizza » 11/05/2014, 22:51

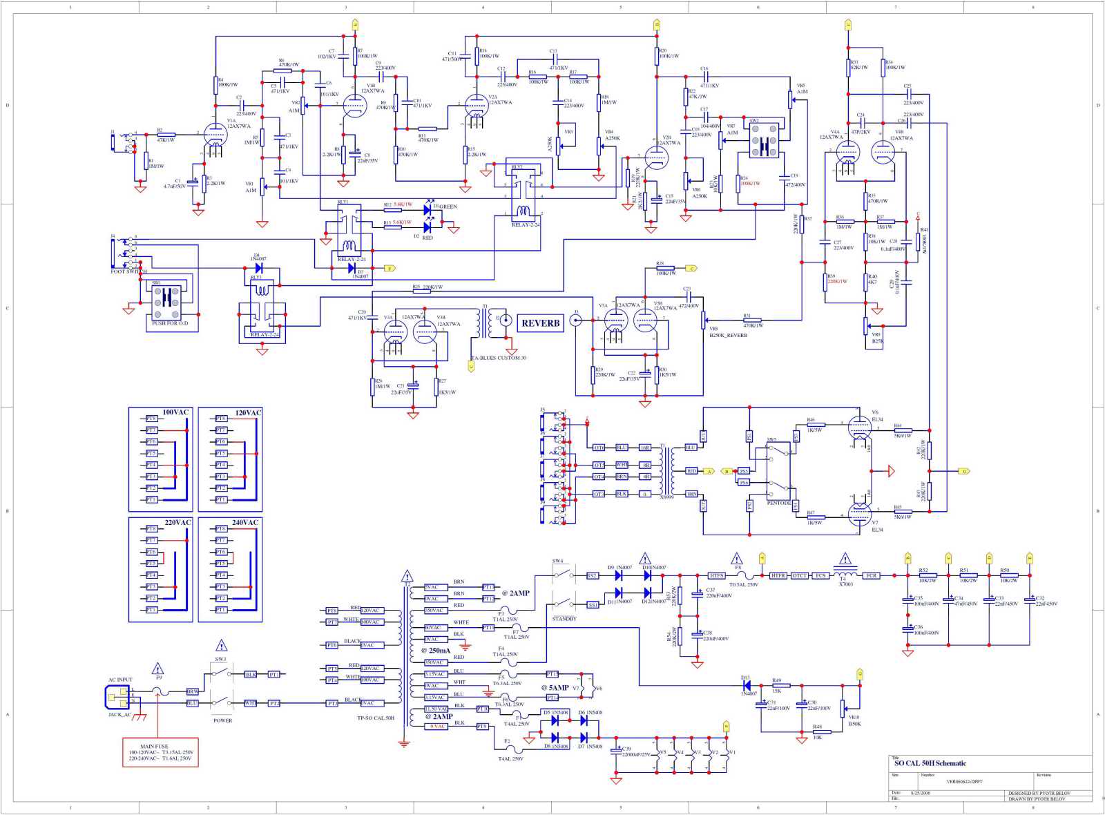
Grazie! Questo dovrebbe essere lo schema della testata in questione..
Allegati
socal 50 schematic.jpg

Avatar utente
Kagliostro
Amministratore
Amministratore
Messaggi: 9961
Iscritto il: 03/12/2007, 0:16
Località: Prov. di Treviso

Re: Epiphone SoCal 50 muto nel canale distorto

Messaggio da Kagliostro » 12/05/2014, 0:11

L'imputata potrebbe essere V2, se hai una valvola anche vecchia prova la sostituzione

se non ha buon esito, se puoi arrangiarti un audio probe, dovresti riuscire a seguire il segnale fin dove si perde

per poi indagare attorno a quel punto

K

p.s.: Se hai uno schema con una risoluzione migliore, per cortesia, postalo

non ho una buona vista e faccio molta fatica a leggere quello che hai postato

robypizza
Neutrino
Neutrino
Messaggi: 8
Iscritto il: 15/10/2011, 16:09

Re: Epiphone SoCal 50 muto nel canale distorto

Messaggio da robypizza » 12/05/2014, 15:13

Grazie mille kagliostro!
Ultima modifica di robypizza il 12/05/2014, 15:15, modificato 1 volta in totale.

robypizza
Neutrino
Neutrino
Messaggi: 8
Iscritto il: 15/10/2011, 16:09

Re: Epiphone SoCal 50 muto nel canale distorto

Messaggio da robypizza » 12/05/2014, 15:13

Grazie mille kagliostro! Appena riesco mi procuro una 12ax7 e provo la sostituzione..
Lo schema purtroppo è il più grande che ho trovato..

Secondo te posso provare a scambiarla con un altra di un'altra posizione per vedere se il problema magari migra al canale pulito o altrove? O è una cavolata?scusa ma non sono molto ferrato in materia.. montare e smontare nessun problema, ma quando mi parli di elettronica mi blocco! :muro:

Avatar utente
Kagliostro
Amministratore
Amministratore
Messaggi: 9961
Iscritto il: 03/12/2007, 0:16
Località: Prov. di Treviso

Re: Epiphone SoCal 50 muto nel canale distorto

Messaggio da Kagliostro » 12/05/2014, 17:20

Potresti togliere V2 (e metterla da parte) e provare a mettere al suo posto una delle valvole del riverbero (V3a / V3b)

naturalmente il riverbero senza valvola non andrà, ma il canale OD, se il problema fosse V2 riprenderebbe vita

K

robypizza
Neutrino
Neutrino
Messaggi: 8
Iscritto il: 15/10/2011, 16:09

Re: Epiphone SoCal 50 muto nel canale distorto

Messaggio da robypizza » 12/05/2014, 19:54

ok! ho provato a scambiare tutte le valvole una alla volta (non sapendo bene quale fosse la v2 :mart: ) ma non è cambiato niente, a parte aver capito che togliendo quella segnata in rosso non va nemmeno più il clean..
metto un paio di foto per farvi capire..
È una testata stinger ma dovrebbe essere identica in tutto e per tutto..
mi sono reso conto inoltre che al volume max, gain max e contour max si sente a basso volume e con un leggerissimo crunch...
Allegati
2.jpg
1.jpg

MapleMarco
Roger Mayer Jr.
Roger Mayer Jr.
Messaggi: 2658
Iscritto il: 02/06/2012, 14:22
Località: Mirano (VE)

Re: Epiphone SoCal 50 muto nel canale distorto

Messaggio da MapleMarco » 12/05/2014, 20:35

robypizza ha scritto:È una testata stinger ma dovrebbe essere identica in tutto e per tutto..
è una considerazione che ti conviene evitare di fare....o per lo meno verifica se lo schema che hai corrisponde alla PCB!!
CHE DIO B'ASSISTA!

robypizza
Neutrino
Neutrino
Messaggi: 8
Iscritto il: 15/10/2011, 16:09

Re: Epiphone SoCal 50 muto nel canale distorto

Messaggio da robypizza » 13/05/2014, 8:58

Ho trovato queste info sul Web..
"stinger stp 50 hv, non si tratta della solita stinger, bensì di una epiphone So-Cal 50 rimarchiata!"

Avatar utente
jimmy_ver2.0
Diyer Eroe
Diyer Eroe
Messaggi: 527
Iscritto il: 16/12/2010, 13:09
Località: Perugia

Re: Epiphone SoCal 50 muto nel canale distorto

Messaggio da jimmy_ver2.0 » 13/05/2014, 15:55

guarda sulla scheda, al centro di ogni valvola ci dovrebbe essere scritto chi è.
e poi fai come ti ha detto Kaglio.

robypizza
Neutrino
Neutrino
Messaggi: 8
Iscritto il: 15/10/2011, 16:09

Re: Epiphone SoCal 50 muto nel canale distorto

Messaggio da robypizza » 14/05/2014, 18:57

Questa è la foto del mio ampli smontato. Non vedo le scritte per identificare le valvole però..
Allegati
IMAG0952.jpg
Ultima modifica di robypizza il 14/05/2014, 19:07, modificato 1 volta in totale.

robypizza
Neutrino
Neutrino
Messaggi: 8
Iscritto il: 15/10/2011, 16:09

Re: Epiphone SoCal 50 muto nel canale distorto

Messaggio da robypizza » 14/05/2014, 19:11

Sono anche riuscito a trovare uno schema in miglior qualità come richiesto da kagliostro!
Allegati
EPIPHONE SO CAL50H SCHEMATIC VER1-DPPT-1.pdf
(981.93 KiB) Scaricato 275 volte

Avatar utente
Kagliostro
Amministratore
Amministratore
Messaggi: 9961
Iscritto il: 03/12/2007, 0:16
Località: Prov. di Treviso

Re: Epiphone SoCal 50 muto nel canale distorto

Messaggio da Kagliostro » 14/05/2014, 22:07

I miei occhi ti ringraziano (e non poco)

Per identificare le valvole senza un manuale utente che ne indichi la disposizione ........

Per quella del riverbero, visto che è collegata al piccolo trasformatore del riverbero, non dovresti avere difficoltà a rintracciarla

per l'altra non c'è consiglio che ti posso dare, devi seguire le piste tenendo presente lo schema

---

In un post precedente mi pare accennavi che togliendo una valvola segnata in rosso non si sentiva più nulla, quella potrebbe essere la PI o V1

La PI la puoi riconoscere perchè il collegamento è con le finali

Se togli V1 o la PI non puoi sentire nulla in nessuna posizione dei relè, se togli V2 e setti per il canale clean dovresti sentire, settando per OD naturalmente no

Togliendo invece una delle due valvole del reverb non funzionerà quello ed il resto sì

Ciao

K

Rispondi