Sostieni il forum con una donazione! Il tuo contributo ci aiuterà a rimanere online!
Immagine

Trasformatore di alimentazione toroidale ed eccessiva irradiazione elettromagnetica

Problemi con un ampli? Esponili qui!
Avatar utente
robi
Amministratore
Amministratore
Messaggi: 9709
Iscritto il: 17/12/2006, 13:57
Località: Alba

Re: Trasformatore di alimentazione toroidale ed eccessiva irradiazione elettromagnetica

Messaggio da robi » 15/01/2018, 11:18

Particolare. Ho degli ampli con dei toroidali di alimentazione (fra cui il comunissimo VH100R) e vanno benissimo, quindi escluderei il problema "toroidali" inteso genericamente.

Avatar utente
Kagliostro
Amministratore
Amministratore
Messaggi: 9864
Iscritto il: 03/12/2007, 0:16
Località: Prov. di Treviso

Re: Trasformatore di alimentazione toroidale ed eccessiva irradiazione elettromagnetica

Messaggio da Kagliostro » 15/01/2018, 13:47

Concordo, probabilmente chi ha avvolto quel trasformatore non ha adottato nessuno dei sistemi che normalmente vengono adottati per limitare le emissioni sia per quelli da usare in apparecchiature sanitarie sia per quelli da usare in ambito audio

Il guru dell'HiFi Menno van der Veen, all'inizio degli anni '80, progettò delle soluzioni di output audio con l'uso di trasformatori toroidali in grado di dare performance di grado superiore, ma, appunto, i trasfo debbono essere costruiti come si deve e non approssimativamente

Con trasformatori di alimentazione di questa classe

https://www.plitron.com/default-factory ... nsformers/

dubito avresti il problema che lamenti

K

alexradium
Diyer Eroe
Diyer Eroe
Messaggi: 777
Iscritto il: 07/06/2011, 14:18

Re: Trasformatore di alimentazione toroidale ed eccessiva irradiazione elettromagnetica

Messaggio da alexradium » 15/01/2018, 15:35

assolutamente,a riprova del fatto che fare determinati prodotti per un uso particolare ha effettivamente un maggior costo sia in termini di materiali che soprattutto di manodopera e know-how,ma tanto alla fine c'è sempre il sapientone che "te lo faccio io il clone di xxxxxxx con meno di 1000 euri"....
suona uguale anche meglio....anzi suona vintage come se avesse 50 anni. :lol1:

Avatar utente
Tucos
Diyer Eroe
Diyer Eroe
Messaggi: 861
Iscritto il: 16/01/2011, 22:35

Re: Trasformatore di alimentazione toroidale ed eccessiva irradiazione elettromagnetica

Messaggio da Tucos » 15/01/2018, 19:15

Beh raga, quindi provo a rimpiazzare il trasformatore. Mi faccio fare un altro toroidale (anche se i costi saranno maggiori) perchè adesso forare lo chassis per montare un E-I sarebbe davvero complesso.
Avete delle aziende da consigliarmi per un toroidale custom?

thecrow
Diyer
Diyer
Messaggi: 107
Iscritto il: 17/11/2016, 10:57
Località: vibo valentia

Re: Trasformatore di alimentazione toroidale ed eccessiva irradiazione elettromagnetica

Messaggio da thecrow » 06/06/2018, 9:07

ciao ragazzi .. ho gli stessi identici problemi al mio ampli..anche io ho un tororoidale.. tucos.. poi hai risolto cambiando il trasformatore?
magari era un altro il problema?
il bello è che mi capta il ronzio anche su un altro ampli.. nn so + che pesci prendere... se mi allontano il rumore quasi svanisce.. un fastidioo :muro:

Avatar utente
Vicus
Roger Mayer Jr.
Roger Mayer Jr.
Messaggi: 2080
Iscritto il: 15/07/2007, 18:43
Località: Rossano Veneto VI

Re: Trasformatore di alimentazione toroidale ed eccessiva irradiazione elettromagnetica

Messaggio da Vicus » 06/06/2018, 22:28

È normale che i pick up captino i 50Hz vicino all'ampli. L'importante è che non ronzio da solo.

Avatar utente
Tucos
Diyer Eroe
Diyer Eroe
Messaggi: 861
Iscritto il: 16/01/2011, 22:35

Re: Trasformatore di alimentazione toroidale ed eccessiva irradiazione elettromagnetica

Messaggio da Tucos » 09/06/2018, 17:44

thecrow non ho ancora provato a cambiarlo e di fatto non ho ancora deciso se sostituirlo con un trasformatore EI classico o un toroidale di alta qualità.

Vicus è normale avere un po' di irradiazione ma questa è eccessiva, di molto superiore a quella di qualunque altro amplificatore abbia mai provato. Il problema è che è molto invalidante. In camera non è concepibile suonare con un suono hi gain senza noise gate. Ho provato altri amp hi-gain e non hanno lo stesso problema pertanto vorrei tovare un modo per risolverlo.

thecrow
Diyer
Diyer
Messaggi: 107
Iscritto il: 17/11/2016, 10:57
Località: vibo valentia

Re: Trasformatore di alimentazione toroidale ed eccessiva irradiazione elettromagnetica

Messaggio da thecrow » 09/06/2018, 18:13

ciao .. ho fatto delle prove.. ho spostato tutta l' alimentazione .. ma il risultato è sempre lo stesso.. l'ampli è silenziosissimo senza jack in ingresso.. so che è normale un pò di rumore da vicino.. ma in effetti è troppo.. è propio come nel video di tucos.. ho fatto un altro ampli molto + tirato di gain è non ho tutti sti problemi.. anzi posso stare a mezzo metro tranquillamente.. mi viene da pensare, che magari il problema sia sui filamenti.. qui li ho messi in continua col ponte flottante..(come suggeritomi da k).. cmq ho fatto delle prove senza anodica con la chitarra collegata ad un altro ampli a transistor e se pur di meno, la chitarra capta il rumore , erano collegati solo la 15 volt dei relè.. e i filamenti.. smadonno sui filamenti? :muro: :muro:

Avatar utente
robi
Amministratore
Amministratore
Messaggi: 9709
Iscritto il: 17/12/2006, 13:57
Località: Alba

Re: Trasformatore di alimentazione toroidale ed eccessiva irradiazione elettromagnetica

Messaggio da robi » 11/06/2018, 17:56

thecrow ha scritto:
09/06/2018, 18:13
magari il problema sia sui filamenti.. qui li ho messi in continua col ponte flottante...
Cosa intendi? Puoi postare uno schema?

thecrow
Diyer
Diyer
Messaggi: 107
Iscritto il: 17/11/2016, 10:57
Località: vibo valentia

Re: Trasformatore di alimentazione toroidale ed eccessiva irradiazione elettromagnetica

Messaggio da thecrow » 11/06/2018, 22:05

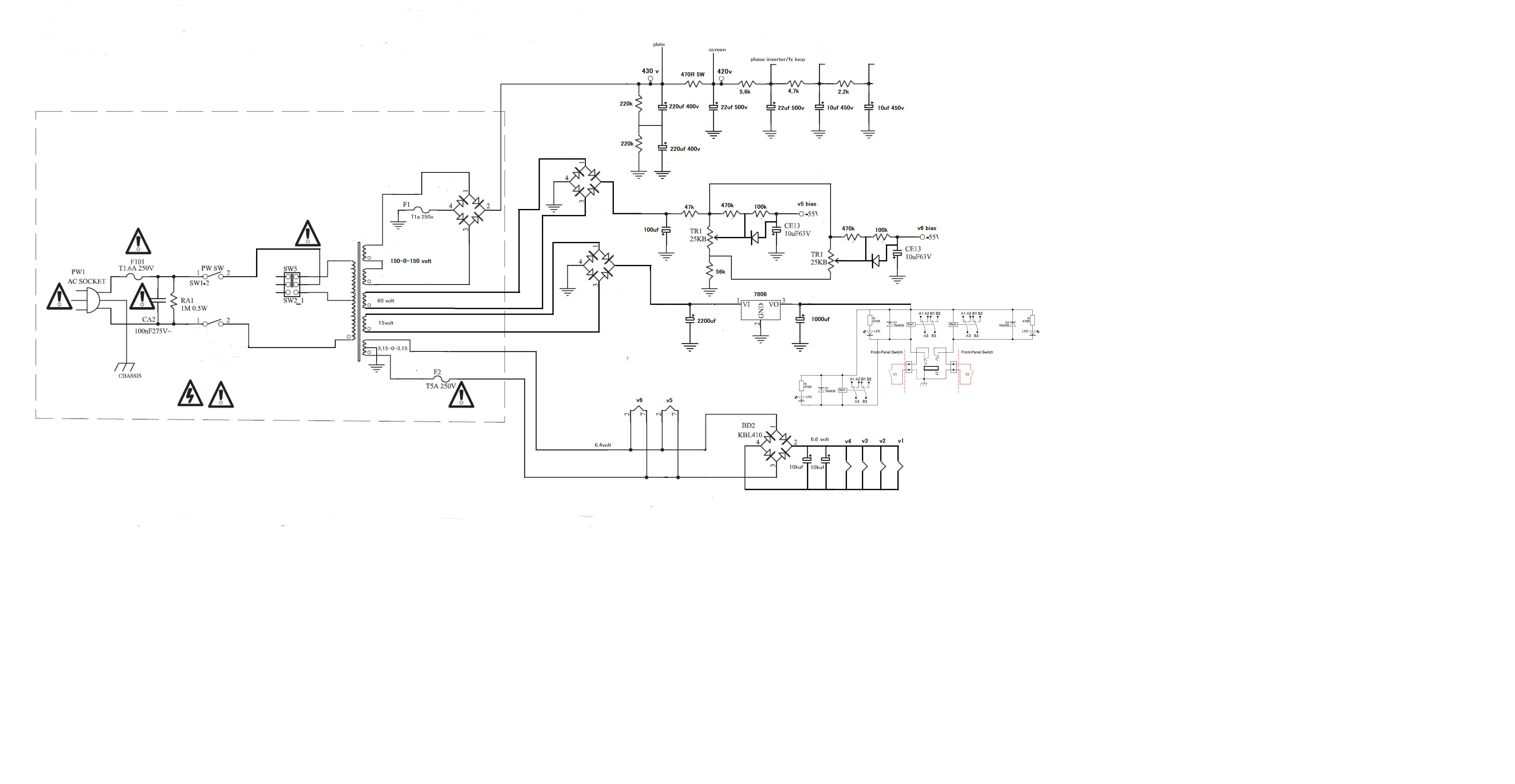
ecco lo schema .. avevo gia una scheda di alimentazione.. e l'ho collegata al kit dei relè di tube town..
schema ali.png
forse sono troppo alti i cap sulla 15 volt cmq penso che il problema sia che il regolatore della 6 volt(7806)è troppo vicino al trasformatore di alimentazione.. ora provo ad alimentare i relè direttamente dalla corrente dei filamenti ..

thecrow
Diyer
Diyer
Messaggi: 107
Iscritto il: 17/11/2016, 10:57
Località: vibo valentia

Re: Trasformatore di alimentazione toroidale ed eccessiva irradiazione elettromagnetica

Messaggio da thecrow » 13/06/2018, 8:32

ho staccato i relè e il risultato è identico.. ora mi sono messo un poco a ragionare.. non è che potrebbe essere un problema di masse? ho messo la massa principale propio sotto il bullone del toroidale..potrebbe essere quello il problema? isolare il bullone del TA, dal case potrebbe portare beneficio secondo voi? perchè poi ho anche provato a mettere una pentolino sul trasformatore ma non cambia nulla (ora sarà che era d'acciaio bo) è come se l'irradiazione si espandesse su tutto il chassis

Avatar utente
Kagliostro
Amministratore
Amministratore
Messaggi: 9864
Iscritto il: 03/12/2007, 0:16
Località: Prov. di Treviso

Re: Trasformatore di alimentazione toroidale ed eccessiva irradiazione elettromagnetica

Messaggio da Kagliostro » 13/06/2018, 18:22

Per prima cosa proverei a spostare la massa che sta sul bullone del toroidale da un'altra parte

K

thecrow
Diyer
Diyer
Messaggi: 107
Iscritto il: 17/11/2016, 10:57
Località: vibo valentia

Re: Trasformatore di alimentazione toroidale ed eccessiva irradiazione elettromagnetica

Messaggio da thecrow » 13/06/2018, 23:20

provato.. risultato identico.. l'ultimo dubbio è sul ponte di diodi che forse è tropo vicino alla presa della 230v.. se manco questa va.. provo a schermare.. non so come ma qualcosa mi inventerò (nn ciò soldi per un altro trasformatore :face_green: )
vi aggiungo una foto .. dite secondo voi è schermato sto coso?
20180613_234217.jpg
scusate...ho ripreso anche il cestino dell' immondizia..(in alto a destra) sono propio un gran fotografo :face_green:

Avatar utente
Kagliostro
Amministratore
Amministratore
Messaggi: 9864
Iscritto il: 03/12/2007, 0:16
Località: Prov. di Treviso

Re: Trasformatore di alimentazione toroidale ed eccessiva irradiazione elettromagnetica

Messaggio da Kagliostro » 14/06/2018, 13:31

Posso solo dire che guardando la foto non si può vedere se ci sono schermi o no

K

Avatar utente
Tucos
Diyer Eroe
Diyer Eroe
Messaggi: 861
Iscritto il: 16/01/2011, 22:35

Re: Trasformatore di alimentazione toroidale ed eccessiva irradiazione elettromagnetica

Messaggio da Tucos » 29/06/2018, 1:32

Ti posso dire dalle mie sperimentazioni che avvolgere un lamierino in acciaio attenua di molto il problema. Non risolve ma decisamente lo attenua.

Rispondi