Sostieni il forum con una donazione! Il tuo contributo ci aiuterà a rimanere online!
Immagine

problemi tensioni 18 watt

Problemi con un ampli? Esponili qui!
Avatar utente
Kagliostro
Amministratore
Amministratore
Messaggi: 9961
Iscritto il: 03/12/2007, 0:16
Località: Prov. di Treviso

Re: problemi tensioni 18 watt

Messaggio da Kagliostro » 22/03/2013, 3:59

Non è che per caso hai un TA con i filamenti 6.3v CT, cioè 3.15v-0-3.15v ?

K

Avatar utente
delga
Diyer Eroe
Diyer Eroe
Messaggi: 526
Iscritto il: 07/02/2012, 23:37
Località: prov. di Teramo

Re: problemi tensioni 18 watt

Messaggio da delga » 22/03/2013, 10:55

dal trasformatore ho un'uscita 3,15-0-3,15 e un'altra 6,3-5-0.

io ho usato le 3,15, con center tap a terra, per le EL84 e le 12AX7 e la 6,3-0 per la rettificatrice (che adesso non è inserita..) ho fatto bene? o dovevo fare all'opposto?
si ho un 3,15-0-3,15....

Avatar utente
Kagliostro
Amministratore
Amministratore
Messaggi: 9961
Iscritto il: 03/12/2007, 0:16
Località: Prov. di Treviso

Re: problemi tensioni 18 watt

Messaggio da Kagliostro » 22/03/2013, 11:06

Va bene come hai distribuito i collegamenti agli avvolgimenti

se misuri 4v-0-4v probabilmente il TA che hai

dal punto di vista dell'avvolgimento dei filamenti con CT

è piuttosto sovradimensionato

con ogni probabilità adatto ad alimentare valvole più fameliche delle el84

K

Avatar utente
delga
Diyer Eroe
Diyer Eroe
Messaggi: 526
Iscritto il: 07/02/2012, 23:37
Località: prov. di Teramo

Re: problemi tensioni 18 watt

Messaggio da delga » 22/03/2013, 11:17

eeeeeee....che dovrei fare??
tra l'altro è un TA di inmadout apposito per il 18 watt.....strano....

ma quei problemi di tensioni sul PRE e PI...sono dovute alla tensione diversa dei filamenti o no? perchè 4 volt o no, vorrei sistemare le tensioni delle 12AX7....

al momento non ho più quel suono che inizia ad uscire dallo speaker per poi riscendere fino a non sentirsi, come accadeva all'inizio...adesso ho sempre un leggero segnale in uscita...da cosa può dipendere quella tensione di 24 V sul pin 6 della PI e i 322 V (troppi) sul pin 6 del PRE?

Avatar utente
delga
Diyer Eroe
Diyer Eroe
Messaggi: 526
Iscritto il: 07/02/2012, 23:37
Località: prov. di Teramo

Re: problemi tensioni 18 watt

Messaggio da delga » 22/03/2013, 12:01

ho ripreso le tensioni SMi faccia avere conferma se l'ordine verrà inoltENZA VALVOLE e non ho più quella differenza di tensioni nelle 12AX7....adesso ho

PRE
1- 433 V
6- 439 V

PI
1- 439 V
6- 439 V

monto le valvole e provo..

Avatar utente
delga
Diyer Eroe
Diyer Eroe
Messaggi: 526
Iscritto il: 07/02/2012, 23:37
Località: prov. di Teramo

Re: problemi tensioni 18 watt

Messaggio da delga » 22/03/2013, 12:20

dunque...ci siamo quasi..

suono in uscita speaker c'è ma debole..

con le tensioni siamo migliorati..

rettifica 384 V

EL84
3- 12V
7- 383V
9- 355V

EL84
3- 12V
7- 384V
9- 356V

PI
1- 252V
2- 27V
3- 38V
6- 239V
7- 27V
8- 38V

PRE
1- 190V
3- 0V
6- 330V
8- 4V

quindi..al PRE non ho tensione al 3 e ne ho troppa all'8...dovrebbero essere entrambi sull'1volt..mentre alla PI i pin 2 e 7 sono bassi..dovrebbero aggirarsi intorno ai 50volt...così come sono a metà i volt dei pin 3 e 8 (3 e 8 sono colllegati insieme).

per le finali..i valori dei pin 7 e 9 sono all'incirca 40 volt sopra....è perchè sto rettificando a diodi mentre i valori di riferimento sono con la EZ81??

ripeto....sto usando come riferimento questa carta http://www.18watt.com/storage/Voltage-Chart.htm che ho già postato all'inizio del 3d...

delga

alexradium
Diyer Eroe
Diyer Eroe
Messaggi: 777
Iscritto il: 07/06/2011, 14:18

Re: problemi tensioni 18 watt

Messaggio da alexradium » 22/03/2013, 12:48

delga ha scritto:dunque...ci siamo quasi..

suono in uscita speaker c'è ma debole..

con le tensioni siamo migliorati..

rettifica 384 V

EL84
3- 12V
7- 383V
9- 355V

EL84
3- 12V
7- 384V
9- 356V

PI
1- 252V
2- 27V
3- 38V
6- 239V
7- 27V
8- 38V

PRE
1- 190V
3- 0V
6- 330V
8- 4V

quindi..al PRE non ho tensione al 3 e ne ho troppa all'8...dovrebbero essere entrambi sull'1volt..mentre alla PI i pin 2 e 7 sono bassi..dovrebbero aggirarsi intorno ai 50volt...così come sono a metà i volt dei pin 3 e 8 (3 e 8 sono colllegati insieme).

per le finali..i valori dei pin 7 e 9 sono all'incirca 40 volt sopra....è perchè sto rettificando a diodi mentre i valori di riferimento sono con la EZ81??

ripeto....sto usando come riferimento questa carta http://www.18watt.com/storage/Voltage-Chart.htm che ho già postato all'inizio del 3d...

delga
sulle finali avresti di meno con una rettificatrice,diciamo che anche il ta è abbondante.
se hai 0 volt sul pin 3 della v1 non può suonare,giusto,ricontrolla la resistenza o il condensatore che non sia in corto,controlla le masse.

Avatar utente
delga
Diyer Eroe
Diyer Eroe
Messaggi: 526
Iscritto il: 07/02/2012, 23:37
Località: prov. di Teramo

Re: problemi tensioni 18 watt

Messaggio da delga » 22/03/2013, 13:46

ragazzi,

avevamo sistemato tutto..all'ultimo non suonava perchè la massa del pot del volume si era staccata -.-" adesso suona! [ca++o che volume!! :dance_1: ]

adesso ho ricablato lo switch per la doppia rettifica ed inserito la EZ81..tutto funziona..

soltanto una cosa...quando metto il gain al massimo e provo a ruotare il pot del volume da 1 a 2 mi parte tutto e fa uno strillo assurdo.. [mi ricorda quando faccio saturare le finali dell'amp hifi]....poi se abbasso di poco il gain, posso alzare di poco il volume..e così via......da che potrebbe dipendere??

Avatar utente
Kagliostro
Amministratore
Amministratore
Messaggi: 9961
Iscritto il: 03/12/2007, 0:16
Località: Prov. di Treviso

Re: problemi tensioni 18 watt

Messaggio da Kagliostro » 22/03/2013, 14:49

Stai dicendo che ti va in autooscillazione ?

K

Avatar utente
delga
Diyer Eroe
Diyer Eroe
Messaggi: 526
Iscritto il: 07/02/2012, 23:37
Località: prov. di Teramo

Re: problemi tensioni 18 watt

Messaggio da delga » 22/03/2013, 15:27

emhhhh....se l'autoscillazione produce uno strillo stridente delle finali...si. :hummm_1:

alexradium
Diyer Eroe
Diyer Eroe
Messaggi: 777
Iscritto il: 07/06/2011, 14:18

Re: problemi tensioni 18 watt

Messaggio da alexradium » 22/03/2013, 15:58

delga ha scritto:emhhhh....se l'autoscillazione produce uno strillo stridente delle finali...si. :hummm_1:
ti conviene mettere delle foto dettagliate dell'interno.
le oscillazioni parassite sono curabili con un accurato layout dei componenti e dei conduttori ed eventualmente con l'aggiunta di qualche condensatore (come il 220p sul secondo triodo),oppure resistenza sulle griglie di controllo.
in questo caso ad esempio le 2,2k sulle finali potrebbero essere aumentate e magari sparisce il problema

Avatar utente
Kagliostro
Amministratore
Amministratore
Messaggi: 9961
Iscritto il: 03/12/2007, 0:16
Località: Prov. di Treviso

Re: problemi tensioni 18 watt

Messaggio da Kagliostro » 22/03/2013, 17:52

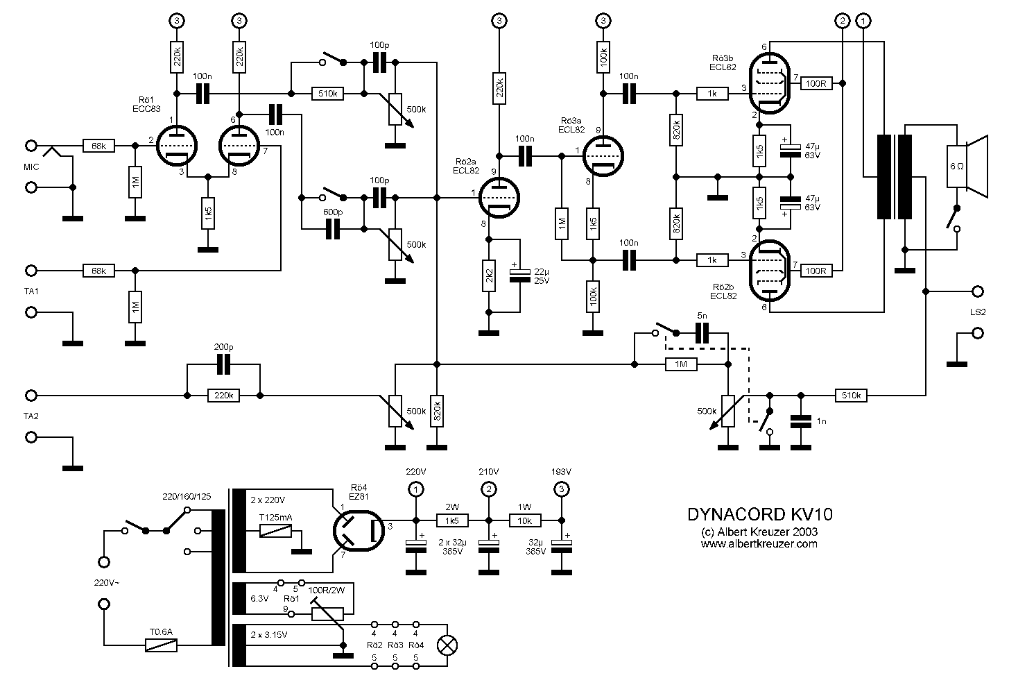
Ieri ho trovato in rete lo schema di un Dynacord KV10 (vecchio marchio teutonico) e riguardandolo mi sono accorto che la distribuzione dei collegamenti ai due avvolgimenti per i filamenti è diversa da quanto mi potevo aspettare, probabilmente in questo modo hanno cercato di ridurre l'Humm su V1
Dynacord_KV10_sch.GIF
dagli un'occhiata e poi vedi se vuoi provare a riarrangiare in questo modo i collegamenti, naturalmente devi avere una rettificatrice con catodo separato dai filamenti e gli avvolgimenti devono avere una corrente adeguata ai consumi

per la questione della tensione da 4v-0-4v potresti risolvere o con una resistenza per ramo (calcolata a seconda delle valvole collegate) o con 2 x 1N5408 messi in antiparallelo (vedi schema)
Filament PS Dynacord KV10.jpg
K

Avatar utente
delga
Diyer Eroe
Diyer Eroe
Messaggi: 526
Iscritto il: 07/02/2012, 23:37
Località: prov. di Teramo

Re: problemi tensioni 18 watt

Messaggio da delga » 22/03/2013, 21:25

ciao ragazzi,

questo pomeriggio ho messo lo chassis dentro la headshell e ho portato testata e cassa in saletta prove...ovviamente non ero io a suonare, ma un mio amico fidato che "sa suonare"..

a parere suo: "una dinamica assurda...e un timbro non associabile a nessun altro modello in commercio......non è un peavey, non è un marshall, non è un ac15....ma è un suono tutto suo....ottimo per un bluesaccio sporco, per vaughan, ma altrettanto azzeccato per un rock 70's..."

gli è piaciuto tanto il range di suoni ottenibili con lo switch diode-tube per la rettifica...

poi l'abbiamo provato con alcuni pedali.....una bestia di suono!

non abbiamo fatto una demo perchè non volevamo fare una cosa frettolosa...ma starci con calma..con microfono serio e bla bla bla...

unico difetto è che queste finali partono con un niente! sensibilissime.....voi mi insegnate che questo problema ha un nome, oscillazione...e mi state dicendo che è un pò come il loop di massa?? dipende dal layout dei collegamenti, dico cavolate??

in effetti è un pò caotico dentro lo chassis..ma non ho hum eccessivo.....però ho queste finali "sensibili"...

Avatar utente
Kagliostro
Amministratore
Amministratore
Messaggi: 9961
Iscritto il: 03/12/2007, 0:16
Località: Prov. di Treviso

Re: problemi tensioni 18 watt

Messaggio da Kagliostro » 22/03/2013, 23:17


Avatar utente
delga
Diyer Eroe
Diyer Eroe
Messaggi: 526
Iscritto il: 07/02/2012, 23:37
Località: prov. di Teramo

Re: problemi tensioni 18 watt

Messaggio da delga » 23/03/2013, 2:36

ok..letto....dovrò riprendere lo chassis dunque e dare una sistemata generale...

vi terrò informati sugli sviluppi!!

grazie ragazzi ;)

delga

Rispondi