Firefly (Ax84) voltaggio continua troppo basso
Re: Firefly (Ax84) voltaggio continua troppo basso
attualmente sto cercando, con l'aiuto di un bastoncino di legno, di trovare eventuali saldature fatte male e qualcuna, effettivamente l'ho rifatta, ma ciò non cambia la serie di scratch che fa (in realtà sull'altro amplificatore, ogni tanto (dipende da dove lo metto in casa), capita di captare qualche onda radio ma qui in realtà non si sente nulla di analogo.
Ho verificato di nuovo tutte le resistenze e sono tutte di valore corretto.
Una cosa che ho notato è che scollegando tutte le calze dei fili schermati non ho rilevato alcun cambiamento, come se fossero inutili.. alcuni fili erano talmente corti che non ho utilizzato cavi schermati anche se magari cèera bisogno.
Chiaramente io non sono un esperto, anzi.., per cui abbiate pazienza se l'assemblaggio è fatto male. Se vi salta qualcosa all'occhio di palesemente fatto male e causante i sintomi che vi ho descritto non esitate a indicarli
Vi ringrazio
Giuseppe
Ho verificato di nuovo tutte le resistenze e sono tutte di valore corretto.
Una cosa che ho notato è che scollegando tutte le calze dei fili schermati non ho rilevato alcun cambiamento, come se fossero inutili.. alcuni fili erano talmente corti che non ho utilizzato cavi schermati anche se magari cèera bisogno.
Chiaramente io non sono un esperto, anzi.., per cui abbiate pazienza se l'assemblaggio è fatto male. Se vi salta qualcosa all'occhio di palesemente fatto male e causante i sintomi che vi ho descritto non esitate a indicarli
Vi ringrazio
Giuseppe
- Kagliostro
- Amministratore

- Messaggi: 9947
- Iscritto il: 03/12/2007, 0:16
- Località: Prov. di Treviso
Re: Firefly (Ax84) voltaggio continua troppo basso
Del fireFly ho ritrovato questa documentazione che avevo salvato tempo fa, purtroppo non ho altro
si tratta, comunque, di un layout ottimizzato con i vari cap di filtro collegati dove serve
(per accorciare per quanto possibile il percorso delle correnti)
K
si tratta, comunque, di un layout ottimizzato con i vari cap di filtro collegati dove serve
(per accorciare per quanto possibile il percorso delle correnti)
K
Re: Firefly (Ax84) voltaggio continua troppo basso
Ti ringrazio Kagliostro,
vedo che è il layout della versione americana, relativo ad una variante (i condensatori di filtro hanno valori differenti rispetto allo schema origiinale, dove sono tutte da 47µF) e comunque fatto con una basetta, diciamo, regolabile.
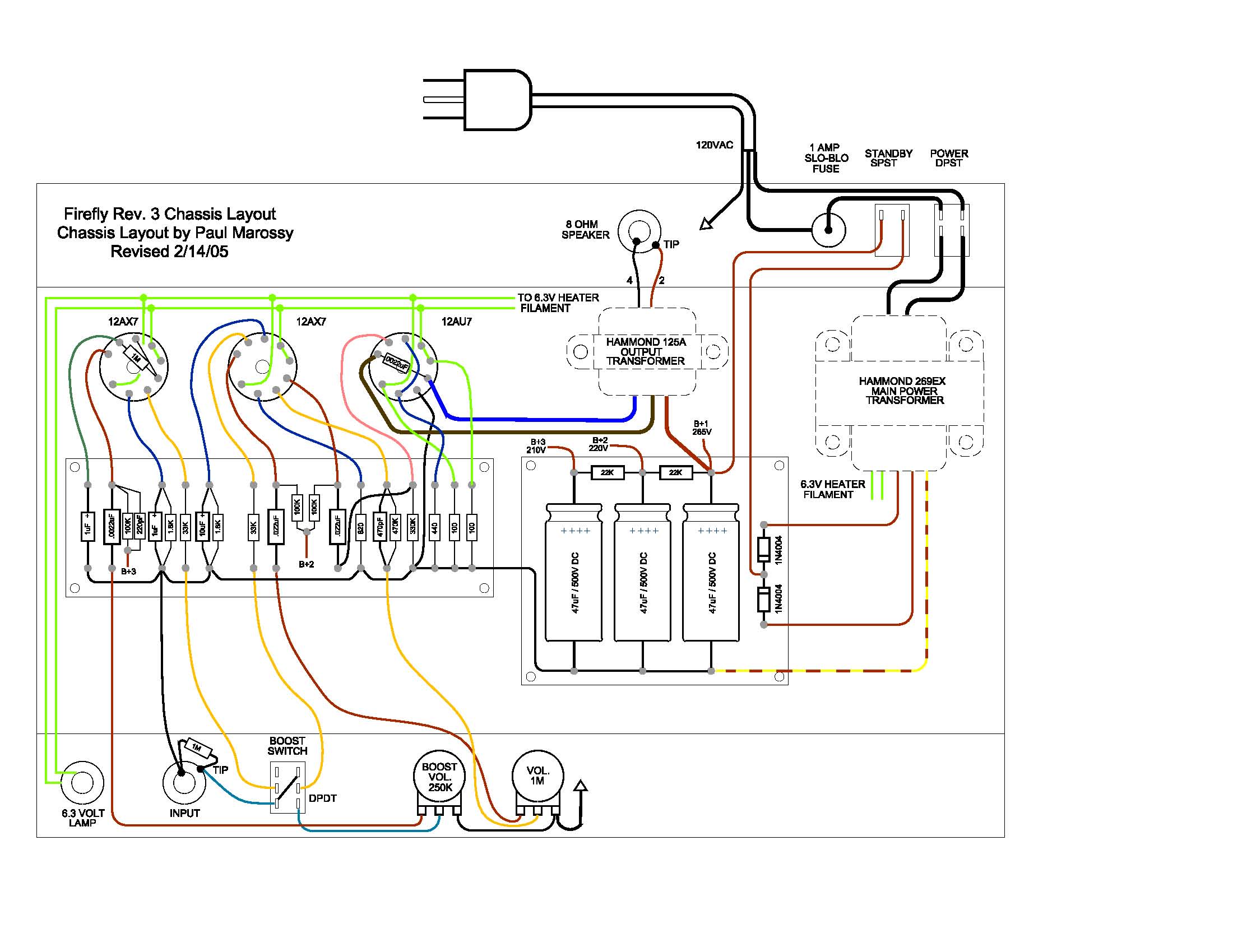
Io mi sono rifatto invece al seguente schema:
vedo che è il layout della versione americana, relativo ad una variante (i condensatori di filtro hanno valori differenti rispetto allo schema origiinale, dove sono tutte da 47µF) e comunque fatto con una basetta, diciamo, regolabile.
Io mi sono rifatto invece al seguente schema:
Re: Firefly (Ax84) voltaggio continua troppo basso
ciao
forse non ho visto bene , ma dalla foto dell'interno hai messo 2 diodi col positivo collegato all'interruttore st-by . questo significa che il primo condensatore da 47uF stà da solo sui 2 fili che vengono dal trasfo di alimentazione ?
forse non ho visto bene , ma dalla foto dell'interno hai messo 2 diodi col positivo collegato all'interruttore st-by . questo significa che il primo condensatore da 47uF stà da solo sui 2 fili che vengono dal trasfo di alimentazione ?
SII PUOO' FAAAAAREEEEEEEE!!
Re: Firefly (Ax84) voltaggio continua troppo basso
Ciao,
credo che la prospettiva inganni un po, in effetti il secondario da sui diodi ( che sono nascosti dal primo condensatore) da qui allo stanby e dallo standby, con cavo rigido passante sotto la basetta, al capo positivo del primo condensatore.
I voltaggi mi sembrano correti (su B+1 B+2 B+3 ho un errore rispetto all schema al più del 10-12%).
Posto una foto migliore.
Grazie per l'intervento
Giuseppe
credo che la prospettiva inganni un po, in effetti il secondario da sui diodi ( che sono nascosti dal primo condensatore) da qui allo stanby e dallo standby, con cavo rigido passante sotto la basetta, al capo positivo del primo condensatore.
I voltaggi mi sembrano correti (su B+1 B+2 B+3 ho un errore rispetto all schema al più del 10-12%).
Posto una foto migliore.
Grazie per l'intervento
Giuseppe
Re: Firefly (Ax84) voltaggio continua troppo basso
ciao ,
il centrale dei filamenti dove l'hai collegato ?
il centrale dei filamenti dove l'hai collegato ?
SII PUOO' FAAAAAREEEEEEEE!!
Re: Firefly (Ax84) voltaggio continua troppo basso
il jack di uscita è messo a massa per bene ?
poi mi è sembrata fredda la saldatura pin 3 di V2 dove c'è 1 filo marrone solid wire .
ciao
poi mi è sembrata fredda la saldatura pin 3 di V2 dove c'è 1 filo marrone solid wire .
ciao
SII PUOO' FAAAAAREEEEEEEE!!
Re: Firefly (Ax84) voltaggio continua troppo basso
Ciao Neroagani,
dunque secondo lo schema di riferimento il centrale dell alimentazione filamenti andrebbe collegato ai catodi della valvola di uscita ed in questo momento é cablato cosí.
Su forum di ax84 qualcuno proponeva di mettere il centrale a terra.
Ho provato ma senzs alcun risultato sui difetti evidenziati.
Per le saldature e per il jack di uscita conttolleró appena possibile.
Ti ringrazio molto per l'aiuto che mi stai dando!
dunque secondo lo schema di riferimento il centrale dell alimentazione filamenti andrebbe collegato ai catodi della valvola di uscita ed in questo momento é cablato cosí.
Su forum di ax84 qualcuno proponeva di mettere il centrale a terra.
Ho provato ma senzs alcun risultato sui difetti evidenziati.
Per le saldature e per il jack di uscita conttolleró appena possibile.
Ti ringrazio molto per l'aiuto che mi stai dando!
Re: Firefly (Ax84) voltaggio continua troppo basso
Ieri sera ho provato a staccare il capo del binario di messa a terra collegato al mio punto di connessione alla presa e a collegare l'altro capo (cioê ho staccato il binario da un lato e l'ho riattaccato dall'altro con un filo volante).
Nessun risultato...
Poi ho notato che con il boost acceso i rumori come hum e scratch aumentano soltanto, ma sono già presenti ed il circuito del boost é totalmente indipendente per cui credo che il problema sia a monte, cioê già nel circuito principale.
Ieri ho ricomprato un po di condensatori e resistenze e pian piano cercheró di sostituire quelli vecchi, nel timore che i voltaggi del cablaggio sbagliato abbiano compromesso qualche componente (e io sinceramente non ho la piú pallida idea di come si possa testsre un condensatore)
Imfine ho provato a mettere una lattina su valvole e trasformatore di uscita sul lato esterno dello chassis, ma anche qui, nessun cambiamento
Aiutoooooo!
Nessun risultato...
Poi ho notato che con il boost acceso i rumori come hum e scratch aumentano soltanto, ma sono già presenti ed il circuito del boost é totalmente indipendente per cui credo che il problema sia a monte, cioê già nel circuito principale.
Ieri ho ricomprato un po di condensatori e resistenze e pian piano cercheró di sostituire quelli vecchi, nel timore che i voltaggi del cablaggio sbagliato abbiano compromesso qualche componente (e io sinceramente non ho la piú pallida idea di come si possa testsre un condensatore)
Imfine ho provato a mettere una lattina su valvole e trasformatore di uscita sul lato esterno dello chassis, ma anche qui, nessun cambiamento
Aiutoooooo!
Re: Firefly (Ax84) voltaggio continua troppo basso
comunque il tuo sembra 1 problema di masse .
il progetto prevedeva jack non isolati , mentre tu hai messo quelli di plastica .
io proverei a forare vicino al jack di ingresso e mettere lì la messa a terra dell'input e del binario ( come lo chiami tu ) lasciando a parte quella della presa AC che deve essere da sola .
ciao
il progetto prevedeva jack non isolati , mentre tu hai messo quelli di plastica .
io proverei a forare vicino al jack di ingresso e mettere lì la messa a terra dell'input e del binario ( come lo chiami tu ) lasciando a parte quella della presa AC che deve essere da sola .
ciao
SII PUOO' FAAAAAREEEEEEEE!!
Re: Firefly (Ax84) voltaggio continua troppo basso
uh, credevo fossero meglio utilizzare quelli isolati...neroagani ha scritto:comunque il tuo sembra 1 problema di masse .
il progetto prevedeva jack non isolati , mentre tu hai messo quelli di plastica .
ti ringrazio molto per le dritte neroagani sei molto gentile, provo questa sera...spero funzionineroagani ha scritto: io proverei a forare vicino al jack di ingresso e mettere lì la messa a terra dell'input e del binario ( come lo chiami tu ) lasciando a parte quella della presa AC che deve essere da sola .
ciao
posterò le novità
ciao
Re: Firefly (Ax84) voltaggio continua troppo basso
mi sembra annerita la resistenza da 330k a fianco all'accoppiata 470pF/470k e 440 ohm , che viene dal filo marrone della AU7 ( v3 ) e che da schema doveva essere collegata al pin 2 invece non ho visto bene dalla foto dove è collegata .
SII PUOO' FAAAAAREEEEEEEE!!
Re: Firefly (Ax84) voltaggio continua troppo basso
Ciao Neroagani,
allora ho provato ad effettuare il collegamento del binario di messa a terra in un punto vicino al jack di ingresso.
Inizialmente, per provare, avevo fissato tutto allo chassis con una pinza, ed i risultati mi erano sembrati buoni, cioè il prrrrriiing sembrava scomparso.
Tutto gasato ho utilizzato il vicino perno della basetta (per non fare un ulteriore buco solo per prova) per il collegamento a massa ma questa volta non ho rilevato cambiamenti, il prrrirng e gli altri difetti rimangono.
purtroppo il tempo per questo debugging è risicatissimo (10 minuti la sera...) per cui procedo a rilento,
cercherò di controllare meglio i collegamenti, nel primo caso aveva funzionato abbastanza bene mi sembra...
Inoltre, sarà perché ho provato a rifare alcune saldature e sostituire alcuni fili, ora, col boost spento, non riesco ad andare a fondo scala col pot del volume perché parte una specie di suono stridulo assordante....
sto facendo casini....
Si quella resistenza era una di quelle andate a fuoco...ma ha ancora il valore di targa, l'ho staccata e rimisurata...in ogni caso la cambio, a scanso di equivoci..
ti ringrazio ancora per l'aiuto, se ti venisse in mente qualcos'altro da controllare/sostituire ogni aiuto è più che gradito.
grazie ancora
Giuseppe
allora ho provato ad effettuare il collegamento del binario di messa a terra in un punto vicino al jack di ingresso.
Inizialmente, per provare, avevo fissato tutto allo chassis con una pinza, ed i risultati mi erano sembrati buoni, cioè il prrrrriiing sembrava scomparso.
Tutto gasato ho utilizzato il vicino perno della basetta (per non fare un ulteriore buco solo per prova) per il collegamento a massa ma questa volta non ho rilevato cambiamenti, il prrrirng e gli altri difetti rimangono.
purtroppo il tempo per questo debugging è risicatissimo (10 minuti la sera...) per cui procedo a rilento,
cercherò di controllare meglio i collegamenti, nel primo caso aveva funzionato abbastanza bene mi sembra...
Inoltre, sarà perché ho provato a rifare alcune saldature e sostituire alcuni fili, ora, col boost spento, non riesco ad andare a fondo scala col pot del volume perché parte una specie di suono stridulo assordante....
sto facendo casini....
Si quella resistenza era una di quelle andate a fuoco...ma ha ancora il valore di targa, l'ho staccata e rimisurata...in ogni caso la cambio, a scanso di equivoci..
ti ringrazio ancora per l'aiuto, se ti venisse in mente qualcos'altro da controllare/sostituire ogni aiuto è più che gradito.
grazie ancora
Giuseppe
Re: Firefly (Ax84) voltaggio continua troppo basso
ok , mi fa piacere sentire che sta procedendo tutto bene ...
a volte sottovalutiamo il fatto che andiamo a mettere mano su oggetti potenzialmente pericolosi ...
dunque tornando al firefly, direi che potresti postare 1 foto d'insieme se hai fatto modifiche , così ci rendiamo conto meglio .
altra cosa : dal layout ci dovrebbe essere 1 condensatore fra gli anodi della AU7 . tu non l'hai messo ?
ciao
a volte sottovalutiamo il fatto che andiamo a mettere mano su oggetti potenzialmente pericolosi ...
dunque tornando al firefly, direi che potresti postare 1 foto d'insieme se hai fatto modifiche , così ci rendiamo conto meglio .
altra cosa : dal layout ci dovrebbe essere 1 condensatore fra gli anodi della AU7 . tu non l'hai messo ?
ciao
SII PUOO' FAAAAAREEEEEEEE!!
Re: Firefly (Ax84) voltaggio continua troppo basso
Ciao Neroagani,
Allora, sul circuito, diciamo, principale dovrei aver risolto.
Un po di hum rimane, ma é quello che l'ampli fa anche da acceso con i pot tutti al minimo, aumentando il gain non aumenta l'hum, gli scratch sono scomparsi dopo che ho rifatto le saldature del pot, ed anche il prrrrring sembra scomparso...
Sul circuito del boost ci sto lavorando, purtroppo quando arrivo verso fine corsa del pot del boost, con il gai giá al massimo, parte un fastidioso fischio spernacchiante (chiedo scusa ma non riesco a descriverlo meglio di così...)
Ti ringrazio molto. Appena possibile, dopo aver aggiustato qualche porcheria qui e li, posto una nuova foto dell'interno.
Grazie ancora!!
Allora, sul circuito, diciamo, principale dovrei aver risolto.
Un po di hum rimane, ma é quello che l'ampli fa anche da acceso con i pot tutti al minimo, aumentando il gain non aumenta l'hum, gli scratch sono scomparsi dopo che ho rifatto le saldature del pot, ed anche il prrrrring sembra scomparso...
Sul circuito del boost ci sto lavorando, purtroppo quando arrivo verso fine corsa del pot del boost, con il gai giá al massimo, parte un fastidioso fischio spernacchiante (chiedo scusa ma non riesco a descriverlo meglio di così...)
Ti ringrazio molto. Appena possibile, dopo aver aggiustato qualche porcheria qui e li, posto una nuova foto dell'interno.
Grazie ancora!!

