Prima di tutto grazie mille a tutti per i tentativi di aiutarmi!
meritil ha scritto:
dai un trimmer da 50k lo trovi pure al tabaccaio..
Ehm, mica tanto... Qui da me i negozi di elettronica di vecchio stampo hanno tutti chiuso da un po' e in quelli più moderni ho provato ma si fa una fatica boia a trovare materiale adatto a questo tipo di progetti - per non parlare degli sguardi quando richiedi certi componenti!

Per questo ordino sempre tutto online...
Non è un problema comunque, tanto ho l'impressione che delle finali di riserva le debba ordinare lo stesso, più altre piccolezze di cui ho bisogno, quindi...
Vicus ha scritto:
Fai questa prova, stacca le finali, accendi, misura la tensione tra R26 e R27 prima con il pot tutto girato da una parte poi dall'altra. Misura inoltre la tensione dopo del diodo. Tutte le misure in continua.
Allora, tra R26 e R27 col pot al minimo ho -39, col pot al massimo -28, tra il diodo e R27 (al minimo) -49, tra il diodo e R30 (sempre al minimo) 132.
Vicus ha scritto:
Hai mandato a massa il + dei condensatori elettrolitici vero? Dalle foto non si capisce.
Sì.
Vicus ha scritto:
Se la tensione è troppo alta allora abbassa R30, portala a 180K o 150k.
Fra poco faccio un tentativo!
Vicus ha scritto:
Dando una occhiata alle tensioni la tensione sulla griglia del secondo triodo deve essere 0.
Sì, me ne rendo conto, ma non ho idea da cosa dipenda quel dato sballato (l'ultima volta ho misurato 2,2VDC)...
Vicus ha scritto:
La calza del secondo cavo coassiale l'hai collegata? Dove?
Perdona l'ignoranza ma, per chiarezza, per "calza", intendi il cavo isolato interno, oppure il cavo "nudo" esterno? red_face
Vicus ha scritto:
Le prime due torrette verso il jack di ingresso sono a massa entrambe.
Sì.
meritil ha scritto:
scusa johnny ma stavo guardando la fotografia e noto molte anomalie sul layout e non riesco a darti una mano se non metti uno schema comprensivo delle tue "evoluzioni"
immagino tu abbia voluto eliminare il jack low (stessa sorte del pot presence, ma perchè?... ) ecco perchè dal ccw del pot del gain parte un cavo che va al primo cond da 22n, il problema è che non trovo la coppia 470k+470p che dal fù jack low dovrebbe andare al ccw del gain alias pin1
noto che al mixer manca il bypass e una delle due resistenze è da 220k, è una mod che hai trovato in giro? o ti sei sbagliato?
se partivi clonando l'originale e poi facevi le modifiche facevamo prima, così ci vuole il mago per aiutarti
Hai sicuramente ragione, però ho già elencato le modifiche che ho apportato, e non dovrebbero essere nulla di che...
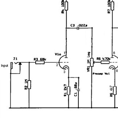
Ci sono innanzitutto alcuni valori differenti:
1) R5 da 68k al posto di 470k+500p per un suono più scuro
2) R6 da 4k7 invece che da 10 per aumentare il gain
3) R10 da 220k invece che da 470k bypassato da 470p per aumentare un po' il gain
4) R9 bypassato da .68uf per aumentare gain e medie
5) "Slope" resistor da 47k invece che da 33 per aumentare la grinta nelle medie
... Sono tutte mod molto "standard", diffusissime, almeno da quello che ho visto in giro, ed in teoria non dovrebbero interferire con il funzionamento dell'ampli, se non forse a livello di rumore, oscillazione, ecc., sempre se non mi sbaglio di grosso... red_face
Le altre due modifiche, forse più critiche, sono invece la rinuncia all'input "lo" e del comando presence, "fissato" su 15k.
La prima effettuata più che altro perchè non uso mai il lo input e per conseguente volontà di personalizzare un pochino l'ampli, la seconda per non dover forare ulteriormente lo chassis e rifare completamente il tone stack che era già al suo posto...
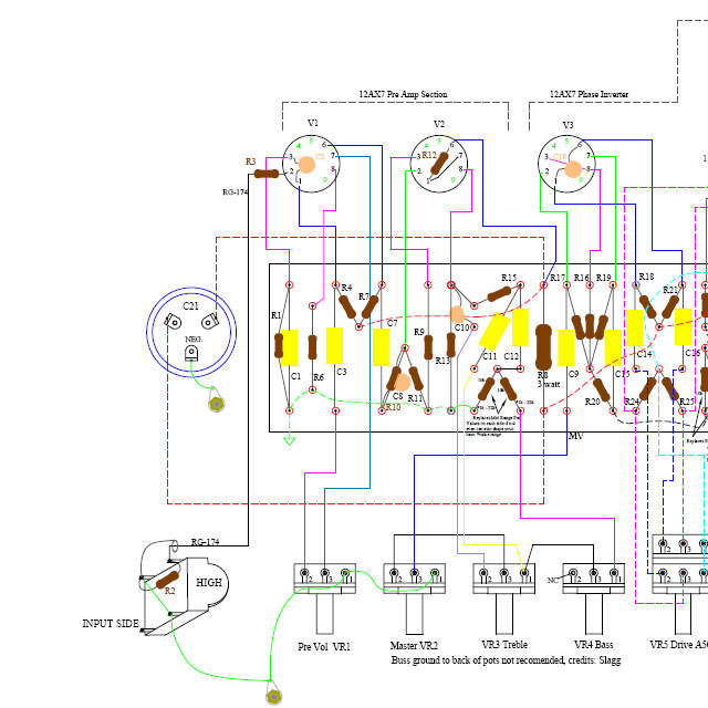
Per "arrivare" a togliere il lo input ho seguito il layout del Mini JCM di Dreamtone per quel che riguarda jack, V1 e pot del pre/gain (ho visto che corrisponde in pratica anche alla soluzione adottata sui Silver Jubilee), mentre per il presence ricorderai sicuramente la discussione relativa.

Fin dall'inizio ho immaginato che i problemi potessero derivare da queste due modifiche un pelo più impegnative, in particolare quella riguardante l'input, visto che il problema "principale" sembra essere nel pre, ma non ne sono più così sicuro: ho infatti provato a ricablare l'input nel modo classico, con l'aggiunta dell'altro jack e il differente cablaggio di pin2 e pin 7 in V1, ma non è cambiato niente...

(In allegato i due layout che ho seguito)
Red Max ha scritto:
comunque un buon metodo per debuggare un circuito (partendo dal presupposto che i componenti siano tutti buoni) è quello di partire dall'input e verificare visivamente (il segnale entra dal contatto del jack, va a massa tramite una resistenza da... e va alla valvola (su quale pin)tramite una resistenza da... schema alla mano ovviamente, poi si puo' partire anche dall'uscita e fare il percorso inverso oppure dall'alimentazione o dalla massa, in qualche modo l'errore salta fuori, l'importante è non trascurare il minimo particolare.
Poi si può anche provare separatamente le parti del circuito, per capire se il problema sta nel pre o nel finale.
A volte c'è più soddisfazione quando c'è un problema da risolvere rispetto a quando va tutto liscio
Il fatto è che lo sto facendo di continuo da giorni ormai, anche col multimetro per testare connessione dopo connessione, e non ho mai trovato niente...
