stinger stp100hv valvolare non funziona
Re: stinger stp100hv valvolare non funziona
Una volta che cambi valvole e tu e ricontrolli tutto il circuito non vedo perché dovrebbe ribruciarsi. Le cose o le si fa bene o non le si fa.
Re: stinger stp100hv valvolare non funziona
uhm, aspettate un attimo.... pensandoci, se il trasformatore è in corto, in pratica non succede che il carico del finale è nullo? cioe c'è qualcosa che ancora non mi convince bene, è vero che cio che conta è il flusso magnetico che per induzione porta la corrente al secondario, però, uhm se il primario è in corto e la valvola permette il passaggio di corrente, non è quasi come fare un corto circuito tra la tensione anodica che passa dal primario in corto, appunto impedenza nulla, e arriva a massa tramite valvola? non mi dovrebbe saltare tutto? o sto dicendo una fesseria? o.O
Re: stinger stp100hv valvolare non funziona
In condizioni normali ragionando in continua se il primario del trasformatore in dc da qualche decina di ohm e la corrente dell'ordine delle decine di milliamper 12Ohm*60mA=720mV è chiaro che la caduta di tensione più consistente ce l'hai sulla valvola
Re: stinger stp100hv valvolare non funziona
non ho capito molto che intendi, cmq in questa pagina
http://digilander.libero.it/el840/TRIOD ... 20PULL.htm
se guardi la figura 8 c'è una rappresentazione del pushpull, io pensavo che se uno dei primari era in corto passava troppa corrente perchè collegava direttamente la massa, ma piu in sotto spiega che la sfasatura di 180° annulla la corrente nel ramo di Rk quindi evidentemnete tutto il sistema vede solo il primario funzionante, cmq grazie mille per l'aiuto, se volessi riavvolgere il trasformatore hai qualcosa da consigliarmi? io non so neanche da dove comprare il filo smaltato .__. mi sa che faccio prima a cercarne uno di seconda mano se sono fortunato lo recupero...
http://digilander.libero.it/el840/TRIOD ... 20PULL.htm
se guardi la figura 8 c'è una rappresentazione del pushpull, io pensavo che se uno dei primari era in corto passava troppa corrente perchè collegava direttamente la massa, ma piu in sotto spiega che la sfasatura di 180° annulla la corrente nel ramo di Rk quindi evidentemnete tutto il sistema vede solo il primario funzionante, cmq grazie mille per l'aiuto, se volessi riavvolgere il trasformatore hai qualcosa da consigliarmi? io non so neanche da dove comprare il filo smaltato .__. mi sa che faccio prima a cercarne uno di seconda mano se sono fortunato lo recupero...
Re: stinger stp100hv valvolare non funziona
Prova a sentire Delbini, magari ti fa un buon prezzo sulla riparazione anche se io consiglio di cambiarlo. Capisco che vuoi spendere poco però certe volte davvero impossibile.
Re: stinger stp100hv valvolare non funziona
e mi sa di si, cmq che cosa mi serve sapere per procurarne un altro? devo sapere l'impedenza di primario per forza? o mi basta sapere che è utilizzabile con 4 valvole el34? in caso mi sapete dire di quanto deve essere l'impedenza vista dal primario? credo intorno a 2k come nell slo, ma non sono poi cosi sicuro ecco perchè chiedo, eventualemnte per fare delle prove posso attaccare due resistenze al posto del trasfo? e vedo se ho altri problemi? cosi amgari evito di far bruciare un altro trasformatore :(, se si che resistenze?
Re: stinger stp100hv valvolare non funziona
Si puoi provare con due resistenze però se non hai un oscilloscopio per controllare il segnale su tal resistenze secondo me son prove inutili. Il finale è molto semplice, non ci metti molto a controllare tutto.
Per l'impedenza del primario lascio la parola a chi ha già dovuto fare la scelta dei trasformatori anche se secondo me puoi chiedere direttamente a Beppe magari linkandogli lo schema e spiegandogli la situazione. Su questo fatto spero qualcuno ti risponda visto che son l'unico che ti ha dato una mano.
Per l'impedenza del primario lascio la parola a chi ha già dovuto fare la scelta dei trasformatori anche se secondo me puoi chiedere direttamente a Beppe magari linkandogli lo schema e spiegandogli la situazione. Su questo fatto spero qualcuno ti risponda visto che son l'unico che ti ha dato una mano.
Re: stinger stp100hv valvolare non funziona
Se il suono esce, il trasformatore per me non e' in corto.
Il bias a -30 e' TROPPO caldo, per le EL34 mediamente dovrebbe stare fra -35 (caldo) e -50 (freddo), per cui per sicurezza mettilo a -40/-45 e vai sul sicuro, per ora anche se e' freddino poco importa.
Controlla che G3 sia connessa correttamente al catodo, e che ci sia tensione su G2.
Puo' anche darsi che il set di valvole sia da cambiare, visto che una va in red plating e l'altra non fa nulla...Probabilmente perche' non conduce.
Ti ripeto: cerca un vecchio set di EL34 anche spompe ma funzionanti e prova a sostituirle.
Abbassa anche il bias ad un valore umano, altrimenti distruggi anche il prossimo set di valvole.
Il bias a -30 e' TROPPO caldo, per le EL34 mediamente dovrebbe stare fra -35 (caldo) e -50 (freddo), per cui per sicurezza mettilo a -40/-45 e vai sul sicuro, per ora anche se e' freddino poco importa.
Controlla che G3 sia connessa correttamente al catodo, e che ci sia tensione su G2.
Puo' anche darsi che il set di valvole sia da cambiare, visto che una va in red plating e l'altra non fa nulla...Probabilmente perche' non conduce.
Ti ripeto: cerca un vecchio set di EL34 anche spompe ma funzionanti e prova a sostituirle.
Abbassa anche il bias ad un valore umano, altrimenti distruggi anche il prossimo set di valvole.
Live another day, climb a little higher, find another reason to stay...
Re: stinger stp100hv valvolare non funziona
ciao, grazie per la rispsota, ma ho fatto una verifica che mi ha fatto credere sul serio che il tu fosse in corto, in pratica ho provato con la guida messa sempre in questo sito per provare i TU, il primario che mi segnava 12ohm provato con la 6,3 ed un fusibile da 800mA mi dava una tensione bassissima all'uscita, provando il secondo primario allo stesso modo mi è saltato immediatamente il fusibile :\ credo sia una prova piu che sufficiente! :\
Re: stinger stp100hv valvolare non funziona
cmq a questo punto vi chiedo l'ultimo favore prima di comprare TU e valvole nuove.
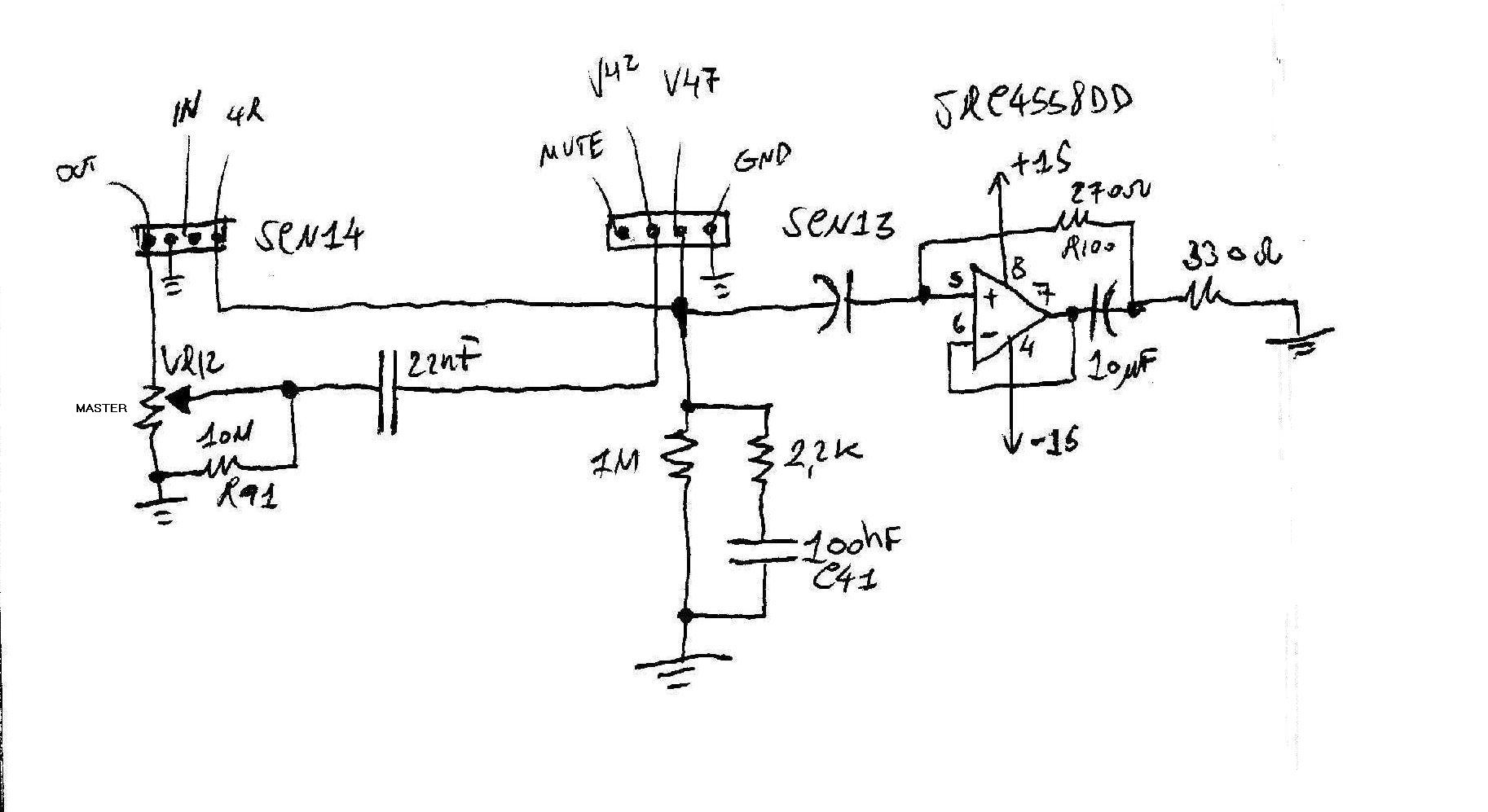
Visto che il preamp è stato provato e funziona correttamente, come suggeritomi, ho tracciato il collegamento dal return fino al finale, ovvero al connettore cn14, si nota subito dallo schema del pannelo posteriore, che il segnale dal preamp, viene prelevato dal morsetto in, e arriva infine all'out, diretto senza jack nel return, e dopo l'operazionale con il jack inserito nel return, ho dunque tracciato i collegamenti dal connettore cn14 fino al cn13 che va al phase inverter, il segnale out che arriva a v42 regolato dal potenziometro del master, è di facile intuizione,
mentre il v47 che va sempre la phase inverter, mi giunge un po' strano, soprattutto quel buffer, con quella resistenza da 270 ohm che non riesco a comprendere molto bene
in ogni caso chiedo da qualcuno di voi la conferma che questo tratto di circuito basti a verificare lo schema dal return fino al finale, in modo tale che mi controllo solo questa parte, e cosi mi evito anche di fare il tracciato d tutto il pannello! grazie ancora. 
Visto che il preamp è stato provato e funziona correttamente, come suggeritomi, ho tracciato il collegamento dal return fino al finale, ovvero al connettore cn14, si nota subito dallo schema del pannelo posteriore, che il segnale dal preamp, viene prelevato dal morsetto in, e arriva infine all'out, diretto senza jack nel return, e dopo l'operazionale con il jack inserito nel return, ho dunque tracciato i collegamenti dal connettore cn14 fino al cn13 che va al phase inverter, il segnale out che arriva a v42 regolato dal potenziometro del master, è di facile intuizione,
mentre il v47 che va sempre la phase inverter, mi giunge un po' strano, soprattutto quel buffer, con quella resistenza da 270 ohm che non riesco a comprendere molto bene
Re: stinger stp100hv valvolare non funziona
Pero' fammi capire meglio...
Hai collegato 6,3V al primario e sul secondario ti dava un'uscita in tensione bassissima? Ma come l'hai collegato? Tensione fra centrale e presa laterale?
Prima di buttare un TU buono e spendere soldi magari fai un'altra verifica:
http://digilander.libero.it/giunchifabr ... rifica.htm
Al posto del variac puoi mettere un trafo con tensione fissa, anche non da 100V, basta che rifai tutti i calcoli con le formule che trovi.
Devi collegare gli estremi dell'avvolgimento primario e lasciare libero il centrale e misurare la tensione su uno dei secondari.
Hai collegato 6,3V al primario e sul secondario ti dava un'uscita in tensione bassissima? Ma come l'hai collegato? Tensione fra centrale e presa laterale?
Prima di buttare un TU buono e spendere soldi magari fai un'altra verifica:
http://digilander.libero.it/giunchifabr ... rifica.htm
Al posto del variac puoi mettere un trafo con tensione fissa, anche non da 100V, basta che rifai tutti i calcoli con le formule che trovi.
Devi collegare gli estremi dell'avvolgimento primario e lasciare libero il centrale e misurare la tensione su uno dei secondari.
Live another day, climb a little higher, find another reason to stay...
Re: stinger stp100hv valvolare non funziona
dunque, premetto che ho un multimetro digitale e non un ohmetro, misurata l impedenza sul primario, dal centrale ai due esterni, ho letto 12 ohm da un lato e quasi 0 ohm dall'altro primario, , mentre nella guida dice che dovrei leggerle nell'ordine delle centinaia di ohm.
Poi siccome ho la 350 volt, con secondario singolo nel TA, non ho la possibilita di usare la " mezza tensione " per evitare di giocarmi anche il TA ( la precauzione non è mai troppa ), ho pensato di fare una prima prova con la 6,3 collegata prima dove ho letto 12 ohm, il fusibile non salta e in uscita leggevo tipo 0,2V ma nn mi importava molto il valore, mentre l'altro primario, mi è saltato il fusibile immediatamente.
Il fatto che il fusibile da 800mA sia saltato, non indica che quel ramo del primario è in corto? O.o
Poi siccome ho la 350 volt, con secondario singolo nel TA, non ho la possibilita di usare la " mezza tensione " per evitare di giocarmi anche il TA ( la precauzione non è mai troppa ), ho pensato di fare una prima prova con la 6,3 collegata prima dove ho letto 12 ohm, il fusibile non salta e in uscita leggevo tipo 0,2V ma nn mi importava molto il valore, mentre l'altro primario, mi è saltato il fusibile immediatamente.
Il fatto che il fusibile da 800mA sia saltato, non indica che quel ramo del primario è in corto? O.o
Re: stinger stp100hv valvolare non funziona
bene, dopo aver letto per ore il sito di giunchi mi è quasi venuta la folle idea, di ribobinare il trasfo xD, cosi dopo esser diventato piu esaurito del normale ho smontato il nucleo e ho cominciato a togliere filo dal rocchetto, che ho avvolto in delle bottiglie di plastica, mi sono segnato numero di spire, senso di avvolgimento, e posizione delle sezioni, poi mi è venuta la curiosità di misurare nella bottiglia il primario che mi andava in corto, e adesso misura anch'esso 12 ohm come al primario buono o__o xD, puo essere che l'avvolgimento ha perso di isolamento in alcune parti? e il fatto che io ho cambiato posizione d quelle parti abbia così "eliminato" il corto?
cmq mi è venuto praticamente in testa di ribobinarlo con lo stesso filo appena ho piu tempo, vediamo che succede... xD
cmq mi è venuto praticamente in testa di ribobinarlo con lo stesso filo appena ho piu tempo, vediamo che succede... xD
Re: stinger stp100hv valvolare non funziona
Potrebbe essere che sia saltata la vernicie. Prima di ribobinare e trovarsi con un trasformatore che dopo poco ritorna inutilizzabile, cerca almeno di riverniciare il filo.
Puoi fare qualche foto che son curioso?
Puoi fare qualche foto che son curioso?
Re: stinger stp100hv valvolare non funziona
purtroppo però non sono ancora riuscito a trovare qualche negozio di filo smaltato in città a parte uno che lo vendono solo in rocchetti da 10 kg .___. , cmq forse riesco a procurare un trasformatore per pushpull con 2 el34, che ne dite se metto quello e lascio solo due valvole? tanto della potenza ora non mi importa granchè, eventualmente, mi basta staccare solo le due valvole? o devo cambiare qualcosa?

