Finale ECL86
Finale ECL86
buongiorno, ho un problema su un ampli. La base è la marshall silver Jubilee (ceriatone 2550) ma il finale è un 18W con due ECL86. Il problema è che dopo 4/5 di volume ogni volta che suono una nota prima vine emesso un colpo dal cono e poi la nota si esaurisce distorcendo...dopo aver visto e rivisto l oshcmea ho trovato una cosa strana : sulle griglie della P.I (normalmente pin 2 e 7 di una ECC) misuro verso massa 12,3 VDC. Per caso o meno è la stessa tensione che misuro tra i catodi delle finali (un po' alta ma niente red plating).
L'unico motivo che mi viene inmente è che la tensione positiva sia portata dal feedback, è possibile? ho per caso invertito lo 0 e l'8 ohm del t.u?
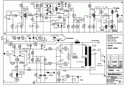
allego schemi
Non ho fatto il circuito D.I. ma dubito influisca
L'unico motivo che mi viene inmente è che la tensione positiva sia portata dal feedback, è possibile? ho per caso invertito lo 0 e l'8 ohm del t.u?
allego schemi
Non ho fatto il circuito D.I. ma dubito influisca
Re: Finale ECL86
Ciao,
il pin 8 è a massa, non può essere allo stesso potenziale del catodo.
Sicuro di non aver sbagliato qualche saldatura o collegamento?
il pin 8 è a massa, non può essere allo stesso potenziale del catodo.
Sicuro di non aver sbagliato qualche saldatura o collegamento?
Re: Finale ECL86
Pin 8? Delle ECL? Nello schema Marshall compaiono 2 el34 ma io non le ho usate
Re: Finale ECL86
Il Pin 8 delle ECL86 è riferito a massa, se hai fatto correttamente i collegamenti.
Devi leggere 0 Vdc fra lui e massa.
Devi leggere 0 Vdc fra lui e massa.
Re: Finale ECL86
Infatti li leggo 0... è tra i pin 1 e massa che leggo 6.8vdc quindi sui triodi...per l'esattezza ho 198vdc sugli anodi (pin 9) e 23vdc al catodo (pin 2+pin 2)
Re: Finale ECL86
Guarda dove sono collegati gli ingressi della PI: c'è la corrente di entrambi i triodi su quel 56k, quindi è normale tu abbia una tensione positiva.
Puoi postare lo schema di cosa hai realizzato, nello specifico?
Puoi postare lo schema di cosa hai realizzato, nello specifico?
Re: Finale ECL86
Te lo chiedo perchè parli di feedback, ma nello schema postato non c'è nessun feedback sul finale.
Re: Finale ECL86
Il feedback l'ho copiato dallo schema Marshall...avevo pensato anche io che la tensione venisse dalle resistenze da 1m che collegano il catodo alle griglie...quindi il problema potrebbe non essere lì...do un occhiata alla parte del tone stavo perché aumentando i medi aumenta anche il volume è il pot del volume crea rumori (distorsioni e crepitii) solo a metà corsa,al massimo e al minimo no
Re: Finale ECL86
Proprio per questo ti chiedo lo schema, per sapere come hai fatto il finale. Sia come schema sia come realizzazione.
Re: Finale ECL86
In allegato lo schema che ho utilizzato,quindi Marshall+le ECL 86 con i valori che ho utilizzato, sono partito dal return perché inserendo un jack nel send non sento problemi...i problemi svaniscono anche togliendo il fusibile del t..u...ho persino pensato che sia il t.u. il problema perché anche cambiando le valvole resta...fa uno spernacchiamento da vol 4 a Volume 8...agli estremi della corsa del potenziometro non da problemi...


Re: Finale ECL86
piccolo aggiornamento : a un certo punto il pin 6 della ECL (l'anodo del pendtodo) ha iniziato a fare un arco elettrico accanto al pin 5 (filamenti) una volta scollegato e isolato ho riacceso l'ampli lavorando come un single ended e non faceva nessun tipo di rumore (volume più basso ma comprensibile) ho quindi smontato il T.U. e ho notato che c'era una giunzione al'linterno delle spire del primario, il tester misurava 138 ohm tra Anodo-ct e anodo2-ct e 276 ohm tra gli anodi...evidentemente il segnale aveva problmi a superare la giunzione o forse stava rovinando le spire vicino...
Re: Finale ECL86
Dopo aver sostituito il t.u. lo spernacchiamento è sparito ma il volume funziona solo all' inizio della corsa,dal vol. 3 in poi si sente il suono bassissimo e molto distorto anche sul pulito,idee? Potrebbe essere la resistenza da 10k tra il catodo della p i e il presence?sullo schema delle ECL86 la mettono da 56k...


