vi elenco le uscite: 360v(red\red)-100v(orange\orange)-15v(green\green)-6,3v(black\black).. ora il problema sta.. nei collegamenti
Problema secondari trasformatore
Problema secondari trasformatore
ciao ragazzi .. ho un problema con un trasformatore toroidale che ho comprato per assemblare un ampli.. ho varie uscite secondarie.. e non ho ct..
vi elenco le uscite: 360v(red\red)-100v(orange\orange)-15v(green\green)-6,3v(black\black).. ora il problema sta.. nei collegamenti
(si sono niubbio) vorrei utilizzare l'uscita 100v per alimentare il bias..per ottenere la tensione negativa rettifico entrambi i fili? ho visto in alcuni schemi mettono un polo AC a massa
.. ma non mando il TA in corto cosi? scusate la domanda niubbia .. consigli su come fare?
vi elenco le uscite: 360v(red\red)-100v(orange\orange)-15v(green\green)-6,3v(black\black).. ora il problema sta.. nei collegamenti
-
alexradium
- Diyer Eroe

- Messaggi: 777
- Iscritto il: 07/06/2011, 14:18
Re: Problema secondari trasformatore
le tensioni in uscita dal trasformatore devono avere un riferimento,può essere direttamente sull'alternata oppure sul ponte diodi.
Personalmente visto che hai l'avvolgimento apposito farei un ponte invece del diodo singolo,è più veloce a caricare i condensatori e ha meno ripple,si tratta solo di abbassare la tensione con resistenze apposite scelte dopo varie prove.
Personalmente visto che hai l'avvolgimento apposito farei un ponte invece del diodo singolo,è più veloce a caricare i condensatori e ha meno ripple,si tratta solo di abbassare la tensione con resistenze apposite scelte dopo varie prove.
Re: Problema secondari trasformatore
ah ok.. quindi faccio il ponte , rettifico mando a massa il polo negativo ... e sul positivo ci metto un altro diodo per cambiare la polarità? o non ci ho capito niente?
(oppure devo mettere a massa il positivo?) scusa le domande stupide
- Kagliostro
- Amministratore

- Messaggi: 9949
- Iscritto il: 03/12/2007, 0:16
- Località: Prov. di Treviso
Re: Problema secondari trasformatore
Mi sa che non ci siamo con i negativi e positivi dei diodi ....
Guarda questo
I valori sono solo per partire, poi vanno aggiustati in base alle esigenze del circuito
K
EDIT: Schema corretto, gli elettrolitici erano messi al contrario
Guarda questo
I valori sono solo per partire, poi vanno aggiustati in base alle esigenze del circuito
K
EDIT: Schema corretto, gli elettrolitici erano messi al contrario
Re: Problema secondari trasformatore
grazziieee mille 
il mio dubbio era .. che non andasse in corto con il ponte dove rettifico la 360volt o sui filamenti .. vorrei metterci le due resistenze da 100ohm per creare il ct..
il mio dubbio era .. che non andasse in corto con il ponte dove rettifico la 360volt o sui filamenti .. vorrei metterci le due resistenze da 100ohm per creare il ct..
-
alexradium
- Diyer Eroe

- Messaggi: 777
- Iscritto il: 07/06/2011, 14:18
Re: Problema secondari trasformatore
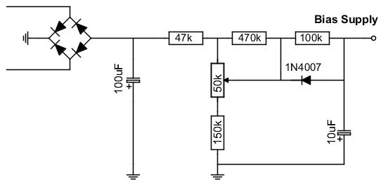
i condensatori così sono pronti per la mezzanotte del 31?kagliostro ha scritto: ↑29/12/2017, 19:18Mi sa che non ci siamo con i negativi e positivi dei diodi ....
Guarda questo
FWB Improved Bias Circuit.jpg
I valori sono solo per partire, poi vanno aggiustati in base alle esigenze del circuito
K
- Kagliostro
- Amministratore

- Messaggi: 9949
- Iscritto il: 03/12/2007, 0:16
- Località: Prov. di Treviso
Re: Problema secondari trasformatore
Sìcondensatori così sono pronti per la mezzanotte del 31?
Sistemo subito
K
Re: Problema secondari trasformatore
si tranquilli ho capito.. l'importante era capire come avere la tensione negativa
cmq il diodo 1n4007 nello schema .. a che serve?è necessario?
- Kagliostro
- Amministratore

- Messaggi: 9949
- Iscritto il: 03/12/2007, 0:16
- Località: Prov. di Treviso
Re: Problema secondari trasformatore
Se c'è .... direi di siè necessario?
Serve a fare in modo che all'accensione C2 si carichi normalmente ma allo spegnimento la scarica avvenga in modo lento
K
Re: Problema secondari trasformatore
ciao a tutti e buon anno ragazzi..
mi servevirebbe un info..
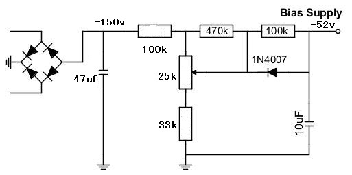
ho realizzato lo schemino su modificando un pò le resistenze.. ora ho un raggio di azione dai -55 hai -65.. che dite sono troppi per delle 6l6gc?
ho realizzato lo schemino su modificando un pò le resistenze.. ora ho un raggio di azione dai -55 hai -65.. che dite sono troppi per delle 6l6gc?
- Kagliostro
- Amministratore

- Messaggi: 9949
- Iscritto il: 03/12/2007, 0:16
- Località: Prov. di Treviso
Re: Problema secondari trasformatore
Da datasheet vedo
AB2 P/P - Va 360v - Vg2 270v - Vg1 -22.5v
AB1 P/P - Va 450v - Vg2 400v - Vg1 -37.0v
Comunque attorno a -20v / -25v su altri datasheet, cambiano ovviamente le tensioni
Per me sei un po' troppo negativo con l'alimentatore Bias
Io farei -15v / -35v come range
se poi qualcun altro vuol dire la sua ....
---
Con che valori hai adesso il circuito ?
K
AB2 P/P - Va 360v - Vg2 270v - Vg1 -22.5v
AB1 P/P - Va 450v - Vg2 400v - Vg1 -37.0v
Comunque attorno a -20v / -25v su altri datasheet, cambiano ovviamente le tensioni
Per me sei un po' troppo negativo con l'alimentatore Bias
Io farei -15v / -35v come range
se poi qualcun altro vuol dire la sua ....
---
Con che valori hai adesso il circuito ?
K
Re: Problema secondari trasformatore
negli schemi che vedo in giro sulle 6l6gc ci mettono sempre-50\-55v.. ora l'ho messo cosi.. solo che prima avevo una 120k(al posto della 100k dopo il cap da 47uf) e mi variava il voltaggio girando il trimmer ora no.. resta fisso su -52 dovrebbe abbassarsi il voltaggio al variare del trimmer? (o forse prima misuravo col cap da 10uf scarico
)
EDIT: confermo è il cap che carica veloce e scarica lento..
ora ho da -30 a -52
EDIT: confermo è il cap che carica veloce e scarica lento..
- Kagliostro
- Amministratore

- Messaggi: 9949
- Iscritto il: 03/12/2007, 0:16
- Località: Prov. di Treviso
Re: Problema secondari trasformatore
Come dicevo, se qualcuno è pratico con quelle finali, si faccia avanti, io i dati li ho letti qui
http://tdsl.duncanamps.com/show.php?des=6L6GC
ed in un paio di datasheet
--
Hai un -150v grezzi e vorresti ridurre ed avere da un 30% (45v) a un 40% (60v)
Prova a vedere cosa succede con una res (dopo il cap da 47uF) da 150k + pot da 50K + res (tra pot e massa) da 47K
Oppure res 120k + pot 50k + res 47k
K
http://tdsl.duncanamps.com/show.php?des=6L6GC
ed in un paio di datasheet
--
Hai un -150v grezzi e vorresti ridurre ed avere da un 30% (45v) a un 40% (60v)
Prova a vedere cosa succede con una res (dopo il cap da 47uF) da 150k + pot da 50K + res (tra pot e massa) da 47K
Oppure res 120k + pot 50k + res 47k
K
Re: Problema secondari trasformatore
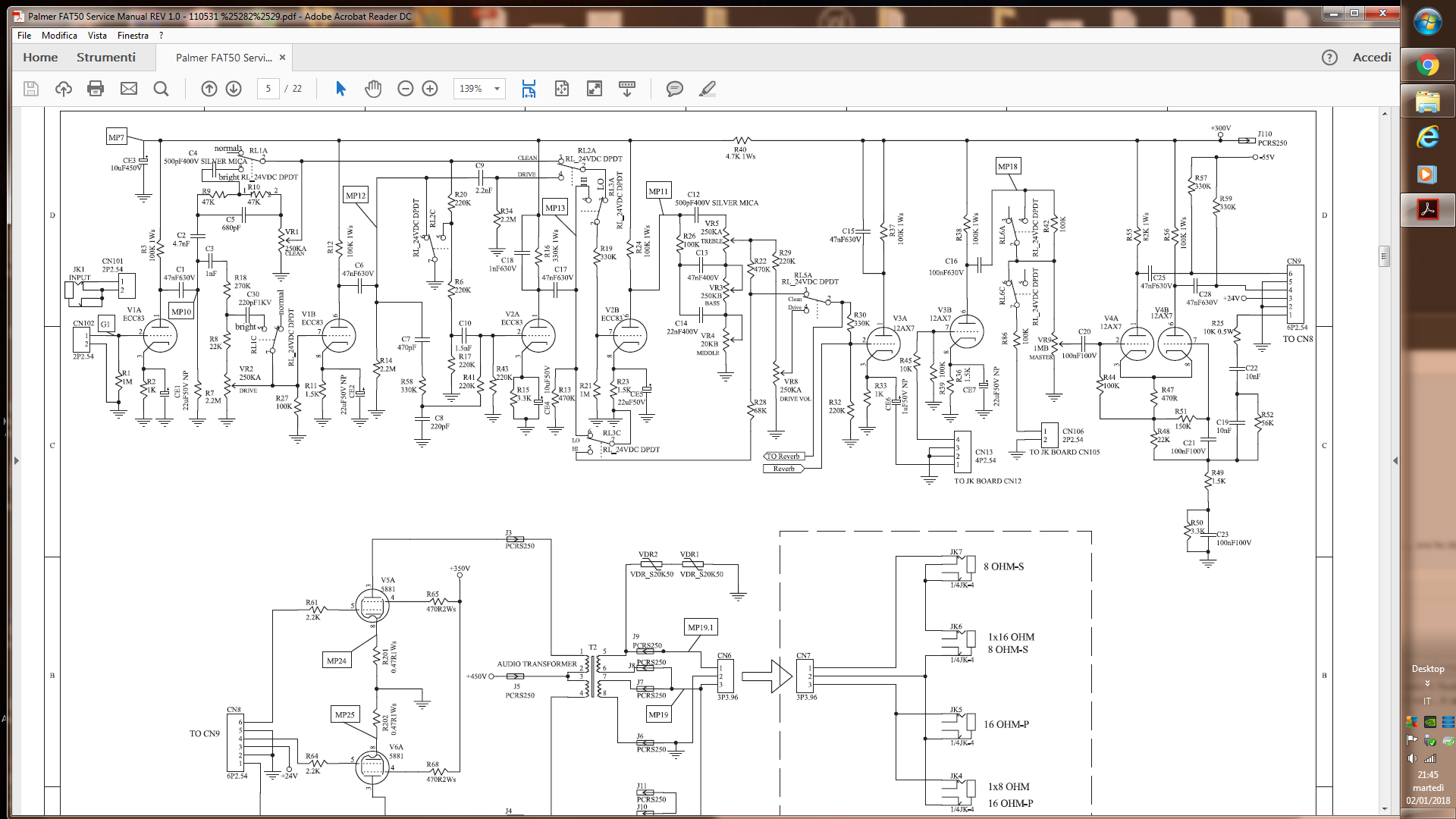
.. non ho un pot da 50k.. l'ho fatto cosi penso può andare.. poi magari quando monto il finale vedo se va bene al limite cambio qualche resistenza.... ora ho da -47 a -65 volt. Sullo schema del finale che voglio realizzare mi porta -55 volt.. è un palmer fat50...questo
-
alexradium
- Diyer Eroe

- Messaggi: 777
- Iscritto il: 07/06/2011, 14:18
Re: Problema secondari trasformatore
penso vada bene con quelle tensioni,poi ogni valvola ha le sue,in genere le 6L6GC vanno benissimo anche col 50% di dissipazione,quello schema è praticamente un Engl e funziona bene anche se molto dipende dai trasformatori.
Un oscilloscopio ce l'hai?
Un oscilloscopio ce l'hai?
