Koch supernova : diodi rettificatori filamenti sottodimensionati?
Koch supernova : diodi rettificatori filamenti sottodimensionati?
Ciao ragazzi,
In questi giorni stavo smanettando con un vecchio(2008) koch supernova preso circa 4anni fa in svendita.
Non era mai nato alcun amore.. Ed in questi anni lho lasciato a prendere polvere.
È aperto da qualche giorno, per testare varie combinazioni di condensatori bypass ecc..
Stamattina, ho avuto idea di guardare con termocamera (utilissima per testare ampli, ve la. Consiglio) e ho notato come la zona dei diodi 1n4007 che rettifica i filamenti fosse in andrò, con circa 140_/150 celsius a. Diodo.
Smontando e osservando meglio, noto infatti che tutta l'area è arrostita. Considerando che per adesso sono montate delle Kt66, che sono presenti circa 7 12ax7.. Li ci saranno almeno 4/5 ampere di tensione richiesta.
4 1n4007 non sono un po' trropo miseri??
Mi viene in mente la storia sul richiamo del mesa boogie sui primi Mark v(che Posseggo, ma che non mi ha destato mai preoccupazione)
Sarebbe saggio cambiare questi diodi? Mi ritrovo in casa dei 1n5406(600v 3a)...o dei rl207(1000v 2a)
Sarei più propenso per i primi.
Che ne pensate?
In questi giorni stavo smanettando con un vecchio(2008) koch supernova preso circa 4anni fa in svendita.
Non era mai nato alcun amore.. Ed in questi anni lho lasciato a prendere polvere.
È aperto da qualche giorno, per testare varie combinazioni di condensatori bypass ecc..
Stamattina, ho avuto idea di guardare con termocamera (utilissima per testare ampli, ve la. Consiglio) e ho notato come la zona dei diodi 1n4007 che rettifica i filamenti fosse in andrò, con circa 140_/150 celsius a. Diodo.
Smontando e osservando meglio, noto infatti che tutta l'area è arrostita. Considerando che per adesso sono montate delle Kt66, che sono presenti circa 7 12ax7.. Li ci saranno almeno 4/5 ampere di tensione richiesta.
4 1n4007 non sono un po' trropo miseri??
Mi viene in mente la storia sul richiamo del mesa boogie sui primi Mark v(che Posseggo, ma che non mi ha destato mai preoccupazione)
Sarebbe saggio cambiare questi diodi? Mi ritrovo in casa dei 1n5406(600v 3a)...o dei rl207(1000v 2a)
Sarei più propenso per i primi.
Che ne pensate?
Re: Koch supernova : diodi rettificatori filamenti sottodimensionati?
Ho anche pensato al sovradimensionamento dei condensatori relativi, che surriscaldano a causa delle correnti di picco ridondanti.
Nei nuovi prodotti , hanno abbassato ad un solo 6800uf su quel circuito
Nei nuovi prodotti , hanno abbassato ad un solo 6800uf su quel circuito
Re: Koch supernova : diodi rettificatori filamenti sottodimensionati?
Oppure molto semplicemente c'è un elettrolitico ko
- Kagliostro
- Amministratore

- Messaggi: 9949
- Iscritto il: 03/12/2007, 0:16
- Località: Prov. di Treviso
Re: Koch supernova : diodi rettificatori filamenti sottodimensionati?
Ciao
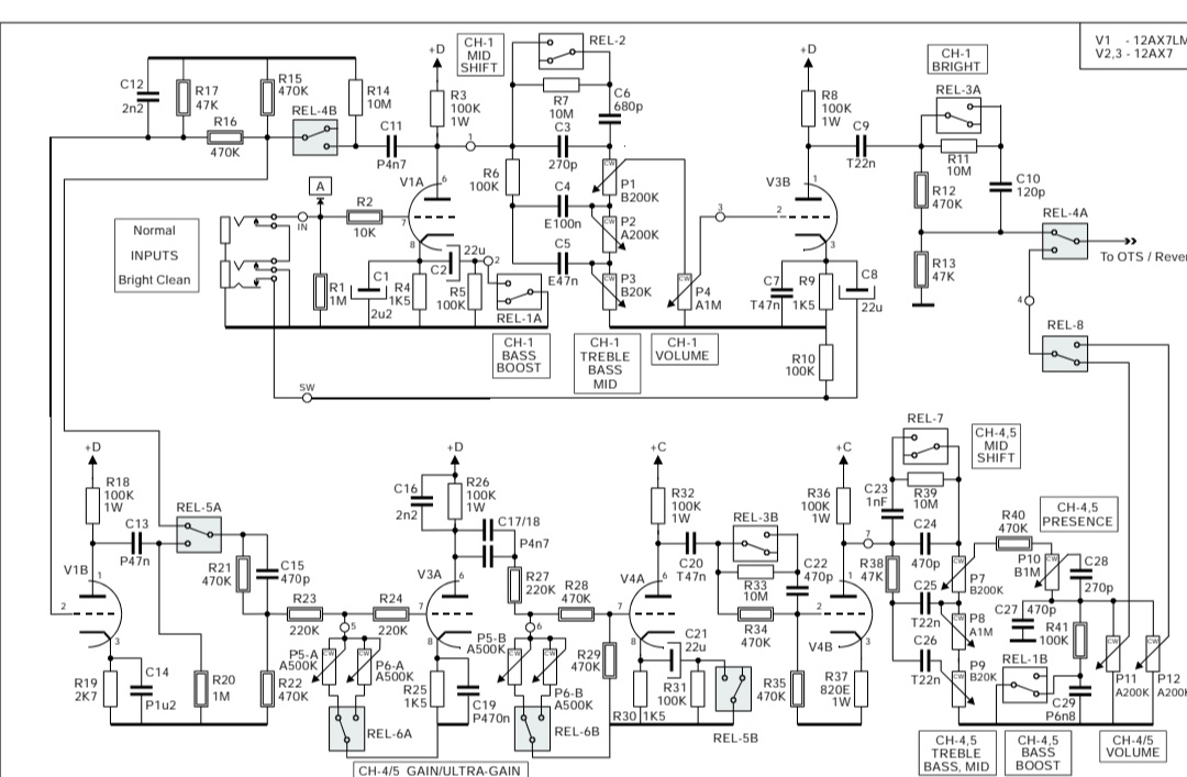
In effetti suona strano l' uso di 1N4007 per i filamenti da V1 a V6
Non so esattamente di che valvole si tratti ma, come dici, diodi da 1A non sembrano il massimo in tale posizione, calcolando (a spanne) 6 x 12ax7 a 6.3V sarebbero 1800mA mentre a 12.6V si sarebbe a 900mA ma ci sarebbe comunque da considerare l' inrush current dovuta al caricarsi degli elettrolitici
Un' altra cosa è che dalla foto he hai postato sono montati a filo PCB
Sostituirli con qualcosa di più grosso e mantenerli sollevati dallo stampato (1cm circa) parrebbe possa fare solo bene
Quanto grossi (da quanti A) direi dipenda dall' assorbimento totale delle valvole collegate e per saperlo servirebbe o l' elenco o lo schema completo dell' amp
Magari si potrebbe considerare anche l' inserimento di una res per abbassare l'intruso current ma sarebbe complicato per via della PCB su cui il circuito è realizzato, forse 1 res (o 2, considerando una per lato), di basso valore (proverei circa 0.3R - 0.5R) tra Trasformatore e diodi sarebbe più facile da inserire anche se non sarebbero in posizione ottimale ed abbasserebbero un po' la tensione
Farei una serie di controlli sul circuito che segue, elettrolitici etc. etc. (meglio se li misuri con un ESR meter), in ogni caso, se l' amp è datato sai da solo che gli elettrolitici andrebbero sostituiti (quanti anni potranno ancora reggere ?)
Franco
p.s.: quel ponte, disegnato così, fa incrociare un po' gli occhi per essere letto
In effetti suona strano l' uso di 1N4007 per i filamenti da V1 a V6
Non so esattamente di che valvole si tratti ma, come dici, diodi da 1A non sembrano il massimo in tale posizione, calcolando (a spanne) 6 x 12ax7 a 6.3V sarebbero 1800mA mentre a 12.6V si sarebbe a 900mA ma ci sarebbe comunque da considerare l' inrush current dovuta al caricarsi degli elettrolitici
Un' altra cosa è che dalla foto he hai postato sono montati a filo PCB
Sostituirli con qualcosa di più grosso e mantenerli sollevati dallo stampato (1cm circa) parrebbe possa fare solo bene
Quanto grossi (da quanti A) direi dipenda dall' assorbimento totale delle valvole collegate e per saperlo servirebbe o l' elenco o lo schema completo dell' amp
Magari si potrebbe considerare anche l' inserimento di una res per abbassare l'intruso current ma sarebbe complicato per via della PCB su cui il circuito è realizzato, forse 1 res (o 2, considerando una per lato), di basso valore (proverei circa 0.3R - 0.5R) tra Trasformatore e diodi sarebbe più facile da inserire anche se non sarebbero in posizione ottimale ed abbasserebbero un po' la tensione
Farei una serie di controlli sul circuito che segue, elettrolitici etc. etc. (meglio se li misuri con un ESR meter), in ogni caso, se l' amp è datato sai da solo che gli elettrolitici andrebbero sostituiti (quanti anni potranno ancora reggere ?)
Franco
p.s.: quel ponte, disegnato così, fa incrociare un po' gli occhi per essere letto
Re: Koch supernova : diodi rettificatori filamenti sottodimensionati?
Allego schema Ed allego soluzione Che non è il massimo della qualità, ma segue indicazioni.
Ho rimosso (tagliando con una forbicina) i vecchi diodi.
Dovevo saldare altri quattro diodi (che ho unito preventivamente a coppie con tre piedini)
La prima coppia è andata.. Ma la seconda era impossibile da saldare in quello spazio angusto, quindi ho tirato su tre fili e saldato ai fili l'altra coppia di diodi.
Ho ricoperto di isolante e inserito opportunamente in uno spazio.
Funzionante a primo colpo, temperatura diminuite di circa 40°!
Re: Koch supernova : diodi rettificatori filamenti sottodimensionati?
Ps
Ho usato gli 1N5406
Ho usato gli 1N5406
- Kagliostro
- Amministratore

- Messaggi: 9949
- Iscritto il: 03/12/2007, 0:16
- Località: Prov. di Treviso
Re: Koch supernova : diodi rettificatori filamenti sottodimensionati?
OK, la situazione, almeno per quanto riguarda il surriscaldamento dei diodi, pare risolta
La tensione DC in uscita da quel circuito dovrebbe essere attorno a 7.8V e nello schema non è indicato come sono collegati i PIN delle 12ax7 (se per i 6.3V o per i 12.6V)
Sono abbastanza perplesso
Che tensione misuri e come sono collegati i PIN ?
Franco
La tensione DC in uscita da quel circuito dovrebbe essere attorno a 7.8V e nello schema non è indicato come sono collegati i PIN delle 12ax7 (se per i 6.3V o per i 12.6V)
Sono abbastanza perplesso
Che tensione misuri e come sono collegati i PIN ?
Franco
Re: Koch supernova : diodi rettificatori filamenti sottodimensionati?
Le finali sono alimentate in ac e misuro circa 6v tra pin 2&7Kagliostro ha scritto: ↑15/12/2024, 22:48OK, la situazione, almeno per quanto riguarda il surriscaldamento dei diodi, pare risolta
La tensione DC in uscita da quel circuito dovrebbe essere attorno a 7.8V e nello schema non è indicato come sono collegati i PIN delle 12ax7 (se per i 6.3V o per i 12.6V)
Sono abbastanza perplesso
Che tensione misuri e come sono collegati i PIN ?
Franco
Le 7 12ax7 in cc, misuro +3,2 sui pin 4/5, - 2,5v sul pin9
Questi i valori, con tutte la valvole montate
Re: Koch supernova : diodi rettificatori filamenti sottodimensionati?
Prossimo passo, dare un po' più di carattere al canale 4,5
È sterile.
Sto testando i condensatori di bypass (c19) quel 470n accoppiato a 1k5: sono arrivato a montare un 4.7uf in parallelo al 470n..il suono ingrossa ma non pare il ingolfarsi.
Mi sta venendo voglia di uno switch "fat" per questo canale.
Anche il canale clean è abbastanza sterile di base (cosa anche normale dato che fa da base per altri 4canali).. E bene o male con gli altri switch di equalizzazione si riesce a a trovare un suono discreto. Peccato che però, mettendo su gli alti (switch) e passando ai canali gain, ci si ritrova con delle zanzare assurde.
Credo (spero) che col midi queste impostazioni siano dinamiche, cioè memorizza i vari switching tra i vari canali, ma usando la pedaliera propria, la. Fs6, cio non avviene e quindi le modifiche Dell equalizzazione tramite il switch è comune a tutti i canali..
È sterile.
Sto testando i condensatori di bypass (c19) quel 470n accoppiato a 1k5: sono arrivato a montare un 4.7uf in parallelo al 470n..il suono ingrossa ma non pare il ingolfarsi.
Mi sta venendo voglia di uno switch "fat" per questo canale.
Anche il canale clean è abbastanza sterile di base (cosa anche normale dato che fa da base per altri 4canali).. E bene o male con gli altri switch di equalizzazione si riesce a a trovare un suono discreto. Peccato che però, mettendo su gli alti (switch) e passando ai canali gain, ci si ritrova con delle zanzare assurde.
Credo (spero) che col midi queste impostazioni siano dinamiche, cioè memorizza i vari switching tra i vari canali, ma usando la pedaliera propria, la. Fs6, cio non avviene e quindi le modifiche Dell equalizzazione tramite il switch è comune a tutti i canali..

