Laney VC15: riverbero non va piu'
Laney VC15: riverbero non va piu'
Ciao a tutti!
Scrivo un post di richiesta aiuto dopo mesi di lurkamanento.
Ho un vc15 della Laney. Per comodita' tre anni fa ho scollegato dal combo: chassis, lo speaker e reverb tank.
Lo chassis e' venuto via facilmente, il cono anche e il riverbero pure, bastava scollegare due jack rca (bianco e rosso) dalla pcb.
Mi sono costrutio una "testatina" in legno e c'ho messo lo chassis del vc15 senza il riverbero (mi arrangiavo con altro e la scatola occupava spazio nella mini testata), tenendo il potenziometro del rivebero sempre a 0.
Per mesi ho suonato tranquillo.
Ora ho bisogna di ricollegare il riverbero e rimettere tutto nel combo.
Ho semplicemente ricollegato i cavi rca alle loro prese, ma il riverbero non funziona; alzando il suo livello si sente poi un fruscio man mano piu' intenso (non troppo).
Sto cercando di capire se l'uso a riverbero scollegato, pur tenendo il pot a 0, puo' aver rovinato qualcosa.
Dal ciruito allegato, qualcuno di voi sa darmi qualche suggerimento?
Grazie 1000!
F
Scrivo un post di richiesta aiuto dopo mesi di lurkamanento.
Ho un vc15 della Laney. Per comodita' tre anni fa ho scollegato dal combo: chassis, lo speaker e reverb tank.
Lo chassis e' venuto via facilmente, il cono anche e il riverbero pure, bastava scollegare due jack rca (bianco e rosso) dalla pcb.
Mi sono costrutio una "testatina" in legno e c'ho messo lo chassis del vc15 senza il riverbero (mi arrangiavo con altro e la scatola occupava spazio nella mini testata), tenendo il potenziometro del rivebero sempre a 0.
Per mesi ho suonato tranquillo.
Ora ho bisogna di ricollegare il riverbero e rimettere tutto nel combo.
Ho semplicemente ricollegato i cavi rca alle loro prese, ma il riverbero non funziona; alzando il suo livello si sente poi un fruscio man mano piu' intenso (non troppo).
Sto cercando di capire se l'uso a riverbero scollegato, pur tenendo il pot a 0, puo' aver rovinato qualcosa.
Dal ciruito allegato, qualcuno di voi sa darmi qualche suggerimento?
Grazie 1000!
F
\"The beauty of tubes as amplification devices is that they don\'t just make a sound bigger, they make a sound bigger with style\" - Dave Hunter
Re:Laney VC15: riverbero non va piu'
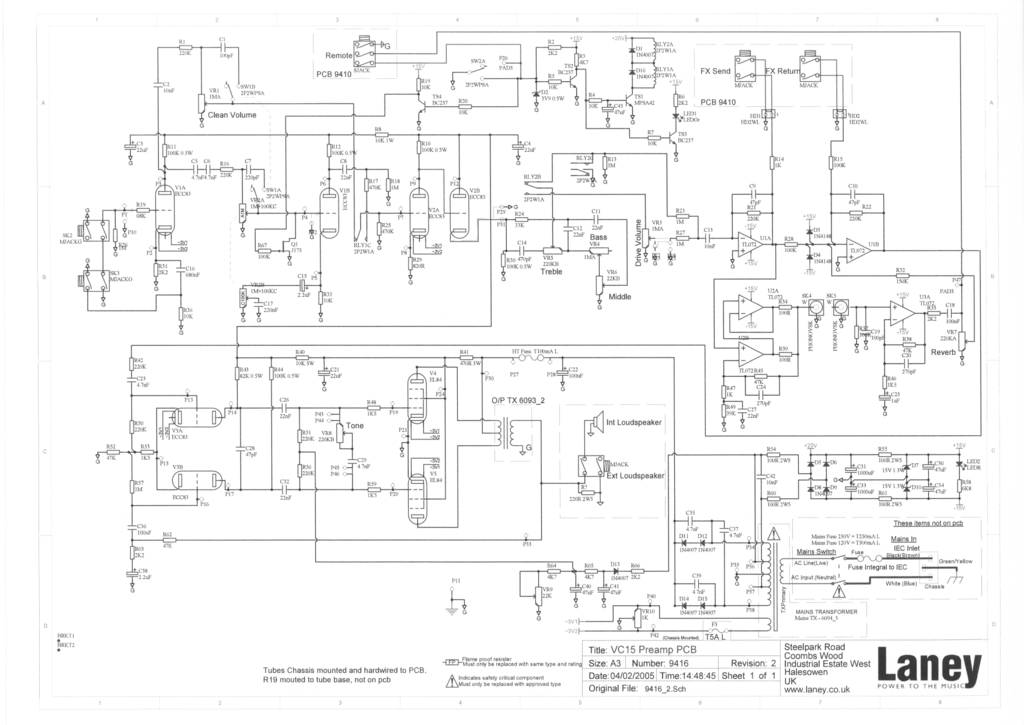
Allego anche lo schema completo del VC15 (immagine piccola,non ho trovato di meglio) per avere una idea gnerale sul percoso del segnale e del dove e come la parte del riverbero (immagine precedente) e' stata inserita nel circuito. I "phonoVSK" SK4 e 5 credo siano gli rca.
Grazie ancora!
F
Grazie ancora!
F
\"The beauty of tubes as amplification devices is that they don\'t just make a sound bigger, they make a sound bigger with style\" - Dave Hunter
Re:Laney VC15: riverbero non va piu'
Io non credo che tu abbia rovinato l'ampli, è più probabile che tu abbia tenuto la tank delle molle in una posizione diversa da quella in cui era montata nello chassis o che qualche urto abbia fatto dei danni a quella, prova ad aprirla e controllare.
L\'uso del tasto \"CERCA\" non provoca impotenza!
Alex
Alex
Re:Laney VC15: riverbero non va piu'
Alex,
grazie per la risposta!
Ieri,mi sono dato una letta al post con gli schemi del VC15 su un forum trovato con google
http://www.parkerguitars.com/forum/topi ... IC_ID=3812
...ed effettivamente anche qui si parla di posizionamento del tank!
Spero che sia quello, che si sia rovinato (a dire il vero, l'ho scollegato e messo via...mai più toccato...mah) al limite ne prendo uno nuovo ma l'idea di mettermi a dissaldare roba sul pcb mi faceva un pò paura...
Forse riesco a trovare un altro vc15 per fare delle prove...
Cmq tu escludi che quella parte del circuito si sia danneggiata, stando "aperta", giusto? Gli IC prima e dopo i socket per gli rca non si dovrebbero essere fumati, no?
Grazie per il supporto!
F
grazie per la risposta!
Ieri,mi sono dato una letta al post con gli schemi del VC15 su un forum trovato con google
http://www.parkerguitars.com/forum/topi ... IC_ID=3812
...ed effettivamente anche qui si parla di posizionamento del tank!
Spero che sia quello, che si sia rovinato (a dire il vero, l'ho scollegato e messo via...mai più toccato...mah) al limite ne prendo uno nuovo ma l'idea di mettermi a dissaldare roba sul pcb mi faceva un pò paura...
Forse riesco a trovare un altro vc15 per fare delle prove...
Cmq tu escludi che quella parte del circuito si sia danneggiata, stando "aperta", giusto? Gli IC prima e dopo i socket per gli rca non si dovrebbero essere fumati, no?
Grazie per il supporto!
F
\"The beauty of tubes as amplification devices is that they don\'t just make a sound bigger, they make a sound bigger with style\" - Dave Hunter
Re:Laney VC15: riverbero non va piu'
Non credo proprio che sia rotto il pilota della tank, ma le tank si vendono per avere una posizione precisa.
Controlla bene quella.
Controlla bene quella.
L\'uso del tasto \"CERCA\" non provoca impotenza!
Alex
Alex
Re:Laney VC15: riverbero non va piu'
... ho collegato di nuovo il tank provando a spostarlo ma non succede nulla. Solito rumore di fondo con il pot da meta' in poi (se escludo il riverbero con il remote, non si sente nulla).
Temo che sia qualcosa all'interno dell'ampli, in quei pochi componenti... nel tank, le molle e tutto il resto sembrano ok... ho pure provato a colpire il tank leggermente per vedere se si sentiva qualcosa, ma nulla... muto... solo quel rumore di fondo. :'(
Altre idee?
Ancora grazie!
F
Temo che sia qualcosa all'interno dell'ampli, in quei pochi componenti... nel tank, le molle e tutto il resto sembrano ok... ho pure provato a colpire il tank leggermente per vedere se si sentiva qualcosa, ma nulla... muto... solo quel rumore di fondo. :'(
Altre idee?
Ancora grazie!
F
\"The beauty of tubes as amplification devices is that they don\'t just make a sound bigger, they make a sound bigger with style\" - Dave Hunter
Re:Laney VC15: riverbero non va piu'
Hai provato a controllare se tutti i cavetti fanno bene contatto o qualcuno si sta spezzando?
Naturalmente parlo dei cavetti degli Rca e di quelli della tank.
Naturalmente parlo dei cavetti degli Rca e di quelli della tank.
L\'uso del tasto \"CERCA\" non provoca impotenza!
Alex
Alex

