La procedura che ho seguito è questa:
Collego la presa della corrente:
- 230V dalla presa al fusibile fino allo switch di accensione... OK
Accendo:
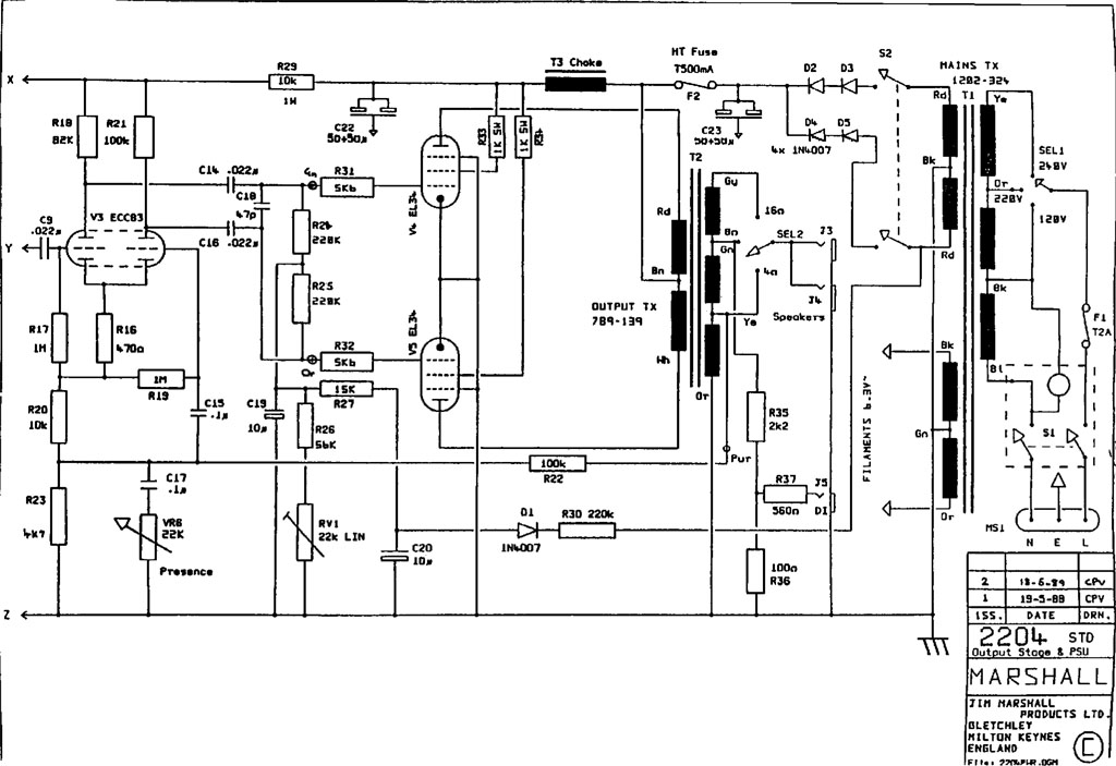
- Misuro il voltaggio lungo la catena "heater" delle valvole, circa 3.20V dappertutto... OK
- Misuro il voltaggio sui pin 5 delle due EL34... Niente, zero! (Dovrebbe essere negativo, intorno ai -50 dal momento che il pot è al max)
... A questo punto le istruzioni dicono di accendere lo standby per proseguire, ma solo se i test sono finora positivi, perciò ho ritenuto più opportuno fermarmi...
Ho ricontrollato tutti i collegamenti un'altra volta (l'avevo già fatto due volte prima di iniziare i test), ho testato le resistenze...
L'unica cosa che ho trovato è che nel finale il "plate resistor" da 100k mi dà misurazioni strane, diverse di volta in volta... Pensavo potesse essere quello il problema, o almeno parte del problema, ma poi quando l'ho tirato fuori per sostituirlo, testandolo ho scoperto che è a posto. Immagino che di conseguenza rilevazioni "strane" una volta all'interno del circuito siano normali?
Onestamente a questo punto, una volta appurato anche col multimetro che i collegamenti che portano alle resistenze di griglia sono a posto, da buon principiante non so bene cosa fare...

