Sostieni il forum con una donazione! Il tuo contributo ci aiuterà a rimanere online!
Immagine

Vento con il canale clean, VH100R

Problemi con un ampli? Esponili qui!
Avatar utente
Vicus
Roger Mayer Jr.
Roger Mayer Jr.
Messaggi: 2084
Iscritto il: 15/07/2007, 18:43
Località: Rossano Veneto VI

Vento con il canale clean, VH100R

Messaggio da Vicus » 06/09/2010, 16:59

Salve, ho una Laney VH100R afflitta da un problema al canale clean, è rumoroso. Ho fatto delle modifiche al tonestack e adesso mi ritrovo con il rumore della bora in sottofondo. Ho controllato e ricontrollato tutte le modifiche fatte o alle saldature che ho dovuto rifare per staccare riattaccare i cavi per accedere alla scheda ma non vedo o misuro niente di anormale. Se passo al canale distorto non ci sono rumori. Consigli?

Avatar utente
meritil
Amministratore
Amministratore
Messaggi: 2971
Iscritto il: 06/05/2006, 4:57
Località: Roma
Contatta:

Re: Vento con il canale clean, VH100R

Messaggio da meritil » 06/09/2010, 18:08

ciao vic secondo me ti conviene dettagliare un pò meglio la modifica, possibilmente uppare foto e schema sia dell'ampli originale sia dell'ampli con modifica...

:numb1:

Avatar utente
Vicus
Roger Mayer Jr.
Roger Mayer Jr.
Messaggi: 2084
Iscritto il: 15/07/2007, 18:43
Località: Rossano Veneto VI

Re: Vento con il canale clean, VH100R

Messaggio da Vicus » 06/09/2010, 18:22

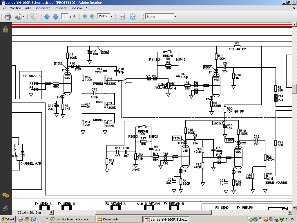
La parte che fa rumore è il percorso in alto, anche quello sotto, il drive, lo fa però meno. Ho portato R32 da 100k a 56k, eliminato C10 e incrementato C2 da 2.2u a 10u. R32 è in smd package 1206, ne avevo a casa e ho provato a cambiarli 2 volte. C2 l'ho sostituito, elettrolitico da 25V. C10 l'ho sostituito da un ponticello e data la semplicità non non l'ho più toccato. Altro non ho fatto.
Allegati
Immagine.PNG
parte dello schema su cui ho lavorato

Avatar utente
meritil
Amministratore
Amministratore
Messaggi: 2971
Iscritto il: 06/05/2006, 4:57
Località: Roma
Contatta:

Re: Vento con il canale clean, VH100R

Messaggio da meritil » 06/09/2010, 21:56

se puoi rimetti la 100k secondo me è lì il problema... oppure aggiungi un coupling sull'anodo...

ma è una mod conosciuta o è un esperimento?

Avatar utente
Vicus
Roger Mayer Jr.
Roger Mayer Jr.
Messaggi: 2084
Iscritto il: 15/07/2007, 18:43
Località: Rossano Veneto VI

Re: Vento con il canale clean, VH100R

Messaggio da Vicus » 06/09/2010, 22:06

Una mia idea, così facendo aumento il range di azione del pot dei bassi e medi. Il rumore e un fruscio che varia nel tempo con qualche scoppietto ogni tanto. Fastidiosissimo. In passato avevo risolto un problema simile in un bassman in cui il cablaggio delle finali era sottodimensionato ma in questo caso essendo il finale in comune con il canale distorto questo non centra dato che tale canale è silenzioso. Potrebbero essere andati i condensatori di filtraggio?

Avatar utente
meritil
Amministratore
Amministratore
Messaggi: 2971
Iscritto il: 06/05/2006, 4:57
Località: Roma
Contatta:

Re: Vento con il canale clean, VH100R

Messaggio da meritil » 06/09/2010, 22:21

vabbè intanto ripristina tutto all'originale poi se persiste cerchiamo altri colpevoli... altrimenti dovrai rivalutare la mod


cmqe il controllo toni non è proprio il classico marshall style... la R32 alta aiuta a fare a meno del coupling cap dopo l'anodo...


ciao

Avatar utente
Vicus
Roger Mayer Jr.
Roger Mayer Jr.
Messaggi: 2084
Iscritto il: 15/07/2007, 18:43
Località: Rossano Veneto VI

Re: Vento con il canale clean, VH100R

Messaggio da Vicus » 06/09/2010, 22:49

Per cuopling cap intendi un condensatore in parallelo alla resistenza di anodo? Un condensatore in quella posizione non taglia le alte frequenze? Dai miei calcoli abbassare R32 fa aumentare solo i bassi.

Avatar utente
meritil
Amministratore
Amministratore
Messaggi: 2971
Iscritto il: 06/05/2006, 4:57
Località: Roma
Contatta:

Re: Vento con il canale clean, VH100R

Messaggio da meritil » 06/09/2010, 23:00

no in parallelo alla res anodica ma in serie al segnale, cioè da una parte all'anodo a dall'altra alla R32


e cmqe si è un filtro che con molta probabilità toglie, oltre a molti basse inutili per un ampli per chitarra, anche "il vento"...

Avatar utente
Vicus
Roger Mayer Jr.
Roger Mayer Jr.
Messaggi: 2084
Iscritto il: 15/07/2007, 18:43
Località: Rossano Veneto VI

Re: Vento con il canale clean, VH100R

Messaggio da Vicus » 07/09/2010, 9:50

Intendi dire che visto che ho abbassato R32 dovrei disaccoppiare il tone stack dal triodo che lo precede? Non vorrei sbagliarmi ma di solito il tone stack non è disaccoppiato. E per gli scoppietti?

Avatar utente
meritil
Amministratore
Amministratore
Messaggi: 2971
Iscritto il: 06/05/2006, 4:57
Località: Roma
Contatta:

Re: Vento con il canale clean, VH100R

Messaggio da meritil » 07/09/2010, 13:04

per gli scoppiettii come per gli altri difetti ripristina tutto all'originale, prima di menare il can per l'aia...


i tonestack non hanno necessità di essere disaccoppiati, gli stadi di guadagno si come ti ho già detto non confondere questo tonestack con il classico marshall con dei valori diversi c'è un enorme differenza...



:ciao:

Avatar utente
Vicus
Roger Mayer Jr.
Roger Mayer Jr.
Messaggi: 2084
Iscritto il: 15/07/2007, 18:43
Località: Rossano Veneto VI

Re: Vento con il canale clean, VH100R

Messaggio da Vicus » 07/09/2010, 13:34

Appena ho un po' di tempo provo.

Il tonestack non assomiglia al classico Marshall ma a quello Fender si, i valori si discostano di poco.
meritil ha scritto:la R32 alta aiuta a fare a meno del coupling cap dopo l'anodo...
E dopo.
meritil ha scritto:no in parallelo alla res anodica ma in serie al segnale, cioè da una parte all'anodo a dall'altra alla R32
Mi pare che mi stai consigliando di disaccoppiare il tonestack.

A me piace capire perché le cose accadono: se abbasso R32 abbasso l'impedenza del tonestack che è il carico a cui il triodo è attaccato. In continua non cambia nulla perché i condensatori si considerano rami aperti. Per il segnale invece abbassare l'impedenza di carico significa richiedere più corrente al generatore, in questo caso il triodo, che ricordo non avere una impedenza interna bassa. Ciò che non capisco è come il rumore generato da quel triodo aumenti in caso così tanto cambiando di così poco l'impedenza.

Avatar utente
Vicus
Roger Mayer Jr.
Roger Mayer Jr.
Messaggi: 2084
Iscritto il: 15/07/2007, 18:43
Località: Rossano Veneto VI

Re: Vento con il canale clean, VH100R

Messaggio da Vicus » 07/09/2010, 21:13

Sta sera ho avuto tempo di rimettere mano alla testata e dopo aver rifatto una saldatura su un cavo schermato sembra che il vento sia vento sia calato e che il fuoco si sia spento. :lol1: :ok_1: Diciamo che con cassa molto sensibile e volumi-gain a manetta un po' di aria c'è ancora ma non mi va di ricontrollare tutto. Domani ultimo controllo e poi la rimonto.

Tornando alle modifiche da me fatte avete opinioni in merito? Metril, sei l'unico che mi abbia risposto e per questo ti ringrazio, dici che ho aggiunto frequenze inutili alla chitarra però secondo i miei calcoli e secondo il mio orecchio ho pompato le basse e medio basse frequenze diciamo dal kilohertz in giù.

Avatar utente
meritil
Amministratore
Amministratore
Messaggi: 2971
Iscritto il: 06/05/2006, 4:57
Località: Roma
Contatta:

Re: Vento con il canale clean, VH100R

Messaggio da meritil » 08/09/2010, 0:26

secondo me a "pompare le basse" bisogna sempre stare attenti... gli ampli più alzi e più si imballano ingoffandosi sulle basse frequenze, un coupling a monte del tonestack ti aiuterebbe a controllare le troppe basse tagliandole a monte...

fermo restando che se riesci ad evitare di inserire il coupling è meglio fai delle prove ad alti volumi e vedi che "aria" tira :face_green:

Avatar utente
Vicus
Roger Mayer Jr.
Roger Mayer Jr.
Messaggi: 2084
Iscritto il: 15/07/2007, 18:43
Località: Rossano Veneto VI

Re: Vento con il canale clean, VH100R

Messaggio da Vicus » 09/09/2010, 9:42

Niente da fare, sopratutto a freddo ma anche random da caldo, scoppietti e crepitii vari vanno e vengono e il bello è che li ho sono nel clean. Ho già controllato, relais, interruttori, collegamenti. Considerando i pochi componenti che ci sono nel ramo superiore l'unico incriminato non può non essere il potenziometro del volume clean. E' possibile secondo voi? Ho provato più volte a pulirlo con un unno spray che di solito ha dato buoni risultati ma non è servito. :muro:

Avatar utente
robi
Amministratore
Amministratore
Messaggi: 9760
Iscritto il: 17/12/2006, 13:57
Località: Alba

Re: Vento con il canale clean, VH100R

Messaggio da robi » 09/09/2010, 10:35

meritil ha scritto: il controllo toni non è proprio il classico marshall style...
Vero, è un tonestack fender puro e semplice, e lo lascerei così.

Ricontrolla tutte le saldature ed i cavetti schermati.

Rispondi