Debug Uberschall...qualcuno vuole aiutarmi?
- abysmal412
- Diyer Eroe

- Messaggi: 570
- Iscritto il: 05/02/2009, 21:43
- Località: Viterbo
Debug Uberschall...qualcuno vuole aiutarmi?
Ciao a tutti,
è un po' che non seguo la comunità visto che tra il lavoro e lo studio, il mio tempo si è ridotto all'osso (come la mia attività di"musicista").
Proprio per questo la mia Uberschall era rimasta in soffitta in attesa di tempi migliori.
Dopo averla ultimata mi si è presentato un problema che, secondo me, è di semplicissima soluzione ma che come di consueto sono troppo cieco per vederlo, puntando piuttosto il dito verso qualcosa di arcano che non esiste nemmeno.
Visto cl'assenza di cassa da accoppiare, e per sopravvenuta voglia di qualcosa di più maneggevole, ho deciso di metterla in vendita, ma secondo me ho più possibilità di farlo se funziona...spero che per questo vogliate darmi una mano.
Scusate la lunga premessa, e veniamo al dunque.
Lo stato è il seguente:
Se accendo l'ampli (st.by=off) tutto ok, le valvole si accendono regolarmente, voltaggi in ordine.
Chiudo lo standby: parte un rumore che, da una bassa intensità cresce rapidamente fino a diventare assordante.
Esclusione del finale: mando attraverso il send il segnale del pre in un altro ampli, tutto OK: suono perfetto (e fantastico!), mancanza di HUM...dai PCB si può sentire però un "tick" poco frequente, molesto...non dalla cassa, ma proprio dal PCB...è un componente che lo fa.
Con le finali staccate non si sente assolutamente nessuna ronza, se le attacco invece, dalla cassa (non da quella collegata al send, ma da quella collegata all'uscita dell'ampli) si può sentire un hum di bassa intensità.
Esclusione del pre.
Se collego tramite il return la chitarra al finale, la chitarra si sente, ma dopo qualche secondo devo staccare per l'insorgere del rumore che inizia a salire di intensità...risco a dare qualche bella plettrata e si sente che il finale, prima che inizi a salire questa specie di feedback, suona pulito e senza altri disturbi.
Anche in questo caso il ticchettio irregolare è presente.
Interventi: ho provato ad invertire le placche del TU, ma niente...
Ho cambiato anche un relay, pensando che il rumore venisse da lì, ma niente.
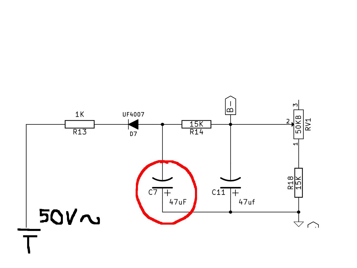
Ho cambiato anche il cap C7 che vedete in allegato e vi spiego perchè...
Fin dall'inizio, dopo i primi test, questo condensatore ha cominciato a secernere liquido, come se fosse stata invertita momentaneamente la polarità o se fosse stato sovraccaricato.
Non si erano verificati nessuno dei due casi, e ho pensato ad un problema costruttivo...mah!
Lo sostituisco e, quello che c'è ora, è obeso e pronto a scoppiare dopo un certo numero di prove. Scalda subito dopo l'accensione dell'ampli.
L'altro (C11) invece è fresco come una rosa...
Ho pensato che questo problema fosse da attribuire ad una o più delle valvole finali che potrebbe essere andata, ma sono scettico e comunque non dispongo di un altro quartetto per fare il test (e il mio amico non mi vuole prestare le sue el34...m@@da).
Ho controllato tutti i componenti (a freddo) del circuito del bias e tutti i valori sono in ordine...probabilmente il mio prossimo intervento sarà quello di sostituirli perchè magari, sotto tensione, qualcuno da i numeri. Ma se qualcuno ha un'idea migliore e vollesse comunicarmela, gli sarei molto grato, anche perchè su questi PCB non è affatto facile dissaldare e sono anche molto delicati.
Grazie :-)
è un po' che non seguo la comunità visto che tra il lavoro e lo studio, il mio tempo si è ridotto all'osso (come la mia attività di"musicista").
Proprio per questo la mia Uberschall era rimasta in soffitta in attesa di tempi migliori.
Dopo averla ultimata mi si è presentato un problema che, secondo me, è di semplicissima soluzione ma che come di consueto sono troppo cieco per vederlo, puntando piuttosto il dito verso qualcosa di arcano che non esiste nemmeno.
Visto cl'assenza di cassa da accoppiare, e per sopravvenuta voglia di qualcosa di più maneggevole, ho deciso di metterla in vendita, ma secondo me ho più possibilità di farlo se funziona...spero che per questo vogliate darmi una mano.
Scusate la lunga premessa, e veniamo al dunque.
Lo stato è il seguente:
Se accendo l'ampli (st.by=off) tutto ok, le valvole si accendono regolarmente, voltaggi in ordine.
Chiudo lo standby: parte un rumore che, da una bassa intensità cresce rapidamente fino a diventare assordante.
Esclusione del finale: mando attraverso il send il segnale del pre in un altro ampli, tutto OK: suono perfetto (e fantastico!), mancanza di HUM...dai PCB si può sentire però un "tick" poco frequente, molesto...non dalla cassa, ma proprio dal PCB...è un componente che lo fa.
Con le finali staccate non si sente assolutamente nessuna ronza, se le attacco invece, dalla cassa (non da quella collegata al send, ma da quella collegata all'uscita dell'ampli) si può sentire un hum di bassa intensità.
Esclusione del pre.
Se collego tramite il return la chitarra al finale, la chitarra si sente, ma dopo qualche secondo devo staccare per l'insorgere del rumore che inizia a salire di intensità...risco a dare qualche bella plettrata e si sente che il finale, prima che inizi a salire questa specie di feedback, suona pulito e senza altri disturbi.
Anche in questo caso il ticchettio irregolare è presente.
Interventi: ho provato ad invertire le placche del TU, ma niente...
Ho cambiato anche un relay, pensando che il rumore venisse da lì, ma niente.
Ho cambiato anche il cap C7 che vedete in allegato e vi spiego perchè...
Fin dall'inizio, dopo i primi test, questo condensatore ha cominciato a secernere liquido, come se fosse stata invertita momentaneamente la polarità o se fosse stato sovraccaricato.
Non si erano verificati nessuno dei due casi, e ho pensato ad un problema costruttivo...mah!
Lo sostituisco e, quello che c'è ora, è obeso e pronto a scoppiare dopo un certo numero di prove. Scalda subito dopo l'accensione dell'ampli.
L'altro (C11) invece è fresco come una rosa...
Ho pensato che questo problema fosse da attribuire ad una o più delle valvole finali che potrebbe essere andata, ma sono scettico e comunque non dispongo di un altro quartetto per fare il test (e il mio amico non mi vuole prestare le sue el34...m@@da).
Ho controllato tutti i componenti (a freddo) del circuito del bias e tutti i valori sono in ordine...probabilmente il mio prossimo intervento sarà quello di sostituirli perchè magari, sotto tensione, qualcuno da i numeri. Ma se qualcuno ha un'idea migliore e vollesse comunicarmela, gli sarei molto grato, anche perchè su questi PCB non è affatto facile dissaldare e sono anche molto delicati.
Grazie :-)
Re: Debug Uberschall...qualcuno vuole aiutarmi?
Lo hai montato col positivo a massa?
Da quanti volt è?
Da quanti volt è?
- abysmal412
- Diyer Eroe

- Messaggi: 570
- Iscritto il: 05/02/2009, 21:43
- Località: Viterbo
Re: Debug Uberschall...qualcuno vuole aiutarmi?
Si, positivo a massa.
Sono da 100V
Sono da 100V
Re: Debug Uberschall...qualcuno vuole aiutarmi?
Hai verificato che siano 50Vrms, cioè 70 circa di picco sull'avvolgimento per il bias?
- abysmal412
- Diyer Eroe

- Messaggi: 570
- Iscritto il: 05/02/2009, 21:43
- Località: Viterbo
Re: Debug Uberschall...qualcuno vuole aiutarmi?
Si, sono un po più di 70...
Re: Debug Uberschall...qualcuno vuole aiutarmi?
70 che? rms picco o cosa?
Perchè se sono 70rms hai più di 100V di picco, e per forza i cap partono.
Perchè se sono 70rms hai più di 100V di picco, e per forza i cap partono.
- abysmal412
- Diyer Eroe

- Messaggi: 570
- Iscritto il: 05/02/2009, 21:43
- Località: Viterbo
Re: Debug Uberschall...qualcuno vuole aiutarmi?
Allora, se metto il puntale del tester prima di R13 ho 74-76V...una volta chiuso lo standby si abbassa a circa 50.
Re: Debug Uberschall...qualcuno vuole aiutarmi?
=) ok, il tuo tester quasi sicuramente misura il valore rms del voltaggio.
Vedi che lì hai un problema! 76Vrms sono 108V di picco, ed ecco che il primo cap già parte!
Vedi che lì hai un problema! 76Vrms sono 108V di picco, ed ecco che il primo cap già parte!
- abysmal412
- Diyer Eroe

- Messaggi: 570
- Iscritto il: 05/02/2009, 21:43
- Località: Viterbo
Re: Debug Uberschall...qualcuno vuole aiutarmi?
ooops...ehehehe :-)
A questo punto mi si pongono spontanee delle domande:
1) come faccio a misurarli correttamente, in modo da inserire la resistenza giusta?
2) ma se ho il problema della sovratensione sul bias, chi mi dice che non ce l'ho pure sull'anodica e sullo switching?
A questo punto mi si pongono spontanee delle domande:
1) come faccio a misurarli correttamente, in modo da inserire la resistenza giusta?
2) ma se ho il problema della sovratensione sul bias, chi mi dice che non ce l'ho pure sull'anodica e sullo switching?
Re: Debug Uberschall...qualcuno vuole aiutarmi?
2) Il tester.
- abysmal412
- Diyer Eroe

- Messaggi: 570
- Iscritto il: 05/02/2009, 21:43
- Località: Viterbo
Re: Debug Uberschall...qualcuno vuole aiutarmi?
Scusa la mia ignoranza, ma se metto dei condensatori di oltre 100V, non dovrei avere già risolto?
In quel modo sopporteranno le tensioni di picco più alte e dovrei stare tranquillo, no?
In quel modo sopporteranno le tensioni di picco più alte e dovrei stare tranquillo, no?
Re: Debug Uberschall...qualcuno vuole aiutarmi?
Certo, difatti il 2) stava a significare che stavo rispondendo alla domanda che hai contrassegnato col 2). =)
A quanto regoli il bias delle finali?
A quanto regoli il bias delle finali?
- abysmal412
- Diyer Eroe

- Messaggi: 570
- Iscritto il: 05/02/2009, 21:43
- Località: Viterbo
Re: Debug Uberschall...qualcuno vuole aiutarmi?
Non mi ero accorto della tua risposta ( "2) tester" ) perchè tra un intervento e l'altro guardo "il gladiatore" in TV :-)
Non ho ancora avuto modo di tararlo il bias...è messo freddissimo per evitare problemi.
Domani vado a comprare i condensatori, monto e, se è tutto OK, taro.
Non ricordo quant'è esattamente l'anodica, quindi collegherò il probe e vedrò.
Comunque non lo farò caldissimo.
Ho le KT88...qualche dritta è sempre gradita, anche perchè non ho esperienza con queste valvole.
Ah, ovviamente grazie per l'aiuto che m'hai dato fin'ora ;-)
Non ho ancora avuto modo di tararlo il bias...è messo freddissimo per evitare problemi.
Domani vado a comprare i condensatori, monto e, se è tutto OK, taro.
Non ricordo quant'è esattamente l'anodica, quindi collegherò il probe e vedrò.
Comunque non lo farò caldissimo.
Ho le KT88...qualche dritta è sempre gradita, anche perchè non ho esperienza con queste valvole.
Ah, ovviamente grazie per l'aiuto che m'hai dato fin'ora ;-)
Re: Debug Uberschall...qualcuno vuole aiutarmi?
Prego! Casomai ti aiuto a metterla a posto e poi la compro! =D
Che trasformatori hai preso?
Specifiche di alimentazione ed uscita intendo.
Che trasformatori hai preso?
Specifiche di alimentazione ed uscita intendo.
Re: Debug Uberschall...qualcuno vuole aiutarmi?
Ok, tieni il bias intorno ai 45 mA. =)

